Valitse kieli:
English
Suomi
Tervetuloa, Vieras. Ole hyvä ja
kirjaudu
tai
Rekisteröidy
Koti
Ohjeita
Haku
Kirjaudu
Rekisteröidy
Liity SRHS:n jäseneksi
SRHS Forum
›
Suomen Radiohistoriallinen Seura ry - Keskustelufoorumi
›
Ulkomaiset radiot, televisiot ja äänentoistolaitteet
› Blaupunkt Derby 681 matkaradio
‹
Edellinen aihe
|
Seuraava aihe
›
Sivu: 1
Lähetä aihe
Tulosta
Blaupunkt Derby 681 matkaradio (Luettu 4128 kertaa)
Markku
YaBB Newbies
Poissa
Viestejä: 42
Blaupunkt Derby 681 matkaradio
29.12.2016 klo 09:12:31
Tulosta viesti
Moro !
Näin uutena jäsenenä ja juuri mitään tietämättömänä radioitten ihmeellisestä maailmasta kysyn asian tuntijoilta seuraavaa:
Blaupunkt Derby 681 matkaradion asemavalitseman paneelin valoista (2 poltinta)kuuluisiko niitten palaa kummallakin virtalähteellä paristoilla ja verkkovirralla ?.Paristoilla polttimot eivät pala,verkkovirrasta en vielä tiedä,lähden juuri hankkimaan muuntajaa.Mistä kannattaa lähteä hakemaan vikaa jos ne ei pala?.Oliko kyseinen radio -68 -69 mallia ?.Jos jollakin on kyseisen radion alkuperäistä virtajohtoa ylimääräistä myytäväksi,saa tarjota.
markku.laamanen55@gmail.com
IP kirjattu
putkinotko
God Member
Poissa
SRHS # 751
Viestejä: 1881
Sijainti: Lohja
Re: Blaupunkt Derby 681 matkaradio
Vastaus #1 -
29.12.2016 klo 11:06:50
Tulosta viesti
Moro
Jos siinä ei ole erillistä painonappia valolle, niin toimii vain verkkovirralla.
Jussi
IP kirjattu
Markku
YaBB Newbies
Poissa
Viestejä: 42
Re: Blaupunkt Derby 681 matkaradio
Vastaus #2 -
29.12.2016 klo 12:29:32
Tulosta viesti
Hei !
Ei pala polttimot verkkovirrallakaan,eikä ole painonappia.
Ei jostakin syystä tule virta polttimoille,johdot näyttää ehjiltä.
Polttimot ehjät.
IP kirjattu
plamminen
God Member
Poissa
SRHS: 610
Viestejä: 1643
Sijainti: Loviisa
Re: Blaupunkt Derby 681 matkaradio
Vastaus #3 -
29.12.2016 klo 13:11:05
Tulosta viesti
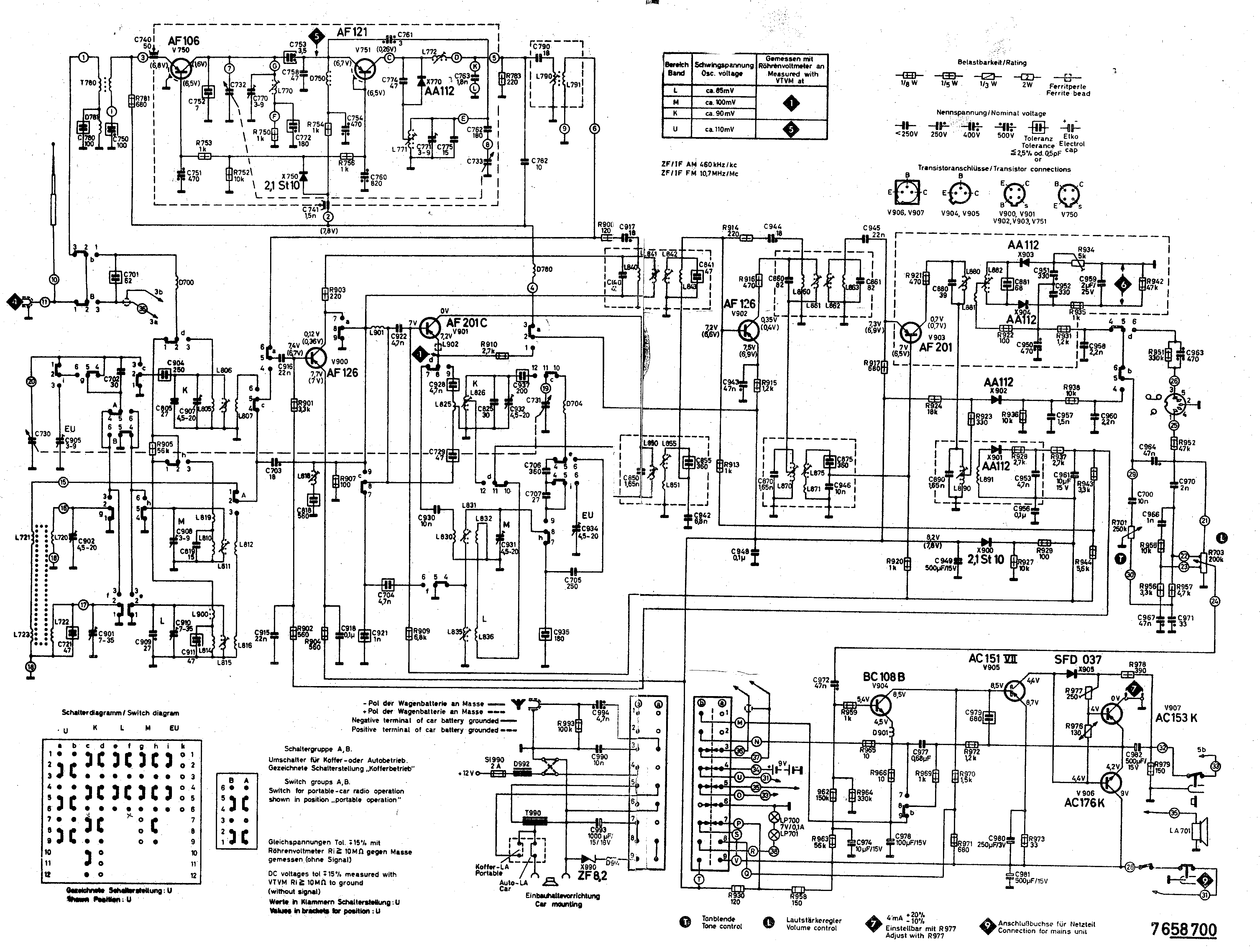
Taitaa olla malli jossa nuo lamput palavat vain autotelineeseen kytkettynä.
Itse kolvaamalla ne saa toiminaan laittamalla hyppyjohdon pohjaliittimeen. Nasta b8 nastaan a9. Tuo liitin on aika pahassa paikkaa joten saattaa olla helpompikin tapa laittaa valot päälle.
Katso kaavio
blaupunkt_derby_de_luxe-7658700_1967_sch.png
( 430 KB | 0 latausta )
Pentti Lamminen
IP kirjattu
Markku
YaBB Newbies
Poissa
Viestejä: 42
Re: Blaupunkt Derby 681 matkaradio
Vastaus #4 -
29.12.2016 klo 15:16:13
Tulosta viesti
Tervehdys !
Kyllä varmaan näin on että lamput palaa autotelineeseen kytkettynä.Laitoin nyt kumminkin lamput palamaan pohjaliitimen kautten.Toki kokeilin voluumikatkaisimen kautten ja lampun kantaan hyppypiuha ja tokihan se toimi mutta antoi vähäisen viheltävän äänen.Kiitokset Pentille tiedoista.Antamasi vinkki muuntajasta toimii vallan mainiosti.Olen ylpeä hyvin toimivasta Blaupunkista
IP kirjattu
Gösse
Full Member
Poissa
Viestejä: 102
Sijainti: Järvenpää
Re: Blaupunkt Derby 681 matkaradio
Vastaus #5 -
29.12.2016 klo 21:05:04
Tulosta viesti
Omassa derby 660 palaa valot painamalla ja pitämällä ula nappia pohjassa, siis palaa paristokäytössä vain pitämällä napin alhaalla kun samalla esim etsii kanavaa (ei paristot kulu turhaan) autotelineessä varmaankin palaa jatkuvasti. kokeile josko tuossa mallissa sama idea.
IP kirjattu
Markku
YaBB Newbies
Poissa
Viestejä: 42
Re: Blaupunkt Derby 681 matkaradio
Vastaus #6 -
30.12.2016 klo 18:54:20
Tulosta viesti
Ei toimi valot tässä Blaupunkt 681 mallissa ula nappi pohjaan painettuna.Kyllä se on uskoakseni tehty niin että valot palaa vain autotelineessä ja autokäytössä.
IP kirjattu
Sivu: 1
Lähetä aihe
Tulosta
‹
Edellinen aihe
|
Seuraava aihe
›
Foorumihyppy »
Koti
» 10 viimeisintä viestiä
» 10 viimeisintä aihetta
Suomen Radiohistoriallinen Seura ry - Keskustelufoorumi
Suomen Radiohistoriallinen Seura ry
Jäsenalue
Yleistä radiohistoriasta
Kotimaiset radiot, televisiot ja äänentoistolaitteet
Ulkomaiset radiot, televisiot ja äänentoistolaitteet ««
Muut radio- ja elektroniikkalaitteet
Entisöinti ja kunnostus yleisellä tasolla
Omatekoiset laitteet ja rakentelu
Sotilasradiot ja Perinneradiot
Yleinen keskustelualue
Niitä Näitä
Haku päällä
« Koti
‹ Alue
SRHS Forum
» Powered by
YaBB 2.6.12
!
YaBB Forum Software
© 2000-2026. Kaikki oikeudet pidätetään.