Sivunvalintanappi Sivu: [1] 2  Lähetä aiheTulosta
Kuuma aihe (Enemmän kuin 10 vastausta) Linnet&Laursen Piccolo 633 (Luettu 11160 kertaa)
pekmatval
God Member
*****
Poissa



Viestejä: 2012
Linnet&Laursen Piccolo 633
20.12.2016 klo 22:11:48
Tulosta viesti  
Tuollainen ihme tuli kotiin. En ollut kuullutkaan tästä Tanskalaisesta merkistä. Netistä löytyi kuitenkin helposti tietoa: http://radio.gort.dk/ll/.  Radio on tehty huolella noin v 1962.
Myyjä oli saanut vehkeen jonkun jäämistöstä ... ei tiennyt tästä  mitään.

En malttanut jätää Joulun pyhien ratoksi vaan avasin heti.  Batterit olivat muumioituneet sisään .. pahempaa ei ole ennen tullut eteen. Pullistuessaan olivat särkeneet batterikotelon muovirakenteet.

Kokeeksi kytkin jännitettä sisään ja laite otti siististi 30mA/12V ..  pääteaste hurisi mukavasti inputtia  sormella rapsuttaessa . Aikamoinen ihme!  Radio-osa oli aluksi ihan mykkä. Pieni kytkinten elvytys bilteman sprayllä  toi ulalle heikon äänen, jos antennisignaali oli todella vahva.  AM täysin mykkä.

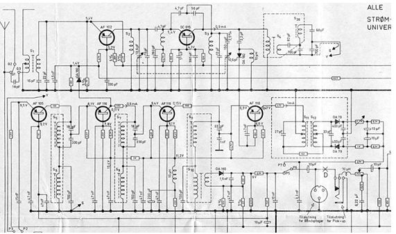
Tutkin hiukan kytkinkaaviota. Osaako joku kertoa, että mitä tekee OA160 diodi välitaajuustasteelta FM osan ekan trankun kannalle .. 'AVS'?  (kaavio tulee tarkemmin tuon linkin sivulta 3)

Seuraavaksi alan tutkia radio osan trankkujen toimintaa .. jossain on osittainen katkos!
  

radio_pieni_1.PNG ( 213 KB | 0 latausta )
radio_pieni_1.PNG
paristot.PNG ( 121 KB | 0 latausta )
paristot.PNG
Sivun alkuun
 
IP kirjattu
 
pekmatval
God Member
*****
Poissa



Viestejä: 2012
Re: Linnet&Laursen Piccolo 633
Vastaus #1 - 20.12.2016 klo 22:12:57
Tulosta viesti  
rado-osa ... mutta kannattaa avata tuo edellä ollut linkki. siellä on tämän radion kytkentä ja paljon muutakin kivaa
  

radio-osa.PNG ( 213 KB | 0 latausta )
radio-osa.PNG
Sivun alkuun
 
IP kirjattu
 
plamminen
God Member
*****
Poissa


SRHS: 610

Viestejä: 1643
Sijainti: Loviisa
Re: Linnet&Laursen Piccolo 633
Vastaus #2 - 21.12.2016 klo 08:00:50
Tulosta viesti  
Melko varmasti Ula-etusasteen AF-102 transistori vialla. Oireet viittaavat siihen.
  

Pentti Lamminen
Sivun alkuun
 
IP kirjattu
 
pekmatval
God Member
*****
Poissa



Viestejä: 2012
Re: Linnet&Laursen Piccolo 633
Vastaus #3 - 21.12.2016 klo 11:24:17
Tulosta viesti  
Toivottavasti ei ole tuo FM trankku rikki, sillä sen vaihtamiseksi pitää purkaa koko radio!  Tässä radiossa on FM ja AM asteiden etupäät punottu sisään mekaniikkaan ja peitetty asteikkonaruilla. Huollettavuus ei ole ollut mielesssä.
kuvassa ula aste pilkottaa oikealla alhaalla,valkoinen piirikortti. Vain jonkin reunimmaisen osan voisi vaihtaa helposti.

Sen verran tutkin, että ensimmäinen VT trankku ei saa maata kollektorilla olevan kelapurkin kautta.  Vaikuttaisi siltä, että itse kelat ovat ehjiä, mutta niitä yhdistä lanka puuttuu.  Toin johdolla maan tuon kelapurkin FM kelat toiseen päähän (harppasin AM kelan) ja tällöin alkoi ULA kuulua melko hyvin. Tämä antaa jo lupausta siitä, että ULA-etuaste pelittää. Nyt kaikkien VT trankkujen jännitteet ovat ok. Täytyy vielä  selvittää, mikä siellä kelapurkissa mättää.

AM on vielä  ihan mykkä. Ja varmuudeksi suihkuttelin kytkinpakettiin reippaasti tuota elektroniikan puhdistusspraytä sillä  seurauksella, että nyt kytkimet takkuaa ??  Alussa toimivat mekaanisesti ja yhtä kun painoi, niin muut pomppasivat ylös.  Nyt kun painaa yhden pohjaan niin muut eivät palaudu ... pitää nostaa sormilla. Miten tuo spray voi tälläistä saada aikaan?
  

sisus_2.PNG ( 297 KB | 0 latausta )
sisus_2.PNG
Sivun alkuun
 
IP kirjattu
 
Maja
God Member
*****
Poissa


SRHS 478

Viestejä: 3372
Sijainti: Lounais-Suomi
Re: Linnet&Laursen Piccolo 633
Vastaus #4 - 21.12.2016 klo 12:12:58
Tulosta viesti  
Näissä vanhoissa radioissa nuo etuasteen transistorit AF102, AF106, AF116 ovat lähes poikkeuksetta entisiä.
Mitä tulee tuohon kytkinsarjan takerteluun niin runsaasti käytetty liuotinaine kuivaa mekanismin tai sitten se
reagoi muuttamalla alkuperäisen voiteluaineen tahnaksi. Nämä Linnet&Laursen radiot eivät ole niitä kaikkein
huoltoystävällisempiä rakenteeltaan, omasta Piccolo 647:sta muistan.

Markku  Pyöritä silmiä
  
Sivun alkuun
 
IP kirjattu
 
Blaekie
God Member
*****
Poissa


SRHS - 623

Viestejä: 1145
Sijainti: Helsinki
Re: Linnet&Laursen Piccolo 633
Vastaus #5 - 21.12.2016 klo 13:08:19
Tulosta viesti  
Ja tuo ko. tyyppisten transistorien ongelmat saattaa johtua tuosta tinaviiksi ilmiöstä -> https://nepp.nasa.gov/Whisker/anecdote/af114-transistor/index.html
Tätä on foorumilla käsitelty aikaisemminkin muistaakseni, mutta enpä onnistunut haulla löytämään ketjua.
Itse olen polttanut parissakin radiossa etupään trankun viikset pois paristomenetelmällä, eli oikosulkemalla kytkentälangat yhteen
ja antamalla pienen virtasykäyksen kotelon ja yhteen välillä. Toimii, mutta ei aina. Tällöin voi trankussa olla muuta vikaa, jos ylipäätään.
  
Sivun alkuun
 
IP kirjattu
 
Maja
God Member
*****
Poissa


SRHS 478

Viestejä: 3372
Sijainti: Lounais-Suomi
Re: Linnet&Laursen Piccolo 633
Vastaus #6 - 21.12.2016 klo 13:34:16
Tulosta viesti  
  
Sivun alkuun
 
IP kirjattu
 
pekmatval
God Member
*****
Poissa



Viestejä: 2012
Re: Linnet&Laursen Piccolo 633
Vastaus #7 - 21.12.2016 klo 17:12:01
Tulosta viesti  
Minulle ei auennut tuo Blakien ehdottama Nasan linkki ... siellä lienee sotasalaisuuksia? Sensijaan vanhoista trankuista:
http://www.vintage-radio.com/repair-restore-information/transistor_transistor-fa...

Vietin kahvikupposen tämän 'paskan' vieressä. Ulalla kuuluu voimakkaat asemat  hyvin, mutta heikkoja ei löydy ollenkaan. Lisäksi normaali suhina asemien välissä puuttuu lähes kokonaan.

AM'stä selvisi, että osk värähtelee kaiketi mukavasti. Skoopilta näkyi muuttuvaa siniä.  AM'n  ensimmäinen trankku sen sijaan oli sökö (paljastui jännitteitä mittamalla) .  Epäilin myös toista VT trankkua . Testasin trakkuja testerillä : Ohessa kuva ekassa AM trankku on kasvattanut viikset?  ... ja toisessa VT2 trankku, voiko (muka) hfe olla 242 vanhalla AF 116'sella?   VAihdoin  ekan AM trankun , mutta ei apua.  Toisen VT trankun laitoin takaisin.   Pitkillä edes hiukan yrittää nyt kuulua jotakin, jos tökkää peliin hyvän antennin.

Kokeeksi vielä syötin (taisi mennä tässä vaiheessa jo toinen kuppi kahvia ja pulla mukana) generaattorista siniä 445KHz, 20mV p-p  VT osan inputtiin ( ekalle trakulle, emitterille) ja mittasin, että AM ilmaisin diodille tulee 390mV p-p. En kyllä osaa sanoa, että onko VT osa tämän perusteella kunnossa?

Tämä Tanskalainen ei taida olla  helppo nakki. Tuon signaalin seuraaminen antennista radio-osan läpi on melkoinen haaste. Sen verran paha hässäkkä koko rakennelma on.   Pakko vaan jaksaa!
« Viimeksi muokattu: 21.12.2016 klo 18:10:15 Kirjoittaja pekmatval »  

trans_test_1.PNG ( 188 KB | 0 latausta )
trans_test_1.PNG
Sivun alkuun
 
IP kirjattu
 
RJL
God Member
*****
Poissa


SRHS 612

Viestejä: 2768
Re: Linnet&Laursen Piccolo 633
Vastaus #8 - 21.12.2016 klo 18:17:59
Tulosta viesti  
Nuo vanhat AF11X-sarjan transistorit vuotavat usein niin paljon että kiinalainen testeri sekoaa. Peakin testeri sanoo suoraan että vuotovirran takia mittaustulos on epävarma. Vuodoista huolimatta saattavat nuo silti hoitaa hommansa.
  

Reijo Liljedahl - SRHS 612 - OH3AVA - SDXL 8092
Sivun alkuun
 
IP kirjattu
 
LGL.
God Member
*****
Poissa



Viestejä: 1352
Re: Linnet&Laursen Piccolo 633
Vastaus #9 - 21.12.2016 klo 19:58:15
Tulosta viesti  
Onhan se tunnettu ongelma nuo "whiskersit", mutta minulle ei ole 40 vuoden aikana koskaan sattunut että näitä HF Ge-trankut olisi mennyt vaihtoon. Saattaa olla että eri firman trankut ovat erilaisia, mutta Blaupunkt Derbyn ja Philipsin  koneissa  ei ole koskaan ollut ongelmia. Tarkistetaan nyt ensiksi se, että kaikki kontaktit ja kytkimet ovat kunnossa. Ei riitä että sinne pruutataan jotain ainetta ja luullaan että nyt on kaikki hyvin kun tilapäisesti toimisikin. Seuraavana päivänä on sama juttu tai sitten aivan mykkä toosa.
Kontaktivirheet ovat taatusti yleisin ongelma näissä radioissa, varsinkin jos patterikotelo on noin kamalan näköinen.
Ota kolvi ja juota uudelleen paikoissa joissa saatta olla häiriöitä. Täytyy muista että Ge-transistori on herkkä lämmölle.
LGL
  
Sivun alkuun
 
IP kirjattu
 
pekmatval
God Member
*****
Poissa



Viestejä: 2012
Re: Linnet&Laursen Piccolo 633
Vastaus #10 - 22.12.2016 klo 22:14:51
Tulosta viesti  
Sain kytkimet toimimaan  ainakin mekaanisesti hienosti!  Sähköpuolella myös ULA toimii yhä mallikkaasti.  Yllä olevien vikkien perusteella ajattelin, että todellakin siellä saattaa olla vanhat rasvat takkuamassa ja keksin ottaa käteen ensimmäisen käteen sopivan liotinsprayn, joka vaikutti suht fiksulta ... bilteman ruosteen eston Silmänisku Ruiskutin sitä huolella sisään kytkimiin (joiden luokse ei tässä  vehkeessä pääse kuin suihkuttamlalla). Kytkimet alkoivat liestyä välittömästi. Sitten rämpläsin niitä hetken. Ja seuraavaksi puhalsin varovaisesti 6 baarin paineella paskat pois. Ne tietysti levisivät osittain radion muihin osiin, joten lopuksi annoin laaja-alaisen huuhtelun sillä elektroniikan puhdistusaineella ... ja päälle uusi varovainen puhaltelu kevyesti 4 baarin paineella ...   Viola' .. kaikki toimi Silmänisku

Sähköjen suhteen jumppasin myös. Tutkin oskillaattoritransistorin toimintaa. Sen taajuus vaihteli järkevästi eri alueilla (kytkimet toimivat)  . Esim KB I alue (1,55-4,9MHz) osk vaihteli 1,95-4,6MHz ... se vain sammui kun säätökonkka oli ohan auki. Samoin tuon oskillaatorin amplitudi OC614 kollektorilla vaihteli rajusti . Alattajuuksilla noin 8V p-p ja siellä 4,9MHz'llä vain 0,7V p-p ... ei kai ole ok??  Mutta tuskin syy AM hiljausuuteen. 

Tämän jälkeen syötin AM moduloitua 3MHz signaalia antenniin reippaat 100mV p-p  (radio KB I alueella) . Tällöin Radio kyllä antoi äänen ulos ja selektiivisyys toimi (kuului vain yhdellä säätökonkan asennolla).  Tässä kuitenkin signaalin voimakkuus on liian suuri ja radio siis on hyvin epäherkkä.  Juuri mitään ei kuulunut 10mVp-p signaalilla.  Siis vikaa on!    Seuraavaksi mittasin, että  mitäs näkyy ekan AM trankun kannalla ja kollektorilla. Kannalle tuli kiltisti syöttämäni moduloitu signaali ( siis kytkimet toimi tältäkin osalta), mutta kollektorilla näkyi tolkuton (3,2V pp) sinivärähtely. Tässä kohtaa olin ihan pihalla.  Otin irti antennisignaalin ja tuo sama värähtely pysyi. Arvelin, että se olisi oskillattorin tekemä  ... mutta taajuus oli eri??   Siis skopella mitattuna ilman antennisignaalia trankun kollektorilla 3,2V pp / 3,51MHz ja  oskillaattoritrankun kollektorilla 8Vpp/3,35MHz .  Minulla ei ole mitään hajua miksi moiset tulokset. Skooppi  sotkee (brope oli 1:1 asenossa)? Miten ihmeessä tuo AM trankun kollektorille edes voi tulla tuollainen signaali? 

Tässä kohtaa lopetettava .. aika loppui. Mutta tuohu jatkuu.
« Viimeksi muokattu: 22.12.2016 klo 23:15:36 Kirjoittaja pekmatval »  
Sivun alkuun
 
IP kirjattu
 
RJL
God Member
*****
Poissa


SRHS 612

Viestejä: 2768
Re: Linnet&Laursen Piccolo 633
Vastaus #11 - 23.12.2016 klo 09:35:10
Tulosta viesti  
Värähtelystä en tiedä, vaihtuuko taajuus oskillaattorin mukana? Ettei mittapää kuormita oskillaattoria silloin kun sitä mitataan ja taajuus vaihdu kun kuormitus siirtyy rf-trankulle? Onkos tasajännitteet piirikaavion mukaisia?

Mutta rf-mittauksissa pitäisi aina käyttää mittapäätä 1:10-asennossa jotta mittapää ei kuormittaisi mitattavaa piiriä. 1:1-asennossa kytkeytyy koko mittajohdon kapasitanssi mitattavaan piiriin, vaimennusasennossa mittapäässä on ensimmäisenä 9 Mohmin vastus ja kuomitus näin vähäinen.
  

Reijo Liljedahl - SRHS 612 - OH3AVA - SDXL 8092
Sivun alkuun
 
IP kirjattu
 
pekmatval
God Member
*****
Poissa



Viestejä: 2012
Re: Linnet&Laursen Piccolo 633
Vastaus #12 - 25.12.2016 klo 13:48:01
Tulosta viesti  
Joulun vieton lomassa  jatkoin piccolon kanssa .  Todellakin tuo brope sotki oskillattoria 1:1 asennossa sen verran, että aiemmat mittaukseni olivat potaskaa. Nyt 10:1 asennossa selvisi, että  tuo oskillaattorin jännite näkyy ekan AM trankunkollektorilla reippaasti ... niin sen kai kuuluukin tässä kytkennässä näkyä.  Sen verran vielä lisää mittauksesta , että jos brope on oskillaattorin kollektorilla 10:1 asennossa niin taajuus tippuu yhä hiukan 3.51MHz -> 3.49MHz. Jos mittaa brobella osk trankun emitteriltä, niin saa tarkan tuloksen. 

Nuo  trankkujen DC jännitteet ovat noin  ok.

Tässä kohdassa palasin tuohon alun havaintooni, että ensimmäinen välitaajuuskela ei ole kunnossa.  Oikeastaan olin tyhmä, kun en heti tutkinut tätä loppuun asti.  Juotin kelapurkin irti ja avasin sen ... siellähän oli selvä katkos. kuparilankaa oli hävinnyt 1,5mm pätkä . AM-kela oli siis poikki (kuvassa). Mikähän sen oli särkenyt, sillä kelat ovat alumiinisen kuoren sisällä suojassa enkä huomannut, että battereiden sotku olisi sinne levinnyt.  Onnistuin tinaamaan sisään jatkopätkän ja tällä korjatulla kelalla AM heräsi henkiin .. kaikilla kanavilla jotain elämää. Minulla tosin on täällä Espoon maston juuressa niin voimakas FM kenttä, että sitä tuli läpi, jos kytki ulkoisen antennin radiooon.  Mutta AM lienee nyt ok.    

FM kuuluu melko hyvin, mutta ei ole paras mahdollinen ... äänen puhtaus ei ole 100%. Olisiko tämän radion ominaisuus?

Seuraavaksi täytyy jumpata tuo batterikotelo siistiksi .
« Viimeksi muokattu: 25.12.2016 klo 17:54:29 Kirjoittaja pekmatval »  

eka_vt_kela.PNG ( 252 KB | 0 latausta )
eka_vt_kela.PNG
Sivun alkuun
 
IP kirjattu
 
pekmatval
God Member
*****
Poissa



Viestejä: 2012
Re: Linnet&Laursen Piccolo 633
Vastaus #13 - 25.12.2016 klo 14:53:36
Tulosta viesti  
enpä malttanut luovuttaa tuon äänenlaadun kanssa  ... Nyt hävettää!!!  Koska ääni oli mielestäni 'lähes puhdas' , niin oletin pääteasteen olevan ok ja epäilin Radio-osaa.   Väärin!!!   

Sitten päätin vielä mitata nopeasti pääteasteen trakkujen jännitteet ja pian selvisi, että toinen päätetrankku on kokonaan poissa pelistä ... kakki johdot hapettuneet poikki !  Siis toinen päätetrankku vain puski ääntä ja minä luulin sen olevan 'lähes puhdasta' ... täytyy pestä korvat!  Ihmeen hyvin toimii tälläinen muuntajapääteaste yhdellä trankulla. Asensin toisen peliin ja nyt ääni on todella hyvä. 

Oliskohan tämä sähköjen korjaus nyt tässä.
   
« Viimeksi muokattu: 26.12.2016 klo 00:06:49 Kirjoittaja pekmatval »  

pddtetrankku_ac124.PNG ( 136 KB | 0 latausta )
pddtetrankku_ac124.PNG
Sivun alkuun
 
IP kirjattu
 
pekmatval
God Member
*****
Poissa



Viestejä: 2012
Re: Linnet&Laursen Piccolo 633
Vastaus #14 - 05.01.2017 klo 20:51:13
Tulosta viesti  
viimeistelyä projektille. 

Kun tuo nyt oli saatu teknisesti toimivaksi, niin piti vielä korjailla ja putsailla ja kasata. 2 nappulaa olivat murtuneet ja batterikotelon pohja oli murtunut batterien paisuessa.  Myös paristojen kiristysjousi oli ruostunut pois.  Menihän siinä taas aikaa noita korjatessa.   Olin ostanut joskus biletemasta liimaa muovin korjaukseen .. ja se toimi hienosti! (kuva liimasta!).  Sen avulla sain korjatuksi 2 nappulaa, joista jopa puuttui paloja. Batterikotelon pohjan muoviin laitoin lasikuitumattoa, jonka muurasin tällä bilteman liimalla kiinni ... ja pysyi! Jousikin löytyi miljoonalaatikosta.  Putsailin vielä kotelon ja sitten kasaus.

Tässä kyllä joutuu  miettimään, että onko tässä järkeä. Ostat 30llä radion , korjaat sitä miljoonasta kohdasta, aikaa menee helposti 10 tuntia ... sitten rahassa vehkeen arvo on 50 euroa. No ... tehdäänhän sitä ristikoitakin, ratkotaan sudokuja ja luetaan dekkareita .. ja vahdataan TV sarjoja.  Ei tämä sen tyhmempää?

Nyt Radio soi pöydällä. Todella mahtava ääni (iso kajari, 12V, ja ilmava kotelo).  Ihmeen hyvin muuten kuuluu myös AM'llä! RAdio jäi tuohon pöydälle soittamaan kanavaa Espanjansta ja tulee lähes ilman suhinoita pelkällä radion omalla antenilla.

Vielä pitäisi korjata kantohihna, jossa ovat omepeleet pettäneet ... se onkin minulle paha rasti!


« Viimeksi muokattu: 06.01.2017 klo 10:25:46 Kirjoittaja pekmatval »  

muoviliima.PNG ( 40 KB | 0 latausta )
muoviliima.PNG
20170105_183411.jpg ( 275 KB | 0 latausta )
20170105_183411.jpg
Sivun alkuun
 
IP kirjattu
 
Sivunvalintanappi Sivu: [1] 2 
Lähetä aiheTulosta