Kuuma aihe (Enemmän kuin 10 vastausta) Ekotorilöytö, rakennussarja ? (Luettu 10147 kertaa)
Puhelinsetä
YaBB Newbies
*
Poissa



Viestejä: 6
Ekotorilöytö, rakennussarja ?
05.10.2016 klo 20:55:23
Tulosta viesti  
Hei!

Uusi jäsen foorumilla, olen pienenä aloittanut isän vanhan kidekoneen rakentelulla harrastukseni, nyt omistan kolme kidekonetta ym. ja entisen ammattini (joka siis sai tavallaan virikkeen eo. kidekoneesta) kautta muutamia puhelimia.

Tänään löysin ekotorilta oheisen laitteen, siellä meinasivat avata koneen ja katsoa mitä se on syönyt, kun näyttää omatekoiselta. Onneksi kerkisin lunastamaan laitteen, kaikesta päätellen ei liene juuri avattu, ruuvinkannat ehjät ym. Laite koteloitu erittäin siistiin laatikkoon, etulevy jotain keinomateriaalia (ekotori: hiilikuitukuviota..Hymiö sisäpuoli hyvin siisti myös, olisko joku rakennussarja, mitään tunnisteita ei ole. Komponentit näyttävät yhtenäisiltä, kauniit kytkentäruuvit kaikissa. Ikä ja alkuperä kiinnostavat?
  

Sieppaa_001.JPG ( 93 KB | 0 latausta )
Sieppaa_001.JPG
Sivun alkuun
 
IP kirjattu
 
MartinT
Senior Member
****
Poissa



Viestejä: 275
Sijainti: Varkaus
Re: Ekotorilöytö, rakennussarja ?
Vastaus #1 - 05.10.2016 klo 23:11:18
Tulosta viesti  
Kidekoneista minunkin harrastus aikoinaan alkuun lähti. 20 luvulla radioita valmistivat monet tavan sähköliikkeet ja radioita sai rakennussarjoina putkien kanssa tai ilman putkia, oli myös mahdollista rakentaa radio komponenteista kokonaan itse. Rakennsohjeita oli silloin saatavilla jopa aikakauslehdissä. Radiot olivat silloin yksinkertaisia eikä niiden rakentelu kummoisia taitoja vaatinut. Hienon radion olet löytänyt. hiilikuitua ei vielä silloin ollut mutta mustaa pertinaxia oli.
  
Sivun alkuun
 
IP kirjattu
 
Puhelinsetä
YaBB Newbies
*
Poissa



Viestejä: 6
Re: Ekotorilöytö, rakennussarja ?
Vastaus #2 - 09.10.2016 klo 20:42:16
Tulosta viesti  
Lisää pohdintaa...
muistuttaa tätä Asaa osiltaan:
http://www.timonradiosivut.fi/ASA_4.html (1927-29)

Etulevy samanlaista ”sormenjälkipertinaksia” nupit samanlaiset, säätökonkka sama. kelarunko samantyyppinen musta.
Kotelo ei niin hieno, mutta kuitenkin ehdottomasti valmis tuote, ei kotona tehty.
Kaiutin philips 2016 ”chinese hat” (1927->) täysin ehjä.

Kone on lähes käyttämätön ei mitään lämpöjälkiä tai pölyä sisällä. Jos tosiaan rakennussarja, niin ihmetyttää kustannuspuoli? Jos valmiin kotelon takaosan poraus, komponenttien ruuvaus ja johtojen kytkeminen ruuviliittimiin on se oma vähäinen työn osuus ja taas esimerkiksi kytkentäruuvit nostavat varmasti osien hintaa. Mukana kaksi pertinakslevyä, varmasti kallis kaiutin verrattuna kuulokkeisiin jne.
  

Kaiutin_001.JPG ( 60 KB | 0 latausta )
Kaiutin_001.JPG
Sivun alkuun
 
IP kirjattu
 
VjpA
God Member
*****
Poissa


SRHS

Viestejä: 2679
Sijainti: Vantaa
Re: Ekotorilöytö, rakennussarja ?
Vastaus #3 - 09.10.2016 klo 21:58:25
Tulosta viesti  
Hei, mitkäköhän putket siinä "löydössä" on nyt kiinni?
  

t. // Jukka
Sivun alkuun
 
IP kirjattu
 
Puhelinsetä
YaBB Newbies
*
Poissa



Viestejä: 6
Re: Ekotorilöytö, rakennussarja ?
Vastaus #4 - 09.10.2016 klo 22:25:17
Tulosta viesti  
Putket:
Philips Miniwatt
A409
B406
B409
  
Sivun alkuun
 
IP kirjattu
 
Puhelinsetä
YaBB Newbies
*
Poissa



Viestejä: 6
Re: Ekotorilöytö, rakennussarja ?
Vastaus #5 - 16.10.2016 klo 22:26:07
Tulosta viesti  
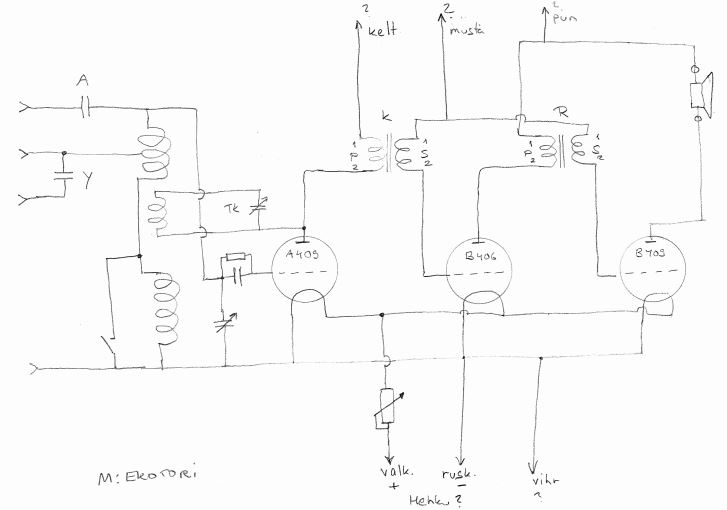
Koitin vääntää kytkentäkaaviota...

Piirroksessa vasemmassa reunassa banaanihylsyt, muut ulostulot moninapaisessa kaapelissa värien mukaisesti, kaikki löytyvät takalevystä.

Kelarungossa kolme käämiä, keskimmäinen ohuella langalla. Säätökonkista piirustuksessa ylempi on edestä katsoen vasemmalla pieni nuppi ja alempi keskellä isompi nuppi asteikolla. Vipukytkin etulevyn alareunassa keskellä. Kaiutinliitäntä kaksi hylsyä etulevyssä.
  

Ekotori_1.jpg ( 35 KB | 0 latausta )
Ekotori_1.jpg
Sivun alkuun
 
IP kirjattu
 
MartinT
Senior Member
****
Poissa



Viestejä: 275
Sijainti: Varkaus
Re: Ekotorilöytö, rakennussarja ?
Vastaus #6 - 17.10.2016 klo 09:47:01
Tulosta viesti  
Kai kokeilet toimiiko? Noiden putkien hehkujännite on 4 V. Elikä plussa valkoiseen ja miinus ruskeaan. Lähtisin kokeilemaan niin, että keltaiseen tulisi anodipariston +45V, punaiseen +90V, anodipariston miinus samaan kuin hehkun miinus. Mustaan hilapariston miinus ja vihreään hilapariston +9V. Anodi-ja hilaparisto voi olla yhteinen 99 V paristo jolloin 0 olisi +9 voltin kohdalla ja hilaaa varten jää -9V. Jos sulla on T.K. Laakson Radiokirja niin nämä tiedot löytyvät sieltä ja paljon muutakin 20 luvun radioista. Anodi jännitteitä varten voi toki rakentaa anodivirtalähteen, itse olen valmistanut anodiparistoja IKEAN myymistä 1,5V paristoista niiden hinta on vain 0,2€/kpl ja anodipariston hinnaksi tulee vain vähän yli kympin.

T: Martin
  
Sivun alkuun
 
IP kirjattu
 
OH2EO
God Member
*****
Poissa


SRHS

Viestejä: 1120
Re: Ekotorilöytö, rakennussarja ?
Vastaus #7 - 17.10.2016 klo 09:55:29
Tulosta viesti  
Takaisinkytkennän osalta lienee  kuvassa virhe. Joko kelan tai säätökonkan toinen napa pitäisi kai olla hehkun miinuksessa, eli kokka-kela ketju  anodilta maihin. Kaiuttimen paikalle sitten suuriohmiset kuulokkeet.
  
Sivun alkuun
 
IP kirjattu
 
Puhelinsetä
YaBB Newbies
*
Poissa



Viestejä: 6
Re: Ekotorilöytö, rakennussarja ?
Vastaus #8 - 17.10.2016 klo 12:00:10
Tulosta viesti  
OH2EO kirjoitti 17.10.2016 klo 09:55:29:
Takaisinkytkennän osalta lienee  kuvassa virhe. Joko kelan tai säätökonkan toinen napa pitäisi kai olla hehkun miinuksessa, eli kokka-kela ketju  anodilta maihin. Kaiuttimen paikalle sitten suuriohmiset kuulokkeet.


Kyllä se ihan kuvan mukainen on, itsekin ihmettelin?
Mulla taitaa jossain 4K kuulokkeet olla, mutta miksei alkuperäinen kaiutin käy?
« Viimeksi muokattu: 17.10.2016 klo 12:27:38 Kirjoittaja Puhelinsetä »  

TK.JPG ( 46 KB | 0 latausta )
TK.JPG
Sivun alkuun
 
IP kirjattu
 
OH2EO
God Member
*****
Poissa


SRHS

Viestejä: 1120
Re: Ekotorilöytö, rakennussarja ?
Vastaus #9 - 17.10.2016 klo 12:25:44
Tulosta viesti  
Puhelinsetä kirjoitti 17.10.2016 klo 12:00:10:
OH2EO kirjoitti 17.10.2016 klo 09:55:29:
Takaisinkytkennän osalta lienee  kuvassa virhe. Joko kelan tai säätökonkan toinen napa pitäisi kai olla hehkun miinuksessa, eli kokka-kela ketju  anodilta maihin. Kaiuttimen paikalle sitten suuriohmiset kuulokkeet.


Kyllä se ihan kuvan mukainen on, itsekin ihmettelin?
Mulla taitaa jossain 4K kuulokkeet olla, mutta miksei alkuperäinen kaiutin käy?

Juu, anteeksi en huomannut tuota alkuperäistä kaiutinta. Hienoa jos se toimii!
  
Sivun alkuun
 
IP kirjattu
 
MartinT
Senior Member
****
Poissa



Viestejä: 275
Sijainti: Varkaus
Re: Ekotorilöytö, rakennussarja ?
Vastaus #10 - 17.10.2016 klo 13:30:12
Tulosta viesti  
Onhan tuo takaisinkytkentä hiukan outo. Olisikohan tekijälle tullut virhe? Useinhan nuo ovat niin, että konkka ja kela ovat sarjassa ja kelan toinen pää maihin. Toki vanha kaiutin käy jos on kunnossa, nehän olivat suuriohmisia.
  
Sivun alkuun
 
IP kirjattu
 
OH2EO
God Member
*****
Poissa


SRHS

Viestejä: 1120
Re: Ekotorilöytö, rakennussarja ?
Vastaus #11 - 17.10.2016 klo 14:58:04
Tulosta viesti  
MartinT kirjoitti 17.10.2016 klo 13:30:12:
Onhan tuo takaisinkytkentä hiukan outo. Olisikohan tekijälle tullut virhe? Useinhan nuo ovat niin, että konkka ja kela ovat sarjassa ja kelan toinen pää maihin. Toki vanha kaiutin käy jos on kunnossa, nehän olivat suuriohmisia.

Onhan tuossa kytkentävirhe tai piirrosvirhe. Noin ei takaisinkytkentä voi toimia.

Timo
  
Sivun alkuun
 
IP kirjattu
 
MartinT
Senior Member
****
Poissa



Viestejä: 275
Sijainti: Varkaus
Re: Ekotorilöytö, rakennussarja ?
Vastaus #12 - 18.10.2016 klo 16:58:49
Tulosta viesti  
Kun katsoo "Sieppaa-001" kuvaa niin ainakin minun näköni mukaan hilavastuksen toinen pää ei ota kiinni pidikkeen koskettimeen. Näyttäisi vastus olevan liian pitkä. Mitenkä muut näkevät?
  
Sivun alkuun
 
IP kirjattu
 
Puhelinsetä
YaBB Newbies
*
Poissa



Viestejä: 6
Re: Ekotorilöytö, rakennussarja ?
Vastaus #13 - 18.10.2016 klo 20:18:55
Tulosta viesti  
Martin on varmaan oikeassa tuon vastuksen suhteen, jalusta ja vastus ovat vähän eriparia.

Muuten jos vedän yhteen tämän hetken tuntojani projektista:

-      kallistun enemmän siihen suuntaan että kyseessä ei ole rakennussarja vaan pienen pajan tai alan miehen firaapeliina kenties myyntiin tehty vehje, työn jälki ei aivan harrastelulta tunnu ja kuitenkin nuo pertinaxit ja kotelo on hankittu jostain valmiina

-      edelleen hämmästyttää, niin kuin jo ostaessa, kaikkien osien puhtaus, hyvä kunto ja alkuperäisyys, mitään ei ole räpelletty tai lahonnut pilalle

-      varmaan koitan jossain vaiheessa laitetta tulille, ensin pitää mitata ja tarkistaa komponentit, hauska nähdä jos sellainen ihme että laitteesta tulis ääntä tapahtuis, herättäiskö samanlaisia täpinöitä kuin 50 vuotta sitten kidekoneesta vastaavasta tilanteesta

-      Ikää vois haarukoida: putkia saatavissa 1925 alkaen, kaiutin -27, muut komponetit ja nupit samantyyppisiä kuin -20 luvun laitteissa, parhaassa tapauksessa vois samalle vuosikymmenelle osua

Kiitos kaikille avusta ja kiinnostuksesta, autotallin rakennus vie nyt aikaani ja palaan varmaan talvella asiaan.

t:puhelinsetä
ps. tässä linkki sekalaisiin kuviin laitteesta
  
Sivun alkuun
 
IP kirjattu
 
VjpA
God Member
*****
Poissa


SRHS

Viestejä: 2679
Sijainti: Vantaa
Re: Ekotorilöytö, rakennussarja ?
Vastaus #14 - 21.10.2016 klo 23:02:57
Tulosta viesti  
Tuolla on vähän samanlainen 'kansanradio'
http://www.radiomuseum.org/r/walser_volksempfaenger.html

putket vain eroaa vähän.
  

t. // Jukka
Sivun alkuun
 
IP kirjattu