Valitse kieli:
English
Suomi
Tervetuloa, Vieras. Ole hyvä ja
kirjaudu
tai
Rekisteröidy
Koti
Ohjeita
Haku
Kirjaudu
Rekisteröidy
Liity SRHS:n jäseneksi
SRHS Forum
›
Suomen Radiohistoriallinen Seura ry - Keskustelufoorumi
›
Omatekoiset laitteet ja rakentelu
› Ajastin 0...5min?
‹
Edellinen aihe
|
Seuraava aihe
›
Sivu: 1
Lähetä aihe
Tulosta
Ajastin 0...5min? (Luettu 6702 kertaa)
Maja
God Member
Poissa
SRHS 478
Viestejä: 3372
Sijainti: Lounais-Suomi
Ajastin 0...5min?
10.03.2016 klo 19:18:53
Tulosta viesti
Löysin vanhan ajastimen jonka toteutus askarruttaa, UC555 löytyy mutta mikä mahtaa olla noiden takalevyssä olevien TIC106D ja UA7812
tarkoitus? Mitään tehonsäätöä tästä mysteeristä ei löydy koska potikoita on vain yksi 2,2M log. Kotelon etuseinässä on vihreä ja punainen
led sekä ohituskytkin pistorasialle. Takaseinässä on sokeripala josta johto painonapille. Tämä on kokeneen harrastajan rakentama, kutisteet
jopa virtakytkimen juotoksissa. piirilevyt ovat siistit ja asialliset Muuntajan alle on liimattu lisäeriste mutta liimaa on puhtaalla alumiinilevyllä
läikkä ja se on selvästi syövyttänyt levyä, tuhtia liimaa on siis käytetty. Ilmeisesti tämä on rakennettu joskus 70-luvun puolivälissä, noin
komponenteista päätellen. Omista kirjoistani en löytänyt vastaavaa kytkentää joka olisi valaissut tätä edes osittain?
Markku
Ajastin__0___5min_.JPG
( 100 KB | 0 latausta )
IP kirjattu
Eero Aro
God Member
Poissa
SRHS
Viestejä: 838
Re: Ajastin 0...5min?
Vastaus #1 -
10.03.2016 klo 19:35:09
Tulosta viesti
Olisiko valokuvien suurennuskoneen ajastin? 1-5 min viittaisi siihen.
7812 on +12 voltin regulaattori ja TIC 206 tyristori, mutta ethän sinä sitä kysynytkään.
Eniten minua alkoi huolestuttaa, että pitäisiköhän minun ruveta dumppaamaan SER-jätteeseen omia tekeleitäni vuosikymmenien ajalta, että kenenkään ei tarvitsisi joskus tulevaisuudessa miettiä, että mitä ihmeen vekottimia ne on. Skemat on kyllä tallessa, mutta kuka niitä osaa yhdistää eri laatikoihin.
Eero
IP kirjattu
Maja
God Member
Poissa
SRHS 478
Viestejä: 3372
Sijainti: Lounais-Suomi
Re: Ajastin 0...5min?
Vastaus #2 -
10.03.2016 klo 19:46:43
Tulosta viesti
Valokuvaamon tarpeisto kävi mielessäni kun katselin tätä, näitä omatekoisia laitteita näkyy kirppareilla aika usein nykyään, aiemmin ei ole liiemmin
näkynytkään. Lisäisin tuohon edelliseen että releitäkin on kaksin kappalein joten tuo tyristorin merkitys hämärtyy entisestään. Juotokset torneissa
ovat niin hapettuneita että ne pitää juottaa uudelleen kaikki, huonolaatuista tinaa ilmeiseti alkujaan.
Markku
IP kirjattu
Eero Aro
God Member
Poissa
SRHS
Viestejä: 838
Re: Ajastin 0...5min?
Vastaus #3 -
10.03.2016 klo 20:10:11
Tulosta viesti
Kun siinä on vain tuo verkkojännitelähtö, niin vähän erikoisilta ratkaisuiltahan nuo tuntuu.
Löysin kuuklailemalla tällaisen kytkennän, josta lähtee puoliaaltotasasuunnattua tasasähköä, jonka tehoa säädetään katkomalla pulsseiksi. (ED:) Siis nollapistekytkin.
Tuon verran Google sai tekstiä selville:
555 timer triggers phase-control circuit | EDN
www.edn.com
Figure 1 Adjusting this circuit's R3 (a) varies the percent of each line cycle that power is applied to the load (b).
URL
www.edn.com
ei vie mihinkään.
Sama skema pölinän kanssa:
http://www.homemade-circuits.com/2013/10/transformerless-power-supply-circuit.ht...
Eero
555-timer-triggers-phase-control-circuit-figure-1lg.jpg
( 93 KB | 0 latausta )
IP kirjattu
Maja
God Member
Poissa
SRHS 478
Viestejä: 3372
Sijainti: Lounais-Suomi
Re: Ajastin 0...5min?
Vastaus #4 -
10.03.2016 klo 22:07:35
Tulosta viesti
Otin piirikortin irti ja sen alta löytyi ovelasti piilotettuna BD241/BD242 joten täytyy aloittaa piirustushommat ihan ensimmäiseksi, tästä ei saa muuten
mitään tolkkua. Peruskortti on ilmeisesti kopioitu reikien osalta valmiista mallista ja sitten Decondalolla piirretty, Elektorin kirjoissa saattaa esiintyä
hyvinkin tämä peruskortti joka on sinänsä valmis monitoimiajastin pienjännite versiona.
Markku
IP kirjattu
Maja
God Member
Poissa
SRHS 478
Viestejä: 3372
Sijainti: Lounais-Suomi
Re: Ajastin 0...5min?
Vastaus #5 -
14.03.2016 klo 15:00:34
Tulosta viesti
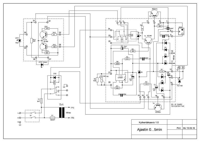
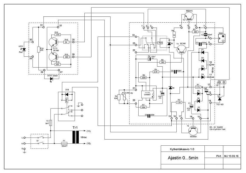
Ajastin toimii ihan ok, piirsin kaavion ja se valaisi jonkin verran kytkentää, mutta tuo tyristorin ulkopuolinen ohjaus liittimestä hiukan
ihmetyttää? Toinen on tehortansistorien käyttö tässä yhteydessä, nimittäin vain regulaattori lämpenee tässä kytkennässä. Myös
komponenttien arvot ovat tavanomaisista ajastinkytkennöistä poikkeavia, mm. R24 sarjan vastuksia esiintyy useampia? Omista
kytkentäkaavioista ei löytynyt ainuttakaan vastaavaa ajastin kytkentää joka olisi ollut lähelläkään tätä mysteeriä.
Markku
Ajastin_0___5min.JPG
( 68 KB | 0 latausta )
IP kirjattu
Sivu: 1
Lähetä aihe
Tulosta
‹
Edellinen aihe
|
Seuraava aihe
›
Foorumihyppy »
Koti
» 10 viimeisintä viestiä
» 10 viimeisintä aihetta
Suomen Radiohistoriallinen Seura ry - Keskustelufoorumi
Suomen Radiohistoriallinen Seura ry
Jäsenalue
Yleistä radiohistoriasta
Kotimaiset radiot, televisiot ja äänentoistolaitteet
Ulkomaiset radiot, televisiot ja äänentoistolaitteet
Muut radio- ja elektroniikkalaitteet
Entisöinti ja kunnostus yleisellä tasolla
Omatekoiset laitteet ja rakentelu ««
Sotilasradiot ja Perinneradiot
Yleinen keskustelualue
Niitä Näitä
Haku päällä
« Koti
‹ Alue
SRHS Forum
» Powered by
YaBB 2.6.12
!
YaBB Forum Software
© 2000-2026. Kaikki oikeudet pidätetään.