Valitse kieli:
English
Suomi
Tervetuloa, Vieras. Ole hyvä ja
kirjaudu
tai
Rekisteröidy
Koti
Ohjeita
Haku
Kirjaudu
Rekisteröidy
Liity SRHS:n jäseneksi
SRHS Forum
›
Suomen Radiohistoriallinen Seura ry - Keskustelufoorumi
›
Ulkomaiset radiot, televisiot ja äänentoistolaitteet
› Paristokäyttöisen yleisradiovastaanottimen tunnistus
‹
Edellinen aihe
|
Seuraava aihe
›
Sivu: 1
Lähetä aihe
Tulosta
Paristokäyttöisen yleisradiovastaanottimen tunnistus (Luettu 3762 kertaa)
Jorma Raita
God Member
Poissa
Viestejä: 1730
Sijainti: Helsinki
Paristokäyttöisen yleisradiovastaanottimen tunnistus
27.12.2015 klo 13:17:28
Tulosta viesti
Olen kirjoittamassa yli 4000 STL:n hyväksynnän saaneiden laitteiden luetteloon lisänä Posti- ja Lennätinhallituksen vuonna 1964 hyväksynnän saaneita paristokäyttöisiä yleisradiovastaanottimia.
Tarkennusta tarvitsee kohta:
Bang & Olufsenin, Tanskassa valmistama laite tai laitteet. Pääedustaja Suomessa Helvar Oy
Onko kyseessä yksi laite vai useampia?
Mallimerkintänä: Troubadour S 1110 Beolit Teena 610 FM
Siis onko edellisessä mallimerkinnässä kyse yhdestä vai useammasta laitteesta??
Tarkennusta kaipaa Jorma
IP kirjattu
LGL
God Member
Poissa
SRSH
Viestejä: 575
Re: Paristokäyttöisen yleisradiovastaanottimen tunnistus
Vastaus #1 -
27.12.2015 klo 13:48:53
Tulosta viesti
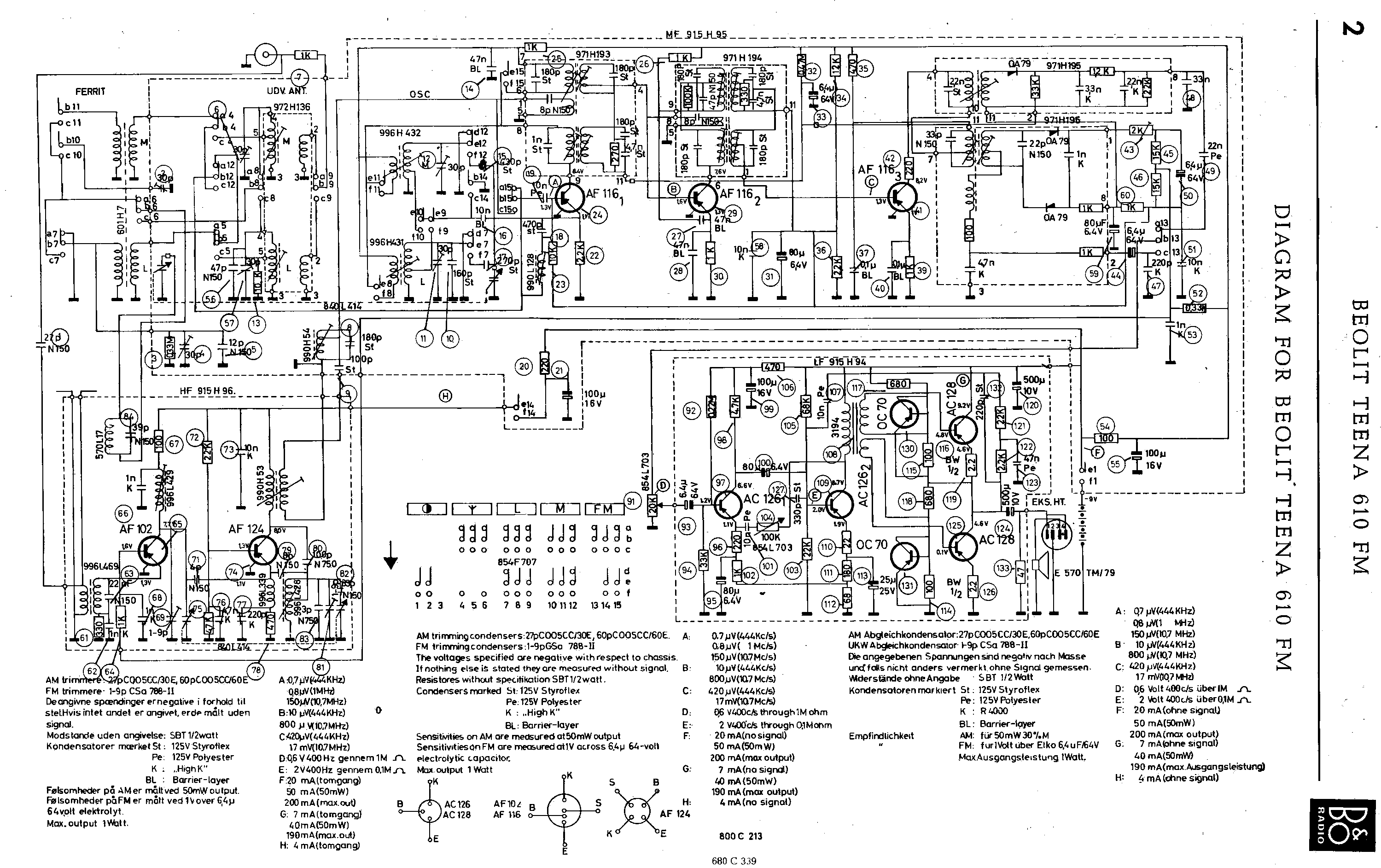
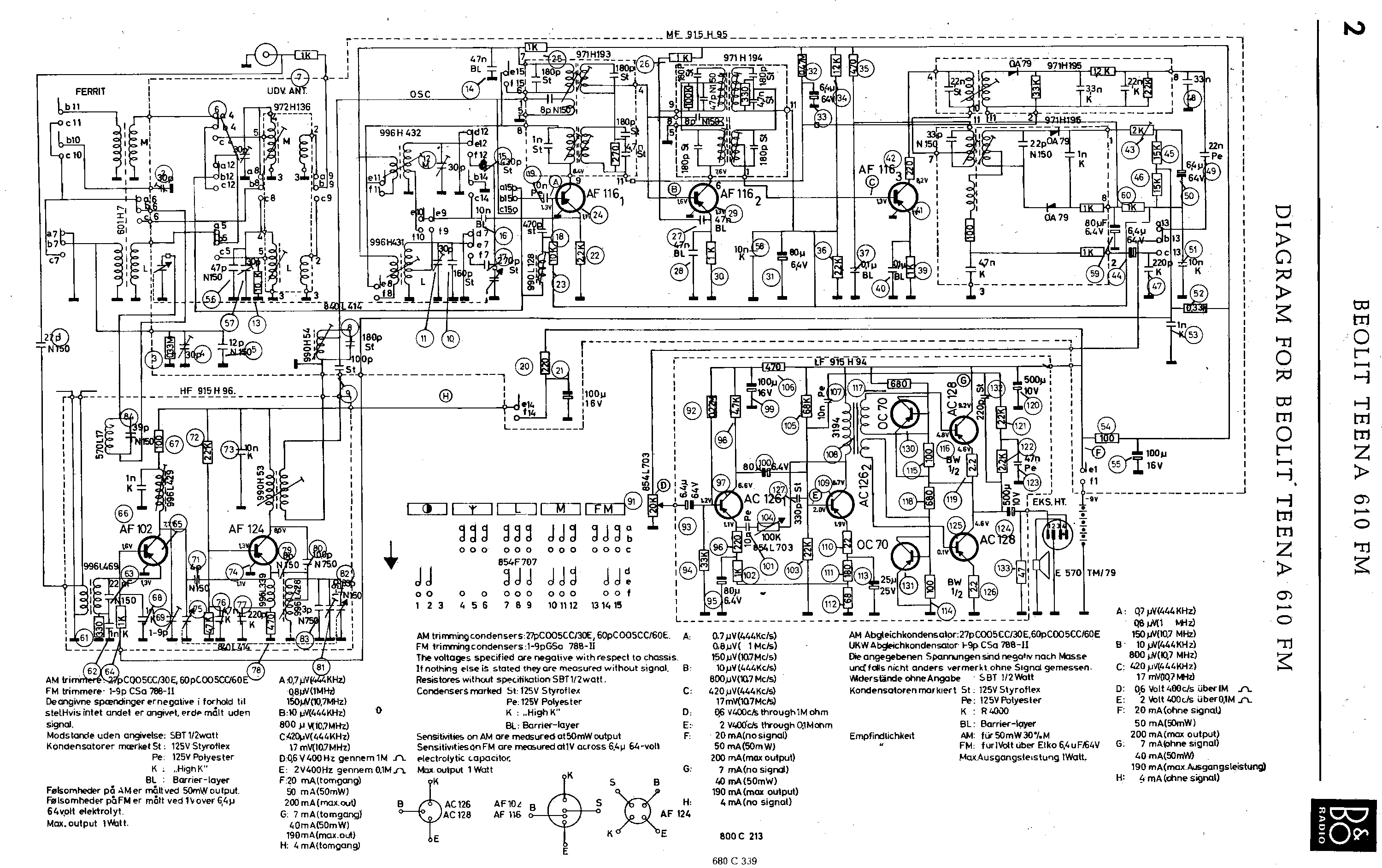
Tuosta Troubadour S 1110 en osa sanoa, mutta tässä on Beolit Teena 610 FM kytkentäkaavio:
LGL
B_O-Beolit_Teena-610FM-1963-diagram.png
( 246 KB | 0 latausta )
IP kirjattu
Jorma Raita
God Member
Poissa
Viestejä: 1730
Sijainti: Helsinki
Re: Paristokäyttöisen yleisradiovastaanottimen tunnistus
Vastaus #2 -
27.12.2015 klo 13:58:28
Tulosta viesti
Kiitokset LGL, jotain tuon kaltaista epäilinkin noin pitkästä mallimerkinnästä, että olisi ainakin kahdesta mallista kyse.
Kiitos myös kytkentäkaaviosta, lisään sen arkistoihini. Pitääpä tarkistaa, vaikka olisivat jo aiemmin toimittamissasi kaavioissa.
terv. Jorma
IP kirjattu
Lasse Nirhamo
God Member
Poissa
SRHS #12
Viestejä: 962
Sijainti: Nurmes
Re: Paristokäyttöisen yleisradiovastaanottimen tunnistus
Vastaus #3 -
27.12.2015 klo 14:19:12
Tulosta viesti
Kyseessä on yksi laite
Troubadour S 1110 on Helvarin malli ja
Beolit Teena 610 FM on B&O:n malli.
Helvar toi omaa malliaan, Fresta B&O mallia
Ystävällisesti Lasse - Radiohistorian parissa jo vuodesta 1951
IP kirjattu
Jorma Raita
God Member
Poissa
Viestejä: 1730
Sijainti: Helsinki
Re: Paristokäyttöisen yleisradiovastaanottimen tunnistus
Vastaus #4 -
27.12.2015 klo 14:49:01
Tulosta viesti
Löytyykö sinulta Lasse tietoa, jos kyseessä on yksi ja sama laite, niin onko ko. laitetta Suomessa markkinoitu molemmilla merkeillä?
Vai onko niin, että Suomessa pääedustajana Helvar Oy on markkinoinut Troubadour S 1110 merkillä ja Suomen ulkopuolella ko. laitetta on markkinoitu Beolit Teena 610 FM merkillä?
Jorma
IP kirjattu
Jorma Raita
God Member
Poissa
Viestejä: 1730
Sijainti: Helsinki
Re: Paristokäyttöisen yleisradiovastaanottimen tunnistus
Vastaus #5 -
27.12.2015 klo 15:07:09
Tulosta viesti
Samana vuonna 1964 on Posti- ja Lennätinhallituksen hyväksynnän saanut peräti 65 eri paristokäyttöistä vastaanotinta.
Lieneekö tuo jo ennätysvuosi matkaradioitten osalta?
Laitteet ovat Posti- ja Lennätinhallituksen häiriösäteilymääräysten mukaisesti hyväksyttyjä.
Samasta listasta löytyy myös v. 1964 hyväksytyt VHF-radiopuhelimet ja hyväksytyt La-puhelimet (27 MHz)
Jorma
IP kirjattu
Sivu: 1
Lähetä aihe
Tulosta
‹
Edellinen aihe
|
Seuraava aihe
›
Foorumihyppy »
Koti
» 10 viimeisintä viestiä
» 10 viimeisintä aihetta
Suomen Radiohistoriallinen Seura ry - Keskustelufoorumi
Suomen Radiohistoriallinen Seura ry
Jäsenalue
Yleistä radiohistoriasta
Kotimaiset radiot, televisiot ja äänentoistolaitteet
Ulkomaiset radiot, televisiot ja äänentoistolaitteet ««
Muut radio- ja elektroniikkalaitteet
Entisöinti ja kunnostus yleisellä tasolla
Omatekoiset laitteet ja rakentelu
Sotilasradiot ja Perinneradiot
Yleinen keskustelualue
Niitä Näitä
Haku päällä
« Koti
‹ Alue
SRHS Forum
» Powered by
YaBB 2.6.12
!
YaBB Forum Software
© 2000-2026. Kaikki oikeudet pidätetään.