| Valitse kieli: |
| Tervetuloa, Vieras. Ole hyvä ja kirjaudu tai Rekisteröidy
|
|
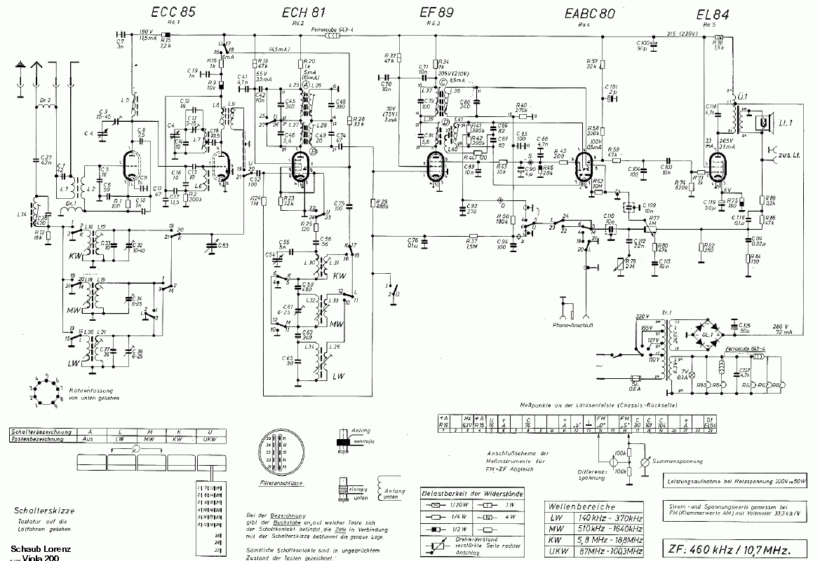
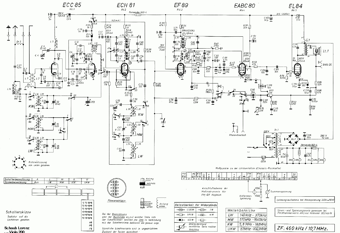
Shaub Lorenz Viola 200 ... huutokaupan vasaran alle jäänyt? (Luettu 22368 kertaa)
|

Sivu: [1] 
Shaub Lorenz Viola 200 ... huutokaupan vasaran alle jäänyt? (Luettu 22368 kertaa)



