Valitse kieli:
English
Suomi
Tervetuloa, Vieras. Ole hyvä ja
kirjaudu
tai
Rekisteröidy
Koti
Ohjeita
Haku
Kirjaudu
Rekisteröidy
Liity SRHS:n jäseneksi
SRHS Forum
›
Suomen Radiohistoriallinen Seura ry - Keskustelufoorumi
›
Muut radio- ja elektroniikkalaitteet
› Philips kelanauhuri ongelma
‹
Edellinen aihe
|
Seuraava aihe
›
Sivu: 1
Lähetä aihe
Tulosta
Philips kelanauhuri ongelma (Luettu 3699 kertaa)
greasemonkey
Full Member
Poissa
SRSH
Viestejä: 119
Sijainti: jkl
Philips kelanauhuri ongelma
26.11.2015 klo 20:26:46
Tulosta viesti
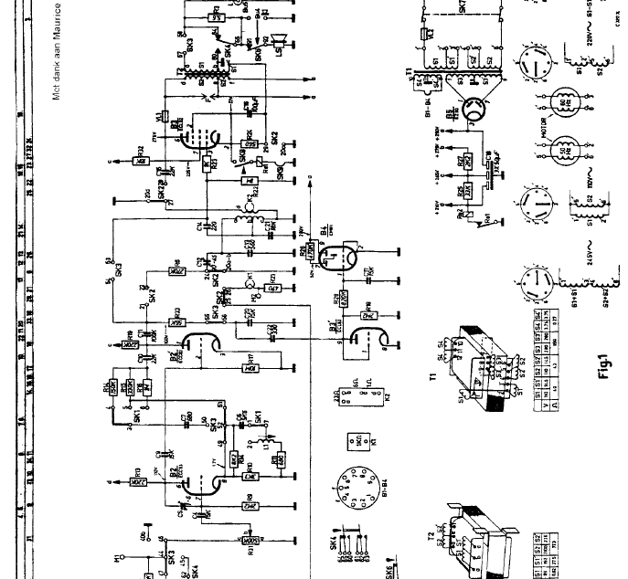
Philips EL3516g kelanauhuri ei vahvista ulkoisia äänilähteitä. Ei mikkiä eikä levysoitinta. Äänittää kumpaakin kyllä ja toistaa äänitykset ihan hyvin. Mitään vikaa ei päällepäin komponenteissa enää näy. Kun en näissä hommissa ammattilainen ole niin kokeneempien vinkit olisi tarpeen eli mistä vikaa kannattaa etsiä ? Levysoittimet millä kokeilin on ehjiä, oikeilla rasioilla ja soivat kyllä toisen 50-luvun Philips nauhurin ja putkiradion kanssa hyvin, samoin kokeillut mikit on ehjiä ja tähän nauhuriin sopivia. Liitän tuohon alle jotain dokumenttia koneesta. Kaavion osoittamat konkat c2 ja c11 oli koneen minulle tullessa kuoriltaan halki/murentuneet ja EF86 oli mykkä. Muuta en ole tähän vielä vaihtanut.
«
Viimeksi muokattu: 27.11.2015 klo 00:07:59 Kirjoittaja greasemonkey
»
kaavio3.png
( 92 KB | 0 latausta )
kaavio2.png
( 62 KB | 0 latausta )
IP kirjattu
Jorma Raita
God Member
Poissa
Viestejä: 1730
Sijainti: Helsinki
Re: Philips kelanauhuri ongelma
Vastaus #1 -
26.11.2015 klo 20:52:05
Tulosta viesti
Aivan ensimmäisenä kannattaa puhdistaa kunnolla kaikkien liukukytkimien kontaktit, varsinkin REC/PLAY-liukukytkin.
Ensin on syytä puhditukseen käyttää hapettuman liuotusainetta ja vasta sen jälkeen laittaa kontaktispraytä kytkimiin.
Jorma
IP kirjattu
greasemonkey
Full Member
Poissa
SRSH
Viestejä: 119
Sijainti: jkl
Re: Philips kelanauhuri ongelma
Vastaus #2 -
26.11.2015 klo 21:29:11
Tulosta viesti
jep, jatketaan puhdistelua. laitan lisää kuvia jossain vaiheessa, jos ei puhdistus auta.
IP kirjattu
greasemonkey
Full Member
Poissa
SRSH
Viestejä: 119
Sijainti: jkl
Re: Philips kelanauhuri ongelma
Vastaus #3 -
27.11.2015 klo 00:05:49
Tulosta viesti
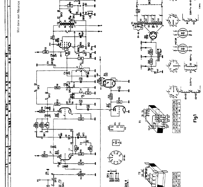
ei vielä ole auttanut lisäpuhdistuskaan. tässä on lisäkuvaa jonka pohjalta voi vinkkejä antaa:
kaavio3516.png
( 80 KB | 0 latausta )
kaavio3516b.png
( 122 KB | 0 latausta )
IP kirjattu
Blaekie
God Member
Poissa
SRHS - 623
Viestejä: 1145
Sijainti: Helsinki
Re: Philips kelanauhuri ongelma
Vastaus #4 -
27.11.2015 klo 14:42:26
Tulosta viesti
Printtaisin nuo kaaviot paperille, ja alkaisin ihan ulostulopuolelta lähtien mittaamaan ensin noiden "SK" alkuisten kytkimien kosketuksien toimintaa ja kuntoa, sekä muita katkoksia.
Voi olla että pelkkä puhdistus ei riitä.
IP kirjattu
greasemonkey
Full Member
Poissa
SRSH
Viestejä: 119
Sijainti: jkl
Re: Philips kelanauhuri ongelma
Vastaus #5 -
27.11.2015 klo 15:50:56
Tulosta viesti
ok, kokeillaan tuota. Tuleepahan samalla opeteltua noitten kaavioiden lukua.
IP kirjattu
Timo Haveri
God Member
Poissa
Viestejä: 2962
Sijainti: Parkano
Re: Philips kelanauhuri ongelma
Vastaus #6 -
07.12.2015 klo 11:09:21
Tulosta viesti
Mikäli en vallan erehdy niin tässä nauhurissa pitää painaa "stop"-nappula pohjaan jos nauhuria haluaa käyttää vahvistimena. Olet kai tämän jo tehnytkin?
Timo
WWW
IP kirjattu
greasemonkey
Full Member
Poissa
SRSH
Viestejä: 119
Sijainti: jkl
Re: Philips kelanauhuri ongelma
Vastaus #7 -
07.12.2015 klo 21:39:34
Tulosta viesti
ei tuosta "stop"-nappulasta mulla ollut faktaa mutta kokeilin sitäkin mutta en saanut toimimaan. Joskin löytyi pari huonoa konkkaa ja vastusta mitkä vaihdoin ja äänenlaatu parani ja taustakohina pieneni kyllä. Jatkan tutkimista, en ole kaikkea vielä läpikäynyt tuosta.
IP kirjattu
Sivu: 1
Lähetä aihe
Tulosta
‹
Edellinen aihe
|
Seuraava aihe
›
Foorumihyppy »
Koti
» 10 viimeisintä viestiä
» 10 viimeisintä aihetta
Suomen Radiohistoriallinen Seura ry - Keskustelufoorumi
Suomen Radiohistoriallinen Seura ry
Jäsenalue
Yleistä radiohistoriasta
Kotimaiset radiot, televisiot ja äänentoistolaitteet
Ulkomaiset radiot, televisiot ja äänentoistolaitteet
Muut radio- ja elektroniikkalaitteet ««
Entisöinti ja kunnostus yleisellä tasolla
Omatekoiset laitteet ja rakentelu
Sotilasradiot ja Perinneradiot
Yleinen keskustelualue
Niitä Näitä
Haku päällä
« Koti
‹ Alue
SRHS Forum
» Powered by
YaBB 2.6.12
!
YaBB Forum Software
© 2000-2026. Kaikki oikeudet pidätetään.