Normaali aihe Blaupunkt derby 670 ... mykkä (Luettu 4509 kertaa)
pekmatval
God Member
*****
Poissa



Viestejä: 2012
Blaupunkt derby 670 ... mykkä
01.11.2015 klo 23:17:56
Tulosta viesti  
Mykkä Derby 670 on odotellut vuoroaan. Laite on vaihteeksi suht siisti ja Antenni on ok!!!  Nyt päätin kokeilla, että mikähän sitä vaivaa.  En aikonut laittaa koko projektia sivustolle, mutta koska siinä oli jotain ihmeellistä vikaa, niin muutin mieleni. Jospa tämä jotakin kiinnostaisi.

Kytkin jännitettä virtarajoitettuna (kuten aina alussa noin 0,1A). Jännite ei noussut kuin 0,3V'iin. Nostin virtaa 0,3A .. jännite 0,9V. Tietysti epäilin elkoja .. tai trankkuja. Ajattelin suoraviivaisesti (taas), että antaa vian kertoa itsestään lämmöllä ... nostin virran 1A'iin ja tunnustelin lämpötiloja sormella ja sellaisella bilteman simppelillä muutaman euron infrapuna lämpömittarilla. Mittari kertoi noin minuutin kuluttua, että päätemuuntaja oli noin 2 astetta ympäristöä lämpimämpi. Muut osat ei lämmennneet. katkaisin toisen päätetrankun kollektorin johdon ... ei muutosta virrassa .. sitten toisen ...ja nyt nousivat jänniteet 9V'iin ... virta tippui 0,03A'iin.  Siis vika löytyi ... yksi vika.  Seuraavaksi kokeilin vol potikan piikeiltä erillisellä vahvarilla, että tulisiko ääntä ... ja tulihan sitä. radio-osa siis toimi.

Minulla ei ollut tuollaista AC153 trankkua ja tutkin netistä, minkä voisi laittaa tilalle.  Ohessa lista ominaisuuksista ....AC 153 ja ne joita minulla oli. Päätin laittaa tilalle AC142. Nyt alkoi myös pääteaste toimia ... mutta vain hetken. Oltuaan päällä noin 15sek jännite putosi taas noin 5 voltiiin ja virtaa meni 1,1A (joka oli virtarajana). kun sammutin radion ja laitoin uudelleen päälle, niin taas kesti noin 15 sek ja jännite romahti.  Tämä oli mielestäni ihmeellistä. Jonnekin meni taas virtaa.  Oli aika luonnollista epäillä toista trankkua. Kun  1,1A virta kulki napsautin poikki sen kollektorin ... ja virta asettui heti 0,03A'iin.  Siis tämäkin trankku oli ihmeellisellä tavalla  sökö. Minulla ei ollut toista AC142'sta ,  joten laitoin ominaisuuksien perusteella suht samanlaisen ... AC 117.  Nyt alkoi pääteaste toimia ja virta pysyi sopivasti 0,03A'ssa ... jos nosti voluumia, niin otti noin 0,1A.  Ääni oli puhdas, mutta ohut.  Kokeilin tuolla usein käyttämälläni ulkoisella 4ohm kajarilla, jossa on pieni reflexiputki ... ja johan lauloi blaukkari hienosti.  Tietysti tuollainen 35*40*12cm testikajari ei ole 'matkakelpoinen'.

Ihmeellistä (minusta) oli tämä trankkujen ihmeellinen 'ryömintä' .. ensin toimii ok noin 15 sek ja sitten vetää osittain tilttiin .. jätti 5V jännitettä jäljelle. Radio osa muuten toimi hienosi tuollakin jännitteellä. Ja toisen trankun tilttaus vain pienensi voluumin noin kolmasosaan. 

Tämä tässä. Puhdistelin Radion ja se saa siirtyä hoideltujen joukkoon. Tuskin jaksan vaihdella tilalle AC153sia.  Hienoa, että tästä ei puutu mitään!
  

P1080156.JPG ( 168 KB | 0 latausta )
P1080156.JPG
P1080152.JPG ( 159 KB | 0 latausta )
P1080152.JPG
Sivun alkuun
 
IP kirjattu
 
pekmatval
God Member
*****
Poissa



Viestejä: 2012
Re: Blaupunkt derby 670 ... mykkä
Vastaus #1 - 01.11.2015 klo 23:26:30
Tulosta viesti  
oma testikajari (elementit maksoi 25€) ja valmis Derby
  

P1080154.JPG ( 158 KB | 0 latausta )
P1080154.JPG
P1080168.JPG ( 174 KB | 0 latausta )
P1080168.JPG
Sivun alkuun
 
IP kirjattu
 
pekmatval
God Member
*****
Poissa



Viestejä: 2012
Re: Blaupunkt derby 670 ... mykkä
Vastaus #2 - 02.11.2015 klo 00:14:36
Tulosta viesti  
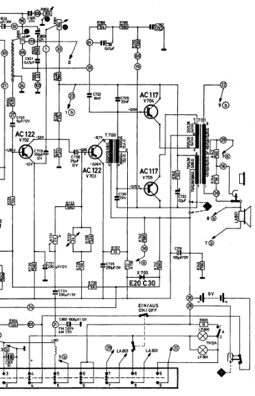
en löytänyt oikeaa skemaa, mutta pääte voi olla suht oheisen mukainen ... on toisen derbyn aste
  

p__teaste.PNG ( 78 KB | 0 latausta )
p__teaste.PNG
Sivun alkuun
 
IP kirjattu
 
RJL
God Member
*****
Poissa


SRHS 612

Viestejä: 2768
Re: Blaupunkt derby 670 ... mykkä
Vastaus #3 - 02.11.2015 klo 11:11:39
Tulosta viesti  
Tässä herättää mielenkiintoa tuo pääteasteen toimintapistettä säätelevä komponentti E20C30. Mikähän se loppujen lopuksi on? Olen ihmetellyt sitä omien Derbyjen yhteydessä ja googlailun tuloksena en ole tullut yhtään viisaammaksi, tarjotaan piidiodia, seleenikennoa ja seleenitasasuuntaussiltaa. Huolto-ohjeessa sanotaan sen olevan Stabilisierungsgleichrichter tai Stabilizing Rectifier.

Tässäkin radiossa kannattaisi ehkä laittaa volttimittari sen yli ja seurata miten jännite kehittyy kun virrat kytkee päälle, tapahtuuko nyt uusilla trankuilla jotain jännitemuutosta?
  

Reijo Liljedahl - SRHS 612 - OH3AVA - SDXL 8092
Sivun alkuun
 
IP kirjattu
 
pekmatval
God Member
*****
Poissa



Viestejä: 2012
Re: Blaupunkt derby 670 ... mykkä
Vastaus #4 - 02.11.2015 klo 19:32:23
Tulosta viesti  
Minäkin ihmettelin tuota ihme 'diodia' ... ja epäilin sen olevan tuo seleeni-zeneri (vakiojannite), joka on usein rikki. Mittasin tuo yli jännitettä  ja oletin sen muuttuvan silloin, kun päätetrankku alkoi haukata virtaa ... vaan ei jännite muuttunut (vanhoilla trankuilla).  Jännite oli melko vakio 1,65V.  Uusilla en ole mitannut, sillä laite toimi heti ja  aina hienosti.  Nyt radio on jo kasattu ja kynnys purkaa uudelleen on hiukan iso ... voi olla, että jossain vaiheessa sen teenkin. Kyllä tuo kiinnostaisi tietää. Palaan asiaan.
  
Sivun alkuun
 
IP kirjattu
 
AJY
Senior Member
****
Poissa



Viestejä: 499
Sijainti: HELSINKI, Finland
Re: Blaupunkt derby 670 ... mykkä
Vastaus #5 - 03.11.2015 klo 02:26:22
Tulosta viesti  
RJL kirjoitti 02.11.2015 klo 11:11:39:
Tässä herättää mielenkiintoa tuo pääteasteen toimintapistettä säätelevä komponentti E20C30. Mikähän se loppujen lopuksi on? Olen ihmetellyt sitä omien Derbyjen yhteydessä ja googlailun tuloksena en ole tullut yhtään viisaammaksi, tarjotaan piidiodia, seleenikennoa ja seleenitasasuuntaussiltaa. Huolto-ohjeessa sanotaan sen olevan Stabilisierungsgleichrichter tai Stabilizing Rectifier.

Tässäkin radiossa kannattaisi ehkä laittaa volttimittari sen yli ja seurata miten jännite kehittyy kun virrat kytkee päälle, tapahtuuko nyt uusilla trankuilla jotain jännitemuutosta?


Tuollaista diodikytkentää käytetään transistoripääteasteen lämpöstabilointiin.

Jos päätetransistorien lämpötila nousee, niin diodin yli jäävä kynnysjännite hieman laskee, ja tehdään takaisinkytkentä, joka silloin laskee päätetransistorien läpi menevää virtaa.

Esiintyy joissakin 1970-luvun "raudattomissa" transistoripääteasteissa.

AJY

  

Antti J Ylikoski GimmelHayNunShin (The Dreidel)

ESKO
Sivun alkuun
WWW  
IP kirjattu