Valitse kieli:
English
Suomi
Tervetuloa, Vieras. Ole hyvä ja
kirjaudu
tai
Rekisteröidy
Koti
Ohjeita
Haku
Kirjaudu
Rekisteröidy
Liity SRHS:n jäseneksi
SRHS Forum
›
Suomen Radiohistoriallinen Seura ry - Keskustelufoorumi
›
Kotimaiset radiot, televisiot ja äänentoistolaitteet
› ASA 758 projekti
‹
Edellinen aihe
|
Seuraava aihe
›
Sivu: 1
Lähetä aihe
Tulosta
ASA 758 projekti (Luettu 5483 kertaa)
pekmatval
God Member
Poissa
Viestejä: 2012
ASA 758 projekti
29.09.2015 klo 22:06:59
Tulosta viesti
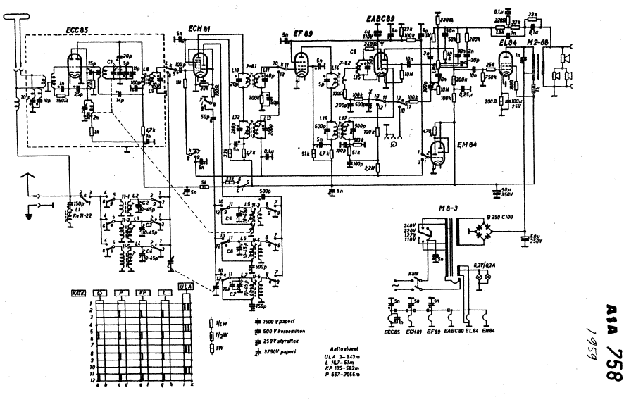
Alussa radio toimi FM alueilla alussa hyvin, mutta AM'llä oli hiljaista. Kytkiksen perusteella arvasin (onnella!), että tuo ECH81 putki voisi olla ongelma (koska se toimii eritavalla FM'llä kuin AM'llä ... lienee AM osckillaattori?). Vaihdoin ko. putken ja AM alkoi toimia erittäin hyvin. Tuurilla ne laivatkin ....
Mutta sitten FM voluumi hiljeni! Tapahtumaa edelsi ihme pamahdukset FM taajuutta säätäessä. Kajarista kuului nuo pamahdukset ja samalla virityksen indikaattoriputken näyttö pomppi. Nyt ongelmana oli FM, jonka äänestä hävisi 70% ... ääni kuitenkin puhdas. Tässä kohtaa olen täysin 'ULAlla' ... ei mitään hajua, mistä hakea vikaa. FM putki kuumenee kovasti, siihen ei voi koskea ... normaalia???
Tuon ekan VT putken kytkentää on modattu ... siellä on kolme piidiodia sarjassa ja 100ohm vastus yhden diodin yli . Tuo 100pf hilakonkka on korvattu diodeilla ??? miksi?? Kuitenkin tällä modifikaatiolla FM kuului alussa puhtaasti ja voimakkaasti.
VAihdoin laitteeseen toisen FM putken .. ei vaikutusta ... sekin kuumeni ja ääni oli hiljainen.
... olen kiitollinen vinkeistä.
Pekka
P1040606.JPG
( 161 KB | 0 latausta )
P1040613.JPG
( 161 KB | 0 latausta )
IP kirjattu
pekmatval
God Member
Poissa
Viestejä: 2012
Re: ASA 758 projekti
Vastaus #1 -
29.09.2015 klo 22:10:11
Tulosta viesti
kytkis ja kuva sisustasta
kytkis.PNG
( 109 KB | 0 latausta )
P1040607.JPG
( 155 KB | 0 latausta )
IP kirjattu
pekmatval
God Member
Poissa
Viestejä: 2012
Re: ASA 758 projekti
Vastaus #2 -
29.09.2015 klo 22:11:42
Tulosta viesti
modattu kohta ja se piirrettynä
P1040612.JPG
( 152 KB | 0 latausta )
P1040614.JPG
( 173 KB | 0 latausta )
IP kirjattu
IlpoJaakko
God Member
Poissa
SRHS
Viestejä: 868
Re: ASA 758 projekti
Vastaus #3 -
30.09.2015 klo 00:27:01
Tulosta viesti
Outoa on nuo 3 diodia, pii? 1 Mohm menee maahan Ulalla, kaaviossahan kytkimet ovat ula-asennossa.ECH81:n osa EH81 on ulalla vt-vahvistimena. Putken negatiivista hilaetujännitettä tekee tuo 1Mohm ns. hilavuotovirralla. Diodien kanssa vois hyvin laittaa sarjaan sen 100 pF tai suurempikin. Pitäis toimia kyllä sillä pelkällä 100 pF:llä ilman diodejakin. Luulisin.
IP kirjattu
RJL
God Member
Poissa
SRHS 612
Viestejä: 2768
Re: ASA 758 projekti
Vastaus #4 -
30.09.2015 klo 12:43:11
Tulosta viesti
Kyllähän lähes aina lähtisin liikkeelle siitä että tehtaalta lähtiessä kytkentä on oikein ja ainakin korjattu oikeaksi käytössä olleessa radiossa. Näin ollessa ottaisin diodit pois ja laittaisin takaisin sen 100 pF:n konkan jonka kautta 10,7 MHz välitaajuus tulee ULA-asennossa. AM-asennossahan hilalla on AM-etuasteiden kelat ja 1 Mohmin kautta tulee negatiivinen AVS-jännite. ULA:lla tuon 1 Mohmin vastus kuuluukin olla maissa että saadaan pieni negatiivinen hilaetujännite aikaiseksi ja aste toimii lineaarisena vahvistimena.
En oikein mitenkään ymmärrä diodien tarkoitusta, niiden kauttahan ei saada muuta kuin positiivista jännitettä hilalle ja sitä ei oikein koskaan haluta. Toisaalta jos diodiketjun alapää olisi maissa voitaisiin sillä rajoittaa negatiivinen AVS-jännite pariin volttiin???
Vaihdapa takaisin se vanha ECH81, kuuluisiko ULA taas sillä?
Reijo Liljedahl - SRHS 612 - OH3AVA - SDXL 8092
IP kirjattu
pekmatval
God Member
Poissa
Viestejä: 2012
Re: ASA 758 projekti
Vastaus #5 -
30.09.2015 klo 22:24:02
Tulosta viesti
palautin kytkennän alkuperäiseksi .. nyt on 100pf hilakonkka paikallaan ja laite toimii. Hilajännite on -1.07V.
Ja tuo äänen hiipuminen johtui ULA-kytkimen kosketushäiriöistä. Puhdistin kytkinrä parhaani mukaan sprayllä ja se alkoi toimia hyvin. Aavasin laitteen ja lisäsin poistetun AM asteikkonarun ja vaihdoin toisen asteikkolampun.
Nyt ASA on melko hieno ja kuuluu aika hyvin. Tuntuisi, että joillakin kanavilla on enempi hurinaa kuin toisilla? Voin koittaa vielä lisätä DC elkoa kokeeksi.
Joku oli katkaissut kotelon sisäisestä antennista osan ... sen, joka liitetään radioon. Pitää kaivaa jostain tuollainen liitin ja pätkä lapamatoa. Laitteesta puuttuumyös pohjalevy ... saakos tuollaista levyäjostakin... pitääkö siinä olla reijitys?
IP kirjattu
Timo Haveri
God Member
Poissa
Viestejä: 2962
Sijainti: Parkano
Re: ASA 758 projekti
Vastaus #6 -
08.10.2015 klo 13:18:26
Tulosta viesti
pekmatval kirjoitti
30.09.2015 klo 22:24:02:
Laitteesta puuttuumyös pohjalevy ... saakos tuollaista levyäjostakin... pitääkö siinä olla reijitys?
Alkuperäinen pohjalevy on ohutta vaneria ilman reikiä ja siinä on yläpuolella metallifolio. Koneistosta tulee pohjalevyn ja kotelon väliin maajohto.
Timo
WWW
IP kirjattu
pekmatval
God Member
Poissa
Viestejä: 2012
Re: ASA 758 projekti
Vastaus #7 -
08.10.2015 klo 23:10:40
Tulosta viesti
Kiitos Timo tiedosta. 4,5mm vaneria minulta löytyy .. Taidan laittaa siitä palan.
IP kirjattu
Sivu: 1
Lähetä aihe
Tulosta
‹
Edellinen aihe
|
Seuraava aihe
›
Foorumihyppy »
Koti
» 10 viimeisintä viestiä
» 10 viimeisintä aihetta
Suomen Radiohistoriallinen Seura ry - Keskustelufoorumi
Suomen Radiohistoriallinen Seura ry
Jäsenalue
Yleistä radiohistoriasta
Kotimaiset radiot, televisiot ja äänentoistolaitteet ««
Ulkomaiset radiot, televisiot ja äänentoistolaitteet
Muut radio- ja elektroniikkalaitteet
Entisöinti ja kunnostus yleisellä tasolla
Omatekoiset laitteet ja rakentelu
Sotilasradiot ja Perinneradiot
Yleinen keskustelualue
Niitä Näitä
Haku päällä
« Koti
‹ Alue
SRHS Forum
» Powered by
YaBB 2.6.12
!
YaBB Forum Software
© 2000-2026. Kaikki oikeudet pidätetään.