| Valitse kieli: |
| Tervetuloa, Vieras. Ole hyvä ja kirjaudu tai Rekisteröidy
|
|
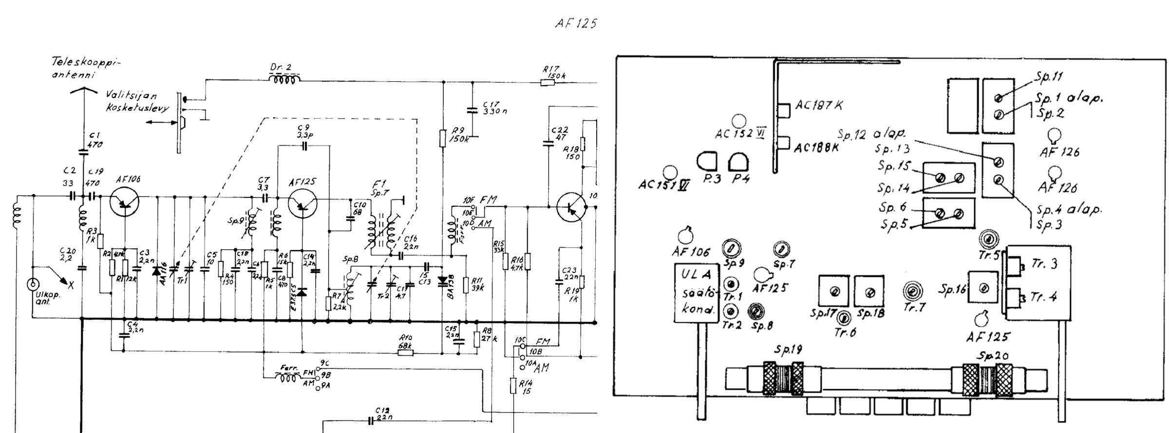
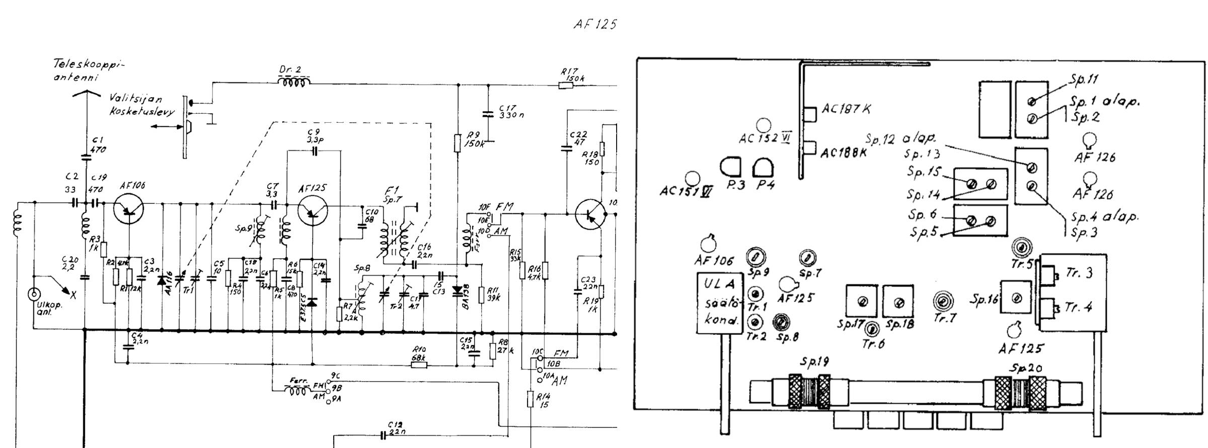
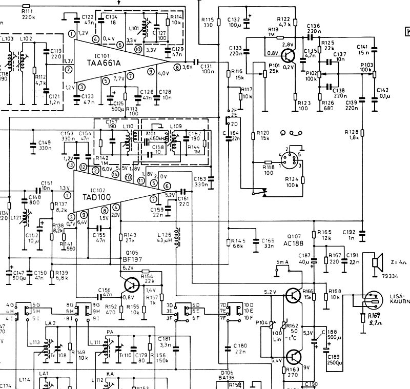
Luxor West-Side Selektomat B4973 matkaradio (Luettu 54133 kertaa)
|

Sivu: 
Luxor West-Side Selektomat B4973 matkaradio (Luettu 54133 kertaa)



