Valitse kieli:
English
Suomi
Tervetuloa, Vieras. Ole hyvä ja
kirjaudu
tai
Rekisteröidy
Koti
Ohjeita
Haku
Kirjaudu
Rekisteröidy
Liity SRHS:n jäseneksi
SRHS Forum
›
Suomen Radiohistoriallinen Seura ry - Keskustelufoorumi
›
Kotimaiset radiot, televisiot ja äänentoistolaitteet
› ASA 967TM projekti
‹
Edellinen aihe
|
Seuraava aihe
›
Sivu:
[1]
2
Lähetä aihe
Tulosta
ASA 967TM projekti (Luettu 12717 kertaa)
pekmatval
God Member
Poissa
Viestejä: 2012
ASA 967TM projekti
19.03.2015 klo 16:09:14
Tulosta viesti
Tuollainen nahkakuorinen ASA matkaradio tuli hankituksi. Laite on ulkosesti hyvässä kunnossa, mutta radio-osa oli mykkä. Pienen ihmettelyn jälkeen selvisi, että pientaajuus-osa pelittää. Radiosta kuului vain pihinää. Mittailin transitoreita ja yllättäen alkoi kuulua ääntäkin ... olisiko mittaus voinut korjata transistorin (OC171) ?? . Ulalla oli kuitenkin säröä tolkuttomasti ja asema löytyi hyvin epämäärisesti. Antennien liikuttelu aiheutti katkoksia ... syynä oli antennien juureen laitetut ojausraudat, jotka olivat löysällä ja oikosulkivat antennisignaalin. Puhdistin lisäksi säätökondensaattorin liukukosketuspintoja (maadoittavat liikkuvat levyt runkoon) ja asemat alkoivat löytyä paremmin .. silti ei täydellisesti. Säröä on yhä ... ja se ei luultavasti tule PT osasta. Olisiko jollakin tietoa kytkentäkaavasta?
Kuvia tulee perässä.
IP kirjattu
plamminen
God Member
Poissa
SRHS: 610
Viestejä: 1642
Sijainti: Loviisa
Re: ASA 967TM projekti
Vastaus #1 -
19.03.2015 klo 17:34:14
Tulosta viesti
Taidat epäillä ihan oikein. OC171 on näitä viiksenkasvataja transistoreita (alla kuva transistorin sisältä). Hulluinta onkin että korjaantuu väliaikaisesti yleismittärin ohmia-alueen virralla. Tilalle sopii moni vaikkapa AF178.
Laita postia jos kaipailet transistoreita, voin laittaa pari sopivaa kirjekuoreen. Kaavio on ADA Cd:lla joka on loppu mutta kysy toimisto(att)radiomuseo.fi osoitteesta.
Tinaviikset.jpg
( 62 KB | 0 latausta )
Pentti Lamminen
IP kirjattu
pekmatval
God Member
Poissa
Viestejä: 2012
Re: ASA 967TM projekti
Vastaus #2 -
19.03.2015 klo 23:06:12
Tulosta viesti
Radion Keskipitkiltä kuuluu ihan mallikaasti ja yllättävän puhtaasti .. näin Illalla. ULA säröilee yhä. Ohessa pari kuvaa... yleiskuva koneistosta ja antennien kiinnityskappale, jossa nuo ohjurit olivat taittuneet ja oikosulkivat antennipiirin. KOitan jatkan saatuani tuon kytkiksen.
P1030738.JPG
( 170 KB | 0 latausta )
P1030742.JPG
( 161 KB | 0 latausta )
IP kirjattu
balticsuper
God Member
Poissa
Viestejä: 888
Sijainti: Tampere
Re: ASA 967TM projekti
Vastaus #3 -
20.03.2015 klo 00:37:13
Tulosta viesti
Foorumilla oppii aina uutta, en tiennytkään että ASA on saksalainen...
Vakavasti puhuen... laita yv:nä meiliosoite niin lähetän ASA:n serviisimanuskan.
made_in_____.jpg
( 72 KB | 0 latausta )
IP kirjattu
pekmatval
God Member
Poissa
Viestejä: 2012
Re: ASA 967TM projekti
Vastaus #4 -
20.03.2015 klo 17:43:14
Tulosta viesti
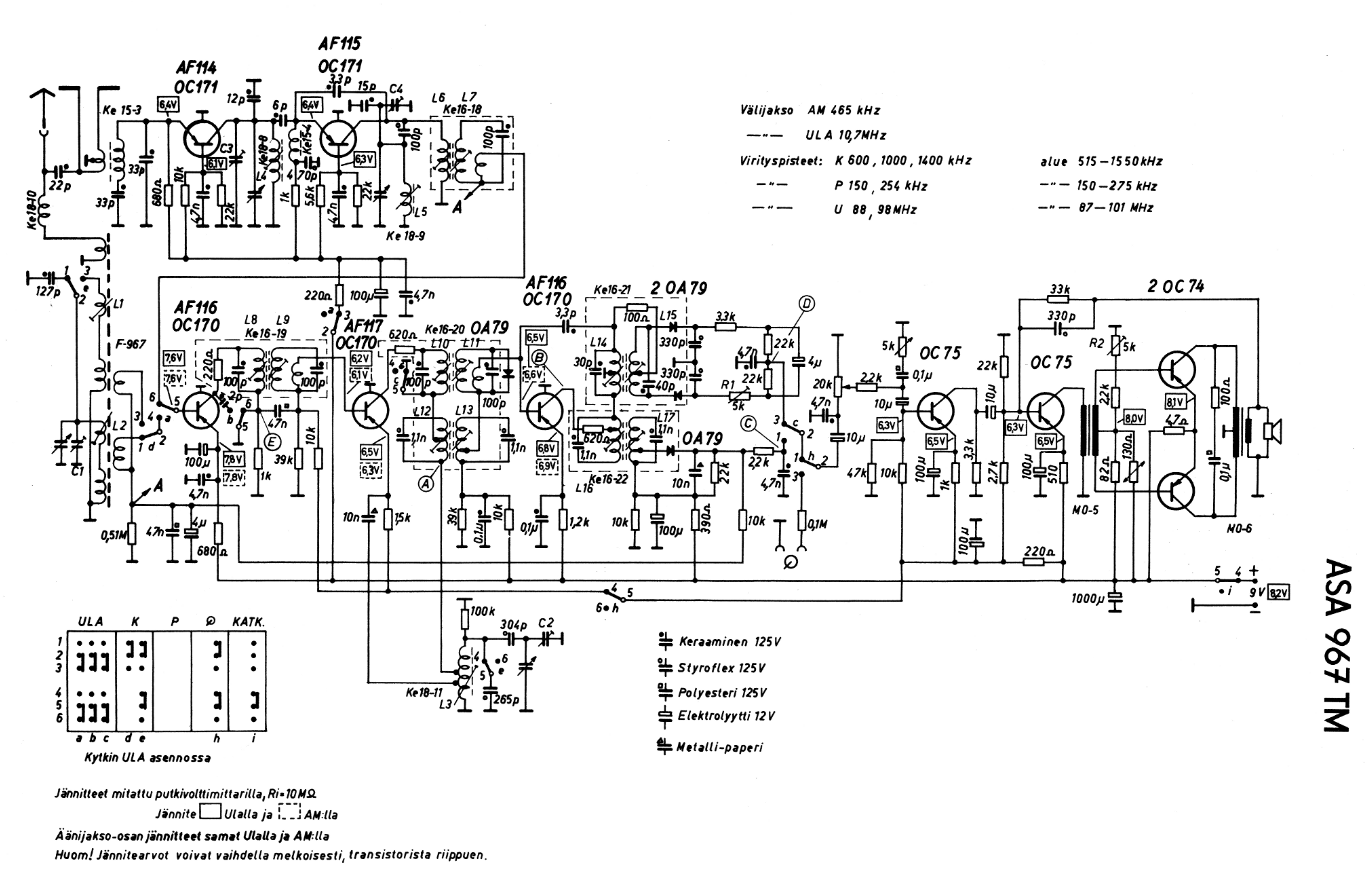
Sain kykentäkaavion .. kiitos balticsuber'ille.
Hiukan ehdin kokeilla: ULA ilmaisimen 4uf Konkan vaihto ei auta. Samoin ilmaisimen trimmeri ei vaikuta juurikaan. Tutkimus jatkuu piahkoin.
asa_967tm_kytkis.PNG
( 341 KB | 0 latausta )
IP kirjattu
pekmatval
God Member
Poissa
Viestejä: 2012
Re: ASA 967TM projekti
Vastaus #5 -
26.03.2015 klo 22:19:54
Tulosta viesti
puuhastelu jatkuu. Irroitin ilmaisinpurkkien edessä olevan trankun ja mittasin sen ... johti (0,43mA) ilman kantavirtaa (kuvassa 1 testikytkentä). Vaihdoin tilalle AF178'n ... mutta ei toiminut. netistä kaivettu nastajärjestys oli väärä! (kuvassa 2).Aika kauan ihmettilin asiaa. Lopulta kokeilin mittarilla trankkua ja testasin toiminnan oheisella testikytkennällä. Laitoin AF178n peliin ja auttoi jonkin verran. Mutta asemien haku oli epämääräistä ja haettaessa rahisi.
Seuraavaksi mittasin ulan ekan trankun jänniteet ja emitterillä vain 0,4V ( piti olla 6,4V). Trankku irti ja testiin ... testikytkennässä se johti UC= 0,25V riippumatta kantavirasta .. siis ihan sökö. Vaihdoin tilalle AF178 (muita ei ole). Nyt jännitteet nousivat kohdalleen. Mutta vieläkään ei toimi moitteetta .. rahisee asemaa haettasse ja asemat löytyvät vaikeasti ... jos löytyvät.
Jatkoin trankkujen epäilyä ja Ulan etuasteen toinen trankku tutkittavaksi. UBE= 0,5V ja väärinpäin??? (UB=6,5V ja UE=6V) ..
mistä tämä voi johtua??? (mittauksesta?).
Transistori toimi testerissä suht hyvin... ilman kantavirtaa oli UC 4,6V (siis virta 40uA) ... ja 22K vastus kantavirtaa tekemässä tippuu UC = 0,1Viin. Vaihdoin tilalla varmuudeksi AF178n.
Yhä edelleen toimii huonosti. Joskus tulee jokin asema suht säröttä. Toisinaa hurisee asemien päälle. Antennien asento ja suuntaus sotkee helposti toiminnan.
Ihmettilin myös tuota Ulan toisen transistori kantajännitettä. Se on 6,1V kun taajuutta alkaa nostaa 88MHz'sistä ylöspäin sitten yllätten 94MHz'ssä se putoaa 4,3Viin .. ja pysyy siinä taajuutta nostettaessa. Kun uudelleen laskee taajuutta, niin tuo UB nousee takaisin tultaessa takaisin alle 91MHz'in .. ????
Vielä jatkoin noiden säätörahinoiden tutkimista. Puhdistin säätökondensaattorin maadoituspintoja (olivat hapettuneen näköisiä) ... ei suurta apua. Kokeilin myös mittaamalla, että levypakat eivät kosketa toisiinsa missään asennossa. Testasin myös kiertyvän pakan maadoituksen laittamalla 1A virtaa kulkemaan kondensaattorin rungon ja kiertyvän levypakan kautta .. samalla mittasin tuota rungon ja levypan välistä jännitettä ... pysyin tiukasti maassa koko säätöalueen.
Nyt minulta loppuu eväät. Olisiko ehdotuksia? En ole kovinkaan paljon puuhastellut virittimien kanssa.
P1030745.JPG
( 156 KB | 0 latausta )
af178.PNG
( 28 KB | 0 latausta )
IP kirjattu
pekmatval
God Member
Poissa
Viestejä: 2012
Re: ASA 967TM projekti
Vastaus #6 -
26.03.2015 klo 22:30:38
Tulosta viesti
Huomasin juuri vielä uuden jutun. Jos painaa antenniviikset lyhyiksi (noin 17cm), niin muutamat asemat kuuluvat ihan kelvollisesti ja säröttä.
IP kirjattu
pekmatval
God Member
Poissa
Viestejä: 2012
Re: ASA 967TM projekti
Vastaus #7 -
26.03.2015 klo 23:33:34
Tulosta viesti
sorry ... piirsin kuvaan vahingossa NPN trankun. AF178 on PNP.
IP kirjattu
akenyh
God Member
Poissa
SRHS 257
Viestejä: 1155
Sijainti: Halikko (Salo)
Re: ASA 967TM projekti
Vastaus #8 -
27.03.2015 klo 11:40:58
Tulosta viesti
Onko radion lähellä hakkurivirtalähteitä, Led-valaisimia tms. "Häiriögeneraattoreita" ?
Terv.
Åke
IP kirjattu
pekmatval
God Member
Poissa
Viestejä: 2012
Re: ASA 967TM projekti
Vastaus #9 -
27.03.2015 klo 12:02:44
Tulosta viesti
Ei ole hakkureita lähellä. Ne häiriöt matalataajuisia hurinoita ...
Ja isompi ongelma on tuo ULAn toiminnan epämääräisyys. Asemia ei oikein löydy tarkasti, kuuluu päällekkäin, antennin pituus vaikuttaa merkittävästi, jos koskettaa toista antennin viikseä, niin se toisinaan auttaa merkittävästi ... ja säätökondensaattoria pyöritettäessä rahisee (vain ULA lla).
Tuon säätökondensaattorin pyörivän osana maadoitusta (seillä on 'kieli' ja kosketuskiekko) koitin korjailla ensin raapimalla kiekon liukupintaa ruuvarin kulmalla, sitten hienolla hiomapaperilla ... olikohan väärä temppu?
IP kirjattu
putkinotko
God Member
Poissa
SRHS # 751
Viestejä: 1881
Sijainti: Lohja
Re: ASA 967TM projekti
Vastaus #10 -
27.03.2015 klo 12:10:46
Tulosta viesti
Moro
Voisko olla sama ilmiö kuin potikoissakin, että vuotaako joku konkka dasasähköä liukuun?
Jussi
IP kirjattu
akenyh
God Member
Poissa
SRHS 257
Viestejä: 1155
Sijainti: Halikko (Salo)
Re: ASA 967TM projekti
Vastaus #11 -
27.03.2015 klo 13:05:20
Tulosta viesti
pekmatval kirjoitti
27.03.2015 klo 12:02:44:
Ei ole hakkureita lähellä. Ne häiriöt matalataajuisia hurinoita ...
Omien kokemusteni mukaan, kyllä niistä hakkureista, ainakin joistain, Ula-taajuisia transientteja löytyy. Radion toimiminen, kun antennia lyhentää, viitasi suurtaajuiseen häiriöön tai etupään yliohjautumiseen.
terv.
Åke
**
IP kirjattu
plamminen
God Member
Poissa
SRHS: 610
Viestejä: 1642
Sijainti: Loviisa
Re: ASA 967TM projekti
Vastaus #12 -
27.03.2015 klo 17:23:16
Tulosta viesti
Voisikohan tuo 100uF lyytti joka tasaa etuasteen OC171:n kantajännitteen olla vialla. Se voisi vaikuttaa siihen että tuo jännite jota mittailit käyttäytyy noinkin oudosti.
Muuten nuo 10uF kytkentäkondensaattorit volumepotikan molemmin puolin voivat olla kuivia, mutta se ei vaikuta kuvaamallasi tavalla vaan yleensä äänevoimakkuus on hyvin pieni.
pentti
Pentti Lamminen
IP kirjattu
pekmatval
God Member
Poissa
Viestejä: 2012
Re: ASA 967TM projekti
Vastaus #13 -
27.03.2015 klo 20:41:05
Tulosta viesti
Viimeiset kuulumiset:
todellakin osa hurinoista (ellei jopa kaikki) tuli kaasupurkaus pöytälampusta. Sen kun sammutti, niin radion toiminta parani taas pykälän. Mutta ei se radion asemien haku silti ole selkeää, vaikka ko lappu on poissa. Tuo etupään yliohjautuminen on todennäköistä. Mutta onko se tyypillinen ilmiö? Yksi asema (latokaski) on vain 2km päässä.
laitoin tuon Ula-asteen 100uf tilalle toisen .. ei muutosta.
Eniten minua ihmetyttää tuo ULAn toisen trankun BE jännitteen väärinpäisyys! (UE= 5,8V ja UB = 6,0V) ... voisiko tässä olla syy ongelmiin?
IP kirjattu
pekmatval
God Member
Poissa
Viestejä: 2012
Re: ASA 967TM projekti
Vastaus #14 -
28.03.2015 klo 13:31:45
Tulosta viesti
HUOM! tuossa yllä olevassa trankkujen kantakytkentäkuvassa (,jonka netistä latasin,) on ainakin AF178 väärin!!!!! ... koska jotkut latataavat sitä, niin tämä heille tiedoksi !!!
IP kirjattu
Sivu:
[1]
2
Lähetä aihe
Tulosta
‹
Edellinen aihe
|
Seuraava aihe
›
Foorumihyppy »
Koti
» 10 viimeisintä viestiä
» 10 viimeisintä aihetta
Suomen Radiohistoriallinen Seura ry - Keskustelufoorumi
Suomen Radiohistoriallinen Seura ry
Jäsenalue
Yleistä radiohistoriasta
Kotimaiset radiot, televisiot ja äänentoistolaitteet ««
Ulkomaiset radiot, televisiot ja äänentoistolaitteet
Muut radio- ja elektroniikkalaitteet
Entisöinti ja kunnostus yleisellä tasolla
Omatekoiset laitteet ja rakentelu
Sotilasradiot ja Perinneradiot
Yleinen keskustelualue
Niitä Näitä
Haku päällä
« Koti
‹ Alue
SRHS Forum
» Powered by
YaBB 2.6.12
!
YaBB Forum Software
© 2000-2026. Kaikki oikeudet pidätetään.