Valitse kieli:
English
Suomi
Tervetuloa, Vieras. Ole hyvä ja
kirjaudu
tai
Rekisteröidy
Koti
Ohjeita
Haku
Kirjaudu
Rekisteröidy
Liity SRHS:n jäseneksi
SRHS Forum
›
Suomen Radiohistoriallinen Seura ry - Keskustelufoorumi
›
Entisöinti ja kunnostus yleisellä tasolla
› Mopar 303
‹
Edellinen aihe
|
Seuraava aihe
›
Sivu: 1
Lähetä aihe
Tulosta
Mopar 303 (Luettu 1500 kertaa)
tuomikko
God Member
Poissa
Viestejä: 563
Sijainti: Mietoinen
Mopar 303
11.02.2015 klo 17:38:56
Tulosta viesti
Moi
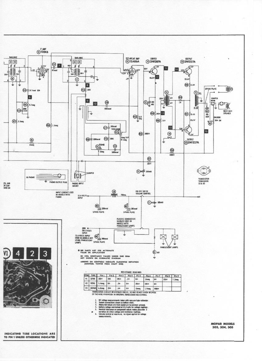
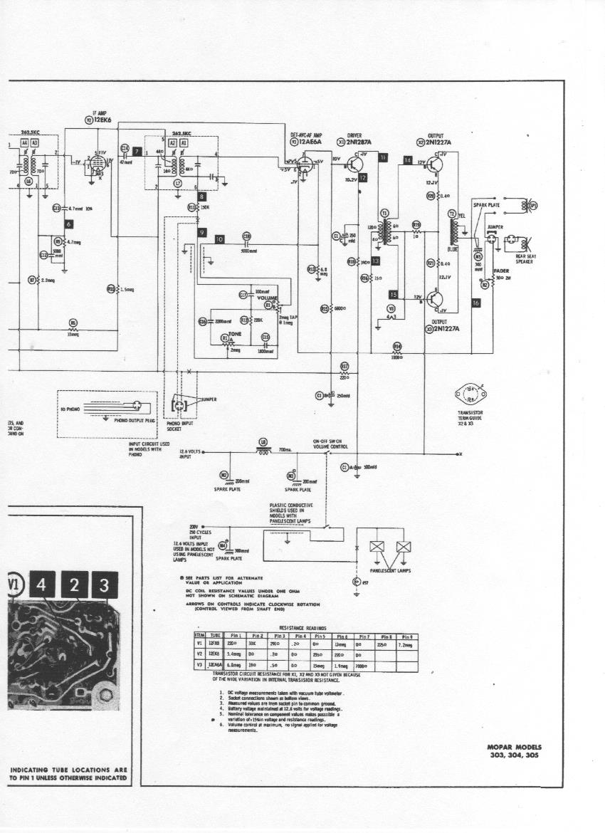
toiminta kunnossa oleva autoradio.Ostin partcolta Ula ja 8w vahvistimen rakennussarjan, jotka saa sopimaan hyvin radion sisään. Tuli mieleen jos Ulan saisi toimimaan alkuperäisellä pääteasteella.
tulisiko se phono liittimeen jos sellainen radiossa olisi? Kytkentäkaaviossa sellainen on mutten ymmärrä varmasti kaaviota. Mitä asiat Jumper , SPARK PLATE (on messinki levy mihin juotettu johdot ja eristetty rungosta, ovatko häiriönp.kond?), Panelescent lamps? Radiossa ei ole paikallaan asteikkolamppuja, aseman asteikko viisariin menee sähköjohto, samoin edessä on tumma levy minkä toiseen päähän menee sähköjohto joka eristetty rungosta.
«
Viimeksi muokattu: 11.02.2015 klo 18:45:16 Kirjoittaja tuomikko
»
mopar_303_radio_2_001.jpg
( 131 KB | 0 latausta )
IP kirjattu
tuomikko
God Member
Poissa
Viestejä: 563
Sijainti: Mietoinen
Re: Mopar 303
Vastaus #1 -
13.02.2015 klo 20:49:09
Tulosta viesti
kytkin fm radion lähdön voilume potikkaan menevään johtoon x merkityssä kohdassa ja toisen kytkiksen x kohtaan, mihin oli helppo laittaa, koska on valmis hyppylanka, menee 2N1874A.n emitterille. Toimii,mutta liekö lähtö signaali fm radiossa heikompi kuin am asteessa, äänenvoimakkuus ei ole samaa luokkaa. Lisäsin väliin partcon 8w vahvistimen, kyllähän se vahvisti ääntä mutta olisin odottanut enemmänkin. Näillä näkymin koplaan radioon fm radion ilman lisä vahvistinta , kuuluu kuitenkin ihan kuunneltavasti, vaihtokytkimellä,jotta voi kuunnella alkuperäistäkin radiota.
Mielelläni kuulisin mielipiteitä, jos vaikka löytyy parempi sovellus.
Tuomo
IP kirjattu
Sivu: 1
Lähetä aihe
Tulosta
‹
Edellinen aihe
|
Seuraava aihe
›
Foorumihyppy »
Koti
» 10 viimeisintä viestiä
» 10 viimeisintä aihetta
Suomen Radiohistoriallinen Seura ry - Keskustelufoorumi
Suomen Radiohistoriallinen Seura ry
Jäsenalue
Yleistä radiohistoriasta
Kotimaiset radiot, televisiot ja äänentoistolaitteet
Ulkomaiset radiot, televisiot ja äänentoistolaitteet
Muut radio- ja elektroniikkalaitteet
Entisöinti ja kunnostus yleisellä tasolla ««
Omatekoiset laitteet ja rakentelu
Sotilasradiot ja Perinneradiot
Yleinen keskustelualue
Niitä Näitä
Haku päällä
« Koti
‹ Alue
SRHS Forum
» Powered by
YaBB 2.6.12
!
YaBB Forum Software
© 2000-2026. Kaikki oikeudet pidätetään.