Valitse kieli:
English
Suomi
Tervetuloa, Vieras. Ole hyvä ja
kirjaudu
tai
Rekisteröidy
Koti
Ohjeita
Haku
Kirjaudu
Rekisteröidy
Liity SRHS:n jäseneksi
SRHS Forum
›
Suomen Radiohistoriallinen Seura ry - Keskustelufoorumi
›
Entisöinti ja kunnostus yleisellä tasolla
› Luxor Turist 5700 WB
‹
Edellinen aihe
|
Seuraava aihe
›
Sivu: 1
Lähetä aihe
Tulosta
Luxor Turist 5700 WB (Luettu 3818 kertaa)
TJT
YaBB Newbies
Poissa
Viestejä: 3
Luxor Turist 5700 WB
26.01.2015 klo 13:21:42
Tulosta viesti
Terve,
Tämmöistä akullista matkaputkiradiota yrittelen herätellä henkiin. Selkeiden korjausten jälkeen putket hehkuu ja verkkopörinä kuuluu kaiuttimesta, mutta radio ei kuulu. Akkuja tuossa ei enää ole vaan ihan verkkovirtakäytöllä on. Netistä ei löydy mitään tietoa tuosta mallista eli kytkistä kaipailisin jos jollain sattuis olemaan. Kiitos!
Tomi
IP kirjattu
TJT
YaBB Newbies
Poissa
Viestejä: 3
Re: Luxor Turist 5700 WB
Vastaus #1 -
26.01.2015 klo 16:11:29
Tulosta viesti
Päivitystä..
Vaihdoin yhden vastuksen ja tehot palasi takaisin + radion asemanhakusäädin kehittää jo aikamoista oskillaatiota kääntäessä kun jokin asema tai jotain osuu kohdille. Vieläkään ei kuulu mitään selkokielellä.
IP kirjattu
RJL
God Member
Poissa
SRHS 612
Viestejä: 2768
Re: Luxor Turist 5700 WB
Vastaus #2 -
26.01.2015 klo 17:33:41
Tulosta viesti
Tässä säikeessä on pikkuisen juttua radiosta:
http://www.radiohistoria.fi/cgi-bin/yabb2/YaBB.pl?num=1354804268
Mainoksessa sanotaan että hehkupiirissä olis olisi Deac-akku. Tästä herää epäilyksen poikanen että kuinkahan terveellistä tuota radiota on käyttää ilman akkua joka voi toimia hehkupiirissä jännitteen stabilisaattorina. Varsinkin kun kerrot että putket hehkuvat, normaalisti paristoputkien hehku ei juuri päälle päin näy.
Reijo Liljedahl - SRHS 612 - OH3AVA - SDXL 8092
IP kirjattu
TJT
YaBB Newbies
Poissa
Viestejä: 3
Re: Luxor Turist 5700 WB
Vastaus #3 -
27.01.2015 klo 09:02:00
Tulosta viesti
Kiitos tiedosta!
Ainakin hehkuille lähtevä jännite on ihan putkien teknisten tietojen raja-arvojen sisällä. Hehkuminen tosiaan erittäin minimaalista, pimeässä vain näkee juuri ja juuri.
IP kirjattu
balticsuper
God Member
Poissa
Viestejä: 888
Sijainti: Tampere
Re: Luxor Turist 5700 WB
Vastaus #4 -
27.01.2015 klo 21:07:27
Tulosta viesti
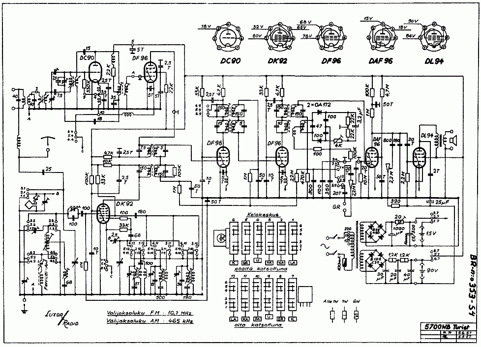
Tuossa olisi kaaviota ensihätään, tarkemman voin heittää meilillä tarvittaessa.
Tuostakin saa aika hyvän kun lataa sen, tuplaa kuvakoon vaikka Irfanilla ja
ajaa unsharp-maskin läpi.
Turist_5700_WB__BR-353-S4_.gif
( 110 KB | 0 latausta )
IP kirjattu
akenyh
God Member
Poissa
SRHS 257
Viestejä: 1155
Sijainti: Halikko (Salo)
Re: Luxor Turist 5700 WB
Vastaus #5 -
28.01.2015 klo 12:25:53
Tulosta viesti
Hyvää työtä Balticsuper, Irfanview:llä suurentui mukavasti (ja selvästi)
terv.
Åke
**
IP kirjattu
Sivu: 1
Lähetä aihe
Tulosta
‹
Edellinen aihe
|
Seuraava aihe
›
Foorumihyppy »
Koti
» 10 viimeisintä viestiä
» 10 viimeisintä aihetta
Suomen Radiohistoriallinen Seura ry - Keskustelufoorumi
Suomen Radiohistoriallinen Seura ry
Jäsenalue
Yleistä radiohistoriasta
Kotimaiset radiot, televisiot ja äänentoistolaitteet
Ulkomaiset radiot, televisiot ja äänentoistolaitteet
Muut radio- ja elektroniikkalaitteet
Entisöinti ja kunnostus yleisellä tasolla ««
Omatekoiset laitteet ja rakentelu
Sotilasradiot ja Perinneradiot
Yleinen keskustelualue
Niitä Näitä
Haku päällä
« Koti
‹ Alue
SRHS Forum
» Powered by
YaBB 2.6.12
!
YaBB Forum Software
© 2000-2026. Kaikki oikeudet pidätetään.