Valitse kieli:
English
Suomi
Tervetuloa, Vieras. Ole hyvä ja
kirjaudu
tai
Rekisteröidy
Koti
Ohjeita
Haku
Kirjaudu
Rekisteröidy
Liity SRHS:n jäseneksi
SRHS Forum
›
Suomen Radiohistoriallinen Seura ry - Keskustelufoorumi
›
Yleinen keskustelualue
› Omituinen Radio
‹
Edellinen aihe
|
Seuraava aihe
›
Sivu:
[1]
2
Lähetä aihe
Tulosta
Omituinen Radio (Luettu 9199 kertaa)
Hukkis
Senior Member
Poissa
SRHS
Viestejä: 446
Sijainti: Espoo
Omituinen Radio
15.05.2014 klo 01:08:59
Tulosta viesti
Kaatopaikka kuormasta eksyi käsiini omituinen radio tai vastaava kapine. Ulkoinen olemus on varsin siisti, mutta sisuksiltaan laite näyttää enemmän itse tehdyltä. Putkina toimii
43
ja
78
. Radiossa on pieni säätökondensaattori, keraaminen kela, kuristin hehkulamppu ja erinnäinen määrä oheis komponentteja.
Otin muutaman valokuvan, josko yhtään selventäisi ett mistä oikein on kyse.
IP kirjattu
Jukka Rajala
God Member
Poissa
SRHS
Viestejä: 1466
Sijainti: Helsinki
Re: Omituinen Radio
Vastaus #1 -
15.05.2014 klo 07:43:31
Tulosta viesti
Oskillaattori tai vahvistin ?
IP kirjattu
RJL
God Member
Poissa
SRHS 612
Viestejä: 2768
Re: Omituinen Radio
Vastaus #2 -
15.05.2014 klo 07:53:39
Tulosta viesti
Kelassa on kaksi väliottoa joka viittaisi suoraan vastaanottimeen. Toinen on antennin väliotto, toinen maapiste virityspiirin ja takaisinkytkentäkelan välissä. Kunhan arvailen. Saahan tuosta tietysti vaivalla piirrettyä kytkennänkin auki.
Reijo Liljedahl - SRHS 612 - OH3AVA - SDXL 8092
IP kirjattu
OH2FBX
God Member
Poissa
Viestejä: 1488
Sijainti: Hanko
Re: Omituinen Radio
Vastaus #3 -
15.05.2014 klo 10:46:55
Tulosta viesti
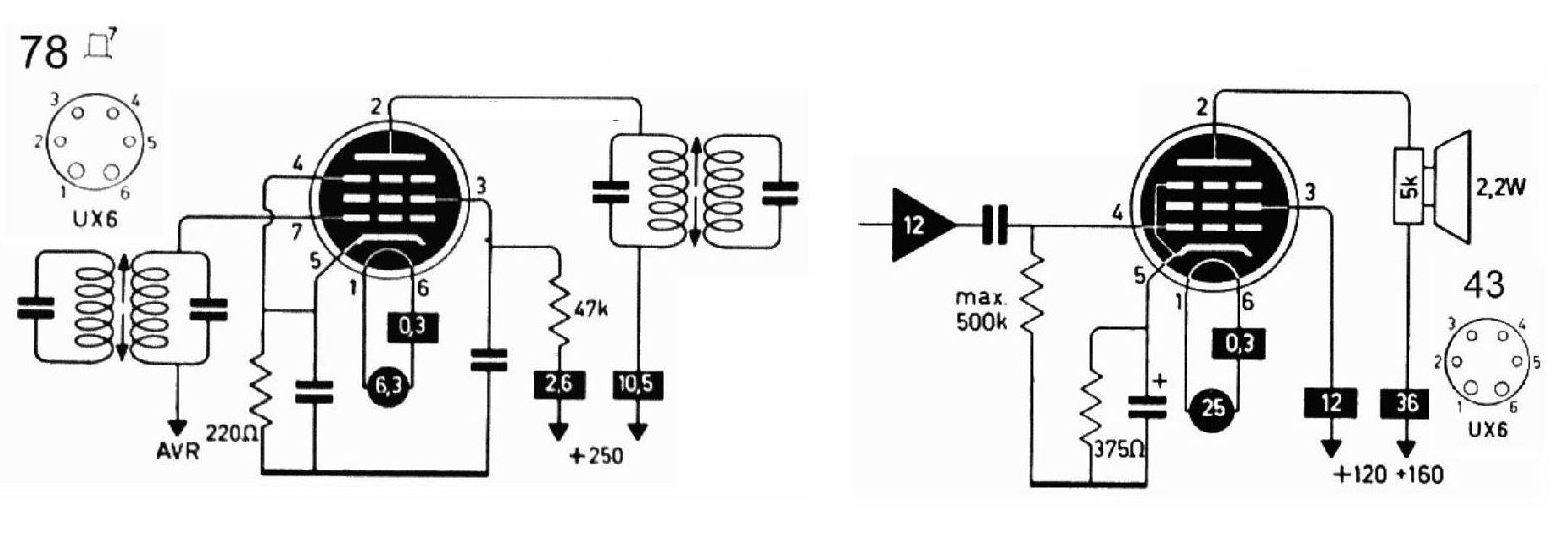
Putket ovat jänniä. AVOn taulukon mukaan molemmat ovat jenkkin kannalla UX6.
Putki "43" voi olla 25 V hehkulla pentodi tai 1,5 V hehkulla kaksoistriodi, joka tarkoitettu osk / sekoitus putkeksi.
"78" on 6,3 V hehkulle pentodi anodivirta 10,5 mA joten toimisi pääteputkena.
Kytkiksen piirtäminen olisi paras ratkaisu ongelmaan.
Ilmari Nikander
IP kirjattu
OH2EO
God Member
Poissa
SRHS
Viestejä: 1120
Re: Omituinen Radio
Vastaus #4 -
15.05.2014 klo 11:19:45
Tulosta viesti
Vade-Mecumin mukaan 43 on pientaajuuspääteputki ulostuloteho 2,2W. Tämä sopisi kytkentään. Tuo kaksoistriodi, joka olisi toinen vaihtoehto, ei tunnu tässä todennäköiseltä.
78 olisi suurtaajuuspentodi.
Aika mielenkiintoinen yhdistelmä jo hehkujännitteidenkin vuoksi, mutta syntyyhän näistä kaksiputkinen suora vastaanotin.
Timo
IP kirjattu
Jari
God Member
Poissa
SRSH
Viestejä: 808
Sijainti: Oulu
Re: Omituinen Radio
Vastaus #5 -
15.05.2014 klo 13:14:22
Tulosta viesti
Luulen, että kelaksi veikattu on lankavastus. Laitteessa näyttäisi myös olevan 16 uf/450V elko, mutta ei verkkomuuntajaa, joten olisiko tuo etuvastus. Zwo zet yrityksen valmistama kiekkomainen komponentti näyttää mielenkiintoiselta, olisiko kide?
Jari
IP kirjattu
Jukka Rajala
God Member
Poissa
SRHS
Viestejä: 1466
Sijainti: Helsinki
Re: Omituinen Radio
Vastaus #6 -
15.05.2014 klo 14:12:13
Tulosta viesti
Kyllä edelleen veikkaan audiotaajuksien oskillaattoria..
IP kirjattu
Hukkis
Senior Member
Poissa
SRHS
Viestejä: 446
Sijainti: Espoo
Re: Omituinen Radio
Vastaus #7 -
15.05.2014 klo 14:56:52
Tulosta viesti
Tosiaan tuo kela voi hyvinkin olla lankavastus, keraaminen rakenne ja pinnoittamattomalta näyttävä lankakin viittaisi tähän. Tuo muuntaja on kuristin.
Eikö tuo säätökondensaattori vaikuta turhan pieneltä ollakseen radioaaltojen vastaanottoon käypänen?
Liekkö jotain puutteita tai kytkentää muokattu ajansaatossa, meinaan tuon säätökondensaattorin yläpuolella oleviin banaaniliittimiin (siltaus) ei ole kytketty mitään. Puukotelo on varsin sen olonen, että olisi teollisesti valmistettu. Päälikansi on saranoitu, ja naamataulun bakeliittilevy holahtaa kopassa oleviin uriin.
Tuo aparaatti on nyt mökillä. Jahka sinne taas menen, niin täytyy hahmotella jotain kytkentäkaaviota. Ja samallahan sitä ottaa muutaman lisäkuvankin
IP kirjattu
Lasse Nirhamo
God Member
Poissa
SRHS #12
Viestejä: 962
Sijainti: Nurmes
Re: Omituinen Radio
Vastaus #8 -
16.05.2014 klo 11:54:39
Tulosta viesti
Minun arvioni on
Vanhoihin varsiin tehty, ts kotelo on ollut vanha radio.
Joku on siihen sitten askarrellut vähän erikoisen yleisvirtaradion.
Valkoinen "kela" on keraaminen etuvastus, tasasuuntaajaa ei näkynyt?
Säätökondensaattori lienee kiille-eristeinen, siksi koko on pieni, kapasiteetti enemmän.
ZwoZet on 50 kierroksen plug-in kela.
Yleisvirtakytkennästä johtuen, kannattaa tutkia varovaisesti...
Ystävällisesti Lasse - Radiohistorian parissa jo vuodesta 1951
IP kirjattu
Jari
God Member
Poissa
SRSH
Viestejä: 808
Sijainti: Oulu
Re: Omituinen Radio
Vastaus #9 -
16.05.2014 klo 15:32:52
Tulosta viesti
Olisikohan amatöörilähetin, kun anodihatusta näyttää lähtevän kytkentöjä "A" banaaniliittimelle, joka voisi tarkoittaa antennia.
Jari
IP kirjattu
OH2EO
God Member
Poissa
SRHS
Viestejä: 1120
Re: Omituinen Radio
Vastaus #10 -
16.05.2014 klo 18:47:41
Tulosta viesti
Jari kirjoitti
16.05.2014 klo 15:32:52:
Olisikohan amatöörilähetin, kun anodihatusta näyttää lähtevän kytkentöjä "A" banaaniliittimelle, joka voisi tarkoittaa antennia.
Jari
Taitaa kuitenkin olla 78 putken hilahattu, ei anodi.
Timo
IP kirjattu
OH2FBX
God Member
Poissa
Viestejä: 1488
Sijainti: Hanko
Re: Omituinen Radio
Vastaus #11 -
16.05.2014 klo 19:58:40
Tulosta viesti
78 putkella on todella hilahattu.
Ilmari Nikander
IP kirjattu
Lasse Nirhamo
God Member
Poissa
SRHS #12
Viestejä: 962
Sijainti: Nurmes
Re: Omituinen Radio
Vastaus #12 -
16.05.2014 klo 20:30:55
Tulosta viesti
Putkien periaatteelliset kaaviot, helpottaa ehkä kytkennän tutkimista?
Kaavio-.jpg
( 81 KB | 0 latausta )
Ystävällisesti Lasse - Radiohistorian parissa jo vuodesta 1951
IP kirjattu
Hukkis
Senior Member
Poissa
SRHS
Viestejä: 446
Sijainti: Espoo
Re: Omituinen Radio
Vastaus #13 -
16.05.2014 klo 21:54:53
Tulosta viesti
Juu, tuossa ekassa postauksessa on linkit putkien datoihin.
Odotellaan suuntaa-antavaa kytkentäkaaviota, niin pääsette sitten tosissaan pähkäilemään tuon toimintaa
IP kirjattu
Blaekie
God Member
Poissa
SRHS - 623
Viestejä: 1145
Sijainti: Helsinki
Re: Omituinen Radio
Vastaus #14 -
16.05.2014 klo 22:31:45
Tulosta viesti
Ja tuossa RCA:n "43" putken kuva
WP_20140516_011.jpg
( 221 KB | 0 latausta )
IP kirjattu
Sivu:
[1]
2
Lähetä aihe
Tulosta
‹
Edellinen aihe
|
Seuraava aihe
›
Foorumihyppy »
Koti
» 10 viimeisintä viestiä
» 10 viimeisintä aihetta
Suomen Radiohistoriallinen Seura ry - Keskustelufoorumi
Suomen Radiohistoriallinen Seura ry
Jäsenalue
Yleistä radiohistoriasta
Kotimaiset radiot, televisiot ja äänentoistolaitteet
Ulkomaiset radiot, televisiot ja äänentoistolaitteet
Muut radio- ja elektroniikkalaitteet
Entisöinti ja kunnostus yleisellä tasolla
Omatekoiset laitteet ja rakentelu
Sotilasradiot ja Perinneradiot
Yleinen keskustelualue ««
Niitä Näitä
Haku päällä
« Koti
‹ Alue
SRHS Forum
» Powered by
YaBB 2.6.12
!
YaBB Forum Software
© 2000-2026. Kaikki oikeudet pidätetään.