Valitse kieli:
English
Suomi
Tervetuloa, Vieras. Ole hyvä ja
kirjaudu
tai
Rekisteröidy
Koti
Ohjeita
Haku
Kirjaudu
Rekisteröidy
Liity SRHS:n jäseneksi
SRHS Forum
›
Suomen Radiohistoriallinen Seura ry - Keskustelufoorumi
›
Muut radio- ja elektroniikkalaitteet
› MASCOT 696 verkkolaite
‹
Edellinen aihe
|
Seuraava aihe
›
Sivu: 1
Lähetä aihe
Tulosta
MASCOT 696 verkkolaite (Luettu 2873 kertaa)
hifiradio58
Senior Member
Poissa
SRHS
Viestejä: 487
MASCOT 696 verkkolaite
17.02.2014 klo 23:28:45
Tulosta viesti
Mystinen vika, tämä on ruvennut humisemaan, suodatuslyytin olen vaihtanut, ei auttanut, kokeilin tätä kolmeen radioon, aina sama häiritsevä myminä taustalla.
Mikä ihme siellä hyvässä metallikoteloisessa pikku verkkolaitteessa on rikki, eihän siellä ole kuin muuntaja, tasuri, lyytti ja regulaattori.
Voiko regulaattori mennä epäkuntoon että surisee vaikka jännitteet säätyy OK??
Minulla on toinenkin samanlainen joka on täysin hiljainen, näitä klassisia n. 5-15V säätyviä Mascotteja on hyvä käyttää matkiksissa, toisin kuin useimpia pikkuisia hakkuripowereita, vinkuvat usein radioissa.
IP kirjattu
Maja
God Member
Poissa
SRHS 478
Viestejä: 3372
Sijainti: Lounais-Suomi
Re: MASCOT 696 verkkolaite
Vastaus #1 -
18.02.2014 klo 00:41:46
Tulosta viesti
Vaihdoitko sen pienemmän elkon myös, voi olla kuivunut. Regulaattorissa
tuskin on vikaa jos jännite säätyy.
Markku
IP kirjattu
balticsuper
God Member
Poissa
Viestejä: 888
Sijainti: Tampere
Re: MASCOT 696 verkkolaite
Vastaus #2 -
18.02.2014 klo 01:04:45
Tulosta viesti
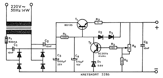
Vanhemmissa versioissa on se pienempi elko eli C4, aioin sitä ehdottaa mutta
Markku ehtikin ensin, sillävälin kun kaivoin kaaviota esiin.
Uudemmissa taitaa olla (muistaakseni) LM317 tms säädettävä regulutikka.
Tätä mallia on tehty kait vuosikymmeniä, sisukset ovat ehtineet muuttua kai
kolmeen..neljään kertaan sinä aikana.
Mascot_696___model_1974_.gif
( 25 KB | 0 latausta )
IP kirjattu
hifiradio58
Senior Member
Poissa
SRHS
Viestejä: 487
Re: MASCOT 696 verkkolaite
Vastaus #3 -
18.02.2014 klo 16:46:12
Tulosta viesti
Kiitokset vastauksista, vika selvisi, olin jättänyt huomioimatta pienen 10µ lyytin joka piileskeli 1000 mikroisen takana. Nyt ei kuulu mitään ylimääräistä.
Mitä tästä opimme, yksinkertaisen laitteenkin kanssa pitää olla tarkkana, ja aina epäillä lyytteja ensin.....
Tämä versio muuten on uudempi, tehty L200 regulla.
IP kirjattu
Sivu: 1
Lähetä aihe
Tulosta
‹
Edellinen aihe
|
Seuraava aihe
›
Foorumihyppy »
Koti
» 10 viimeisintä viestiä
» 10 viimeisintä aihetta
Suomen Radiohistoriallinen Seura ry - Keskustelufoorumi
Suomen Radiohistoriallinen Seura ry
Jäsenalue
Yleistä radiohistoriasta
Kotimaiset radiot, televisiot ja äänentoistolaitteet
Ulkomaiset radiot, televisiot ja äänentoistolaitteet
Muut radio- ja elektroniikkalaitteet ««
Entisöinti ja kunnostus yleisellä tasolla
Omatekoiset laitteet ja rakentelu
Sotilasradiot ja Perinneradiot
Yleinen keskustelualue
Niitä Näitä
Haku päällä
« Koti
‹ Alue
SRHS Forum
» Powered by
YaBB 2.6.12
!
YaBB Forum Software
© 2000-2026. Kaikki oikeudet pidätetään.