Valitse kieli:
English
Suomi
Tervetuloa, Vieras. Ole hyvä ja
kirjaudu
tai
Rekisteröidy
Koti
Ohjeita
Haku
Kirjaudu
Rekisteröidy
Liity SRHS:n jäseneksi
SRHS Forum
›
Suomen Radiohistoriallinen Seura ry - Keskustelufoorumi
›
Ulkomaiset radiot, televisiot ja äänentoistolaitteet
› Hetro -radio
‹
Edellinen aihe
|
Seuraava aihe
›
Sivu:
[1]
2
Lähetä aihe
Tulosta
Hetro -radio (Luettu 11702 kertaa)
AriH
God Member
Poissa
SRHS
Viestejä: 698
Sijainti: Turku
Hetro -radio
15.12.2013 klo 13:29:18
Tulosta viesti
Kirppikseltä tuli taas tilan täytettä!! Tällainen isohko HETRO radio, amerikkalainen, luultavasti vuosi vv. 36-37. Kotona vasta ihmeekseni huomasin, että radiossa oli supisuomalaiset asteikkotekstit !!! Ja merkintä 220V. Muuntaja ja sisuskalut näyttivät äkkikatsomalta aivan alkuperäisiltä.
Kukahan ja missä vaiheessa on tehnyt radion pieneen Suomeen sopivaksi, tuskin kait Hetro-radio USA:ssa sentään...
Asteikkokin on kyllä alkuperäisen näköinen. Onko joku nähnyt näitä enemmänkin täälläpäin?
Pahoittelen kuvien huonoa laatua...
t. Ari
Hetro_edestd.jpg
( 48 KB | 0 latausta )
Hetron_suomal_asteikko.jpg
( 42 KB | 0 latausta )
IP kirjattu
AriH
God Member
Poissa
SRHS
Viestejä: 698
Sijainti: Turku
Re: Hetro -radio
Vastaus #1 -
15.12.2013 klo 13:31:54
Tulosta viesti
lisää..
Hetro_sisdltd.jpg
( 47 KB | 0 latausta )
Hetro_takaa.jpg
( 50 KB | 0 latausta )
IP kirjattu
AriH
God Member
Poissa
SRHS
Viestejä: 698
Sijainti: Turku
Re: Hetro -radio
Vastaus #2 -
15.12.2013 klo 13:33:18
Tulosta viesti
tyyppikilvet...
Hetro_merkki.jpg
( 55 KB | 0 latausta )
Hetro_tyyppikilpi.jpg
( 47 KB | 0 latausta )
IP kirjattu
kkv
God Member
Poissa
SRSH
Viestejä: 1195
Re: Hetro -radio
Vastaus #3 -
15.12.2013 klo 14:06:52
Tulosta viesti
Mielenkiintoinen löytö!
STL:n laboratoriossa hyväksyttyjen radioiden luettelossa on mielestäni vain yksi Hetro, malli 14992, joka on hyväksytty kesällä 1937. Se on kuitenkin merkitty 125V jännitteiseksi. Sinun radiosi mallinumero taitaa olla leimattu shassiksen takaseinään. Mikä on toiseksi viimeinen numero?
Yksi mahdollisuus on jälkeenpäin tehty käyttösähkön muutostyö. Tällaisia tehtiin paljo sota-aikaa seuranneina pulavuosina.
Kauko Viitanen
IP kirjattu
AriH
God Member
Poissa
SRHS
Viestejä: 698
Sijainti: Turku
Re: Hetro -radio
Vastaus #4 -
15.12.2013 klo 15:47:15
Tulosta viesti
Chassiksen numero on alunperin ollut 14910, josta sitten on tussilla tvs, vedetty tuon 1:n päälle 9:n eli numerosta olisi tehty 14990. Radiossa ei kyllä näy mitään modauksen merkkejä chassiksen paikallaan ollessa, ja jännite merkintä 220 VOLTS sen takareunassa viittaisi englannin kieleen.
Sen sijaan asteikolta löytyy selvästi suomalaisina:
Pori, Pariisi, Helsinki, Lontoo, Saksa, Ruotsi,Tampere, Vaasa ja Turku ja toiselta alueelta vielä Lahti.
IP kirjattu
Lasse Nirhamo
God Member
Poissa
SRHS #12
Viestejä: 962
Sijainti: Nurmes
Re: Hetro -radio
Vastaus #5 -
15.12.2013 klo 16:16:25
Tulosta viesti
Kyllä tämä merkki ja valmistaja löytyy RM.orgistakin.
78 eri mallia, myös molemmat 14910 ja 14990 sekä kytkentäkaaviotkin niihin.
Suomalaisuuden yhteyttä en ole löytänyt,
mikä on hyväksytyn mallin maahantuoja?
Mielenkiintoisia löytöjä tulee esille jatkuvasti.
Ystävällisesti Lasse - Radiohistorian parissa jo vuodesta 1951
IP kirjattu
AriH
God Member
Poissa
SRHS
Viestejä: 698
Sijainti: Turku
Re: Hetro -radio
Vastaus #6 -
15.12.2013 klo 16:16:46
Tulosta viesti
No saattaa tuossa numerossa olla tavoiteltu 2:kin, eli siis 14920, jos se siis tulisi vaikka 220:stä...
Hetro_chassinro.jpg
( 43 KB | 0 latausta )
IP kirjattu
balticsuper
God Member
Poissa
Viestejä: 888
Sijainti: Tampere
Re: Hetro -radio
Vastaus #7 -
15.12.2013 klo 16:29:08
Tulosta viesti
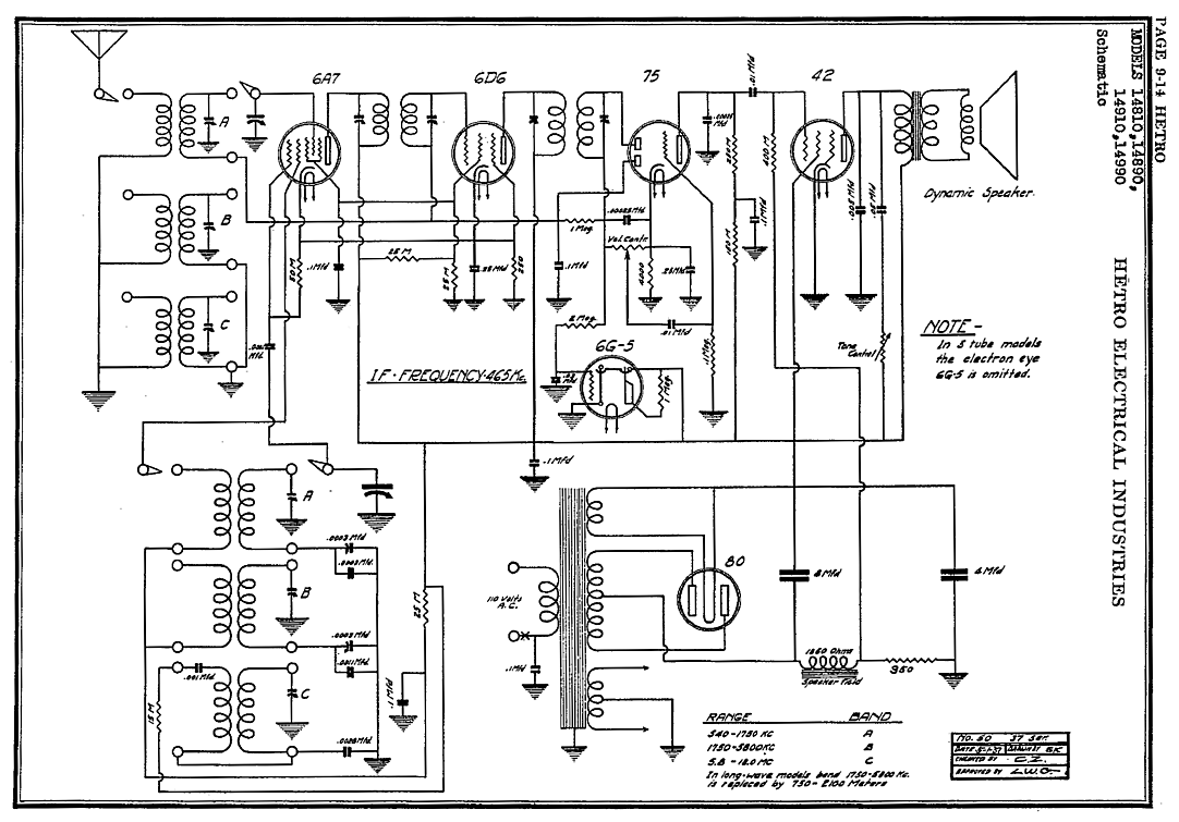
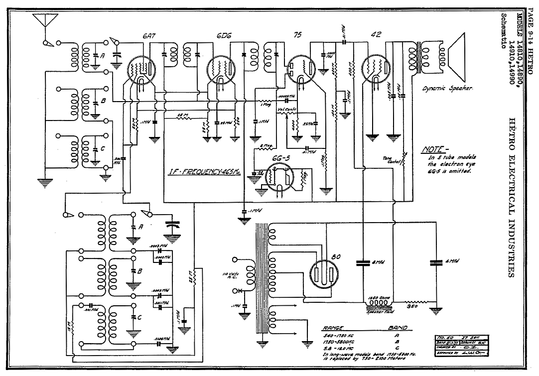
Kytkinkaava, ei ole peräisin RM.org:ista
Hetro_14810__14890__14910__14990_rz.gif
( 142 KB | 0 latausta )
IP kirjattu
kkv
God Member
Poissa
SRSH
Viestejä: 1195
Re: Hetro -radio
Vastaus #8 -
15.12.2013 klo 17:15:24
Tulosta viesti
Täytyy korjata aikaisempaa viestiäni.
STL:n vuoden 1938 luettelosta löytyy kolme Hetron radiomallia. Vain yksi on merkitty 220V:lle.
Lassen kysymää maahantuojaa ei tästä luettelosta löydy. Olen kopioinut itselleni vain luettelosivut. Maahantuoja selvinnee kunhan pääsen käymään kirjastossa. Pienpainateosasto on kiinni ensi perjantaista loppiaiseen, joten tammikuulle taitaa selvitys minun osaltani siirtyä.
Kauko Viitanen
«
Viimeksi muokattu: 15.12.2013 klo 19:08:05 Kirjoittaja kkv
»
STL_1938-2.jpg
( 28 KB | 0 latausta )
IP kirjattu
AriH
God Member
Poissa
SRHS
Viestejä: 698
Sijainti: Turku
Re: Hetro -radio
Vastaus #9 -
15.12.2013 klo 19:23:55
Tulosta viesti
Lämmin kiitos kaikille tiedoista, ja balticille etenkin kaaviosta. Tämä onkin aika mielenkiintoinen tapaus. Tutkin tarkemmin sisuskalut, kun saan vähän tilaa työpöydälleni.
Kyllä noita varmaan on tuotu aika liuta Suomeen.
Siihen aikaan kun ei nimittäin ollut tietokoneita, millä painetaan yksittäiskappaleita asteikkopahveista. Eli suomalaista kysyntää on tarvinnut olla aika lailla, että se on kannattanut painaa tekijästä riippumatta.
t.Ari
IP kirjattu
AriH
God Member
Poissa
SRHS
Viestejä: 698
Sijainti: Turku
Re: Hetro -radio
Vastaus #10 -
15.12.2013 klo 21:16:36
Tulosta viesti
Sen verran sain selville, että putket ovat juuri nuo kaavion mukaiset Raytheonin putket, paitsi silmäputki Hytron 6G5. Kaikki vaikuttavat alkuperäsiltä. En saanut chassista vielä pois kun asemanappula on jämähtänyt...liuotkoon rauhassa.
Muuntajan päälle on kyllä kiinnitetty taitettu 1x5x5 cm pellinpala ruuveilla, se voi kätkeä alleen vaikka muuntajan uudelleenkytkennän tai esim. vaikka sulakkeita.
IP kirjattu
kkv
God Member
Poissa
SRSH
Viestejä: 1195
Re: Hetro -radio
Vastaus #11 -
17.12.2013 klo 11:13:32
Tulosta viesti
Löysin kuvieni joukosta valmistajien merkit STL:n tammikuussa 1938 julkaistusta "Godkänd elektrisk installationsmaterial och elektriska apparater" kirjasesta. Suomenkielellä tätä laitosta ei ole sattunut käsiini.
Hetro-radioiden maahantuoja näyttää olleen turkulainen. En tiedä onko kyseessä turkulainen matematiikanopettaja Ensio Kännö vai edellinen sukupolvi. Ensio Kännö toimi 1940-1960 luvuilla myös radiokaupassa ja radioalan yhdistyksissä.
Kauko Viitanen
«
Viimeksi muokattu: 17.12.2013 klo 12:02:32 Kirjoittaja kkv
»
merkkejd_ja_maahantuojia_1938.jpg
( 92 KB | 0 latausta )
IP kirjattu
AriH
God Member
Poissa
SRHS
Viestejä: 698
Sijainti: Turku
Re: Hetro -radio
Vastaus #12 -
17.12.2013 klo 12:03:19
Tulosta viesti
Mielenkiintoista!! Nyt onkin hauska homma selvittää mikä mies tämä Kännö & co oikein oli ja mitähän muuta hän on tuottanut tai tehnyt.
Ari
IP kirjattu
HeikT
God Member
Poissa
SRHS 782
Viestejä: 776
Sijainti: Lohja
Re: Hetro -radio
Vastaus #13 -
17.12.2013 klo 17:16:18
Tulosta viesti
Googlesta löytyi näköiskopio lehdestä "Suomen Turku N:o 1 1963" jonka sivulla 31 on mainos firmalta "Kännö & Co Radio ja TV-halli". Toimi tuohon aikaan osoitteessa Brahenkatu 5 Turku. Muistaako kukaan vanha turkkulainen?
IP kirjattu
AriH
God Member
Poissa
SRHS
Viestejä: 698
Sijainti: Turku
Re: Hetro -radio
Vastaus #14 -
17.12.2013 klo 21:11:29
Tulosta viesti
No tuohan oli tosi hyvä tieto, HeikT. Mistä ihmeestä löysit tuon haun. Minun gookkelini ei tuottanut "Kännö" :lle mitään.
Se ei sitten ole ollutkaan ihan pikku putiikki, ainakin 25 vuotta (-37-63...)
Kyllähän siihen jo radiomyyntiä mahtuu...
Joku turkulaisista varmaan kohta kertoo siitä, itse olin silloin Porissa....
IP kirjattu
Sivu:
[1]
2
Lähetä aihe
Tulosta
‹
Edellinen aihe
|
Seuraava aihe
›
Foorumihyppy »
Koti
» 10 viimeisintä viestiä
» 10 viimeisintä aihetta
Suomen Radiohistoriallinen Seura ry - Keskustelufoorumi
Suomen Radiohistoriallinen Seura ry
Jäsenalue
Yleistä radiohistoriasta
Kotimaiset radiot, televisiot ja äänentoistolaitteet
Ulkomaiset radiot, televisiot ja äänentoistolaitteet ««
Muut radio- ja elektroniikkalaitteet
Entisöinti ja kunnostus yleisellä tasolla
Omatekoiset laitteet ja rakentelu
Sotilasradiot ja Perinneradiot
Yleinen keskustelualue
Niitä Näitä
Haku päällä
« Koti
‹ Alue
SRHS Forum
» Powered by
YaBB 2.6.12
!
YaBB Forum Software
© 2000-2026. Kaikki oikeudet pidätetään.