Sivunvalintanappi Sivu: 1 [2] 3  Lähetä aiheTulosta
Erittäin kuuma aihe (Enemmän kuin 25 vastausta) Prominent 203 (Luettu 10096 kertaa)
Raimo Sjöberg
God Member
*****
Poissa


SRHS #313

Viestejä: 1560
Sijainti: Espoo
Re: Prominent 203
Vastaus #15 - 14.11.2025 klo 10:57:26
Tulosta viesti  
Mikko-Ilmari kirjoitti 13.11.2025 klo 23:29:51:
Onko mitään syytä, ettei olisi kelpo?


Kelpo pärinät tuolla todennäköisesti saa AM-alueille.
  

Rami  OH1AYG - OH2AUS
Sivun alkuun
WWW  
IP kirjattu
 
Mikko-Ilmari
YaBB Newbies
*
Poissa



Viestejä: 15
Re: Prominent 203
Vastaus #16 - 14.11.2025 klo 11:25:01
Tulosta viesti  
Jos nyt ymmärrän, niin tuossa on LC suodatus ja 50 Hz × harmoniset = 100 Hz, 150 Hz, 200 Hz… ei osu AM-alueelle, niin ei pitäisi päristä?
Mutta helppohan tuo on kokeilla kun laittaa töpöt molemmin puolin ja kytkee vermeen pistorasian ja radion väliin.
  
Sivun alkuun
 
IP kirjattu
 
Raimo Sjöberg
God Member
*****
Poissa


SRHS #313

Viestejä: 1560
Sijainti: Espoo
Re: Prominent 203
Vastaus #17 - 14.11.2025 klo 13:29:11
Tulosta viesti  
Oma kokemukseni noista SCR-säätimistä on osoittanut niiden häiritsevän tehokkaasti ainakin LF- ja MF-alueita.
  

Rami  OH1AYG - OH2AUS
Sivun alkuun
WWW  
IP kirjattu
 
VjpA
God Member
*****
Poissa


SRHS

Viestejä: 2679
Sijainti: Vantaa
Re: Prominent 203
Vastaus #18 - 14.11.2025 klo 19:31:26
Tulosta viesti  
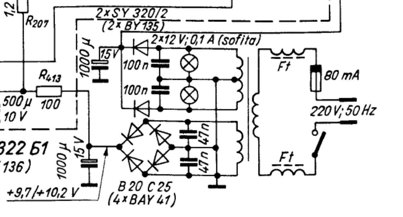
Verkkolaite tuossa on yksinkertainen, tuon seleenin vois vaihtaa pois ja verkkojohtoon tavallinen litteä pistotulppa (kun kerran tulee omaan käyttöön).
Toisiopuolen jännitteet on matalia ja jos haluat hifistellä, niin toisioon sopiva vastus syöttöön jännitteen säätöön. Pääteasteen jännitesyöttö on +13,8 V 6 mA, lähdössä on kuvassa näkyvä 1000 uF 15 V lyytti.
Kuva poverista:
  

Prom203-virtaldhde.jpeg ( 116 KB | 32 latausta )
Prom203-virtaldhde.jpeg

t. // Jukka
Sivun alkuun
 
IP kirjattu
 
Heikki Rinnemaa
God Member
*****
Poissa



Viestejä: 794
Sijainti: tampere
Re: Prominent 203
Vastaus #19 - 15.11.2025 klo 07:27:30
Tulosta viesti  
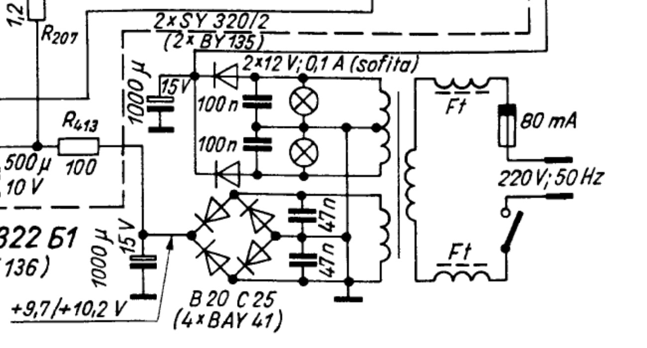
On ilmeisesti useampia prominent kaavioita, minulla on tuollainen tässä osa siitä.
  

Sieppaa_085.JPG ( 119 KB | 36 latausta )
Sieppaa_085.JPG
Sivun alkuun
 
IP kirjattu
 
Mikko-Ilmari
YaBB Newbies
*
Poissa



Viestejä: 15
Re: Prominent 203
Vastaus #20 - 15.11.2025 klo 14:48:02
Tulosta viesti  
Konkkaremppaa suunnitteilla.
Mistähän olisi saatavuutta axial low-ESR elkoille?

Uudet elkot lienee ulkomitoiltaan sen verran pienempiä, että voi käyttää jännitekestoltaan pykälän tai pari isompia, 25V ajattelin?
Nykyisten elkojen mitat selvittämättä, kun ratio tuossa vielä tekee hommiaan, eli juttelee, sekä laulelee jutustelunsa lomassa. 
  
Sivun alkuun
 
IP kirjattu
 
VjpA
God Member
*****
Poissa


SRHS

Viestejä: 2679
Sijainti: Vantaa
Re: Prominent 203
Vastaus #21 - 15.11.2025 klo 19:48:04
Tulosta viesti  
Ei tuohon radioon tarvita low-ESR lyyttejä ja lämmönkesto 80º C riittää mainiosti. Konkkien jännitekesto voi olla vaikka 100 V tai ylikin, jos sopiva kapasitanssiarvo löytyy. Nykyist lyytin on järjestään pienempikokoisia kun radion alkuperäiset. Katso tuolta:
https://uraltone.com/elektroniikan-komponentit/kondensaattorit/elektrolyyttikond...
On useapi sivu tavaraa, toki muualtakin löytyy.
  

t. // Jukka
Sivun alkuun
 
IP kirjattu
 
Raimo Sjöberg
God Member
*****
Poissa


SRHS #313

Viestejä: 1560
Sijainti: Espoo
Re: Prominent 203
Vastaus #22 - 15.11.2025 klo 20:38:07
Tulosta viesti  
  

Rami  OH1AYG - OH2AUS
Sivun alkuun
WWW  
IP kirjattu
 
Urkki
God Member
*****
Poissa


Pitkänlinjan radioharrastaja

Viestejä: 625
Re: Prominent 203
Vastaus #23 - 15.11.2025 klo 22:16:54
Tulosta viesti  
  
Sivun alkuun
 
IP kirjattu
 
Mikko-Ilmari
YaBB Newbies
*
Poissa



Viestejä: 15
Re: Prominent 203
Vastaus #24 - 15.11.2025 klo 23:32:21
Tulosta viesti  
Tutkin tuossa schemoja, joita on löytynyt kaksi erilaista, mutta kumpikaan ei aivan täsmää. Toinen näistä lienee CCIR (100/108 MHz) ja toinen ORIT, Onkohan jossain kolmaskin versio saatavilla?
Mitä noita konkkia sieltä kartoittamaan, niin vaikuttaisi siltä että radiossa on olisi pääteasteessa elkot 200 + 500 + 500 uF, mutta kaavion mukaan 200 + 500 uF.
Vaikuttaisi siltä, että tämä on joku ORIT versiosta modattu CCIR välimalli asentamalla metallikotelon sisällä olevalla FM-etuaste/oskillaattori ja laitettu 108 MHz FM viritin.
Pääteasteen transistorit tarttis vilasta, sillä oletettavasti tarkentuisi onko se ORIT vai CCIR mukaisesti tehty.
Joka tapauksessa meni vähän hankalaksi kuvien osalta.
  
Sivun alkuun
 
IP kirjattu
 
Raimo Sjöberg
God Member
*****
Poissa


SRHS #313

Viestejä: 1560
Sijainti: Espoo
Re: Prominent 203
Vastaus #25 - 16.11.2025 klo 11:28:19
Tulosta viesti  
OIRT-versio tuskin Suomessa laulaisi, taajuusalue olisi silloin 65,84–74,00 MHz.
  

Rami  OH1AYG - OH2AUS
Sivun alkuun
WWW  
IP kirjattu
 
VjpA
God Member
*****
Poissa


SRHS

Viestejä: 2679
Sijainti: Vantaa
Re: Prominent 203
Vastaus #26 - 16.11.2025 klo 21:18:33
Tulosta viesti  
Mun mielestä ei kannata ottaa kaavioita kirjaimellisesti, varsinkaan kun ei kuvaan ole laitettu versiotietoja, vaan vaihdat ne osat suunnilleen vastaaviksi.
On tullut eteen tilanteita, jossa kaaviota ei löydy, silloin joku lähellä olevakin käy. Silmänisku
  

t. // Jukka
Sivun alkuun
 
IP kirjattu
 
Mikko-Ilmari
YaBB Newbies
*
Poissa



Viestejä: 15
Re: Prominent 203
Vastaus #27 - 16.11.2025 klo 22:33:44
Tulosta viesti  
^Juu ei. Taipumus vaan kerätä kattava dokumentaatio, mielellään aina ostokuitista lähtien  Hymiö
Tämä radio kuuluu olleen seuran 1/25 lehdessäkin, yritin ostaakin, mutta jostain syystä ostotapahtumat eivät menneet sillä kertaa läpi.

Philps BSF543 putkiradiosta tein käsin tehdystä tuhnusta kopion kopiosta kytkentäkaaviosta KiCad version ja kaivelin laitteesta jokaisen konkan ja vastuksen ja ties moneenko kertaan varmistelin ristiin kaavion ja radion välisen oikeellisuuden. Samalla syöpyi kaaviokin korvien väliin ihan ulkomuistiin Hymiö
Myös huoltomanuska luonnollisesti kirjoitettu uusiksi, saatto jäädä keväällä vielä viimeistelyä vaille valmiiksi. Lisäksi tuli myös vastaan lontoon kielinen sisarmallin manuska vastaan, jossa kerrottu asiat vieläkin tarkemmin, jokaisen yksittäisen komponentin tarkoitusta myöten kytkennässä. Harkinnassa yhdistellä näistä jokin kattava laitos. Jos nyt vaan joutaisi.

Prominent kytkykaavio oli myös harkinnassa mallintaa, mutta riippuu nyt hieman, kuinka paljon sitä joutuu säätämään, voi mennä hankalaksikin jollei ole riittävän valmista mallia pohjaksi.

KiCad on kyllä sitten mainio velho kytkentöjä tutkiessa ja löytämään yksittäiset komponentit ja niiden tiedot.

Konkkien suhteen annoin nyt siimaa ja laitan sinne pysty ESR elkot joko vaakaan, tai pystyyn. Muuten olisi joutunut jakamaan hankintoja sinne ja tänne ja niistä ylimääräiset postit.
Hankinnat meni nyt samaan kuormaan Partco:lta hieman nuoremman boombox konkkarempan kanssa.
Alkuun oli kyllä tarkoitus tehdä mahdollisimman autenttinen kunnostus ja saahan nuo vielä kertaalleen helpostikin vaihdettua, mikäli alkaa ahdistamaan, montaahan niitä ei ole ja helposti esillä.      

Philips BSF543A (kuvassa näkyvät anodi jännitteet ja virrat viitteelliset, poimittu sisarmallin kuvista)
  
Sivun alkuun
 
IP kirjattu
 
Jukka Rajala
God Member
*****
Poissa


SRHS

Viestejä: 1466
Sijainti: Helsinki
Re: Prominent 203
Vastaus #28 - 20.11.2025 klo 13:31:52
Tulosta viesti  
Radiomuseumista löytyy kunnon manuaalit Prominentiin, osasijoittelukaavio ja viritysohje yms.
  
Sivun alkuun
 
IP kirjattu
 
Mikko-Ilmari
YaBB Newbies
*
Poissa



Viestejä: 15
Re: Prominent 203
Vastaus #29 - 25.11.2025 klo 10:39:08
Tulosta viesti  
^ Juu, tuo ohje löytyykin. Vähän kehnohko vaikeasti luettava valokopion valokopio, kuten nyt usein miten aina tuppaa olemaan.
Iltapuhteena tein siitä OCR version ja oikoluku DDR versiokorjauksella. Viimeistelyä vaille valmis.
Sitten vielä enkun kautta pyöräyttämällä suomeksi  Hymiö

Radio näyttäisi kaipaavan virittelyä vahvasti, mutta mistä viritysavaimet? Pikaisella haulla ei ihan heti löytänytkään.
Hätätapauksessa sitten itse värkäten, jahka sopivan aihiomateriaalin jostain löytää.

Havaitsin radiossa lievää käden kapasitanssi hurinaa, kun käden vie lähelle vol potikkaa. En sanoisi määrää häiritseväksi, mutta harrastelijana sen sieltä havaitsen, joku muu varmastikaan ei.
Mutta olisiko tuo poistettavissa, jos chassiksen kytkisi verkkojohdon maajohtimeen.

Sitten tarttis selvitellä tuo vol potikan ärhäkkä käyttäytyminen, säätö on millin tarkkaa. Näyttäisi olevan väliulosotolla, joka tekee uudistuksesta hankalan, mutta potikan akselin läpimitta tehnee uudistuksesta jo liki ylipääsemättömän. En mitannut, 4 mm tai sitten jotain muuta. Pää on halkaistu ja lovettu.
Hakisin kyllä vikaa josta toisaalta, potikka kun ei myöskään rahise. Mutta muutoin on oikeinkin hyvä potikka  Hymiö

Edit:
Löytyikin mahdollinen setti, kärkiarsenaali lienee kohtuu kattava? Muovisena vähän pehmeä, mutta ferriitti tykkää ja satunnaiskäytössä kestänee kyllä. Kalliskaan ei ole.
EDIT2: Toimituskulut 19 €(!)  Surullinen
EDIT3: Ruotsista tärppäsi, n. 20 € toimitettuna.

https://fi.rsdelivers.com/fi/product/rs-pro/rs-pro-plastic-10-piece-trimmer-tool...

« Viimeksi muokattu: 25.11.2025 klo 11:51:33 Kirjoittaja Mikko-Ilmari »  
Sivun alkuun
 
IP kirjattu
 
Sivunvalintanappi Sivu: 1 [2] 3 
Lähetä aiheTulosta