Valitse kieli:
English
Suomi
Tervetuloa, Vieras. Ole hyvä ja
kirjaudu
tai
Rekisteröidy
Koti
Ohjeita
Haku
Kirjaudu
Rekisteröidy
Liity SRHS:n jäseneksi
SRHS Forum
›
Suomen Radiohistoriallinen Seura ry - Keskustelufoorumi
›
Ulkomaiset radiot, televisiot ja äänentoistolaitteet
› Philips Philetta Allstrom B2D01U
‹
Edellinen aihe
|
Seuraava aihe
›
Sivu:
[1]
2
Lähetä aihe
Tulosta
Philips Philetta Allstrom B2D01U (Luettu 12788 kertaa)
plamminen
God Member
Poissa
SRHS: 610
Viestejä: 1642
Sijainti: Loviisa
Philips Philetta Allstrom B2D01U
23.09.2013 klo 18:11:38
Tulosta viesti
Millähän tuon säätyvän vastuksen voisi korvata? R6 arvo nyt luokkaa 800 ohmia. Voiko korvata tavallisella massa vastuksella. Koosta päätellen teho on luokkaa 2W.
Toiseksi olisiko jollain sopivaa huoltokaaviota jossa olisi komponenttien sijoittelu, eli se kuuluista Philips risukasa kuva. Kytkentäkaavio on.
pentti lamminen
osakuva.jpg
( 41 KB | 0 latausta )
Pentti Lamminen
IP kirjattu
akenyh
God Member
Poissa
SRHS 257
Viestejä: 1155
Sijainti: Halikko (Salo)
Re: Philips Philetta Allstrom B2D01U
Vastaus #1 -
23.09.2013 klo 18:28:58
Tulosta viesti
Vastus liittynee radion käynnistykseen.
Oletko mitannut R6:n vastusarvon (800R) kylmänä vai käyttölämpimänä? Kasvaako vastusarvo (PTC) vai pieneneekö (NTC), kun vastusta hieman kolvilla lämmittää.
terv.
Åke
**
IP kirjattu
plamminen
God Member
Poissa
SRHS: 610
Viestejä: 1642
Sijainti: Loviisa
Re: Philips Philetta Allstrom B2D01U
Vastaus #2 -
23.09.2013 klo 18:38:57
Tulosta viesti
Lämmitin kolvilla eikä tapahtunut mitään muutosta. Arvo mitattu kylmänä. Vaikka kuinka pitkään odottelee radiolle ei tule jännitteitä koska tasasuuntaus putki ei saa hehkua. R5:lle mittasin kylmänä arvon 240 Ohmia. Siitä päättelin että tuo R6:n 800 ohmia on liikaa.
Muuten putkien UF89 ja UY85 hehkupiirit näyttävät ehjiltä, ainakaan katkosta eikä oikosulkua ole kummassakaan 4 ja 5 nastojen välillä.
Huomenna ajattelin kokeilla korvaamalla 240 ohmin vastuksella jos pääsisi vianhaussa eteenpäin.
pentti
Pentti Lamminen
IP kirjattu
akenyh
God Member
Poissa
SRHS 257
Viestejä: 1155
Sijainti: Halikko (Salo)
Re: Philips Philetta Allstrom B2D01U
Vastaus #3 -
23.09.2013 klo 18:55:29
Tulosta viesti
R5 on varmasti NTC eli vastus pienee lämmetessä, tarkoituksena on suojata putkiaja asteikkolamppuja käynnistyksessä on em. ovat kylmiä. Tuo R6 voisi olla VDR?? eli johtaa, kun jännite ylittää tietyn arvon
Onko skemassa tyyppimerkintöjä R5 ja R6:lle. Ovatko näiden kanssa sarjassa olevien putkien hehkut ehjät.
teve.
Åke
**
IP kirjattu
Timo Haveri
God Member
Poissa
Viestejä: 2962
Sijainti: Parkano
Re: Philips Philetta Allstrom B2D01U
Vastaus #4 -
23.09.2013 klo 22:32:20
Tulosta viesti
Kyllä nuo molemmat ovat tietääkseni NTC-vastuksia. Asteikkolamput yleensä ovat kirkkaammat käynnistyksessä ja sitten himmenevät kun NTC-vastuksen resistanssi pienenee. Vastuksen R6 tehtävä lamppujen rinnalla ei ole suojella lamppuja vaan mahdollistaa radion toimiminen silloinkin kun lamppu on palanut. Jos lamput ovat paikoillaan niin kyllä siellä jotain hehkuvirtaa pitäisi kulkea vaikka R6 olisi viallinen. Tosin virta voi olla pienempi koska R6:n kautta kulkee joka tapauksessa osa virrasta. Noissa vastuksissa ei ole ainakaan minulle tullut vikoja vastaan. Korvaavan vastuksen löytäminen voi olla vaikeaa kun niiden datoja ei ole huolto-ohjeissa.
Timo
WWW
IP kirjattu
akenyh
God Member
Poissa
SRHS 257
Viestejä: 1155
Sijainti: Halikko (Salo)
Re: Philips Philetta Allstrom B2D01U
Vastaus #5 -
23.09.2013 klo 23:06:09
Tulosta viesti
No niin, Timo analyysi on aivan oikein, molemmat ovat NTC vastuksia. R5 on 220R ja R6 240R (+25 C). R6 tehtävä hämäsi minua. 1960 taitteen Philipsin luettelosta saattaisi löytyä tietoja tehoarvoista, ehkä koostakin voisi jotain päätellä.
terv.
Åke
**
Philips_B2D01_hehku-osa.jpg
( 20 KB | 0 latausta )
IP kirjattu
Jari
God Member
Poissa
SRSH
Viestejä: 808
Sijainti: Oulu
Re: Philips Philetta Allstrom B2D01U
Vastaus #6 -
23.09.2013 klo 23:13:17
Tulosta viesti
R6 tilalle ei ainakaan pidä laittaa tavallista vastusta koska jos asteikkolamppu sattuu vioittumaan 240 ohmin vastukseen tulee silloin erittäin suuri tehohäviö, joka tuhoaa vastuksen ja voi aiheutua palovaaraakin.
Radio varmaan toimii ilman tuota NTC:tä jos vain asteikkolamput ovat kunnossa ja nykyinen verkkojännite on 230 V.
Joskus olen onnistunut korjaamaan NTC-vastuksen juottamalla siihen uudet johtimet.
Jari
IP kirjattu
Timo Haveri
God Member
Poissa
Viestejä: 2962
Sijainti: Parkano
Re: Philips Philetta Allstrom B2D01U
Vastaus #7 -
23.09.2013 klo 23:25:58
Tulosta viesti
Tehonkulutuksen yms. saa selville mittaamalla toimivasta radiosta. Minulle tulee syksyn mittaan tai loppuvuodesta työn alle (taas) yksi yleisvirta-Philips joka lienee aika lailla samanlainen tämän kanssa, joten voisin tehdä mittauksia. Tosin tämän radion korjaukseen siitä ei ole nyt apua.
Timo
WWW
IP kirjattu
akenyh
God Member
Poissa
SRHS 257
Viestejä: 1155
Sijainti: Halikko (Salo)
Re: Philips Philetta Allstrom B2D01U
Vastaus #8 -
24.09.2013 klo 13:22:28
Tulosta viesti
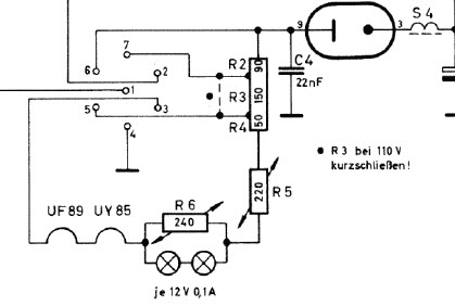
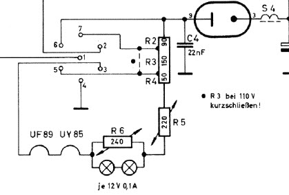
Piirsin aiemmin ensimäisessä viestissä olevan kytkentäkaavion hehkuketjun hieman eri tavalla ja lisäsin siihen jännitearvot (noin). Lähtökohtana on ko putkien hehkujänniteet ja U-putkien hehkuvirta 100mA (0,1A). Jänitteen valintakytkin 220V asennossa.
Tällöin on NTC vastuksen R5 yli oltava n. 24V jännite (kuumana) ja tehohäviö n. 2,5W. Jos asteikkopolttimo on palanut, on R6 "toiminnassa" ja jännite ja tehoarvot ovat samaa luokkaa.
Mikäli käyttöjännite 230V voi R4 olla irtikytkettynä.
NTC-vastukset eivät käyttäydy lineaarisesti eikä niiden datatietoja ollut käytettävissä, joten kyseessä on vain ns. ´hyvä arvaus".
Terv.
Åke
**
B2D01-hehkuk047.jpg
( 194 KB | 0 latausta )
IP kirjattu
plamminen
God Member
Poissa
SRHS: 610
Viestejä: 1642
Sijainti: Loviisa
Re: Philips Philetta Allstrom B2D01U
Vastaus #9 -
24.09.2013 klo 14:08:11
Tulosta viesti
Kyllä näillä ohjeilla täytyy asia selvitä. Koska nuo molemmat hehkulamput ovat rikki niin ne tosiaan vaihtamalla saa kulkemaan hehkuvirran. Ensiksi tosiaan ajatelin että korvaan tuon 240R NTC:n tavallisella 220R+20R 4W sarjassa olevalla lankavastuksella.
Nyt laitan lamput tilaukseen 12v 0.1A ja kun ne ovat paikalla jatketaan vian rajoitusta. Virtalahteen suodatuselkot on uusittu kuten myös kuvassa oleva 22nF C4 pikikonka. Siinä oli alle 3MOhm. eristysresistanssi.
Risukasakuvan sain Baltikilta ja on edelleen veret seistauttava kokemus kun sitä alkaa katselemaan. Kaikkea Philippos onkin keksinyt.
Jos joku keksii onko jotain komponenttia millä tuon NTC:n voisi korvata otetaan tieto kiitollisuudella vastaan. Åken ideoima on yksi hyvä vaihtoehto, tutkin sitäkin.
pentti
Pentti Lamminen
IP kirjattu
IlpoJaakko
God Member
Poissa
SRHS
Viestejä: 868
Re: Philips Philetta Allstrom B2D01U
Vastaus #10 -
24.09.2013 klo 14:28:25
Tulosta viesti
plamminen kirjoitti
24.09.2013 klo 14:08:11:
Jos joku keksii onko jotain komponenttia millä tuon NTC:n voisi korvata otetaan tieto kiitollisuudella vastaan. Åken ideoima on yksi hyvä vaihtoehto, tutkin sitäkin.
pentti
Ainakin tasavirralla on helppo saada vakiovirta fetillä.
tähän hätään en parempaa löytänyt:
http://www2.eng.cam.ac.uk/~dmh/ptialcd/csink/csink.htm
Suuremmalle virralle vähän tukevampi fetti
IlpoJaakko
IP kirjattu
plamminen
God Member
Poissa
SRHS: 610
Viestejä: 1642
Sijainti: Loviisa
Re: Philips Philetta Allstrom B2D01U
Vastaus #11 -
24.09.2013 klo 19:46:06
Tulosta viesti
Vastoin ohjeita korvasin tuon vastuksen 200R+29R 4W vastuksilla. Radio toimii, on herkkä mutta pieni 50Hz hurina kuuluu koko ajan.
Ei häviä vaikka kytkee grammari sisäänmenon käyttöön eli tulee pääteasteesta tai virransyötöstä. Hurina ei ole kova ja saattaa olla yleisvirtavastaanottimen ominaisuus. Aiemmin toisessa ketjussa hurina oli saatu poistettua lisäämällä verkkojohtoon häiriösuodatin.
Ajatuksia hurinan lähteestä otan vsataan.
pentti
Pentti Lamminen
IP kirjattu
HeikT
God Member
Poissa
SRHS 782
Viestejä: 776
Sijainti: Lohja
Re: Philips Philetta Allstrom B2D01U
Vastaus #12 -
24.09.2013 klo 20:02:43
Tulosta viesti
Oletko vaihtanut UY 85 perässä olevan anodijännitteen elektrolyyttikonkan ? Kuivahtanut lyytti voisi aiheuttaa tuollaista
IP kirjattu
plamminen
God Member
Poissa
SRHS: 610
Viestejä: 1642
Sijainti: Loviisa
Re: Philips Philetta Allstrom B2D01U
Vastaus #13 -
25.09.2013 klo 07:59:44
Tulosta viesti
Vaihdoin tuon kaksoislyytin 50uF/100uF. Ihan samanlasita ei ollut joten tilalla on 47uF/80uF. Voihan olla että 80uF on juuri sen verran pieni että hurina johtuu siitä Koetanpa laittaa rinnalla vaikkapa 25uF lyytin.
pentti
Pentti Lamminen
IP kirjattu
Timo Haveri
God Member
Poissa
Viestejä: 2962
Sijainti: Parkano
Re: Philips Philetta Allstrom B2D01U
Vastaus #14 -
25.09.2013 klo 13:21:17
Tulosta viesti
Ei 20 uF:n lisäys enää varmaankaan kauheasti auta mutta toki se oman osansa tekee. Toiseksi suotokonkaksi voisi laittaa vaikka isommankin kuin 100 uF, jos sen vaan saa jonnekin mahtumaan. Näissä Philipsin koneissa on se verran vähän tilaa, että uudet konkat täytyy laittaa vanhan elkon kuoriin jos haluaa ulkonäön pysyvän samana. Yleisvirtakoneita on sen verran tullut korjattua, että olen hyväksynyt sen tosiasian, että ne hurisevat aina enemmän kuin "normaali" putkiradio johtuen puoliaaltotasauuntauksesta. Elkojen pitäisi olla isompia, jotta ne kompensoisivat tämän. Osa hurinasta tulee liian tiukkaan pakatusta johdotuksesta jolloin verkkojännitteisistä osista säteilee häiriöt yms. eteenpäin. 50-luvulla tämä ei ollut ongelma. Ferriitti verkkojohdossa auttanee vaikka en ole sitä vielä ehtinytkään itse kokeilla.
Timo
WWW
IP kirjattu
Sivu:
[1]
2
Lähetä aihe
Tulosta
‹
Edellinen aihe
|
Seuraava aihe
›
Foorumihyppy »
Koti
» 10 viimeisintä viestiä
» 10 viimeisintä aihetta
Suomen Radiohistoriallinen Seura ry - Keskustelufoorumi
Suomen Radiohistoriallinen Seura ry
Jäsenalue
Yleistä radiohistoriasta
Kotimaiset radiot, televisiot ja äänentoistolaitteet
Ulkomaiset radiot, televisiot ja äänentoistolaitteet ««
Muut radio- ja elektroniikkalaitteet
Entisöinti ja kunnostus yleisellä tasolla
Omatekoiset laitteet ja rakentelu
Sotilasradiot ja Perinneradiot
Yleinen keskustelualue
Niitä Näitä
Haku päällä
« Koti
‹ Alue
SRHS Forum
» Powered by
YaBB 2.6.12
!
YaBB Forum Software
© 2000-2026. Kaikki oikeudet pidätetään.