Valitse kieli:
English
Suomi
Tervetuloa, Vieras. Ole hyvä ja
kirjaudu
tai
Rekisteröidy
Koti
Ohjeita
Haku
Kirjaudu
Rekisteröidy
Liity SRHS:n jäseneksi
SRHS Forum
›
Suomen Radiohistoriallinen Seura ry - Keskustelufoorumi
›
Kotimaiset radiot, televisiot ja äänentoistolaitteet
› Luxor Symfoni 4095W remontissa
‹
Edellinen aihe
|
Seuraava aihe
›
Sivu:
1
[2]
3
Lähetä aihe
Tulosta
Luxor Symfoni 4095W remontissa (Luettu 27421 kertaa)
VjpA
God Member
Poissa
SRHS
Viestejä: 2679
Sijainti: Vantaa
Re: Luxor Symfoni 4095W remontissa
Vastaus #15 -
16.03.2014 klo 20:55:38
Tulosta viesti
Vielä viimeinen päivitys tähän ketjuun; uusin tiivistenauhan kotelon ja asteikkolasin väliin kun vanha "ikkunatiiviste" oli jo kelvotonta tavaraa. Ohlsonilta löyty P-mallista ruskeaa tiivistenauhaa ja kun kokeilin sen joustavuutta, se litistyi n. 1 mm paksuiseksi - lattamallinen oli loppunut.
Kuva vanhasta ja uudesta nauhasta.
Nyt on radio pääsemässä hyvään kotiin verstasradioksi ja seillä ollut Gerufon 58W siirtyi olohuoneeseen.
Tiiviste0388.JPG
( 247 KB | 248 latausta )
t. // Jukka
IP kirjattu
Kalle oh8cjg
YaBB Newbies
Poissa
SRHS 994
Viestejä: 32
Re: Luxor Symfoni 4095W remontissa
Vastaus #16 -
03.05.2020 klo 21:44:14
Tulosta viesti
Teen parhaillaan samaa remonttia tältä pohjalta omaan Luxoriini. Odottelen huomenna postista vielä tasasuuntaussiltaa viallisen seleenin tilalle, kannukondensaattori meni myös vaihtoon. Mahtaako keneltäkään löytyä kytkinkaavaa tälle koneelle
IP kirjattu
Kalle oh8cjg
YaBB Newbies
Poissa
SRHS 994
Viestejä: 32
Re: Luxor Symfoni 4095W remontissa
Vastaus #17 -
06.05.2020 klo 13:44:42
Tulosta viesti
Olen tehnyt korjauksen näiden ohjeiden mukaan ja radio toimii nyt hienosti.Kiitokset hyvistä ohjeista. Vielä on vaihtamatta yksi konkka joka on basso potikan takana (kuva), siinä on toisessa päässä 2 lankaa miten sen vaihdan? Korvataanko se kahdella kondensaattorilla vai otetaanko tuosta kahdenlangan päästä liitäntä molempiin pisteisiin?
potikankonkka.jpg
( 362 KB | 228 latausta )
IP kirjattu
VjpA
God Member
Poissa
SRHS
Viestejä: 2679
Sijainti: Vantaa
Re: Luxor Symfoni 4095W remontissa
Vastaus #18 -
06.05.2020 klo 18:54:05
Tulosta viesti
Tuossa #3 viestin kuvassa (uudet osat) näet miten mä sen kytki, eli tavallinen konkka ja maakytkentä unohdettu.
Noissa vanhoissa konkissa on kierrettu konkan ympärille (uloin kerros) vielä foliota ja vahapaperia sekä siitä kytkentälanka maihin, näin voit tehdä jos haluat foliota ja lanka kerrosten väliin, kutistesukkaa päälle. Noita oli vielä joku aika sitten myynissä (missä??).
Kuva
t. // Jukka
IP kirjattu
Kalle oh8cjg
YaBB Newbies
Poissa
SRHS 994
Viestejä: 32
Re: Luxor Symfoni 4095W remontissa
Vastaus #19 -
07.05.2020 klo 16:54:47
Tulosta viesti
OK Kiitos. En ollut vaan varma kun kuvassa se spiraali peittää vähän aluetta ja ajattelin että se maa on jossain
IP kirjattu
VjpA
God Member
Poissa
SRHS
Viestejä: 2679
Sijainti: Vantaa
Re: Luxor Symfoni 4095W remontissa
Vastaus #20 -
07.05.2020 klo 17:03:46
Tulosta viesti
Mä en toteuttanut, mutta sinä voisit kokeilla rakentaa 0,4 mm messinkipellista suojakopan ULA-kortin ympärille (löytyy harasteliikkeistä), jos sillä saisi ulan ryömintää rajattua. Huomio jäähdytys eli koloja saa olla.
t. // Jukka
IP kirjattu
OH2DD
God Member
Poissa
Dimi
Viestejä: 750
Re: Luxor Symfoni 4095W remontissa
Vastaus #21 -
07.05.2020 klo 19:55:23
Tulosta viesti
Onko tietoa mikä tuon ryömimisen tässä aiheuttaa? Itselläni on Geloso 207CR, joka on tunnettu, suorastaan kuuluisa ryömimisestään ja sen ovat useampi harrastaja diagnosoinut lämpenemisen aiheuttamaksi - etenkin muuntajan lämpeneminen kuulemma aiheuttaa ryömimistä ja jotkut ovat jopa siirtäneet virtalähteen radion ulkopuolelle, joka olisi vähentänyt ryömimistä. No omaa kokemusta ei sen korjautumisesta ole, ryömiminen on kyllä havaittu ja vahvistettu paikkansa pitäväksi
Dimi
www.oh2dd.fi
WWW
IP kirjattu
haukka
Full Member
Poissa
Viestejä: 138
Re: Luxor Symfoni 4095W remontissa
Vastaus #22 -
07.05.2020 klo 21:24:01
Tulosta viesti
Noita suojalla varustettuja kondensaattoreita on atr-shop.de luettelossa siellä on muutakin erikoista,Saba näppäinlamppuja ym.
IP kirjattu
OH2EO
God Member
Poissa
SRHS
Viestejä: 1120
Re: Luxor Symfoni 4095W remontissa
Vastaus #23 -
08.05.2020 klo 09:49:06
Tulosta viesti
OH2DD kirjoitti
07.05.2020 klo 19:55:23:
Onko tietoa mikä tuon ryömimisen tässä aiheuttaa? Itselläni on Geloso 207CR, joka on tunnettu, suorastaan kuuluisa ryömimisestään ja sen ovat useampi harrastaja diagnosoinut lämpenemisen aiheuttamaksi - etenkin muuntajan lämpeneminen kuulemma aiheuttaa ryömimistä ja jotkut ovat jopa siirtäneet virtalähteen radion ulkopuolelle, joka olisi vähentänyt ryömimistä. No omaa kokemusta ei sen korjautumisesta ole, ryömiminen on kyllä havaittu ja vahvistettu paikkansa pitäväksi
Lämpeneminenhän sen välillisesti aiheuttaa. Perussyy on virityspiirin komponenttiarvojen muuttuminen lämpenemisen johdosta. Esimerkiksi metalleilla on on positiivinen lämpötilakerroin eli metallit laajenevat lämmetessään. Tästä johtuen kelojen induktanssi kasvaa. Tätä voi yrittää kompensoida käyttämällä virityspiirissä mukana sopivaa negatiivisen lämpötilakertoimen omaavaa kondensaattoria. Toinen keino on tietysti pyrkiä rajoittamaan kriittisten komponenttien lämpenemistä.
IP kirjattu
kkv
God Member
Poissa
SRSH
Viestejä: 1195
Re: Luxor Symfoni 4095W remontissa
Vastaus #24 -
08.05.2020 klo 12:30:25
Tulosta viesti
Åke Nyholm on kirjoittanut tästä radiomallista ja sen korjauksesta Radiot-lehdessä 1/2013. Hän käsittelee myös lyhyesti ula-osan lämpöryömimistä.
Käsittääkseni kyseessä on tämän radion tyyppivika. Arvelen ongelman perussyyksi liian ahdasta koteloa, jossa tuuletus toimii huonosti. Sama ongelma esiintyy muissakin tuon ajan "kirjahyllyyn sopivissa" putkiradiomalleissa.
Helvar Oy esimerkiksi ratkaisi ongelman vaihtamalla ula-esiasteet transistoroiduksi, Helvar Print 2000 -> Helvar Print 3000.
Kauko Viitanen
IP kirjattu
VjpA
God Member
Poissa
SRHS
Viestejä: 2679
Sijainti: Vantaa
Re: Luxor Symfoni 4095W remontissa
Vastaus #25 -
08.05.2020 klo 16:44:35
Tulosta viesti
Tässä mallissa on ula-etupään konkissa mm. lämpöarvojen kanssa nuo ongelmat, mutta uusien konkkien löytäminen ja radion viritys on mun kohdalla suurin kompasruskivi.
t. // Jukka
IP kirjattu
akenyh
God Member
Poissa
SRHS 257
Viestejä: 1155
Sijainti: Halikko (Salo)
Re: Luxor Symfoni 4095W remontissa
Vastaus #26 -
08.05.2020 klo 19:09:18
Tulosta viesti
Luxor 4095W Ulan taajuusryömintä.
Näin jälkiviisaana on tietenkin helppo esittää kritiikkiä mutta oman kokemukseni mukaan radion ula st-osan suunnittelussa sekä kotelon sisälämmön poisohjauksessa ei ole erityisen hyvin onnistuttu. Tehdastuoreen radion ulan kylmäkäynnistystä seuraavan taajuuspoikkeaman suuruudesta ei ole tietoa. Kytkentäkaavioon on kuitenkin kirjoitettu ohje niistä ulan oskillaattoripiirien kondensaattoreista, joiden lämpökertoimia (∆C/1Coppm) on kesken sarjan muutettu. Samoin on joidenkin 10.7MHz suodatinpiirien leveyttä lisätty vaimennusvastuksilla, joten ongelmia on ollut. Ohjeistetut lämpökertoimet ovat lisäksi harvoin käytettyjä.
Kunnostin 4095W radion kolmisen vuotta sitten, ja ulan ryömintä jäin mieleen. Kaksi vuotta sitten yritin tosimielellä ja runsaasti aikaa käyttäen hakea ratkaisua parempaan käynnistystilanteen jälkeiseen taajuusvakavuuteen. Jonkin verran sain parannusta syntymään mutta esim. Telefunkenin Ulapurkkiin verrattuna ei tulos ollut hyvä.
Ula st-osa sijoitettu suojaamattoman suoraan printtimoduulille. Oskillaattorin taajuuteen vaikuttavat komponentit ovat lähellä lämmittävää ECC85-putkea. Lämpöä tulee säteilynä putkesta. Samoin itse printti, jonka päällä komponentit ovat, lämpiää. Äänipäätemuuntaja Ulaprintin alapuolella lisälämmittäjänä. Muutenkin pieni kotelotilavuus ja lämmönohjaus matalassa kotelossa on puuteellinen.
Kokeilin komponenttimuutoksia, niiden paikan siirtoa, suojapeltiä, äänipäätemuuntajan siirtoa toiseen paikaan, putken jännitemuutoksia joitakin mainitakseni. Kondensaattorin osalta oli hankalaa, ettei nykyään ainakaan helposti ole saatavissa perinteellisiä keraamisia eri lämpökeroimen omaavia malleja. Käytössäni oli NP0, N150 ja N750, näitä hyödyntäen yhdistämällä kaksi ”osa”-kondensaattoria sai uuden lämpökertoimellisen. Harrastustutulta sain toisen alkuperäisen ulamoduulin mutta se käyttäytyi kuten radiossa ollut. Käyttöjännitteet pudotin alkuperäistä 220V verkkojännitettä vastaavaksi verkkomuuntajan ensiöön lisätyllä sarjavastuksella.
Alkutilanteeseen nähden jonkin verran parannusta kokeilujen perusteella syntyi. Liitteenä on kuvaaja, miten taajuus tietyllä kohdalla vaelsi käynnistyksen jälkeen ajan ja sisälämpötilan funktiona. Lämpötila alussa on hieman alle normaalin huoneenlämmön ja mittausanturi on suljetussa kotelossa lähellä oskillaattoripiirejä. Kärsivällisyyteni loppui kuitenkin tähän pisteeseen.
Yksi oleellinen muutostekijä riippuu siitä, miten taajuuteen vaikuttavien komponenttien keskeinen lämpötila muuttuu, joten osien sijoittelulla on myös merkitystä.
Oletan ,että tässä mallissa ehkä Iskumetallilla on osuutta suunnitteluun. Samalla kotelolla on myös toinen Motalan tehtaan malli 4395W, jossa on mm. vuorovaihe äänipääteaste. Lisäsi radiot suunniteltiin aikana, jolloin ulalähettimiä oli kuuntavissa vain muutama ja nekin taajuudeltaan kaukana toisistaan. Nykyään lähettimiä on runsaasti ja osatajudeltaan lähellä toista. Lisäksi etenkin kaupalliset asemat käyttävät usein täyttä deviaatiota kuultelualueen laajentamiseksi. Näin ollen vastaanottimen ryömintä synnyttää häiriön toisesta lähettimestä. Tämän totesin 4095W kanssa kamppaillessani.
Terv. Åke
Luxor_Symfoni-4095__FM-osk4pdf_sml.jpg
( 335 KB | 226 latausta )
4095W_UlaPrintti-pddltdMod-sml.JPG
( 242 KB | 222 latausta )
IP kirjattu
ForsJu
YaBB Newbies
Poissa
Viestejä: 20
Re: Luxor Symfoni 4095W remontissa
Vastaus #27 -
08.11.2022 klo 21:15:09
Tulosta viesti
Löytyi hienokuntoinen Luxor Symfoni 4095 ja nyt pitäisi alkaa kunnostamaan sitä. Kokeilin sitä, virrat tulee muuten mykkä.
Luin foorumilta muiden kirjoituksia radion kunnostuksesta mutta olisin kiitollinen, jos joltankin löytyisi radioon kytketäkaavio niin olisi mukavampi aloittaa kunnostus
Juhani Forsman
Tampere
IMG_3951_JPEG_1.JPEG
( 220 KB | 112 latausta )
IP kirjattu
VjpA
God Member
Poissa
SRHS
Viestejä: 2679
Sijainti: Vantaa
Re: Luxor Symfoni 4095W remontissa
Vastaus #28 -
10.11.2022 klo 16:50:39
Tulosta viesti
Hyvännäköinen kotelo, taitaa olla juuri lakattu?
Vaikka sulla ei kaaviota ole, voit tehdä jännitemittauksia viestiketjun alkupäässä olevien kuvien perusteella ja kokeilla toimiiko audiovahvistin levysoitinliitännä kautta, loistaako hehkut.
Jos ajattelit tehdä tuosta käyttöradiota, niin konkkaremppaa on tiedossa.
Audiovahvistimen (äänitaajus~) piiroksessa on jännitteet merkattu ja komponentit turretlevyllä.
Radiossa on seleenitasuri ja se voi olla sökö.
t. // Jukka
IP kirjattu
LGL.
God Member
Poissa
Viestejä: 1352
Re: Luxor Symfoni 4095W remontissa
Vastaus #29 -
12.11.2022 klo 10:56:05
Tulosta viesti
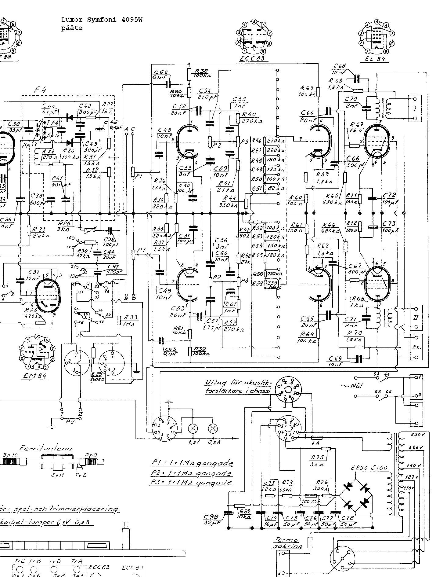
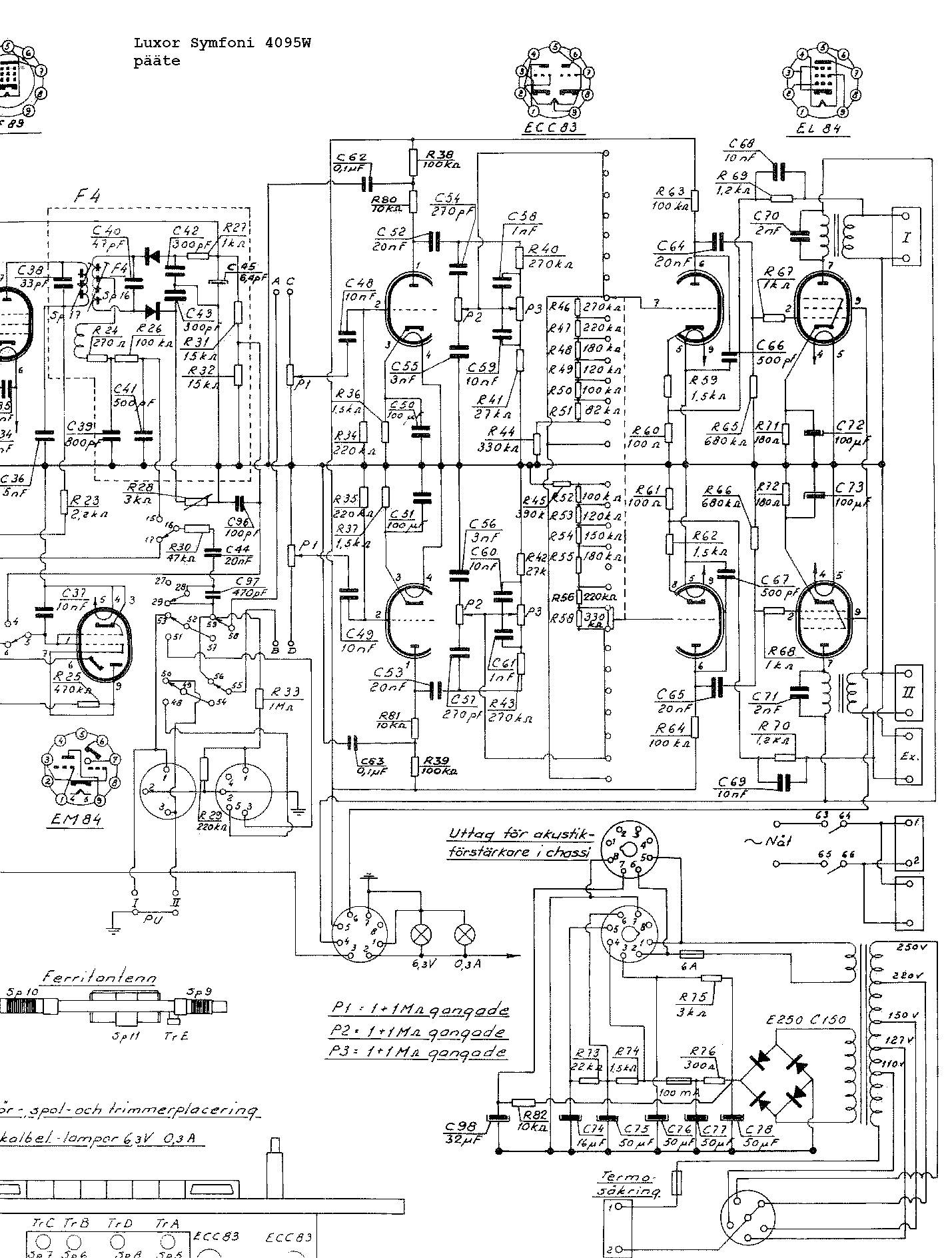
Tuossa kaivattiin Luxor Symfoni 4095W:n kaavio ja näyttää siltä että Iskumetallin versio on mono-päätteellä, kun taas ruotsin versio (Luxor Symfoni 4095W) on stereona. Putkitus on samanlainen mutta päätteessä on lisätty yksi ECC83 ja yksi EL84 . Ei vaan löydy ruotsalaista vastaava monona. Suomalainen Luxor Royal 4296 on samanlainen kuin ruotsalainen Symfoni 4095.
LGL
Luxor_Symfoni_4095_Stere.jpg
( 448 KB | 151 latausta )
IP kirjattu
Sivu:
1
[2]
3
Lähetä aihe
Tulosta
‹
Edellinen aihe
|
Seuraava aihe
›
Foorumihyppy »
Koti
» 10 viimeisintä viestiä
» 10 viimeisintä aihetta
Suomen Radiohistoriallinen Seura ry - Keskustelufoorumi
Suomen Radiohistoriallinen Seura ry
Jäsenalue
Yleistä radiohistoriasta
Kotimaiset radiot, televisiot ja äänentoistolaitteet ««
Ulkomaiset radiot, televisiot ja äänentoistolaitteet
Muut radio- ja elektroniikkalaitteet
Entisöinti ja kunnostus yleisellä tasolla
Omatekoiset laitteet ja rakentelu
Sotilasradiot ja Perinneradiot
Yleinen keskustelualue
Niitä Näitä
Haku päällä
« Koti
‹ Alue
SRHS Forum
» Powered by
YaBB 2.6.12
!
YaBB Forum Software
© 2000-2026. Kaikki oikeudet pidätetään.