Valitse kieli:
English
Suomi
Tervetuloa, Vieras. Ole hyvä ja
kirjaudu
tai
Rekisteröidy
Koti
Ohjeita
Haku
Kirjaudu
Rekisteröidy
Liity SRHS:n jäseneksi
SRHS Forum
›
Suomen Radiohistoriallinen Seura ry - Keskustelufoorumi
›
Muut radio- ja elektroniikkalaitteet
› Euratele 412
‹
Edellinen aihe
|
Seuraava aihe
›
Sivu: 1
Lähetä aihe
Tulosta
Euratele 412 (Luettu 2996 kertaa)
putkis
Senior Member
Poissa
OH5EAB
Viestejä: 413
Sijainti: Lappeenranta
Euratele 412
10.02.2013 klo 21:23:18
Tulosta viesti
Minulla on euratele abgeichsender typ 412 olen käyttänyt sitä mutta pistotulppa on ollut aina toisin päin kun nyt kun se räjähti.
Siihen oli tehty verkkolaiteeseen sellainen kytkentä , että kun pistotulppa on määrätyssä asenossa se räjähtää. Siitä meni muuntaja - tasasuuntaja -muita pikkuhilkuja ja putkesta oli hävinyt kaikki emisiot. Ihmettelen kuka talaisia pomeja rakentaa.
RMorgissa on kyllä kyseinen laite mutta en tiiä onko kytkentäkaavaa en kyllä saisi vaikka olisikin kun en ole jäsen.
Kytkentäkaava olisi hyvä olla kun korjaan laiteen mutta mistä sen saa.
Olisi hyvä tietää paljonko siinä on anodi jännite.
putkis
IP kirjattu
plamminen
God Member
Poissa
SRHS: 610
Viestejä: 1642
Sijainti: Loviisa
Re: Euratele 412
Vastaus #1 -
11.02.2013 klo 07:23:20
Tulosta viesti
Tuntuupa hurjalta. Oliko Sinulla tutkittava laite suojaeristys muuntajan takana? Jos korjattava laite on yleisvirta vekotin (radio, tv) niin näinkin siinä saattaa käydä.
edit: luin tarkemmin ja oliko niin että laitteeseen olisi joku piruuttaan laittanut kytkennän joka "räjähtää" jos schukon pistää väärinpäin. On tosi järjetöntä. On ollut aika onnea jos aina tähän saakka on tullut kytkettyä vahongossa oikein päin.
pentti
«
Viimeksi muokattu: 11.02.2013 klo 10:24:27 Kirjoittaja plamminen
»
Pentti Lamminen
IP kirjattu
putkis
Senior Member
Poissa
OH5EAB
Viestejä: 413
Sijainti: Lappeenranta
Re: Euratele 412
Vastaus #2 -
11.02.2013 klo 10:27:15
Tulosta viesti
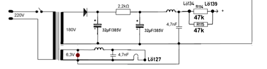
Liiteenä kuva miten verkkolaite oli kytketty. Keksiikö joku tälle selitystä.
Tuli vähän iso mutta tulostamalla saa paremmin selvän.
putkis
VERKOLAITE.pdf
( 139 KB | 0 latausta )
IP kirjattu
plamminen
God Member
Poissa
SRHS: 610
Viestejä: 1642
Sijainti: Loviisa
Re: Euratele 412
Vastaus #3 -
11.02.2013 klo 10:31:25
Tulosta viesti
Ei tuota vahingossa tee. Ihan tappava kytkentä. Ohessa powerin kaavio.
edit: AUTS , Siis kondensaattori suoraan ensiön väliulosotossa?
pentti
«
Viimeksi muokattu: 11.02.2013 klo 12:02:07 Kirjoittaja plamminen
»
euratele.jpg
( 25 KB | 0 latausta )
Pentti Lamminen
IP kirjattu
Sivu: 1
Lähetä aihe
Tulosta
‹
Edellinen aihe
|
Seuraava aihe
›
Foorumihyppy »
Koti
» 10 viimeisintä viestiä
» 10 viimeisintä aihetta
Suomen Radiohistoriallinen Seura ry - Keskustelufoorumi
Suomen Radiohistoriallinen Seura ry
Jäsenalue
Yleistä radiohistoriasta
Kotimaiset radiot, televisiot ja äänentoistolaitteet
Ulkomaiset radiot, televisiot ja äänentoistolaitteet
Muut radio- ja elektroniikkalaitteet ««
Entisöinti ja kunnostus yleisellä tasolla
Omatekoiset laitteet ja rakentelu
Sotilasradiot ja Perinneradiot
Yleinen keskustelualue
Niitä Näitä
Haku päällä
« Koti
‹ Alue
SRHS Forum
» Powered by
YaBB 2.6.12
!
YaBB Forum Software
© 2000-2026. Kaikki oikeudet pidätetään.