Valitse kieli:
English
Suomi
Tervetuloa, Vieras. Ole hyvä ja
kirjaudu
tai
Rekisteröidy
Koti
Ohjeita
Haku
Kirjaudu
Rekisteröidy
Liity SRHS:n jäseneksi
SRHS Forum
›
Suomen Radiohistoriallinen Seura ry - Keskustelufoorumi
›
Kotimaiset radiot, televisiot ja äänentoistolaitteet
› Philips BSF320A
‹
Edellinen aihe
|
Seuraava aihe
›
Sivu: 1
Lähetä aihe
Tulosta
Philips BSF320A (Luettu 5533 kertaa)
Vekku
Full Member
Poissa
SRHS
Viestejä: 221
Sijainti: Luumäki
Philips BSF320A
28.12.2012 klo 09:45:36
Tulosta viesti
Jäteasemalöytöjen joukossa oli varsin hyväkuntoinen otsikon radio. Otin siitä koneiston irti ja rohkaisin mieleni kinkunpaiston jälkeen ja pesin koko komeuden. Mittarin kera useammaksi tunniksi uuniin jälkilämpöön. Hyvä tuli eikä toimintakaan heikentynyt.
Täältä löytyy kytkis ja tekniset tiedot (BX320A)
http://www.philipsradios.nl/
Teknisten tietojen mukaan radiossa on kolme aaltoaluetta. 5€ maksaneen signaaligeneraattorin mukaan ne on suht kohdallaan. Vaan tässä Suomi-mallissa aluekytkin on neliasentoinen. Neljäs alue on levitetty n. 9-10Mhz. Tuli mieleen joku ULA-lisälaitteen välitaajuus, mutta ei kai voi olla tuon ikäluokan radiossa.
Laitteen sisältä kyllä löytyi Philips 7768-12 Ulapurkki mutta sehän kytketään levysoitinliitäntään. Toimivuutta en vielä kokeillut. Asennus oli varsin tökerö.
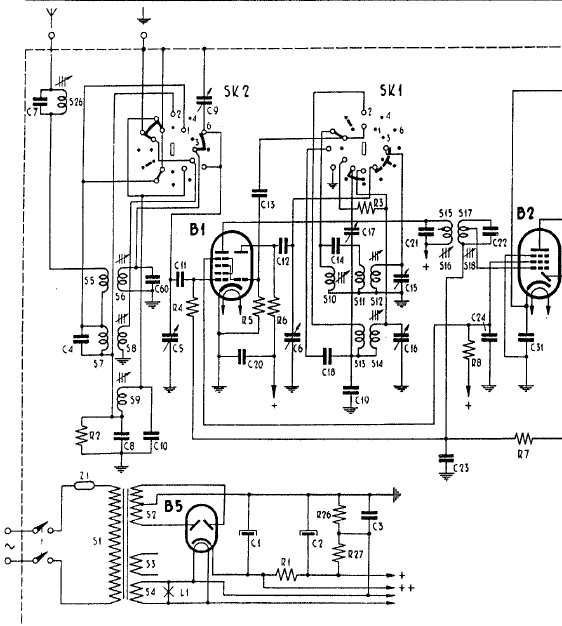
Liitän tähän osan kytkentäkaaviosta. Siinä näkyy aluekytkimet. Tyhmä kysymys:Moniasentoinen tuo kytkin on ja missä asennossa kuvassa?
Koko_ndytcn_kaappaus_28_12_2012_84130_bmp.jpg
( 118 KB | 0 latausta )
IP kirjattu
LGL
God Member
Poissa
SRSH
Viestejä: 575
Re: Philips BSF320A
Vastaus #1 -
28.12.2012 klo 15:58:36
Tulosta viesti
Philipsien aluekytkimistä ei piruakaan ota selvää, mutta tässä sinun kaaviosta voidaan päätellä että kytkin on HF-asennossa, elikkä kytketty LA-aluelle.
LGL
IP kirjattu
LGL
God Member
Poissa
SRSH
Viestejä: 575
Re: Philips BSF320A
Vastaus #2 -
29.12.2012 klo 17:42:46
Tulosta viesti
Kokeile BX410A:n kaavio, missä kaikki neljä aluetta. Sopii mielestäni paremmin tähän BSF320A:n rakenteeseen. Minulla on BSF430A jossa myös neljä bandia plus viritysputki EM34.
LGL
IP kirjattu
Vekku
Full Member
Poissa
SRHS
Viestejä: 221
Sijainti: Luumäki
Re: Philips BSF320A
Vastaus #3 -
29.12.2012 klo 22:56:28
Tulosta viesti
?? Minusta tuon BX320A kaavio ja osasijoittelukuvat natsaa kyllä hyvin tuohon BSF malliin. Ainut eroavuus on tosiaan tuo neliasentoinen bandikytkin.
Kiitos kuitenkin vinkistä. Selailin nettiä ja tulipahan lisättyä suosikeihin pari sivustoa. Tuli samalla etsittyä Fenno 202 (samassa jäteasemakasassa) mallia vastaavan Philipsin manuaali.
Ula-lisälaitetta kokeilin mutta siitä on toisen putken (EF41) hehku poikki. Pitää laittaa hankintalistalle. Pikikonkkia on myös hyvä päivittää, vaikka radio noilla vanhoillakin toimii.
Radio on kopaltaan niin hyväkuntoinen ja söpö että taidan rakennella sen ulapurkin sinne kunnolla kiinni, ja jos intoa riittää niin virityskin naamataulun nupista. Ahdasta kyllä tulee.
IP kirjattu
Vekku
Full Member
Poissa
SRHS
Viestejä: 221
Sijainti: Luumäki
Kantsis vähän enemmin tutkia itsekkin
Vastaus #4 -
30.12.2012 klo 13:01:20
Tulosta viesti
Rupesin tuota koteloa ja asteikkomekanismia ym putsaamaan ja siinä vaiheessa huomasin että asteikollahan on merkittynä aluelevitys 25-31m. Eli yht. neljä aluetta. Googlen kuvahaulla löytyneissä radioissa on asteikolla kolme aluetta.
Timon radiosivuilla oleva malli on samanlainen kuin minulla.
http://www.timonradiosivut.fi/Philips_320A_2.html
Eli tämä suomimallihan on ollut varsinainen DeLuxe-malli.
IP kirjattu
LGL
God Member
Poissa
SRSH
Viestejä: 575
Re: Philips BSF320A
Vastaus #5 -
30.12.2012 klo 13:58:21
Tulosta viesti
Tässä Philips BSF430A:n kuva lasista. Luulenpa että BSF320 ja BSF430 ovat melko samanlaista tekoa, erona on että BFS430:ssä on viritysputki EM34.
Kun korjasin omani 430, käytin BX410z:n kaavion ja oli melkein täysin yhteensopiva, bandeineen, mutta siitä on jo monta vuotta
LGL
Philips430A_dialglass.jpg
( 170 KB | 0 latausta )
IP kirjattu
Vekku
Full Member
Poissa
SRHS
Viestejä: 221
Sijainti: Luumäki
Re: Philips BSF320A
Vastaus #6 -
09.01.2013 klo 10:24:14
Tulosta viesti
Vekku kirjoitti
29.12.2012 klo 22:56:28:
Radio on kopaltaan niin hyväkuntoinen ja söpö että taidan rakennella sen ulapurkin sinne kunnolla kiinni, ja jos intoa riittää niin virityskin naamataulun nupista. Ahdasta kyllä tulee.
Sain ulalisälaitteenkin mahtumaan sinne vähän siistimmin, ja viritys toimii nyt varsinaisesta viritysnupista.
Äänenlaatu ei tosin korvia hivele. Herkkyyttä tuntuu olevan riittävästi mutta ääni on säröinen.
Miten tuollainen ulalisälaite toimii? Kytkentäkaavio ja pari kuvaa asennuksesta liitteenä
201110151234194e9961ab671da.jpg
( 89 KB | 0 latausta )
2013-01-07_23_34_14.jpg
( 240 KB | 0 latausta )
IP kirjattu
Vekku
Full Member
Poissa
SRHS
Viestejä: 221
Sijainti: Luumäki
Re: Philips BSF320A
Vastaus #7 -
09.01.2013 klo 10:29:32
Tulosta viesti
Vaijerimuutos.
2013-01-07_23_19_46.jpg
( 214 KB | 0 latausta )
IP kirjattu
Sivu: 1
Lähetä aihe
Tulosta
‹
Edellinen aihe
|
Seuraava aihe
›
Foorumihyppy »
Koti
» 10 viimeisintä viestiä
» 10 viimeisintä aihetta
Suomen Radiohistoriallinen Seura ry - Keskustelufoorumi
Suomen Radiohistoriallinen Seura ry
Jäsenalue
Yleistä radiohistoriasta
Kotimaiset radiot, televisiot ja äänentoistolaitteet ««
Ulkomaiset radiot, televisiot ja äänentoistolaitteet
Muut radio- ja elektroniikkalaitteet
Entisöinti ja kunnostus yleisellä tasolla
Omatekoiset laitteet ja rakentelu
Sotilasradiot ja Perinneradiot
Yleinen keskustelualue
Niitä Näitä
Haku päällä
« Koti
‹ Alue
SRHS Forum
» Powered by
YaBB 2.6.12
!
YaBB Forum Software
© 2000-2026. Kaikki oikeudet pidätetään.