Valitse kieli:
English
Suomi
Tervetuloa, Vieras. Ole hyvä ja
kirjaudu
tai
Rekisteröidy
Koti
Ohjeita
Haku
Kirjaudu
Rekisteröidy
Liity SRHS:n jäseneksi
SRHS Forum
›
Suomen Radiohistoriallinen Seura ry - Keskustelufoorumi
›
Entisöinti ja kunnostus yleisellä tasolla
› Kerho Radio
‹
Edellinen aihe
|
Seuraava aihe
›
Sivu: 1
Lähetä aihe
Tulosta
Kerho Radio (Luettu 2899 kertaa)
Jesse N
Senior Member
Poissa
SRHS
Viestejä: 374
Sijainti: Valkeakoski
Kerho Radio
25.12.2012 klo 22:54:15
Tulosta viesti
Tuli kesällä tällänen radio kokoelmiini Putket:EF9 EK2 AZ1 (EBF 21?)
Kerho_Edestd.png
( 117 KB | 0 latausta )
Radioiden keräilijä ja kunnostaja.
IP kirjattu
Jesse N
Senior Member
Poissa
SRHS
Viestejä: 374
Sijainti: Valkeakoski
Re: Kerho Radio
Vastaus #1 -
25.12.2012 klo 22:58:41
Tulosta viesti
Lisää kuvia
Kerho_Radio_5.jpg
( 192 KB | 0 latausta )
Radioiden keräilijä ja kunnostaja.
IP kirjattu
Jesse N
Senior Member
Poissa
SRHS
Viestejä: 374
Sijainti: Valkeakoski
Re: Kerho Radio
Vastaus #2 -
25.12.2012 klo 23:01:44
Tulosta viesti
Tämän sitten aattelin laittaa soimaan laite on pelastettu tulipalosta joskus ja tuntuu että olisi helvari tämä laite
Kerho_Radio_12.jpg
( 89 KB | 0 latausta )
Radioiden keräilijä ja kunnostaja.
IP kirjattu
balticsuper
God Member
Poissa
Viestejä: 888
Sijainti: Tampere
Re: Kerho Radio
Vastaus #3 -
26.12.2012 klo 00:59:24
Tulosta viesti
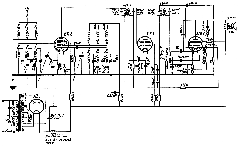
Eiköhän tuo Helvarin tekosia ole, takalevyssä on 460 V mutta ei täsmää
Helvarin 460 V mallin kanssa, ainoa minulla oleva kaavio on 469 W
jossa on samoja putkia.
469_W___EK2__EF9__EBL1__AZ1___drw_nro_6132_.gif
( 41 KB | 0 latausta )
IP kirjattu
Sivu: 1
Lähetä aihe
Tulosta
‹
Edellinen aihe
|
Seuraava aihe
›
Foorumihyppy »
Koti
» 10 viimeisintä viestiä
» 10 viimeisintä aihetta
Suomen Radiohistoriallinen Seura ry - Keskustelufoorumi
Suomen Radiohistoriallinen Seura ry
Jäsenalue
Yleistä radiohistoriasta
Kotimaiset radiot, televisiot ja äänentoistolaitteet
Ulkomaiset radiot, televisiot ja äänentoistolaitteet
Muut radio- ja elektroniikkalaitteet
Entisöinti ja kunnostus yleisellä tasolla ««
Omatekoiset laitteet ja rakentelu
Sotilasradiot ja Perinneradiot
Yleinen keskustelualue
Niitä Näitä
Haku päällä
« Koti
‹ Alue
SRHS Forum
» Powered by
YaBB 2.6.12
!
YaBB Forum Software
© 2000-2026. Kaikki oikeudet pidätetään.