Valitse kieli:
English
Suomi
Tervetuloa, Vieras. Ole hyvä ja
kirjaudu
tai
Rekisteröidy
Koti
Ohjeita
Haku
Kirjaudu
Rekisteröidy
Liity SRHS:n jäseneksi
SRHS Forum
›
Suomen Radiohistoriallinen Seura ry - Keskustelufoorumi
›
Kotimaiset radiot, televisiot ja äänentoistolaitteet
› Luxor Turist 5600 WB
‹
Edellinen aihe
|
Seuraava aihe
›
Sivu: 1
Lähetä aihe
Tulosta
Luxor Turist 5600 WB (Luettu 5124 kertaa)
vesa.k
Full Member
Poissa
SRHS
Viestejä: 170
Luxor Turist 5600 WB
06.12.2012 klo 16:31:07
Tulosta viesti
Uutena foorumin jäsenenä haluan ensin todeta että hienoa että tällaiset sivustot ovat olemassa. Itse olen työurani tehnyt elektroniikan parissa ja nyt eläkepäivinäni on aika palata harrastuksen pariin.
Kaivoin varastostani esiin vanhan putki "matkaradion", Luxor Turist 5600 WB:n.
Löytyykö teiltä tietoa ko radiosta; kaikki tieto tai linkit ovat tervetulleita. Samoin kytkentäkaaviot. Virtalähteestä näyttäisi puuttuvan joitakin komponentteja eli joku on jo aiemmin aikonut korjata laitteen.
IP kirjattu
kkv
God Member
Poissa
SRSH
Viestejä: 1195
Re: Luxor Turist 5600 WB
Vastaus #1 -
08.12.2012 klo 09:04:29
Tulosta viesti
Ohessa on esite radiosta.
Verkkolaitteesta poistettu osa on ilmeisesti hehkupiiriin kuulunut akku (tarkemmin esitteessä). Radio on myyntivuodelta 1956. Minulla on seuraavan vuoden malli 5700. Olen sitä esitellessäni käyttänyt ulkopuolista virtalähdettä, jossa on alkuperäistä paremmin reguloitu hehkujännite. Kytkentäkaaviota minulla ei valitettavasti ole.
Kauko Viitanen
Luxor_5600_WB_esite.jpg
( 210 KB | 0 latausta )
IP kirjattu
kkv
God Member
Poissa
SRSH
Viestejä: 1195
Re: Luxor Turist 5600 WB
Vastaus #2 -
08.12.2012 klo 09:07:47
Tulosta viesti
Ehkä Admin. siirtää tämän ketjun osastoon "Kotimaiset radiot", johon tämä Iskumetallin valmistamana paremmin sopii.
Kauko Viitanen
IP kirjattu
Administrator
YaBB Administrator
Poissa
Viestejä: 147
Re: Luxor Turist 5600 WB
Vastaus #3 -
08.12.2012 klo 11:17:10
Tulosta viesti
Siirretty osastolle Kotimaiset radiot.
t: Admin
The Administrator.
WWW
IP kirjattu
balticsuper
God Member
Poissa
Viestejä: 888
Sijainti: Tampere
Re: Luxor Turist 5600 WB
Vastaus #4 -
08.12.2012 klo 13:30:48
Tulosta viesti
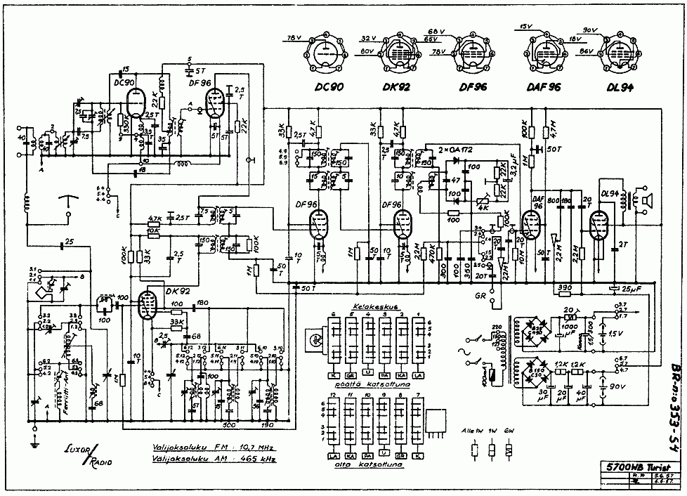
Kytkinkaavio löytyy, ilmoitatko lähetysosoitteen.
IP kirjattu
jarifinn
YaBB Newbies
Poissa
Viestejä: 2
Re: Luxor Turist 5600 WB
Vastaus #5 -
23.04.2022 klo 11:16:19
Tulosta viesti
Noi kymmenen vuotta sitten taalla oli keskustelua Luxor turist 5600 radion kytkentakaaviosta,,,,,Olisikohan mahdollista saada apuja tallaisen radion kuntoon saamisesta? Akut ja virtajohto poistettu Joten nyt on ainoastaan koneisto tallella.
kiittaen
jari roikonen
IP kirjattu
VjpA
God Member
Poissa
SRHS
Viestejä: 2679
Sijainti: Vantaa
Re: Luxor Turist 5600 WB
Vastaus #6 -
24.04.2022 klo 17:58:20
Tulosta viesti
Tässä pikkuveljen s. 1957 kuva, varmaan hyvin lähellä omaasi?
Luxor_Turist_5700_WB.png
( 100 KB | 155 latausta )
t. // Jukka
IP kirjattu
jarifinn
YaBB Newbies
Poissa
Viestejä: 2
Re: Luxor Turist 5600 WB
Vastaus #7 -
13.05.2022 klo 05:14:08
Tulosta viesti
Kiitoksia,,,,Auttoi
IP kirjattu
Sivu: 1
Lähetä aihe
Tulosta
‹
Edellinen aihe
|
Seuraava aihe
›
Foorumihyppy »
Koti
» 10 viimeisintä viestiä
» 10 viimeisintä aihetta
Suomen Radiohistoriallinen Seura ry - Keskustelufoorumi
Suomen Radiohistoriallinen Seura ry
Jäsenalue
Yleistä radiohistoriasta
Kotimaiset radiot, televisiot ja äänentoistolaitteet ««
Ulkomaiset radiot, televisiot ja äänentoistolaitteet
Muut radio- ja elektroniikkalaitteet
Entisöinti ja kunnostus yleisellä tasolla
Omatekoiset laitteet ja rakentelu
Sotilasradiot ja Perinneradiot
Yleinen keskustelualue
Niitä Näitä
Haku päällä
« Koti
‹ Alue
SRHS Forum
» Powered by
YaBB 2.6.12
!
YaBB Forum Software
© 2000-2026. Kaikki oikeudet pidätetään.