Valitse kieli:
English
Suomi
Tervetuloa, Vieras. Ole hyvä ja
kirjaudu
tai
Rekisteröidy
Koti
Ohjeita
Haku
Kirjaudu
Rekisteröidy
Liity SRHS:n jäseneksi
SRHS Forum
›
Suomen Radiohistoriallinen Seura ry - Keskustelufoorumi
›
Entisöinti ja kunnostus yleisellä tasolla
› Celeston Royal hiljeni
‹
Edellinen aihe
|
Seuraava aihe
›
Sivu: 1
Lähetä aihe
Tulosta
Celeston Royal hiljeni (Luettu 8107 kertaa)
JuPaKa
YaBB Newbies
Poissa
SRHS
Viestejä: 6
Celeston Royal hiljeni
07.06.2012 klo 12:54:37
Tulosta viesti
Ostin jonkin aikaa siten veljeltäni vanhan putkiradion. Merkki on Celeston Royal. Hain sen viime viikonloppuna ja laitoin paraatipaikalle. Kaikki toimi kuten pitikin. Ääni oli hieno ja mitään ylimääräisiä hurinoita ja häiriöitä ei ollut. Aloin siinä kokkailemaan ja samalla nautin radion äänestä, kunnes noin ½-tunnin kuluttua ääni hävisi. Ei mitään savua, poksahduksia tai muuta dramaattista. Kaikki valot palavat, mutta minkään näköistä ääntä ei tule. Otin takakannen irti ja katsoin että kaikissa putkissa on ainakin jonkinlaista hehkua. Sitten virrat pois ja putsasin kaikki putkikannat ja katsoin pohjasta konehuoneen puolelle. Kaikki on silmämääräisesti ehjän näköistä . En ainakaan huomannut että olisi mikään vastus tai muu palanut. Putket näyttivät olevan alkuperäisiä miniwatteja ja ilmeisesti konkat ja muukin ovat vielä alkuperäisiä.
Mistä tätä hyytymistä kannattaa alkaa purkamaan. Mikä on todennäköisin vika, joku putki tai muu selvä vikapaikka?
Olen rassaillut kitaran putkivahvistimia joten ihan kädetön en ole virtavehkeiden suhteen, saan ainakin mittailtua noita vastuksia jne. Toki jos joku tietää tässä Raahen lähellä tuolle korjaajaa, saa ehdottaa.
Tuollainen siis kyseessä:
http://www.radiomuseum.org/r/helvar_celeston_royal.html
IP kirjattu
Timo Haveri
God Member
Poissa
Viestejä: 2962
Sijainti: Parkano
Re: Celeston Royal hiljeni
Vastaus #1 -
07.06.2012 klo 13:57:57
Tulosta viesti
Helvar Jubilé on sama radio ja siitä löytyy juttua aiemmista keskusteluista. Nimessä on heittomerkki ja sitä kirjoitettu ilmankin sitä joten hakutoimintoon kannattaa laittaa vain "jubil" ja sitten valitse "etsi sanan osia" niin löytyy enemmän tuloksia kerralla.
Ehkä sieltä laukesi lämpösulake, joka katkaisee anodivirran? Laukeamisen syy täytyy sitten vielä selvittää mutta ehkä sillä pääsee alkuun. Kuvia lämpösulakkeesta löytyy haulla. Sulakkeen voi "resetoida", joten se ei ole välttämättä hajalla.
Radiohuoltojen yhteystietoja:
http://radiohistoria.fi/radiohuollot.htm
Timo
WWW
IP kirjattu
Jukka S.
Full Member
Poissa
Viestejä: 179
Sijainti: Helsinki
Re: Celeston Royal hiljeni
Vastaus #2 -
07.06.2012 klo 13:58:36
Tulosta viesti
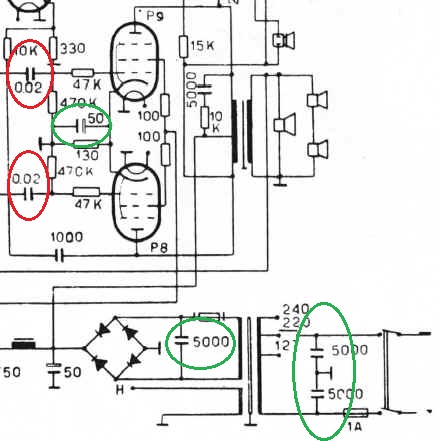
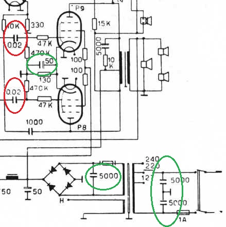
^ Kahden EL84-putken hankkiminen varaosiksi/testausta varten tai ainakin pääteputkien hilavirtaa rajoittavien kondensaattoreiden (ympyröity liitekuvassa punaisella) tarkistus/vaihto saattaisi olla tuon jälkeen eräs suhteellisen hyvä lähtökohta. Jännitteenvalitsinkin kannattaa asettaa asentoon 240V ellei se jo ole.
Lisää vinkkejä Jubilé-säikeessä - lähetä yksityisviesti mikäli on tarvetta kytkentäkaaviolle.
«
Viimeksi muokattu: 07.06.2012 klo 16:31:21 Kirjoittaja Jukka S.
»
jubile_royal_paateaste.jpg
( 54 KB | 0 latausta )
->
Helvar Jubilé-esittelyvideo
<-
IP kirjattu
JuPaKa
YaBB Newbies
Poissa
SRHS
Viestejä: 6
Re: Celeston Royal hiljeni
Vastaus #3 -
07.06.2012 klo 14:57:11
Tulosta viesti
Jukka S. kirjoitti
07.06.2012 klo 13:58:36:
Kahden EL84-putken hankkiminen varaosiksi/testausta varten ja pääteputkien hilavirran tsekkaus saattaisi olla eräs suhteellisen hyvä lähtökohta. Jännitteenvalitsinkin kannattaa asettaa asentoon 240V ellei se jo ole.
Ei ollut 240V, muutin sen luettuani noita vanhoja viestejä. Luulen vahvasti, että tuo lämpösulake siitä laukesi. Laukeamisen syyksi varmaan riittää, että jännitteenvalitsin oli 220V?
IP kirjattu
Timo Haveri
God Member
Poissa
Viestejä: 2962
Sijainti: Parkano
Re: Celeston Royal hiljeni
Vastaus #4 -
07.06.2012 klo 15:47:56
Tulosta viesti
Lainaus:
Ei ollut 240V, muutin sen luettuani noita vanhoja viestejä. Luulen vahvasti, että tuo lämpösulake siitä laukesi. Laukeamisen syyksi varmaan riittää, että jännitteenvalitsin oli 220V?
Lämpösulake on siis siinä koneiston päällä ja hyvin näkyvissä kun avaat takaseinän. Jännitteenvalitsimen oleminen 220 voltissa ei yksinään riitä vian aiheuttajaksi vaikka ei siitäkään apua ole.
Tuolla on kuva samanlaisesta lämpösulakkeesta mikä on myös Jubile / Royalissa ->
http://www.radiohistoria.fi/cgi-bin/yabb2/YaBB.pl?num=1259223653/19#19
Vika voi olla em. hilakonkissa. Joka tapauksessa ne on syytä tarkistaa / vaihtaa. Myös anodijännitteen suotoelko voi vuotaa tai jokin muu konkka.
Timo
WWW
IP kirjattu
JuPaKa
YaBB Newbies
Poissa
SRHS
Viestejä: 6
Re: Celeston Royal hiljeni
Vastaus #5 -
07.06.2012 klo 17:15:18
Tulosta viesti
Timo Haveri kirjoitti
07.06.2012 klo 15:47:56:
Lainaus:
Ei ollut 240V, muutin sen luettuani noita vanhoja viestejä. Luulen vahvasti, että tuo lämpösulake siitä laukesi. Laukeamisen syyksi varmaan riittää, että jännitteenvalitsin oli 220V?
Lämpösulake on siis siinä koneiston päällä ja hyvin näkyvissä kun avaat takaseinän. Jännitteenvalitsimen oleminen 220 voltissa ei yksinään riitä vian aiheuttajaksi vaikka ei siitäkään apua ole.
Tuolla on kuva samanlaisesta lämpösulakkeesta mikä on myös Jubile / Royalissa ->
http://www.radiohistoria.fi/cgi-bin/yabb2/YaBB.pl?num=1259223653/19#19
Vika voi olla em. hilakonkissa. Joka tapauksessa ne on syytä tarkistaa / vaihtaa. Myös anodijännitteen suotoelko voi vuotaa tai jokin muu konkka.
Timo
Lämpösulake sieltä oli lauennut. Pidin jonkin aikaa päällä ja toimii. Pitää kuitenkin käydä tuo perusteellisesti läpi ja mittailla nuo komponentit ja vaidella ainakin nuo konkat uusiin.
Kiitoksia neuvoista.
IP kirjattu
Timo Haveri
God Member
Poissa
Viestejä: 2962
Sijainti: Parkano
Re: Celeston Royal hiljeni
Vastaus #6 -
07.06.2012 klo 18:33:32
Tulosta viesti
Nyt kun sait radion käyntiin niin mittaile jännitteitä. Älä pidä sitä kuitenkaan kauaa päällä yhtäjaksoisesti.
Muuntajan anodikäämin yli on konkka ja sekin voi vuotaa aiheuttaen lämpösulakkeen laukeamisen. Sen pitäisi olla asennettu tasasuuntaussillan yli. Minulla on Helvar Jubile, jota en ole vielä kunnostanut mutta kokeillut olen ja juuri tuo konkka alkoi savuta kun testailin. Voit ottaa sen pois, radio toimii ilmankin. Mittaa mielellään anodivirta ennen ja jälkeen konkan irrotuksen niin näet heti oliko se syyllinen.
Timo
WWW
IP kirjattu
JuPaKa
YaBB Newbies
Poissa
SRHS
Viestejä: 6
Re: Celeston Royal hiljeni
Vastaus #7 -
07.06.2012 klo 19:48:49
Tulosta viesti
[quote author=3A23313C3D393B31500 link=1339062877/2#2 date=1339066716]^ Kahden EL84-putken hankkiminen varaosiksi/testausta varten tai ainakin pääteputkien hilavirtaa rajoittavien kondensaattoreiden (ympyröity liitekuvassa punaisella) tarkistus/vaihto saattaisi olla tuon jälkeen eräs suhteellisen hyvä lähtökohta. Jännitteenvalitsinkin kannattaa asettaa asentoon 240V ellei se jo ole.
Pitää vaihtaa nuo. Onhan noiden arvo 0.02uF, jos on niin minulla on kitaran tonekonkkia jotka kävisi tuohon. Kait tuohon perus muovikonkat käy? Tuossa oli myös puhetta tuosta (5000pF vai uF? ELKO?) tasasuuntaussillan yli menevästä konkasta. Mistähän tuollaisen löytää. Pitää tilata samalla ainakin nuo EL84 putket. Ovat ilmeisesti aika lopussa.
IP kirjattu
Timo Haveri
God Member
Poissa
Viestejä: 2962
Sijainti: Parkano
Re: Celeston Royal hiljeni
Vastaus #8 -
07.06.2012 klo 19:57:58
Tulosta viesti
Lainaus:
Pitää vaihtaa nuo. Onhan noiden arvo 0.02uF, jos on niin minulla on kitaran tonekonkkia jotka kävisi tuohon. Kait tuohon perus muovikonkat käy? Tuossa oli myös puhetta tuosta (5000pF vai uF? ELKO?) tasasuuntaussillan yli menevästä konkasta. Mistähän tuollaisen löytää. Pitää tilata samalla ainakin nuo EL84 putket.
Huomaa, että niillä konkilla pitää olla vähintään anodijännitteen verran jännitteenkestoa. Hilakonkat on 0.02 uF (20 nF) ja se toinen konkka on 5000 pF ja se saisi olla vähintään 630 V. Lähimmät nykyarvot ovat 4700 pF ja 22 nF. Uraltonessa on aksiaalisia muovikonkkia, jotka ovat hyviä niiden korvaajaksi.
Esim. noita kannattaa ostaa:
http://uraltone.com/kauppa/index.php?cat=c69_Sekal--axial--kondensaattorit.html&...
Samasta paikasta saa putkiakin mutta vanhat pääteputket voivat olla silti vielä toimivat, joten niitä ei ehkä kannata vaihtaa.
Timo
WWW
IP kirjattu
JuPaKa
YaBB Newbies
Poissa
SRHS
Viestejä: 6
Re: Celeston Royal hiljeni
Vastaus #9 -
08.06.2012 klo 07:43:42
Tulosta viesti
Uraltone on tuttu paikka. Olen tilannut sieltä kitaran putkivahvistimiin ja kitaroihin liittyviä komponentteja.
Laitoin tilaukseen nuo. Vanhoissa keskusteluissa oli puhetta parista konkasta jotka saa kylmän viileästi napsaista pois. Napsaisen ne pois ja vaihdan nuo konkat, niin virtojen puolesta ilmeisesti kaikki on ok. Toki mittaan ne virrat. Loput konkat vaikuttaa ilmeisti ääneen ja mahdollisiin häiriöihin, joten katselen niitä ehkä joskus myöhemmin. Tai äänen puolesta tuossa ei ole valittamista, kunhan saan tuon sellaiseen kuntoon että sitä voi käyttää turvallisesti jokapäiväiseen kuunteluun vielä muutaman vuosikymmenen.
IP kirjattu
Jukka S.
Full Member
Poissa
Viestejä: 179
Sijainti: Helsinki
Re: Celeston Royal hiljeni
Vastaus #10 -
08.06.2012 klo 12:26:21
Tulosta viesti
Aikoinaan valmistaja kuvasi mallia mm. näin: "Eri kovaääniset on tarkoin vaiheistettu äänen tasaisen jakautumisen aikaansaamiseksi. Kuten huomataan, mitään ei ole säästetty hyvän tuloksen aikaansaamiseksi - niinpä suorittamiemme pitkien ja huolellisten vertailevien mittausten ja kuuntelukokeiden mukaan onkin vaikea parempaa äänenlaatua löytää parhaimpien ulkolaistenkaan tuotteista." (Lähde: Helvar Viesti 5/1956)
Ainakin Helvarin markkinointiosasto siis uskoi tuotteeseen. Näin jälkikäteen kiinnostaa tavallaan moneenko ja mihin ulkolaisiin malleihin Royal/Jubiléta on oikeasti vertailtu... Lisäksi mainittu vaiheistus tarkoittanee muutakin kuin pelkästään "perinteistä" kovaäänisten sijoittamista kotelon kolmelle eri sivulle moniulotteisemman ääniavaruuskokemuksen saavuttamiseksi. Vaan eipä taida ihan siltä vaikuttaa (?) ainakaan tuon kaavion perusteella.
«
Viimeksi muokattu: 09.06.2012 klo 13:25:26 Kirjoittaja Jukka S.
»
jubile_kova-aaniset.jpg
( 16 KB | 0 latausta )
->
Helvar Jubilé-esittelyvideo
<-
IP kirjattu
Sivu: 1
Lähetä aihe
Tulosta
‹
Edellinen aihe
|
Seuraava aihe
›
Foorumihyppy »
Koti
» 10 viimeisintä viestiä
» 10 viimeisintä aihetta
Suomen Radiohistoriallinen Seura ry - Keskustelufoorumi
Suomen Radiohistoriallinen Seura ry
Jäsenalue
Yleistä radiohistoriasta
Kotimaiset radiot, televisiot ja äänentoistolaitteet
Ulkomaiset radiot, televisiot ja äänentoistolaitteet
Muut radio- ja elektroniikkalaitteet
Entisöinti ja kunnostus yleisellä tasolla ««
Omatekoiset laitteet ja rakentelu
Sotilasradiot ja Perinneradiot
Yleinen keskustelualue
Niitä Näitä
Haku päällä
« Koti
‹ Alue
SRHS Forum
» Powered by
YaBB 2.6.12
!
YaBB Forum Software
© 2000-2026. Kaikki oikeudet pidätetään.