Sivunvalintanappi Sivu: 1 2 3 [4]  Lähetä aiheTulosta
Erittäin kuuma aihe (Enemmän kuin 25 vastausta) Telefunken Bajazzo De Luxe 101 (Luettu 40382 kertaa)
pekmatval
God Member
*****
Poissa



Viestejä: 2012
Re: Telefunken Bajazzo De Luxe 101
Vastaus #45 - 23.11.2015 klo 12:19:25
Tulosta viesti  
Reijolla oli hyvä yksinkertainen selostus AFC-signaalin toiminnasta ja tason rajoituksesta. 

Alla uusin kuva, jossa näkyy (toivottavasti) koko hässäkän rakenne. 

Ensinnäkin signaali Ula-asteesta tulee kelluvana käämiltä, jonka toinen pää on maadoitettu laitteen maahan (siis batt miinuksesta 27ohmilla erotettuun jännitteeseen = 0V).  Kelluva signaali mahdollistaa sen kytkemisen ongelmitta mihin tahansa tasoon.

Sitten on tämä taajuutta säätävä signaali (ula-asteen piste C). Se on kytketty taajuuspotikan liukuun, johon lisätään diodeilla rajoitettu AFC signaali . AFC signaalin keskipiste (ilmaisimelta) on 100ohm vastuksen kautta kiinni bat+ ssa. Liuku on myös suoraan kiinni batt +'ssa (joka on laitteen maahan nähden 7,1V'ssa (batteri 7,5V)). Piste C on siis AFC'n verran isompi/pienempi kuin 7,1V. 

Nyt tulee se ihme.  Koska liuku on kiinteässä jännitteessä, niin säätämällä taajuutta potikalla  'liikutellaan' koko ula-asteen jännitteiden tasoa ylös/alas ja näin saadaan C'pisteen jännite(joka on kiinteä) muuttumaan suhteessa ula-asteen maahan (piste 1). Tämä jännite-ero muuttaa kapasitanssia diodeissa.   Jännite-ero vaihtelee potikan asennennosta riippuen välillä 1,5 -7,3V .

Olisikohan tässä nyt asia oikein selvitetty?

Tämän mukaan ula-aste on löysästi kytketty vastuksien kautta (minimissään noin 20 Kohm  ... max noin 60Kohm) kiinteään jännitteeseen.  Ei ole ihme, jos tuohon taajuutta muuttavaan jännitteeseen pääsee häiriöitä sisään.  Miksiköhän tämä on näin tehty?
« Viimeksi muokattu: 23.11.2015 klo 12:47:09 Kirjoittaja pekmatval »  

P1080315.JPG ( 180 KB | 0 latausta )
P1080315.JPG
Sivun alkuun
 
IP kirjattu
 
Jari
God Member
*****
Poissa


SRSH

Viestejä: 808
Sijainti: Oulu
Re: Telefunken Bajazzo De Luxe 101
Vastaus #46 - 23.11.2015 klo 18:54:39
Tulosta viesti  
Noin se minustakin menee kuten pekmatval on hahmotellut. Ilmaisimen AFC jännite on ikäänkuin sarjassa viritysjännitteen kanssa. Ilmaisimen piste, josta ääni yleensä otetaan ulos onkin "maadoitettu" käyttöjännitteeseen ja audiosignaali tulee ulos AFC:n kanssa samasta pisteestä. Sen näkee nyt tuosta selventävästä piirustuksesta.
Tuntuisi, että volumipotikan kytkentäkonkan yli oleva tasajännite voisi olla konkan napoihin nähden myös väärinpäin, riippuen AFC:n jännitteen suunnasta?

Jari

  
Sivun alkuun
 
IP kirjattu
 
pekmatval
God Member
*****
Poissa



Viestejä: 2012
Re: Telefunken Bajazzo De Luxe 101
Vastaus #47 - 23.11.2015 klo 21:09:21
Tulosta viesti  
Alkuperäisestä radiosta mittasin, että FM osan säätödiodin saama jännite vaihtelee välillä 1,7-6,7V  .. melko lähellä laskettua arvoa.

Koska nuo hakurit ovat ikäviä, niin päätin kokeilla, miten laite toimii yksinkertaistettuna (kuva 1). Kytkin FM osan maan radion maahan ja syötin sitä omalla powerilla. Lisäksi laitoin FM osan syötön yli potikan (10Kohm), josta sai keskijalasta säädettävän jännitteen taajuussäätönastaan C.   AFC'n jätin kokonaan pois.

Tänä versio toimi hienosti ...jopa kanavat oli  helppo säätää kohdalleen.  Ei mitään hurinoita, säröä ... ääni ulkoisella kajarilla 10+.

Tällä versiolla sai jopa kuulumaan novan (106,2MHz) ... alkuperäinen stoppasi jonnekin 100MHz paikkelle.

Säätöjännite eri taajuuksilla:
91,9MHz - 3,29V
92,5MHz- 3,51V
106,2MHz - 11,82V

Kokeilin myös, että miten radio toimii jos FM osan jännitettä muuttelee ... 12-16V ja radio soi puhtaasti.

Tästä tuli mieleen ajatus, että voisi laittaa FM osalla syötön 9V paristosta, joka kytketään tuon normipariston 'päälle' .. sitten vain zenerillä stabilisointi jännitteelle.   AFC'n saaminen mukaan voi olla vaikeaa? Ensiksi voisi kokeilla ilman.  Tietääkö joku, että on tuo AFC oikeastaan edes tarpeellinen? Kuvassa 2 kytkentä.
Lisäsin kytkentään pari trankkua, joilla (kai Silmänisku ) saa pariston pois pelistä, kun laite on pois päältä.

Tarkistin, että normi 9V paristo antaa noin 450mAh .. kestää tässä noin 150h , koska kulutus on noin 3mA. Itse radion paristossa on noin 8000mAh .. ja koska radio kuluttaa normivoluumilla noin 60mA, niin se kestää 120h. Molemmat kun vaihtaa samaan aikaan niin hyvin pelittää.

Olisko tämä hyvä?
  

P1080316.JPG ( 171 KB | 0 latausta )
P1080316.JPG
P1080321.JPG ( 173 KB | 0 latausta )
P1080321.JPG
Sivun alkuun
 
IP kirjattu
 
Jari
God Member
*****
Poissa


SRSH

Viestejä: 808
Sijainti: Oulu
Re: Telefunken Bajazzo De Luxe 101
Vastaus #48 - 23.11.2015 klo 22:43:03
Tulosta viesti  
Jos itselle rakentaa niin tuollainen lisäparistoratkaisu voisi olla käyttökelpoinen.

AFC on tarpeen autokäytössä kun radio  laitetaan jääkylmään autoon telineeseensä ja aseman pitää pysyä sitten paikallaan kun lämmityslaite alkaa puhaltaa kuumaa ilmaa moottorin lämmettyä.

Jari
  
Sivun alkuun
 
IP kirjattu
 
pekmatval
God Member
*****
Poissa



Viestejä: 2012
Re: Telefunken Bajazzo De Luxe 101
Vastaus #49 - 24.11.2015 klo 22:24:57
Tulosta viesti  
Kokeilin paristoa ilman suurempia elektroniikkoja ... hyvin toimii. Riittää kun stabiloi tuon UC'n vaikka yksinkertaisesti zenerillä.

Koska pariston paikan rakentelu on mekaanisesti hankalaa, niin tein vielä kokeeksi perinteisen 'kondensaattoripumpun' sillä voi tuplata jännitteen helposti ja kaikki osat löytyy hyllystä .. ei keloja. Kytkentä tästäkin ohessa. Osckillattori on tuo sama aiemmassa kytkennässä näkynyt 4049'stä tehty . Taajuus on 85KHz.  Tämäkin toimi hyvin , mutta tuon toiminta-alue on juuri ja juuri riittävä. Jos input jännite on yli 8.8V, niin kaikki ok. sen alla alkaa asemat ryömimään samalla kun syöttöjännite laskee. AFC puuttuu. Taajuusalue on yhä isompi kuin alkuperäisen bajazzon ... pääsee 104MHz'iin. Jos joku ihmettelee diodin yli laittamiani 470pf konkkia ... ilman niitä tämäkin 'hakkuri' sai Ulalle kurnutusta. On tunnettu juttu, että nopea diodi ilman rc suojaa saa sammuessaan  aikaan sähinöitä.

Tätä kytkentää voisi parannella, mutta jääköön tämä nyt tähän tältä erää.

Tämän radion kanssa puuhaaminen on mielenkiintoista, mutta hiukan hyödytöntä, sillä minulta yhä puuttuu nuo kaikki nupit.
Lisäksi tästä katkesi sen sisällä olevan taajuudensäätöpotikan lanka ... jos joku tuntee tämän laitteen, niin tietää, että sen pujottelu on todella vaikeaa (vai olenko väärässä?).

Ja kysymys ... miten tuo AFC jännite pitäisi mitata? ... siis tuo ilmaisinmodulin ulostulojännite sieltä lähtö vastusten välistä. Pitäkö olla jokin suodatus ennen mittaria? Tuossahan on ääni-jännite samassa pisteessä.
« Viimeksi muokattu: 25.11.2015 klo 00:25:37 Kirjoittaja pekmatval »  

P1080322.JPG ( 173 KB | 0 latausta )
P1080322.JPG
Sivun alkuun
 
IP kirjattu
 
Jari
God Member
*****
Poissa


SRSH

Viestejä: 808
Sijainti: Oulu
Re: Telefunken Bajazzo De Luxe 101
Vastaus #50 - 25.11.2015 klo 00:05:07
Tulosta viesti  
AFC jännite pitäsi mitata suunnilleen vastaavan RC piirin avulla kun radiossakin on (100k+22k/10  uF). Tai sitten skooppikuvasta  voisi hahmottaa DC tason.

Mikäli tuon AFC:n haluaisi järkeistää, pitäisi säätöjännite saada toimitettua kapasitanssidiodien alapäähän, jotta korjaus olisi varicap jännitteestä riippumaton. Napaisuus nykyisestä käännettynä.
Samalla ilmaisinkin pitäisi muuttaa ja esim. ottaa audio pisteestä P.
Kun ULA purkki jo kelluu saisi säätöjännitteen ilmeisesti sisään pisteestä 1. Varicap jännitteen maa pitäisi siirtää ilmaisimen/muun radion maahan.
Aikamoinen työmaa kuitenkin tarkempi suunnittelu ja testaus varmaankin olisi.

Jari
  
Sivun alkuun
 
IP kirjattu
 
pekmatval
God Member
*****
Poissa



Viestejä: 2012
Re: Telefunken Bajazzo De Luxe 101
Vastaus #51 - 25.11.2015 klo 22:15:12
Tulosta viesti  
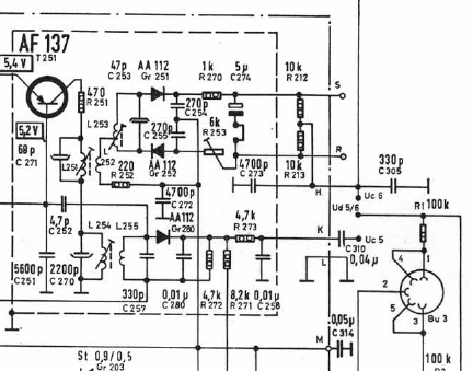
Koska en ole kovin hyvin perillä näistä FM- ilmaisimista, niin uteliaisuuttani mittasin AFC jännitteen käyttäytymisen. Mittaus pisteestä H Suhteessa tuohon batt+ jännitteeseen. Tuohon batt +' aan on kytketty 220ohm vastus sieltä ilmaisinkelan keskeltä ... siis kaiketi tämä on referenssipiste.( Kuva ohessa ... lienee juuri minun bajazzon kytkentä).

Kun asemaa lähestyy alhaaltapäin ensin UH= -1.1V (pelkkää suhinaa kaukana asemasta) .. kun tullaan lähelle, niin UH = -0,3V ... ja liukuu siitä kohti -1.1V'tia  .. arvo kun asema on kohdalla. Kun säätää taajutta edelleen yli aseman, niin maksimissaan signaali on -1.9V .. ja sitten menee takaisin tuohon -1.1V.  Tämä signaali on sitten leikattu ennen ulan etupäätä kahdella diodilla ikkunnaa +/- 0,2V (noin).  Asiantuntijat osannevat sanoa, että onko tämä juuri oikea toiminta?

Tuolta ylempää ketjussa näkyy, että taajuus reagoi 1MHz noin 0,3V volttia kohti.  Eli AFC säätö hoitaa noin 0,6MHz siirtymän.

Mittasin myös ilmaisimen AC signaalin : Normi musiikilla noin 0,7Vpp.

Nyt tämä projekti saa jäädä odottamaan ... niitä nuppeja kun ei kumminkaa saa mistään ...
« Viimeksi muokattu: 25.11.2015 klo 22:33:07 Kirjoittaja pekmatval »  

ilmaisin.PNG ( 102 KB | 0 latausta )
ilmaisin.PNG
Sivun alkuun
 
IP kirjattu
 
Jari
God Member
*****
Poissa


SRSH

Viestejä: 808
Sijainti: Oulu
Re: Telefunken Bajazzo De Luxe 101
Vastaus #52 - 25.11.2015 klo 23:07:17
Tulosta viesti  
Periaatteessa ilmaisimessa jännitteen pitäisi mennä nollaan kun asema on kohdalla ja vaihtaa napaisuutta kun mennään aseman ohi.
Tuossa kiinnittää huomiota, että trimmeri R253 on huomattavasti suurempi kuin vastaava vastus R270. Yleensä nämä on suunnilleen samankokoisia, joten tässäkin taitaa olla jokin erikoisratkaisu.
Miksiköhän tällaiseen on päädytty?
Mahdollisesti kuitenkin trimmerin säätö tai L253 viritys voisi olla pielessä.
Minusta tuo napaisuuden vaihtuminen olisi oleellista, jotta AFC osaa säätää oikeaan suuntaan.

Jari
  
Sivun alkuun
 
IP kirjattu
 
pekmatval
God Member
*****
Poissa



Viestejä: 2012
Re: Telefunken Bajazzo De Luxe 101
Vastaus #53 - 26.11.2015 klo 00:18:56
Tulosta viesti  
Jarin kirjoitus pisti miettimään lisää ... koska tuo H pisteen jännite on aina negatiivinen, niin ne kaksi AFC leikkaavaa diodia eivät toimi oikein. AFC signaali makaa koko ajan negatiivisella rajalla ... tämä tuskin on tarkoitus?  (ketjussa yllä kuvassa ..0315 näkyy diodit)

Itse en ole ilmaisimen säätöihin koskenut  ... mutta saattaisi olla aihetta.  Tai sitten ilmaisimessa on jokin osa rikki ?  Radion ääni on kuitenkin 10+.
  
Sivun alkuun
 
IP kirjattu
 
Sivunvalintanappi Sivu: 1 2 3 [4] 
Lähetä aiheTulosta