Valitse kieli:
English
Suomi
Tervetuloa, Vieras. Ole hyvä ja
kirjaudu
tai
Rekisteröidy
Koti
Ohjeita
Haku
Kirjaudu
Rekisteröidy
Liity SRHS:n jäseneksi
SRHS Forum
›
Suomen Radiohistoriallinen Seura ry - Keskustelufoorumi
›
Ulkomaiset radiot, televisiot ja äänentoistolaitteet
› DUX V 1353
‹
Edellinen aihe
|
Seuraava aihe
›
Sivu: 1
Lähetä aihe
Tulosta
DUX V 1353 (Luettu 4475 kertaa)
Pentti Paananen OH5ZK
Full Member
Poissa
SRSH#93
Viestejä: 150
Sijainti: Pertunmaa
DUX V 1353
15.11.2011 klo 17:56:26
Tulosta viesti
Tuli huoltoon DUX V1353 kahdella levarilla ja ULA-lisälaitteella. Onko kellään infoa ko. Ratiosta
IMGP4435_640x479.JPG
( 134 KB | 0 latausta )
Skype/VoIP
Facebook
IP kirjattu
Pentti Paananen OH5ZK
Full Member
Poissa
SRSH#93
Viestejä: 150
Sijainti: Pertunmaa
Re: DUX V 1353
Vastaus #1 -
15.11.2011 klo 17:57:04
Tulosta viesti
Tässä levarit.
IMGP4437_640x479.JPG
( 123 KB | 0 latausta )
Skype/VoIP
Facebook
IP kirjattu
Pentti Paananen OH5ZK
Full Member
Poissa
SRSH#93
Viestejä: 150
Sijainti: Pertunmaa
Re: DUX V 1353
Vastaus #2 -
15.11.2011 klo 17:57:48
Tulosta viesti
Tässä ULA-lisälaite.
Terkuin Pena
IMGP4438_640x479.JPG
( 119 KB | 0 latausta )
Skype/VoIP
Facebook
IP kirjattu
Pentti Paananen OH5ZK
Full Member
Poissa
SRSH#93
Viestejä: 150
Sijainti: Pertunmaa
Re: DUX V 1353
Vastaus #3 -
15.11.2011 klo 18:14:50
Tulosta viesti
Levarit ovat Garrard Ta Mk II ja Philips AG 1002 VT.
ULA-lisälaite on BRAVOUR FM1. Onko tuttuja?
Pitäis saada ainakin toinen levari pelaamaan.
Ratio kuulema pelaa, muuta rutinoita ym...
En oo kerenny katsomaan vielä, kun korjasin ensin hänen akustisen kitaran, jossa mikkietuvahvistin oli rikki.
Skype/VoIP
Facebook
IP kirjattu
Pentti Paananen OH5ZK
Full Member
Poissa
SRSH#93
Viestejä: 150
Sijainti: Pertunmaa
Re: DUX V 1353
Vastaus #4 -
15.11.2011 klo 18:56:30
Tulosta viesti
Tuo Philipsin levari on varmaan alkuperänen ja Garrard on vaihdettu sen tillalle. Tuo oikeanpuoleinen välikkö on nauhurille ruotsinkielisen tekstin mukaan.
Skype/VoIP
Facebook
IP kirjattu
Pentti Paananen OH5ZK
Full Member
Poissa
SRSH#93
Viestejä: 150
Sijainti: Pertunmaa
Re: DUX V 1353
Vastaus #5 -
26.01.2012 klo 17:31:49
Tulosta viesti
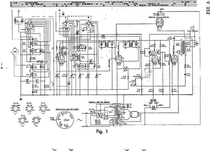
Kuka ratkaisee skeman perusteella miten tässä on toteutettu nauhurille nauhoitus radiosta?
Kaapissa on 3 napanen banaaniliitäntä nauhurille.
Se toimii tuon levysoitinliitännän kautta. Sinne menee 2 johdinta ja vaippa eli kolme johdinta. Yliheittimet ovat KV1 eli toiseksi alimmaisessa asennos. Alin asento on levysoitin. Levysoitin kuuluu, oli tuo valinta missä asennossa tahansa eli kaikilta aaltoalueilta. Tuossa II kakussa on levarin valinta. Noiden liukujen asentoa en oikein tajua. Minusta tuo levarin inputti menee suoraa R35 yläpäähän ja sieltä EF 41 kautta pääteasteelle EL41.
Dux_V_352_1024x739.jpg
( 176 KB | 0 latausta )
Skype/VoIP
Facebook
IP kirjattu
Pentti Paananen OH5ZK
Full Member
Poissa
SRSH#93
Viestejä: 150
Sijainti: Pertunmaa
Re: DUX V 1353
Vastaus #6 -
26.01.2012 klo 17:47:56
Tulosta viesti
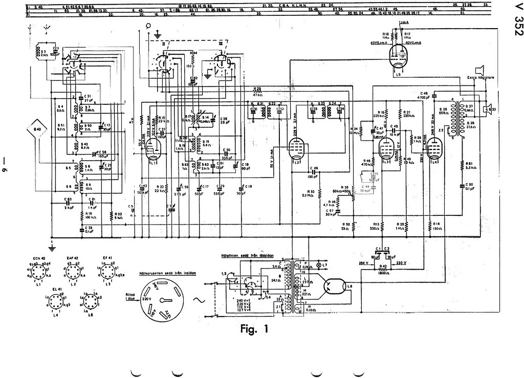
Tässä parempi kuva skemasta.
Dux_V_352_1024x739_800x577.jpg
( 127 KB | 0 latausta )
Skype/VoIP
Facebook
IP kirjattu
Sivu: 1
Lähetä aihe
Tulosta
‹
Edellinen aihe
|
Seuraava aihe
›
Foorumihyppy »
Koti
» 10 viimeisintä viestiä
» 10 viimeisintä aihetta
Suomen Radiohistoriallinen Seura ry - Keskustelufoorumi
Suomen Radiohistoriallinen Seura ry
Jäsenalue
Yleistä radiohistoriasta
Kotimaiset radiot, televisiot ja äänentoistolaitteet
Ulkomaiset radiot, televisiot ja äänentoistolaitteet ««
Muut radio- ja elektroniikkalaitteet
Entisöinti ja kunnostus yleisellä tasolla
Omatekoiset laitteet ja rakentelu
Sotilasradiot ja Perinneradiot
Yleinen keskustelualue
Niitä Näitä
Haku päällä
« Koti
‹ Alue
SRHS Forum
» Powered by
YaBB 2.6.12
!
YaBB Forum Software
© 2000-2026. Kaikki oikeudet pidätetään.