Valitse kieli:
English
Suomi
Tervetuloa, Vieras. Ole hyvä ja
kirjaudu
tai
Rekisteröidy
Koti
Ohjeita
Haku
Kirjaudu
Rekisteröidy
Liity SRHS:n jäseneksi
SRHS Forum
›
Suomen Radiohistoriallinen Seura ry - Keskustelufoorumi
›
Kotimaiset radiot, televisiot ja äänentoistolaitteet
› Salora Apollo
‹
Edellinen aihe
|
Seuraava aihe
›
Sivu:
1
2
[3]
Lähetä aihe
Tulosta
Salora Apollo (Luettu 29713 kertaa)
mieite
God Member
Poissa
SRHS
Viestejä: 805
Sijainti: Parainen
Re: Salora Apollo
Vastaus #30 -
15.09.2011 klo 18:32:22
Tulosta viesti
Ei muuta asiaa vaikka irroitan putkia, kokeilin yhden kerrallaan ja humina senkuin soi.
Jossain vaiheessa aiemmin puhuin tasasuuntausputkesta, sitähän ei tietenkään tästä radiosta löydy(oikosulku korjaajan prosessorissa).
Vastukset näyttävät päältpäin kunnossa olevilta niinpä ensiviikonloppu menee vastuksia ja jännitteitä mitatessa.
Nisse
Suunnitellessanne radion ostoa, valitkaa Asa.
IP kirjattu
Jorma Raita
God Member
Poissa
Viestejä: 1730
Sijainti: Helsinki
Re: Salora Apollo
Vastaus #31 -
15.09.2011 klo 19:39:52
Tulosta viesti
Tervehdys Nisse,
Tarkastelin tuota viimeisintä kuvaa Apollon alapuolelta, jossa olet nuolilla merkannut vaihdettavia lyyttejä. Kuvan keskellä, verkkokytkimen, paksun mustan konkan ja sinisen lyytin keskellä on isolla muovisella mustalla mutterilla kiinnitetty arvatenkin kannumallinen iso elektrolyyttikondensaattori. Elkon juotoskorva (mutterin ja chassiksen välissä) on kytketty maihin ja keskeltä lähtee punainen johdin.
Oletko vaihtanut myös tämän ison kannuelkon? Tämä elko on todennäköisesti heti muuntajan toision / tasasuuntauksen jälkeen ensimmäinen suotoelko.
Jos elko on vaihtamatta ja punainen johdin vielä kytkettynä, on voimakkaan hurinan alkulähde todennäköisesti tässä.
Menen sunnuntaina järjestelemään kokoelmatilojani, voin samalla tutkailla sieltä löytyvää Apollo radiota (esittelin aiheketjun alkuvaiheilla).
terveisin Jorma
IP kirjattu
mieite
God Member
Poissa
SRHS
Viestejä: 805
Sijainti: Parainen
Re: Salora Apollo
Vastaus #32 -
15.09.2011 klo 20:25:26
Tulosta viesti
Joo, on vaihdettu, siis se iso sininen elko korvasi puolet alkuperäisestä pöntöstä ja toinen puoli (punainen johto) oli käytössä. Nyt olen poistanut sinisen ison ja punainen johto on napsittu pois. Näitä korvaamaan olen laittanut 2 kpl 50µF 450V kannumallisia elkoja. Lisäksi olen vaihtanut vasemmalla olevan harmahtavan elkon 50µF 12/15V uuteen kannumalliseen.
Jotenkin tämä näyttää siltä että joku olisi yrittänyt jo korjata tätä huonoin tuloksin, siis minun lisäksi
Nisse
Suunnitellessanne radion ostoa, valitkaa Asa.
IP kirjattu
akenyh
God Member
Poissa
SRHS 257
Viestejä: 1155
Sijainti: Halikko (Salo)
Re: Salora Apollo
Vastaus #33 -
15.09.2011 klo 21:29:10
Tulosta viesti
Näin "kaukotyönä" tämä on nyt tällaista arvailua mutta myös se seleenisilta voisi olla vaurioitunut, jolloin tasasuunatus ei toimi kunnolla ja 50Hz/100Hz jännite pääsee anodijäniteeseen. Sopivalla mittalaitteella asian voisi todeta.
Terv.
Åke
**
IP kirjattu
mieite
God Member
Poissa
SRHS
Viestejä: 805
Sijainti: Parainen
Re: Salora Apollo
Vastaus #34 -
16.09.2011 klo 07:14:57
Tulosta viesti
Kiitos Åke.
Kaukotyösi tuottaa tuloksia. Missä on C50 20n/3750V ?
Tähän on joku vaihtanut jäljistä päätellen seleenitasasuuntajan, nyt on asennettuna B250/85 en tiedä kuuluuko olla juuri tämä, kaavassa ei ole annettuna tyyppiä. Joka tapauksessa C50 puuttuu asennuksesta.
Nisse
«
Viimeksi muokattu: 16.09.2011 klo 07:35:26 Kirjoittaja mieite
»
Suunnitellessanne radion ostoa, valitkaa Asa.
IP kirjattu
Jorma Raita
God Member
Poissa
Viestejä: 1730
Sijainti: Helsinki
Re: Salora Apollo
Vastaus #35 -
16.09.2011 klo 07:23:36
Tulosta viesti
Eilen illalla tutkiessani Apollon kaaviota mielessä kävi ajatus samoin kun Åkella että, voisihan tuo seleenitasurin viallisuus aiheuttaa liian suuren rippelijännitteen ja aiheuttaa pysyvää hurinaa.
Oskilloskoopilla näkisi helposti mittaamalla signaalin muoto kokoojalyytiltä, tuleeko lyytille molemmat puoliaallot vai ainoastaan toinen.
t. Jorma
IP kirjattu
mieite
God Member
Poissa
SRHS
Viestejä: 805
Sijainti: Parainen
Re: Salora Apollo
Vastaus #36 -
16.09.2011 klo 07:41:49
Tulosta viesti
Apollon kaavassa ei ole annettuna jännitearvoa seleenitasasuuntajan jälkeen mutta Rivieralla se on 270V.
Jos nyt päivitän samantein tasurin diodi-malliseksi ja laitan puuttuvan konkan niin mittailen sitten jännitteen, nyt on pakko lähteä töihin, olen jo myöhässä
Nisse
Suunnitellessanne radion ostoa, valitkaa Asa.
IP kirjattu
kkv
God Member
Poissa
SRSH
Viestejä: 1195
Re: Salora Apollo
Vastaus #37 -
16.09.2011 klo 10:51:33
Tulosta viesti
Apollossa on oheisen kuvan mukainen kytkentä. Päätemuuntajassa kumoutuu jäljellä oleva hurinakomponetti lähes kokonaan.
Onpa tullut vastaan sellainenkin tapaus, että korjauksen yhteydessä päätemuuntajan ensiön johdot on juotettu väärin. Seurauksena on kasvanut hurina.
Tarkista varmuuden vuoksi tämäkin kohta.
Kuva ja teksti ovat Otto Limanin kirjasta Radiotekniikka, 3. painos s. 260-261.
Kauko Viitanen
hurinan_poisto.jpg
( 223 KB | 0 latausta )
IP kirjattu
OH2FBX
God Member
Poissa
Viestejä: 1488
Sijainti: Hanko
Re: Salora Apollo
Vastaus #38 -
16.09.2011 klo 11:45:05
Tulosta viesti
Samaa kytkentää löytyy Fennoista.
Ilmari Nikander
IP kirjattu
mieite
God Member
Poissa
SRHS
Viestejä: 805
Sijainti: Parainen
Re: Salora Apollo
Vastaus #39 -
17.10.2011 klo 07:42:16
Tulosta viesti
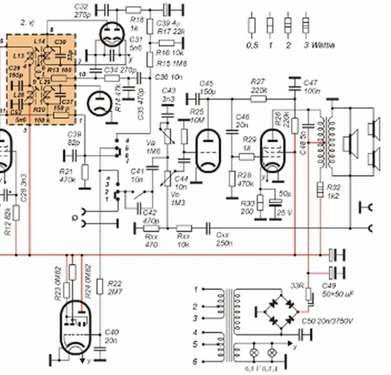
Apollon humina on taakse jäänyttä elämää ja nyt se soi ja pelaa.
Iso kiitos Åkelle joka sitkeästi neuvoi ja opasti korjauksessa minua. Vikoja ja kytkentä-virheitä löytyi ja ne keskittyi oheessa olevaan osakuvaan Raimo Jokisen sivuilta imuroimaani Apollon-kytkentäkaavasta. Kun ei ole parempaa tekemistä aloin ihmettelemään äänenväri-säätimen toimintaa. Säädin on samalla akselilla kuin volume-säädinkin, volume sisempi nuppi ja äänenväri ulompi. Äänenväri nupin voi vetää ulos niin minusta säätyy diskantti, jos sisällä niin basso. Näin siis kun kuuntelee radiota mutta itse sähköinen toiminta ei oikein mene jakeluun. Onko tämä vastaava kytkentä kuin joissain radioissa oleva Puhe/musiikki-kytkin potikalla toteutettuna ?
Ajattelin että laitan tänne tämän ihmettelyn jospa jotakuta muutakin tällainen säätö kiinnostaisi.
Nisse
Apollopotikka.jpg
( 76 KB | 0 latausta )
Suunnitellessanne radion ostoa, valitkaa Asa.
IP kirjattu
Sivu:
1
2
[3]
Lähetä aihe
Tulosta
‹
Edellinen aihe
|
Seuraava aihe
›
Foorumihyppy »
Koti
» 10 viimeisintä viestiä
» 10 viimeisintä aihetta
Suomen Radiohistoriallinen Seura ry - Keskustelufoorumi
Suomen Radiohistoriallinen Seura ry
Jäsenalue
Yleistä radiohistoriasta
Kotimaiset radiot, televisiot ja äänentoistolaitteet ««
Ulkomaiset radiot, televisiot ja äänentoistolaitteet
Muut radio- ja elektroniikkalaitteet
Entisöinti ja kunnostus yleisellä tasolla
Omatekoiset laitteet ja rakentelu
Sotilasradiot ja Perinneradiot
Yleinen keskustelualue
Niitä Näitä
Haku päällä
« Koti
‹ Alue
SRHS Forum
» Powered by
YaBB 2.6.12
!
YaBB Forum Software
© 2000-2026. Kaikki oikeudet pidätetään.