Valitse kieli:
English
Suomi
Tervetuloa, Vieras. Ole hyvä ja
kirjaudu
tai
Rekisteröidy
Koti
Ohjeita
Haku
Kirjaudu
Rekisteröidy
Liity SRHS:n jäseneksi
SRHS Forum
›
Suomen Radiohistoriallinen Seura ry - Keskustelufoorumi
›
Kotimaiset radiot, televisiot ja äänentoistolaitteet
› FAZER-RADIO
‹
Edellinen aihe
|
Seuraava aihe
›
Sivu: 1
Lähetä aihe
Tulosta
FAZER-RADIO (Luettu 9726 kertaa)
Kipinä
YaBB Newbies
Poissa
SRSH
Viestejä: 7
Sijainti: Tuulos
FAZER-RADIO
18.09.2010 klo 16:01:34
Tulosta viesti
Hei,
Asa-CD:n mukaan Asa valmisti vuodesta 1948 alkaen tilauksesta mm. Fazer-merkkisiä radioita. Onko tietoa, kuinka paljon niitä valmistettiin?
Tarttui nimittäin kirppikseltä mukaani kohtuuhintainen FAZER-RADIO 565 V.
Onkohan siinä samanlainen koneisto kuin jossakin muussa ASA:n omassa mallissa - ja jos on , niin voisiko jostakin saada kytkentäkaavion? Putket ovat AZ 11, EF 9, EBF 11 ja ECH 11 sekä AZ 11:n kohdalla muuntajan vastakkaisella puolella melkein musta, tasaisen lieriön muotoinen 35 x 100 mm lasiputki, josta merkintä on hävinnyt.
Kotelo on ihan siisti ja sen muoto on melkein samanlainen kuin ASA 244::ssä.
Radiosta kuuluu ainoastaan lyhyillä aalloilla yhdestä pisteestä hyvin heikosti ja sekavasti.
Joku radioista "kiinnostunut" oli joskus yrittänyt irrottaa koneiston melkoisin ottein, koska kahden nupin akselit olivat poikki aivan juuresta ruuvien kohdalta sekä säätökondensaattorissa kiinni oleva langalla
säädettävä kiekko oli melkein kahdeksikolla.
HeikkiK
IP kirjattu
kkv
God Member
Poissa
SRSH
Viestejä: 1195
Re: FAZER-RADIO
Vastaus #1 -
18.09.2010 klo 16:36:42
Tulosta viesti
Fazer V 565 taitaa olla Helvarin valmistama. Voitko poistaa radion takalevyn ja ottaa kuvan koneistosta.
Fazer myi omalla merkillään useamman eri tehtaan valmistamia radioita.
Radio on aika harvinainen, sarja on ollut ehkä muutama sata radiota.
Kauko Viitanen
IP kirjattu
Kipinä
YaBB Newbies
Poissa
SRSH
Viestejä: 7
Sijainti: Tuulos
Re: FAZER-RADIO
Vastaus #2 -
18.09.2010 klo 17:44:17
Tulosta viesti
Yritän alkuviikosta saada kuvan.
HeikkiK
IP kirjattu
kkv
God Member
Poissa
SRSH
Viestejä: 1195
Re: FAZER-RADIO
Vastaus #3 -
18.09.2010 klo 19:07:14
Tulosta viesti
Tämä Fazer 565 radio on hyväksytty sähkötarkastuslaitoksen laboratoriossa tammikuussa 1945. Samana vuonna vähän myöhemmin on hyväksytty Helvar 565. Kuvasta kyllä selviää, onko Fazer 565:n valmistaja myös Helvar.
Vielä on mahdollista, että se olisi sama kuin Aristona 565V, joka myös on hyväksytty STL:n laboratoriossa v. 1945. Jännitys nousee kuvia odotellessa!
Miksi näitä 565 malleja on v. 1945 eri valmistajilla? Monet tehtaat käyttivät tuohon aikaan mallimerkintäjärjestelmää, jossa numerot tarkoittavat vasemmalta oikealle: 5 = viisi putkea, 6 = kuusi viritettyä piiriä, eli supervastaanotin, 5 = valmistus- tai mallivuoden (1945) viimeinen numero.
Radiota näkemättä alan kallistua sille kannalle, että Fazer 565 on Aristona 565, mutta kuva ratkaiskoon asian.
Kauko Viitanen
«
Viimeksi muokattu: 18.09.2010 klo 19:27:39 Kirjoittaja kkv
»
IP kirjattu
Lasse Nirhamo
God Member
Poissa
SRHS #12
Viestejä: 962
Sijainti: Nurmes
Re: FAZER-RADIO
Vastaus #4 -
18.09.2010 klo 23:57:02
Tulosta viesti
Lisätään nyt vähän jännitystä kuvia odotellessa...
Minun arvioni on että ko radio on Helvarin valmistama,
perusteluja on useita, palaan niihin myöhemmin.
Fazer radioita ole nähnyt Asan, Helvarin ja Hellbergin valmistamia.
Lisäksi Musiikki-Fazer markkinoi Rytmi merkkisiä radioita,
joiden valmistaja oli myös helvar.
Ystävällisesti Lasse - Radiohistorian parissa jo vuodesta 1951
IP kirjattu
Kipinä
YaBB Newbies
Poissa
SRSH
Viestejä: 7
Sijainti: Tuulos
Re: FAZER-RADIO
Vastaus #5 -
21.09.2010 klo 20:56:14
Tulosta viesti
Eka kerta kun yritän kuvaa sivulle (Fazer-Radio 565 V), mutta ei näytä onistuvan ihan heti.
HeikkiK
IP kirjattu
Lasse Nirhamo
God Member
Poissa
SRHS #12
Viestejä: 962
Sijainti: Nurmes
Re: FAZER-RADIO
Vastaus #6 -
22.09.2010 klo 11:06:48
Tulosta viesti
Aina on mahdollisuus oppia uutta!
Sain Heikiltä radion kuvan ja liitän sen tähän.
Radio on todellakin Philipsin perheeseen kuuluva!
Valmistaja on Fenno-Radio Oy (myöh. Terate).
Radio on siis ehkä sama kuin Kaukon mainitsema Aristona
mutta Aristona on itse rinnakkaismerkki, ei tehdas.
Yritetään löytää sopiva kaavio
«
Viimeksi muokattu: 22.09.2010 klo 12:38:52 Kirjoittaja Lasse Nirhamo
»
Fazer_565_V-w.jpg
( 115 KB | 0 latausta )
Ystävällisesti Lasse - Radiohistorian parissa jo vuodesta 1951
IP kirjattu
Lasse Nirhamo
God Member
Poissa
SRHS #12
Viestejä: 962
Sijainti: Nurmes
Re: FAZER-RADIO
Vastaus #7 -
28.09.2010 klo 12:27:37
Tulosta viesti
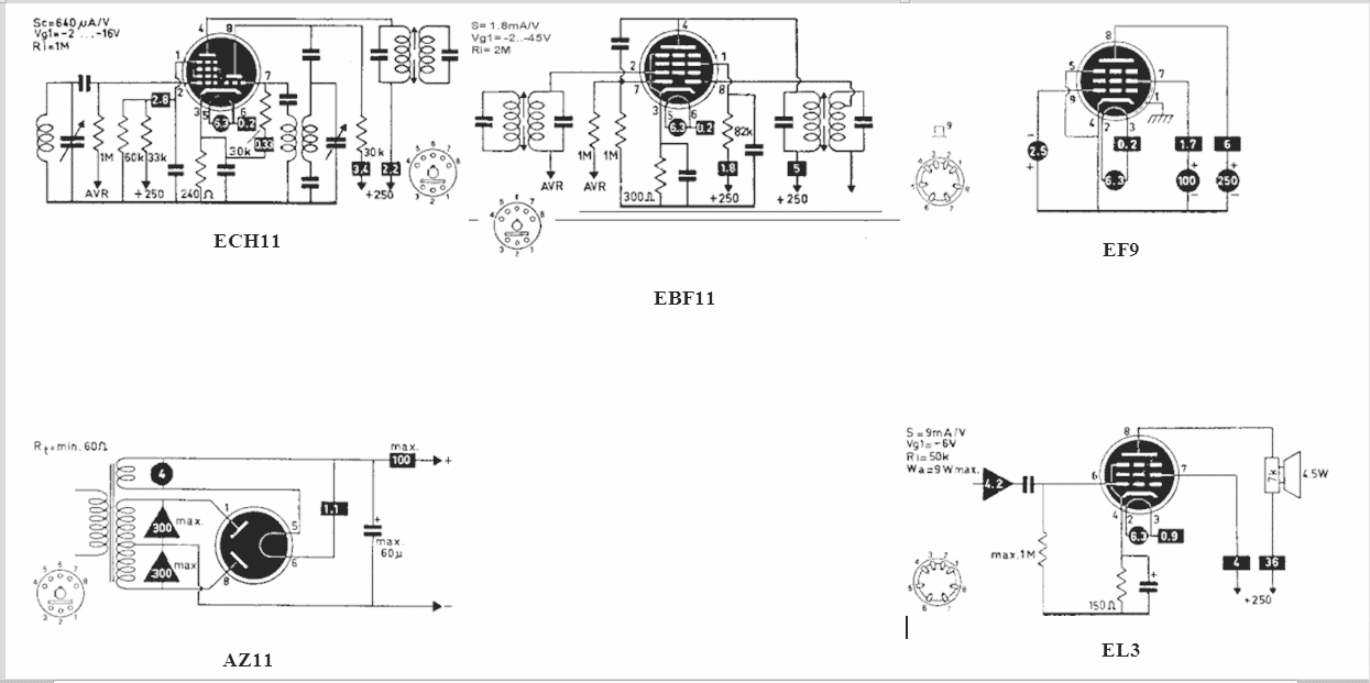
Putket ovat ECH11, EBF11, EF2, EL3 ja AZ11.
EF2 tilalle on vaihdettu EF9, joka on lähes sama.
Lähetin viitteellisen kaavion, tarkista jännitteet sen mukaisesti.
Kondensaattoreissa on varmasti viallisia? Voitko tarkastaa niitä?
Toimiiko levysoitinliitännästä hyvällä äänenlaadulla?
Palataan asiaan
«
Viimeksi muokattu: 28.09.2010 klo 13:16:34 Kirjoittaja Lasse Nirhamo
»
565_V_3-w.jpg
( 156 KB | 0 latausta )
Ystävällisesti Lasse - Radiohistorian parissa jo vuodesta 1951
IP kirjattu
Lasse Nirhamo
God Member
Poissa
SRHS #12
Viestejä: 962
Sijainti: Nurmes
Re: FAZER-RADIO
Vastaus #8 -
28.09.2010 klo 14:13:09
Tulosta viesti
Periaatteellinen kaavio, jonka perusteella voi tarkastaa jännitteet...
Kaavio-.gif
( 53 KB | 0 latausta )
Ystävällisesti Lasse - Radiohistorian parissa jo vuodesta 1951
IP kirjattu
Sivu: 1
Lähetä aihe
Tulosta
‹
Edellinen aihe
|
Seuraava aihe
›
Foorumihyppy »
Koti
» 10 viimeisintä viestiä
» 10 viimeisintä aihetta
Suomen Radiohistoriallinen Seura ry - Keskustelufoorumi
Suomen Radiohistoriallinen Seura ry
Jäsenalue
Yleistä radiohistoriasta
Kotimaiset radiot, televisiot ja äänentoistolaitteet ««
Ulkomaiset radiot, televisiot ja äänentoistolaitteet
Muut radio- ja elektroniikkalaitteet
Entisöinti ja kunnostus yleisellä tasolla
Omatekoiset laitteet ja rakentelu
Sotilasradiot ja Perinneradiot
Yleinen keskustelualue
Niitä Näitä
Haku päällä
« Koti
‹ Alue
SRHS Forum
» Powered by
YaBB 2.6.12
!
YaBB Forum Software
© 2000-2026. Kaikki oikeudet pidätetään.