Sivunvalintanappi Sivu: [1] 2 3  Lähetä aiheTulosta
Erittäin kuuma aihe (Enemmän kuin 25 vastausta) Philips B5 SF 92A/Fenno F 295 V (Luettu 50598 kertaa)
jklaukka
God Member
*****
Poissa


SRHS #490

Viestejä: 574
Sijainti: Joensuu/Kajaani
Philips B5 SF 92A/Fenno F 295 V
17.01.2010 klo 18:16:42
Tulosta viesti  
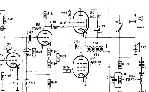
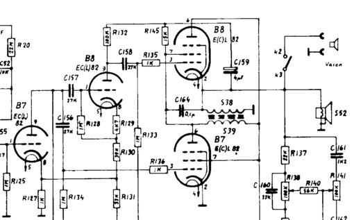
Laitoin tuonne Philipsin ja ihmeteltiin erikoisia vuorovaihepääteasteita. Kahdella ECL82 putkella per pääteaste. Onko  suunnittelu kotimaista alkuperää?
http://www.radiomuseum.org/r/philips_b5sf92a.html

Siinä on nuo 800 ohmin Philips AD3800AM kaiuttimet:
http://www.hupse.eu/radio/speakers/AD3800.htm
« Viimeksi muokattu: 17.01.2010 klo 20:12:41 Kirjoittaja jklaukka »  

philips.jpg ( 45 KB | 0 latausta )
philips.jpg
Sivun alkuun
 
IP kirjattu
 
jklaukka
God Member
*****
Poissa


SRHS #490

Viestejä: 574
Sijainti: Joensuu/Kajaani
Re: Philips B5 SF 92A/Fenno F 295 V
Vastaus #1 - 17.01.2010 klo 20:33:00
Tulosta viesti  
Tuoltahan tuo taisi selvitäkin, että on kotimainen keksintö:
http://www.radiomuseum.org/r/philips_b5sf02ab_5_sf_02.html

" "Real Stereo", ironless (Finnish pat.appl. no 831/59) end stages"


-Jouko
  
Sivun alkuun
 
IP kirjattu
 
HarO
God Member
*****
Poissa


SRHS

Viestejä: 1227
Re: Philips B5 SF 92A/Fenno F 295 V
Vastaus #2 - 18.01.2010 klo 07:43:37
Tulosta viesti  
Taitaap olla omassa B5SF11A:ssa sama viritys, mutta vääntäkääpä ratakiskosta, että mitä se ironless tässä meinaa?

EDIT: Jaaha, katsoinpa kuvia oman laitokseni sisuksista (ja tuo 800 ohmia) ja heti valo vähän valkeni.

H.
  

Joka hetki on poikkeus - S. Paronen
Sivun alkuun
 
IP kirjattu
 
jklaukka
God Member
*****
Poissa


SRHS #490

Viestejä: 574
Sijainti: Joensuu/Kajaani
Re: Philips B5 SF 92A/Fenno F 295 V
Vastaus #3 - 18.01.2010 klo 09:18:53
Tulosta viesti  
Enpä muistanutkaan, että tästähän on juttu Radiot -lehdessä 2/2009: Philips B4SF23A pääteasteesta. Tuota patenttia ei sitten myönnettykään.

-Jouko
  
Sivun alkuun
 
IP kirjattu
 
mieite
God Member
*****
Poissa


SRHS

Viestejä: 805
Sijainti: Parainen
Re: Philips B5 SF 92A/Fenno F 295 V
Vastaus #4 - 19.03.2010 klo 20:24:06
Tulosta viesti  
Tässä yksi malli lisää Real Stereo Suomessa valmistetuista Philipseistä, Philips F5SF23A.
Alla muutama kuva.

Nisse
  

Philips-F5SF23A-pic1.jpg ( 71 KB | 0 latausta )
Philips-F5SF23A-pic1.jpg

Suunnitellessanne radion ostoa, valitkaa Asa.
Sivun alkuun
 
IP kirjattu
 
mieite
God Member
*****
Poissa


SRHS

Viestejä: 805
Sijainti: Parainen
Re: Philips B5 SF 92A/Fenno F 295 V
Vastaus #5 - 19.03.2010 klo 20:25:15
Tulosta viesti  
Ja seuraava
  

Philips-F5SF23A-pic2.jpg ( 81 KB | 0 latausta )
Philips-F5SF23A-pic2.jpg

Suunnitellessanne radion ostoa, valitkaa Asa.
Sivun alkuun
 
IP kirjattu
 
mieite
God Member
*****
Poissa


SRHS

Viestejä: 805
Sijainti: Parainen
Re: Philips B5 SF 92A/Fenno F 295 V
Vastaus #6 - 19.03.2010 klo 20:26:00
Tulosta viesti  
Ja seuraava
  

Philips-F5SF23A-pic3.jpg ( 85 KB | 0 latausta )
Philips-F5SF23A-pic3.jpg

Suunnitellessanne radion ostoa, valitkaa Asa.
Sivun alkuun
 
IP kirjattu
 
mieite
God Member
*****
Poissa


SRHS

Viestejä: 805
Sijainti: Parainen
Re: Philips B5 SF 92A/Fenno F 295 V
Vastaus #7 - 19.03.2010 klo 20:26:49
Tulosta viesti  
Ja seuraava.
  

Philips-F5SF23A-pic4.jpg ( 83 KB | 0 latausta )
Philips-F5SF23A-pic4.jpg

Suunnitellessanne radion ostoa, valitkaa Asa.
Sivun alkuun
 
IP kirjattu
 
Jukka Rajala
God Member
*****
Poissa


SRHS

Viestejä: 1466
Sijainti: Helsinki
Re: Philips B5 SF 92A/Fenno F 295 V
Vastaus #8 - 19.03.2010 klo 20:38:03
Tulosta viesti  
Tämä on mainio laite kokeilla sorminäppäryyttä ja hermon kestävyyttä huollettaessa.

Laitteessa ei ole muuta hankalaa kuin saada sormet mahtumaan esim asteikkolamppuja vaihdettaessa,ja chassista ei saa ulos ennenkuin on irrottanut levysoittimen.

Mutta..lopputulos on palkitsevaa,ja on muutamaa kokemusta rikkaampi.  Kliseinen
  
Sivun alkuun
 
IP kirjattu
 
Timo Haveri
God Member
*****
Poissa



Viestejä: 2962
Sijainti: Parkano
Re: Philips B5 SF 92A/Fenno F 295 V
Vastaus #9 - 19.03.2010 klo 20:58:54
Tulosta viesti  
Lainaus:
Tämä on mainio laite kokeilla sorminäppäryyttä ja hermon kestävyyttä huollettaessa ...

Totta puhut. Kerran meinasi hermo mennä kun piti vaihtaa asteikkolamppu vastaavaan radioon. Eikä siinä edes ollut levysoitinta. Homma kesti varmaan puoli tuntia mutta sain sen kuitenkin paikalleen irrottamatta koneistoa. Asiaa ei helpottanut yhtään se, että lamppu on kiinni läpivientikumin tapaisessa pidikkeessä ja kumi oli tietenkin täysin kovettunut 50 vuodessa. Vihainen Vihainen

Mutta varsinaista sorminäppäryyttä tarvitaan kaikkein pienimmissä Philipsien (50-luvun loppupuolen) malleissa joissa komponentit on koneiston alla sullottu neljään kerrokseen ja ympärillä on 2 mm tilaa...

Timo
  
Sivun alkuun
WWW  
IP kirjattu
 
mieite
God Member
*****
Poissa


SRHS

Viestejä: 805
Sijainti: Parainen
Re: Philips B5 SF 92A/Fenno F 295 V
Vastaus #10 - 19.03.2010 klo 21:07:39
Tulosta viesti  
Ja minä kun luulin että tämä on harvinaisempi Philipsi kun se alkaa F5SF, muut minulla olevat ovat BxSF alkuisia.
Toin sen tänään kotiin ja alustava suunnitelma on että mikä irti lähtee niin sen irroitan jotta pääsen kunnostamaan kopan.
Kunhan saan Sabaan, josta on toisaalla juttua, konkat vaihdettua niin on tämän vuoro.

Nisse
  

Suunnitellessanne radion ostoa, valitkaa Asa.
Sivun alkuun
 
IP kirjattu
 
Timo Haveri
God Member
*****
Poissa



Viestejä: 2962
Sijainti: Parkano
Re: Philips B5 SF 92A/Fenno F 295 V
Vastaus #11 - 19.03.2010 klo 21:34:41
Tulosta viesti  
mieite kirjoitti 19.03.2010 klo 21:07:39:
Ja minä kun luulin että tämä on harvinaisempi Philipsi kun se alkaa F5SF, muut minulla olevat ovat BxSF alkuisia.
Toin sen tänään kotiin ja alustava suunnitelma on että mikä irti lähtee niin sen irroitan jotta pääsen kunnostamaan kopan.
Kunhan saan Sabaan, josta on toisaalla juttua, konkat vaihdettua niin on tämän vuoro.

Nisse

F mallinumerossa tarkoittaa, että radio on levysoittimella varustettu ja B tarkoittaa pöytämallia. Seuraava numero kertoo "laatuluokan": 9 on luksusmalli ja 1 on kaikkein halvin ja yksinkertaisin malli. Tuo kahdella ECL82 putkella varustettu koneisto ei sinällään ole mikään harvinaisuus. Sellaisia on minullakin pari kappaletta ja lisäksi pari stereomallia (4 x ECL82) (kaikki ovat "B"-malleja). Levysoitinmalleja ei ole luonnollisestikaan valmistettu yhtä paljon kuin pöytämalleja, joten kyllä ne ovat harvalukuisempia mutta en menisi silti sanomaan niitä mitenkään harvinaisiksi.

Timo
  
Sivun alkuun
WWW  
IP kirjattu
 
Jukka Rajala
God Member
*****
Poissa


SRHS

Viestejä: 1466
Sijainti: Helsinki
Re: Philips B5 SF 92A/Fenno F 295 V
Vastaus #12 - 19.03.2010 klo 21:38:15
Tulosta viesti  
Lainaus:
Lainaus:
Tämä on mainio laite kokeilla sorminäppäryyttä ja hermon kestävyyttä huollettaessa ...

Totta puhut. Kerran meinasi hermo mennä kun piti vaihtaa asteikkolamppu vastaavaan radioon. Eikä siinä edes ollut levysoitinta. Homma kesti varmaan puoli tuntia mutta sain sen kuitenkin paikalleen irrottamatta koneistoa. Asiaa ei helpottanut yhtään se, että lamppu on kiinni läpivientikumin tapaisessa pidikkeessä ja kumi oli tietenkin täysin kovettunut 50 vuodessa. Vihainen Vihainen

Mutta varsinaista sorminäppäryyttä tarvitaan kaikkein pienimmissä Philipsien (50-luvun loppupuolen) malleissa joissa komponentit on koneiston alla sullottu neljään kerrokseen ja ympärillä on 2 mm tilaa...

Timo


Ja kaiken kruunasi se että lamput on pyöreä lasikupumallia,pitkäkupuista saa jo mallata kohdilleen.Ne kumitötsät tosiaan,aargh..!

Mulla hajosti yksi lampunkanta,eristeaine oli hapertunut ja piti lähteä metsästämään kantaa.Bebekistä ostin pussillisen.

Vinkkinä tälläistä entisöivälle:Jos laite brummaa,eli kuullostaa kuin verkko-elko olisi sökö ei vika ole välttämättä elkossa.
Kannattaa tsekata pääteasteen hilaetujännitteen tasasuuntajana toimiva OA95 diodi ,se saattaa olla falskaavaa sorttia ja brummi tulee siitä.

Verkko-elko on hankalasti saatavaa mallia,siinä 4 napaa ,tein potilaana olleeseen erillis-elkoista korvaavan paketin.

Edit:Lampunpitiminä toimivat kumitötsät on tavallisia läpivientikumeja,niitä saanee esim Teollisuus -Etolasta vai ETRAko se nykyään on.
« Viimeksi muokattu: 19.03.2010 klo 21:58:43 Kirjoittaja Jukka Rajala »  
Sivun alkuun
 
IP kirjattu
 
mieite
God Member
*****
Poissa


SRHS

Viestejä: 805
Sijainti: Parainen
Re: Philips B5 SF 92A/Fenno F 295 V
Vastaus #13 - 19.03.2010 klo 21:49:00
Tulosta viesti  
Mukana tulleesta käyttöohjeesta kopioitua tietoa.
Putket. ECC 85, EHC 81, EBF 89, EABC 80, 4kpl ECL 82 ja EM 84.
Germaniumdiodit. 2kpl OA 79.
Seleenitasasuuntaja. B 155/C 120.
Asteikkolamput. 2kpl 8045 D-00, 6,3 V/0,3 A.
Sulakkeet. Lämpösulake sekä lasiputkisulake 200 mA 5X20mm.

Levysoitin on muuten mallia AG 2056 SF/40.

Lisätty. SRHS CD-1:seltä ei löydy kykentäkaavaa tähän radioon enkä myös netistä löytänyt, olisiko jollakulla tarjota ?

Nisse
  

Suunnitellessanne radion ostoa, valitkaa Asa.
Sivun alkuun
 
IP kirjattu
 
Jukka Rajala
God Member
*****
Poissa


SRHS

Viestejä: 1466
Sijainti: Helsinki
Re: Philips B5 SF 92A/Fenno F 295 V
Vastaus #14 - 19.03.2010 klo 21:56:29
Tulosta viesti  
Kyseisen radion käyttönappuloiden logiikka on aika metka,pääteaste toimii stereona vasta kun stereokytkin on alaspainettuna,ja samoin balanssisäätö aktivoituu.Kannattaa tutustua skeman kytkinlogiikkaan ja toiminta kirkastuu sen avulla.

Tein tuttavani Philipsiin rca-liitin adapterin ja laite on nyt cd-soittimen päätteenä,radionkuuntelun ohessa.
  
Sivun alkuun
 
IP kirjattu
 
Sivunvalintanappi Sivu: [1] 2 3 
Lähetä aiheTulosta