Valitse kieli:
English
Suomi
Tervetuloa, Vieras. Ole hyvä ja
kirjaudu
tai
Rekisteröidy
Koti
Ohjeita
Haku
Kirjaudu
Rekisteröidy
Liity SRHS:n jäseneksi
SRHS Forum
›
Suomen Radiohistoriallinen Seura ry - Keskustelufoorumi
›
Entisöinti ja kunnostus yleisellä tasolla
› Helvar Celeston Royal -entisöinti
‹
Edellinen aihe
|
Seuraava aihe
›
Sivu:
[1]
2
Lähetä aihe
Tulosta
Helvar Celeston Royal -entisöinti (Luettu 20897 kertaa)
Pekka Tervahartiala
Junior Member
Poissa
SRSH
Viestejä: 57
Sijainti: Helsinki
Helvar Celeston Royal -entisöinti
21.10.2009 klo 18:53:39
Tulosta viesti
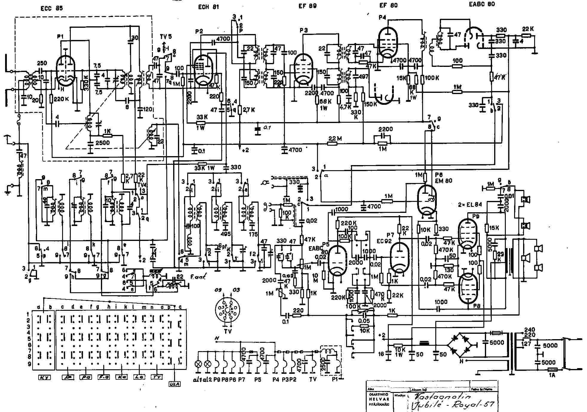
Pelastin siirtolavalta varsin siistin [b]Helvar Celeston Royal[/b]'in (valm n:o 672798). Kun tihkusateen kastelema vehje oli kuivunut, virta päälle ja kappas, ULA:lta kuului hiljaisesti jotain. Ei ehkä ihan toivoton tapaus. Kytkentäkaavion sain SRHS:lta - kiitokset ripeästa avusta!
Paperikonkkia mittasin Isotestillä - lämpimät kiitokset SHRS:n Isotest -sarjasta: olen koonnut kaikenlaisia rakennussarjoja, mutta tämä oli ensimmäinen, jossa oli kaikki osat [u]ja[/u] toimivat ohjeet [u]ja[/u] lopputulos pelitti laakista. Syvä kumarrukseni Timo Haverille!
Niin, paperikonkkien vastus vaihteli 2-50 Mohmin välillä eikä ollut ihme, jos putkien toimintapisteet olivat metsässä. Vaihdoin kaikki löytämäni evox-paperikonkat, joista monen lakkaus olikin säröillyt rikki. Virta päälle ja johan alkoi ULA löytyä äänekkäästi - tehot olivat tallella, mutta äänenlaatu ei. Pääteputket (EL84) olivat eri merkkiset - ilmeisesti vaihdetut jo 1-2 kertaa. Muut putket olivat alkuperäisen oloisia paperivöineen, joissa oli erotettavissa tyyppimerkkejä.
Hankin sarjoitetun EL84-parin ja äänenlaatu parani reilusti - paljastaen seuraavan pulman:
ULA:n herkkyys oli varsin vaatimaton ja selektiokin kehno: vahva asema kuului isolta alueelta ja maagisen silmän toiminta oli, ehem, hieman maagista. Muilta aaltoalueilta ei kuulunut kuin vaimeaa kohinaa - ferriittiantennilla tai asemanhaun pyörityksellä ei ollut vaikutusta. Kytkimet ja potikat olin käsitellyt kontaktisprayllä ja ne toimivat rutinoitta. Kelojen pöntöt olivat siistit ja lakkaukset ehjät.
Kysymykseni kuuluu, viittaako tuo ULA:n herkkyys/selektio-ongelma ja muiden aaltoalueiden kuulumattomuus johonkin putkivikaan (ja mihin putkeen) vai onko kyse jostain muusta viasta?
Kaikki kommentit otetaan kiitollisena vastaan!
Pekka T.
Helvar_celeston_Royal_kytkk.jpg
( 164 KB | 0 latausta )
IP kirjattu
Timo Haveri
God Member
Poissa
Viestejä: 2962
Sijainti: Parkano
Re: Helvar Celeston Royal -entisöinti
Vastaus #1 -
22.10.2009 klo 00:07:44
Tulosta viesti
Kiitos kiitoksista :)
Kokeile vaihtaa putki ECC85 uuteen. Yleensä se auttaa. Joskus myös ECH81 vikaantuu niin, että ULA kuuluu kyllä mutta AM ei. Mutta kokeile ensin muutaman metrin johdonpätkällä antennina jos sieltä jotain kuuluisi. Tai oikeastaan ihan ensin kannattaa putsata putken kannat ja pinnit hyvin. Jos putkea heiluttelemalla kuuluu rutinaa tms. niin kannan ja pinnin välissä voi olla kosketushäiriötä.
Timo
WWW
IP kirjattu
Pekka Tervahartiala
Junior Member
Poissa
SRSH
Viestejä: 57
Sijainti: Helsinki
Re: Helvar Celeston Royal -entisöinti
Vastaus #2 -
23.10.2009 klo 19:30:56
Tulosta viesti
Kiitokset neuvoista, Timo!
Sain hankitua käyttämättömän(?) Philips Minivatt ECC85:n. Selektioon tuli hieman parannusta ja herkkyys parani = äänenvoimakkuus lisääntyi. Edelleen äänessä on selvästi säröä, kun maagisen silmän mukaan sääti aseman kohdalleen. Paras äänenlaatu tuli selvästi sivuun viritettäessä, mutta silloinkaan ääni ei ole puhdas.
Keskipitkiltä kuului nyt 2m lanka-antennilla ja volyymi täysillä hiljaisesti molotusta ja yksi saksankielinenkin asema. Lyhyiltä ja pitkiltä aalloita ei kuulunut kuin pääteasteen kohinaa.
Putkien nitkuttelu ei aiheuttanut rutinoita eikä kytkimistäkään tule mitään selvää vihjettä kontaktiviasta. Laitteen sisikunta on oikein siisti - radio ei kaikesta päätellen ole ollut tupakoitsevan perheen keittiössä.
Seuraavaksi yritän hankkia ECH81-putken.
Kaikki korjausvihjeet tervetulleita!
PekkaT
IP kirjattu
TKH09
YaBB Newbies
Poissa
SRSH
Viestejä: 31
Sijainti: IMATRA
Re: Helvar Celeston Royal -entisöinti
Vastaus #3 -
23.10.2009 klo 20:35:00
Tulosta viesti
Hei,
useammin kuin kerran olen törmännyt ECH81 (tai vastaavaoskillaattori&sekoittajaputki) putken kohdalla sekä triodin, että heptodin kohdalla anodi/suojahilavastuksien arvon muuttumiseen, jolloin AM alueet ovat olleet mykkiä. Viimeksi Philips B4SF72A: triodin anodivastus oli 63kohm kun oikea arvo oli 33k ja heptodin suojahilavastus oli 186k (!) kun oikea arvo olisi ollut 33k. Vaihdon jälkeen AM heräsi eloon. Myös näköviritysputkien vastukset ovat kärsineet usein samoista ongelmista.
Tenho Hätönen
IP kirjattu
Jukka Rajala
God Member
Poissa
SRHS
Viestejä: 1466
Sijainti: Helsinki
Re: Helvar Celeston Royal -entisöinti
Vastaus #4 -
23.10.2009 klo 20:46:32
Tulosta viesti
TKH09 kirjoitti
23.10.2009 klo 20:35:00:
Hei,
useammin kuin kerran olen törmännyt ECH81 (tai vastaavaoskillaattori&sekoittajaputki) putken kohdalla sekä triodin, että heptodin kohdalla anodi/suojahilavastuksien arvon muuttumiseen, jolloin AM alueet ovat olleet mykkiä. Viimeksi Philips B4SF72A: triodin anodivastus oli 63kohm kun oikea arvo oli 33k ja heptodin suojahilavastus oli 186k (!) kun oikea arvo olisi ollut 33k. Vaihdon jälkeen AM heräsi eloon. Myös näköviritysputkien vastukset ovat kärsineet usein samoista ongelmista.
Tenho Hätönen
Olen törmännyt samoihin ongelmiin Philipseissä,vastusten arvot ja jopa poikkinaisia on samassa koneessa useita.
Tänään valmiiksi saamani Philips F5SF03A oli varsinainen moniosainen tehtävä,toisen pääteasteen oli mykistänyt sähköisesti poikkinainen vastus tai sitten vastusarvo oli jotain aivan 100M luokkaa,EM80:n kannalla oli yksi katkennut vastus,AVS-piirissä arvonsa muuttanut .. puhumattakaan muista ongelmista.Säilytyspaikkana radiolla oli ollut kostea paikka joten johtopäätöksena voisi pitää hiilimassavastusten huono kosteudensieto kyky.
IP kirjattu
Pekka Tervahartiala
Junior Member
Poissa
SRSH
Viestejä: 57
Sijainti: Helsinki
Re: Helvar Celeston Royal -entisöinti
Vastaus #5 -
25.10.2009 klo 21:51:29
Tulosta viesti
Vastuksia on nyt mitattu urakalla. Isoja poikkeamia ei oikeastaan löytynyt - suurin oli tuon ECH81:n triodiosan anodivastuksen poikkeama (oli 42k, oikea arvo on 33k). Vaihdoin virittimen P2-4 -putkien suojahilavastukset ja erinäisiä vähän "töhnäisiä" anodivastuksia. ECH81:n 33k suojahila- ja anodivastukset käyvät aika kuumina - kaaviossa ilmoitettu 1w tehonkesto on tosi tarpeen.
Vastusten vaihdot eivät tuoneet äänenlaatuun tai virittimen vikoihin parannusta - ULAN:n selektio & herkkyys ovat vaatimattomat ja keskipitkiltä kuuluu vain pari voimakkainta asemaa ihan kuiskaten.
Laitoin levysoitinliittimeen ulkoisesta äänilähteestä signaalia ja sen perusteella pääteaste toimii ihan hyvin eikä särö ole sieltä peräisin. Siinä hyvästä äänenlaadusta nauttiessani totesin, että seleenitasasuuntaaja käy aika kuumana. Puolen tunnin jälkeen verkkomuuntajakin oli niin kuuma, että kättä siinä ei mielellään pidä. Sammutinkin vehkeen heti.
Yritän hommata varaputkia, jotta voisin kokeilla, onko virittimen vika putkilähtöinen.
Harmi, ettei kytkentäkaaviossa ole jännitetietoja tarjolla. Minulla on ihan hyvä digit. yleismittari ja Vellemanin tietokoneeseen liitettävä oskilloskooppilisälaite - värkkejä on, mutta tietoa ja älliä puuttuu.
Kommentit tervetulleita!
t. PekkaT
IP kirjattu
Reijo Nuutinen
Full Member
Poissa
SRHS jäsen 14
Viestejä: 183
Sijainti: Jyväskylä
Re: Helvar Celeston Royal -entisöinti
Vastaus #6 -
26.10.2009 klo 00:07:19
Tulosta viesti
Hei, jospa minäkin laittaisin jonkun kommentin:
1) Se ULA-vika voisi johtua ilmaisimesta tai välitaajuusvahvistimesta. Ilmaisimena on EABC80, kannattaisi kokeilla toisella. Samoin ilmaisimen 4 uF elko on usein kuiva ja huonontaa äänenlaatua. Sen ilmaisimen ominaiskäyrän pitäisi olla sellainen S-käyrä kuten kaikissa alan oppikirjoissa esitetään. Sen muotoa voi karkeasti korvakuuloltakin arvioida seuraavasti: Kun viritetään asemaa kohdalle, kuuluu ääni ensin hiljaa ja säröisenä, ollaan käyrän ensimmäisellä luiskalla. Säädettäessä eteenpäin ääni on hyvin säröinen, ollaan luiskien välisessä mutkassa. Eteenpäin viritettäessä tullaan varsinaiselle toimintaluiskalle, jossa ääni on puhdas ja voimakas. Edelleen säädettäessä pitäisi löytyä uusi säröinen mutka ja uusi luiska joka on yhtä laaja ja voimakas kuin ensimmäinenkin, ts. S-käyrän pitää olla symmetrinen. Jos näin ei tapahdu, niin ilmaisimessa on jotakin vikaa tai se on epävireessä.
2) Jos sen AM-osan asemanvalinta toimii, niin se tarkoittaa, että oskillaattori toimii. Herää kysymys: johtuuko AM- ja ULA-vika samasta syystä? Yhteisiä osia ovat putket ECH81 (ULA-vt.vahv. / AM-sek.) ja EF89 välitaajuusvahvistin. Molemmilla putkilla anodijännitteen pitäisi olla 250 V:n suuruusluokkaa ja suojahilajännitteen n. 100 V ilman signaalia.
3) Jos se radio lämpenee liikaa, niin senkin syy täytyy selvittää. Aivan ensimmäiseksi kannattaa jännitteenvalitsin kääntää 240 V:lle ellei se jo ole. Jos verkkomuuntaja ja tasasuuntaaja lämpenevät normaalia enemmän, niin jokin ottaa liikaa tehoa ja se jokin lämpenee myös. Mm. suotoelko kannattaa kokeilla, ei saa lämmetä. Pääteaste on suurin tehon kuluttaja ja sen toiminta kannattaa tarkastaa. Pääteputkien hiloilta maata vasten mitattaessa ei saa olla tasajännitettä. Katodeilla pitäisi olla n. 9V.
Terv. Reijo
IP kirjattu
Pekka Tervahartiala
Junior Member
Poissa
SRSH
Viestejä: 57
Sijainti: Helsinki
Re: Helvar Celeston Royal -entisöinti
Vastaus #7 -
28.10.2009 klo 18:58:49
Tulosta viesti
Kiitos hyvistä kommenteista!
1.) ULA-virityksessa just tuo ominaiskäyrä on varmaan pielessä - en vaan osannut sanallisesti kuvata sitä oikein. Tällä hetkellä ääni on voimakas väärässä kohtaa luiskaa ja "käyrä" on täysin epäsymmetrinen. Siksi virityssilmänkään näkymä ei korreloi oikein äänenvoimakkuuden kanssa.
Sen 4uF konkan olen jo aikaisemmin vaihtanut saman arvoiseen polyesterikonkkaan. Ei kai se haittaa, että en laittanut siihen lyyttiä?
Olen hankkimassa uutta EABC 80-putkea - saas nähdä, korjaantuuko tilanne sitten.
2.-3.) Kiitos noista jännitearvoista - tulen mittamaan ne, kun viikonlopuksi saanen uusia putkia.
Jännitteenvalitsimen olin kääntänyt jo aikaisemmin 240V asentoon ja virtalähteen elkot vaihdoin heti kättelyssä korvaten 50uF lyytit 100uF 400V konkilla, mutta 16uF lyytin kokoa en kasvattanut.
Päätteen katodivastuksen uusin ja katodivastuksen yli on just 9V. Anodijännitettä löytyy 270V. Pääte uusine EL84-putkineen tuntuu toimivan ihan moitteetta ainakin korvakuulolta, kun syötin levysoitinliintäntään musiikkisignaalia (sinillä / skoopilla en ole vielä katsonut).
Voiko muuten seleenitasasuuntaajaan tulla jotain sisäistä vikaa, joka aiheuttaisi lämpenemistä?
Pekka T.
IP kirjattu
Jukka Rajala
God Member
Poissa
SRHS
Viestejä: 1466
Sijainti: Helsinki
Re: Helvar Celeston Royal -entisöinti
Vastaus #8 -
28.10.2009 klo 19:12:05
Tulosta viesti
Ei kait verkkolyytin tuplaantunut arvo nyt kuormita sitä seleenitasuria,niissä on aika rajallinen virransietokyky,,se pitää olla pohjaplootussa kiinni myös.
Seleenitasurit potee myös vanhenemisilmiötä,eli niiden sisäinen vastus kasvaa.Siksi ehkä lämpenee.
IP kirjattu
Pekka Tervahartiala
Junior Member
Poissa
SRSH
Viestejä: 57
Sijainti: Helsinki
Re: Helvar Celeston Royal -entisöinti
Vastaus #9 -
28.10.2009 klo 20:08:33
Tulosta viesti
Seleenitasasuuntaaja on alkuperäinen ja alkuperäisellä paikallaan chassiksen takapellissä kiinni.
Tasasuuntaussillan yli olevan 5000pF kondensaattorin uusin muovikonkalla.
Voiko tuon seleenitasasuuntaajan ohittaa viileän rauhallisesti diodisillalla?
PekkaT
IP kirjattu
maunujjanne
Full Member
Poissa
SRSH
Viestejä: 159
Sijainti: Jyväskylä
Re: Helvar Celeston Royal -entisöinti
Vastaus #10 -
28.10.2009 klo 21:40:49
Tulosta viesti
Tästä aiheesta minäkin kaipaisin kuulla kommenttia.
Omissa korjauksissa olen vaihtanut seleenivehkeitten paikalle diodisiltoja ja en ole havainnut muuta kuin että hyvin toimii, ei tule hurinoita ja jännitteet asettuvat kertaheitolla kohdalleen ainakin pääteputken kannalla.
Mitä sanovat gurut ja viisaat miehet?
IP kirjattu
Jukka Rajala
God Member
Poissa
SRHS
Viestejä: 1466
Sijainti: Helsinki
Re: Helvar Celeston Royal -entisöinti
Vastaus #11 -
29.10.2009 klo 09:36:14
Tulosta viesti
Kyllä pii-diodeilla voi korvata antiikkiset tasurit,hajonneen seleenitasurin kuoriin voi tehdä erillisdiodeista
sillan kunhan muistaa eristää sen kuorista hyvin.
IP kirjattu
sepporauhala
YaBB Newbies
Poissa
SRSH
Viestejä: 21
Re: Helvar Celeston Royal -entisöinti
Vastaus #12 -
29.10.2009 klo 11:27:30
Tulosta viesti
Lainaus:
Kyllä pii-diodeilla voi korvata antiikkiset tasurit,hajonneen seleenitasurin kuoriin voi tehdä erillisdiodeista
sillan kunhan muistaa eristää sen kuorista hyvin.
Tarvitaanko erillisdiodeilla tehtyyn tasuriin lisätä sarjavastusta seleenin sisäisen vastuksen 'korvaamiseksi'?
-seppo-
IP kirjattu
Timo Haveri
God Member
Poissa
Viestejä: 2962
Sijainti: Parkano
Re: Helvar Celeston Royal -entisöinti
Vastaus #13 -
29.10.2009 klo 12:02:22
Tulosta viesti
sepporauhala kirjoitti
29.10.2009 klo 11:27:30:
Tarvitaanko erillisdiodeilla tehtyyn tasuriin lisätä sarjavastusta seleenin sisäisen vastuksen 'korvaamiseksi'?
-seppo-
Anodijännitteestä tulee suurempi piidiodeja käytettäessä, joten jos haluaa saada jännitetasot alkuperäisen mukaisiksi niin vastus olisi hyvä laittaa. Kaikissa tapauksissa ei varmaan jännitteen lisäyksellä ole suurta merkitystä mutta itse olen aina laittanut vastuksen varmuuden vuoksi, eipä ainakaan paikat käy liian kuumana. Se myös hieman rajoittaa suodatuselkojen käynnistysvirtapiikkiä.
Timo
WWW
IP kirjattu
Jukka Rajala
God Member
Poissa
SRHS
Viestejä: 1466
Sijainti: Helsinki
Re: Helvar Celeston Royal -entisöinti
Vastaus #14 -
29.10.2009 klo 13:36:37
Tulosta viesti
Vastus kannattaa mallata sen mukaan miten verkko-osan jänniteselektori on asetettu.
t,Jukka
IP kirjattu
Sivu:
[1]
2
Lähetä aihe
Tulosta
‹
Edellinen aihe
|
Seuraava aihe
›
Foorumihyppy »
Koti
» 10 viimeisintä viestiä
» 10 viimeisintä aihetta
Suomen Radiohistoriallinen Seura ry - Keskustelufoorumi
Suomen Radiohistoriallinen Seura ry
Jäsenalue
Yleistä radiohistoriasta
Kotimaiset radiot, televisiot ja äänentoistolaitteet
Ulkomaiset radiot, televisiot ja äänentoistolaitteet
Muut radio- ja elektroniikkalaitteet
Entisöinti ja kunnostus yleisellä tasolla ««
Omatekoiset laitteet ja rakentelu
Sotilasradiot ja Perinneradiot
Yleinen keskustelualue
Niitä Näitä
Haku päällä
« Koti
‹ Alue
SRHS Forum
» Powered by
YaBB 2.6.12
!
YaBB Forum Software
© 2000-2026. Kaikki oikeudet pidätetään.