Valitse kieli:
English
Suomi
Tervetuloa, Vieras. Ole hyvä ja
kirjaudu
tai
Rekisteröidy
Koti
Ohjeita
Haku
Kirjaudu
Rekisteröidy
Liity SRHS:n jäseneksi
SRHS Forum
›
Suomen Radiohistoriallinen Seura ry - Keskustelufoorumi
›
Yleinen keskustelualue
› S-käyrä ja fm radion säröinen ääni
‹
Edellinen aihe
|
Seuraava aihe
›
Sivu: 1
Lähetä aihe
Tulosta
S-käyrä ja fm radion säröinen ääni (Luettu 2161 kertaa)
Vekku
Full Member
Poissa
SRHS
Viestejä: 221
Sijainti: Luumäki
S-käyrä ja fm radion säröinen ääni
15.02.2020 klo 11:24:28
Tulosta viesti
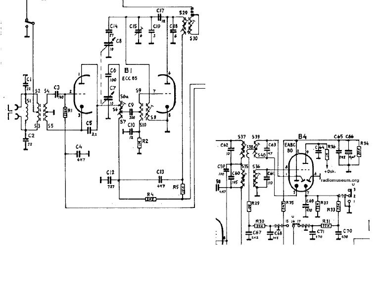
Pöydällä ollut pitkään Phips b5sf01a "viritysasennossa". Virittämällä fm välitaajuusmuuntajat sain radioon herkkyyttä jonkinverran lisää verrattuna alkutilanteeseen. Useita asemia kuuluu ilman antenniakin. Äänenlaatua en vaan saa hyväksi.
Pientaajuusasteessa ääni ei säröydy. ECC85, ECH81 ja EABC80 kokeiltu uusilla putkilla, ei vaikutusta. Välitaajuusputkelle EBF89 ei ollut vaihtaria.
Liitekuvan ohjeilla mennään. Virityslaitteina Rigolin skooppi ja Hp8601A generaattori ja Hp8600A markkeri.
Toisesta liitekuvasta löytyy nuo ohjeiden pisteet:
Piste 6 lista 1 on EABCn pinni2.
Piste 11 lista 1 on R29, R30 ja C67 juotospiste.
Piste 11 lista 4 on C12, C13 ja R4 juotospiste.
«
Viimeksi muokattu: 15.02.2020 klo 11:41:29 Kirjoittaja Vekku
»
Viritys.jpg
( 112 KB | 188 latausta )
Skooppi_ja_sweeppi.jpg
( 91 KB | 191 latausta )
IP kirjattu
Vekku
Full Member
Poissa
SRHS
Viestejä: 221
Sijainti: Luumäki
Re: S-käyrä ja fm radion säröinen ääni
Vastaus #1 -
15.02.2020 klo 11:26:29
Tulosta viesti
Toinen välitaajuuskäyrä on tuonnäköinen.
2vali___.bmp
( 146 KB | 206 latausta )
IP kirjattu
Vekku
Full Member
Poissa
SRHS
Viestejä: 221
Sijainti: Luumäki
Re: S-käyrä ja fm radion säröinen ääni
Vastaus #2 -
15.02.2020 klo 11:31:20
Tulosta viesti
Alkuun en saanut s-käyrää ollenkaan järkevännäköiseksi, kunnes unohdin juottaa ilmaisimen lyytin takaisin kiinni. Jopa löytyi kaunis käppyrä!
Toisessa kuvassa sama käyrä + markkeri 10.7 Mhz.
Samalla huomasin että radion äänenlaatu on parempi kun ilmaisimen lyytti on irti. Lyytti kiinni virittämällä hieman sivuun saa äänen paremmaksi.
S_kdyrd.bmp
( 146 KB | 217 latausta )
S_kdyrd_markkeri.bmp
( 146 KB | 213 latausta )
IP kirjattu
Vekku
Full Member
Poissa
SRHS
Viestejä: 221
Sijainti: Luumäki
Re: S-käyrä ja fm radion säröinen ääni
Vastaus #3 -
22.02.2020 klo 16:37:22
Tulosta viesti
Liittyyköhän heikko äänenlaatu värähtelyyn joka on kapealla alueella n. 96.5r Mhz kohdalla. Värähtely on kuultavissa toisella radiolla. Millähän tuon saisi pois.
IP kirjattu
Sivu: 1
Lähetä aihe
Tulosta
‹
Edellinen aihe
|
Seuraava aihe
›
Foorumihyppy »
Koti
» 10 viimeisintä viestiä
» 10 viimeisintä aihetta
Suomen Radiohistoriallinen Seura ry - Keskustelufoorumi
Suomen Radiohistoriallinen Seura ry
Jäsenalue
Yleistä radiohistoriasta
Kotimaiset radiot, televisiot ja äänentoistolaitteet
Ulkomaiset radiot, televisiot ja äänentoistolaitteet
Muut radio- ja elektroniikkalaitteet
Entisöinti ja kunnostus yleisellä tasolla
Omatekoiset laitteet ja rakentelu
Sotilasradiot ja Perinneradiot
Yleinen keskustelualue ««
Niitä Näitä
Haku päällä
« Koti
‹ Alue
SRHS Forum
» Powered by
YaBB 2.6.12
!
YaBB Forum Software
© 2000-2026. Kaikki oikeudet pidätetään.