Valitse kieli:
English
Suomi
Tervetuloa, Vieras. Ole hyvä ja
kirjaudu
tai
Rekisteröidy
Koti
Ohjeita
Haku
Kirjaudu
Rekisteröidy
Liity SRHS:n jäseneksi
SRHS Forum
›
Suomen Radiohistoriallinen Seura ry - Keskustelufoorumi
›
Yleinen keskustelualue
› Putkitesteri ebaysta
‹
Edellinen aihe
|
Seuraava aihe
›
Sivu:
[1]
2
Lähetä aihe
Tulosta
Putkitesteri ebaysta (Luettu 10322 kertaa)
Matias
Full Member
Poissa
SRHS 904
Viestejä: 115
Sijainti: Evijärvi
Putkitesteri ebaysta
31.07.2017 klo 00:23:38
Tulosta viesti
Ebayssa näyttää olevan noita putkitestereitä ja osaan itse huonosti englantia pyytäisin että voisiko joku katsoa minulle putkitesterin sieltä? Minulle riittäisi sellainen joka kertoo vain putken kunnon, eli mitään sen kummempia herkkuja ei tarvitse olla. Siellä näkyi olevan niitä aika edukkaastikkin, heittäkää linkkejä tähän!
IP kirjattu
Markus Hautaniemi
God Member
Poissa
SRHS 81
Viestejä: 2588
Sijainti: Kokkola
Re: Putkitesteri ebaysta
Vastaus #1 -
31.07.2017 klo 01:20:01
Tulosta viesti
"kunnolliset" putkitesterit maksavat vähintäänkin satoja euroja. Eräs parhaista AVO MKIV "markkinahinta" ~700 - 2000 euroa. Miksi AVO MKIV maksaa niin paljon? Se on tunnetuimpia ja halutuimpia; niitä on aniharvoin myynnissä. Halvan emissiotesterin voi löytää jopa sadalla eurolla. Tässä on noin 300 euron
http://www.ebay.com/itm/Top-Kyoritsu-Tube-Tester-Kyoritsu-K-119-Tube-Chart-Japan...
.
Se on kuulemma kunnossa. Takuuta ei kutenkaan anneta. Eikä myöskään ole palautusoikeutta.
WWW
IP kirjattu
artosalo
God Member
Poissa
Viestejä: 2642
Sijainti: Perniö
Re: Putkitesteri ebaysta
Vastaus #2 -
31.07.2017 klo 08:36:32
Tulosta viesti
Putken kunnon testaamiseen ei välttämättä tarvita putkitesteriä.
Tosin tarvitaan säädettävät jännitelähteet anodi- ja suojahilajännitteelle sekä negatiiviselle hilaetujännitteelle, hehkujännitelähde, yksi tai kaksi virtamittaria (yleis-) sekä sopiva putkenkanta.
Putken voi testata kytkemällä kytkemällä sen jännitelähteisiin ja mittaamalla anodivirran eri hilaetujännitteillä. Referenssiarvot löytyvät putkivalmistajien datalehdiltä.
Näillä metodeilla olen pärjännyt, kun pitää arvioida putken kuntoa.
IP kirjattu
Ruokki
God Member
Poissa
Viestejä: 1781
Re: Putkitesteri ebaysta
Vastaus #3 -
31.07.2017 klo 09:05:47
Tulosta viesti
artosalo kirjoitti
31.07.2017 klo 08:36:32:
Putken kunnon testaamiseen ei välttämättä tarvita putkitesteriä.
Tosin tarvitaan säädettävät jännitelähteet anodi- ja suojahilajännitteelle sekä negatiiviselle hilaetujännitteelle, hehkujännitelähde, yksi tai kaksi virtamittaria (yleis-) sekä sopiva putkenkanta.
Putken voi testata kytkemällä kytkemällä sen jännitelähteisiin ja mittaamalla anodivirran eri hilaetujännitteillä. Referenssiarvot löytyvät putkivalmistajien datalehdiltä.
Näillä metodeilla olen pärjännyt, kun pitää arvioida putken kuntoa.
Em on jo putkitesteri; tosin ilman yhteistä koteloa!
Ruokki
IP kirjattu
RJL
God Member
Poissa
SRHS 612
Viestejä: 2749
Re: Putkitesteri ebaysta
Vastaus #4 -
31.07.2017 klo 10:49:35
Tulosta viesti
Niin, mikä kertoo putken kunnon? Kaikkein yksinkertaisimmat "testerit" mittaavat pelkän hehkulangan eheyden. Sitten on joukko testereitä, joissa putken kaikki elektrodit katodia lukuunottamatta kytketään yhteen, ja mitataan putken emissio diodina. Monipuolisimmissa testereissä mitataan vielä jollain tavalla putken jyrkkyys, ja elektrodien väliset vuodot. Tämä vuotoasia onkin yllättävän yleinen vikaantumistapa. Jos hehkulanka vuotaa katodiin, kehittyy anodivirtaan brummia. Jos vuoto on muiden elektrodien välinen, siirtyy putken toimintapiste pois oikealta paikaltaan. Tämä on kovasti tuttua ECLxx -putkissa, harvemmin EL84:ssä, mutta niitäkin on tullut vastaan.
Reijo Liljedahl - SRHS 612 - OH3AVA - SDXL 8092
IP kirjattu
Matias
Full Member
Poissa
SRHS 904
Viestejä: 115
Sijainti: Evijärvi
Re: Putkitesteri ebaysta
Vastaus #5 -
31.07.2017 klo 11:30:31
Tulosta viesti
Saisihan se olla sellainen kyllä joka kertoisi totuuden mukaisesti putken kunnon eikä vain sitä hehkua, mutta sellaiset ilmeisesti on jo sitten melko kalliita.
IP kirjattu
artosalo
God Member
Poissa
Viestejä: 2642
Sijainti: Perniö
Re: Putkitesteri ebaysta
Vastaus #6 -
31.07.2017 klo 11:52:36
Tulosta viesti
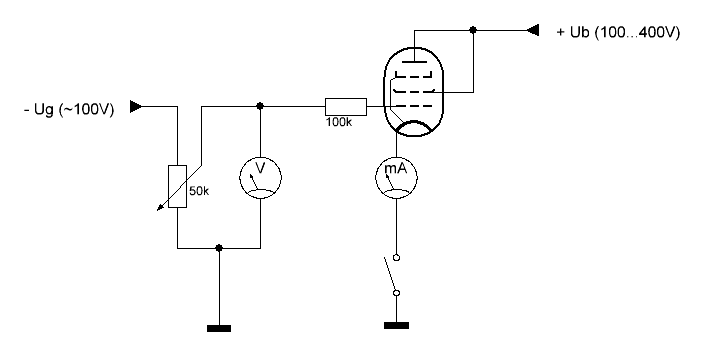
Tällaisella onnistuu testaus. Sopiva anodi- ja hilaetujännite löytyy putkidatoista.
Nuo tarvittavat jännitteet on aika helppo toteuttaa. Minullakin on sopivia regun piirilevyjä. Osat eivät maksa montaa euroa. Verkkomuuntaja ehkä 50 euroa.
Putkitesteri_simple.GIF
( 4 KB | 0 latausta )
IP kirjattu
Matias
Full Member
Poissa
SRHS 904
Viestejä: 115
Sijainti: Evijärvi
Re: Putkitesteri ebaysta
Vastaus #7 -
31.07.2017 klo 12:39:48
Tulosta viesti
Pitää ottaa talteen tuo mutta en usko että osaamiseni ihan vielä riittää tuohon, oisko sulla omastasi kuvaa laittaa ulkoapäin?
IP kirjattu
OH2FBX
God Member
Poissa
Viestejä: 1488
Sijainti: Hanko
Re: Putkitesteri ebaysta
Vastaus #8 -
31.07.2017 klo 12:40:31
Tulosta viesti
Kyllähän virtamittari (mA) voi olla katodin puolella, mutta silloin pitää muistaa laskea suojahilavirta mukaan. Täysin oikeaa jyrkkyyttä tuolla ei saa.
Virtamittari mittaamaan anodivirtaa olisi oikeaoppisempi. Vaarana on silloin mittarissa oleva korkea anaodijännite maahan nähden. Suojaerotusmuutaja tasuriin mukaan.
Matias
Hanki nyt ensin ne perusmittausvälineet
Ilmari Nikander
IP kirjattu
Matias
Full Member
Poissa
SRHS 904
Viestejä: 115
Sijainti: Evijärvi
Re: Putkitesteri ebaysta
Vastaus #9 -
31.07.2017 klo 12:50:18
Tulosta viesti
Mulla on ihan yleismittari ja sitten minikondensaattori mittari muita mittalaitteita ei ole, täällä varmasti on jossain juttua että mitä kannattais hankkia. Tuolla putkitesterillä nyt ei kiire ole kun sinä testaat.
IP kirjattu
Markus Hautaniemi
God Member
Poissa
SRHS 81
Viestejä: 2588
Sijainti: Kokkola
Re: Putkitesteri ebaysta
Vastaus #10 -
31.07.2017 klo 13:43:57
Tulosta viesti
Hyvä juotinasema, laadukasta lyijyllistä tinaa ja tinaimulankaa on suosittelen ensin hankkimaan. Kondensaattoreiden ESR-mittari on myös hyvä hankinta.
WWW
IP kirjattu
Matias
Full Member
Poissa
SRHS 904
Viestejä: 115
Sijainti: Evijärvi
Re: Putkitesteri ebaysta
Vastaus #11 -
31.07.2017 klo 13:48:17
Tulosta viesti
Itseasiassa mulla on enoni antama Wellerin laadukas juotinasema, lyijyllistä tinaa tinaimulanka joudun hankkimaan ja, sitten mulla on myöskin ebaysta ostettu ESR-mittari.
IP kirjattu
artosalo
God Member
Poissa
Viestejä: 2642
Sijainti: Perniö
Re: Putkitesteri ebaysta
Vastaus #12 -
31.07.2017 klo 13:53:10
Tulosta viesti
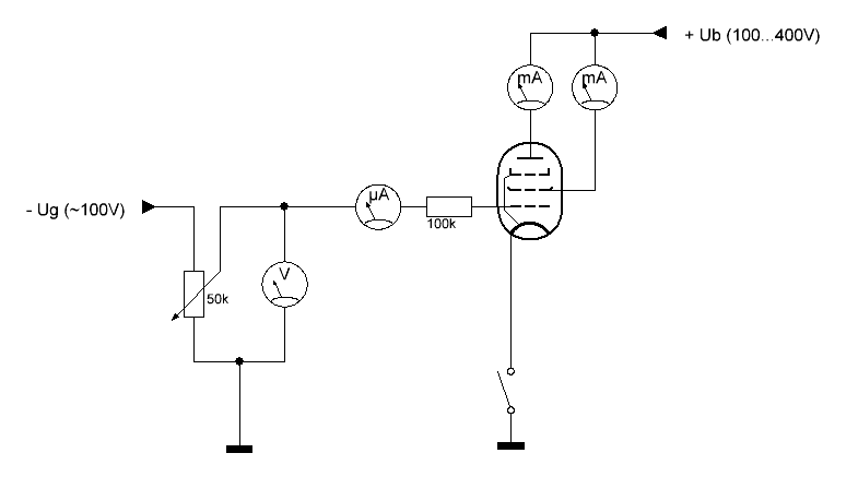
Putken voi myös "testata" juuri siinä kytkennässä, jossa se on, kunhan mittaa toimintapisteen ja vertaa putkidataan.
Tällä tavoin voi todeta suurimman osan loppuun palaneista putkista.
Se mitä Ilmari sanoi virtamittarin paikasta pitää tietysti paikkansa. Tarkoitukseni oli esittää mahdollisimman yksinkertainen kytkentä putkien testaamiseen.
Tässä sitten kehittyneempi versio, jolla voi todeta ohjaushilavirran, suojahila- ja anodivirran.
Putkiteteri_simple2.GIF
( 4 KB | 0 latausta )
IP kirjattu
OH2FBX
God Member
Poissa
Viestejä: 1488
Sijainti: Hanko
Re: Putkitesteri ebaysta
Vastaus #13 -
31.07.2017 klo 13:55:26
Tulosta viesti
Sullahan on hyvä alku. Kun tulee aika viritellä radioita niin tarvitset lisää. Eristysvastusmittari on hyvä kun etsii vuotavia konkkia. Eräät vanhat konkkat , mm. ns "pikinokat", alkavat vuotaa iän kasvaessa. ERS on elkoja varten, hyvä hankinta.
Ilmari Nikander
IP kirjattu
OH2EO
God Member
Poissa
SRHS
Viestejä: 1109
Re: Putkitesteri ebaysta
Vastaus #14 -
31.07.2017 klo 14:05:52
Tulosta viesti
Matias kirjoitti
31.07.2017 klo 13:48:17:
Itseasiassa mulla on enoni antama Wellerin laadukas juotinasema, lyijyllistä tinaa tinaimulanka joudun hankkimaan ja, sitten mulla on myöskin ebaysta ostettu ESR-mittari.
Hanki mielummin tinaimuri. Sen imusukan kanssa tuhraaminen on putkiradiohommissa aika ikävää.
Esim:
http://www.motonet.fi/fi/tuote/806710/Tinaimuri
Yleismittarilla ja sen käyttötaidolla pääsee pitkälle. ESR-mittarin hyöty on minimaalinen radiohommissa. Eristysvastusmittari olisi hyödyllisempi. Putket perinteisesti testataan vaihtamalla tunnetusti toimiva putki kokeeksi tilalle. Edellyttää tietysti kohtalaista putkivarastoa tai laitetta josta sen voi lainata.
Yleismittarin jälkeen mittalähetin olisi hyödyllisin hankinta, mutta sen käyttö vaatii jo kohtalaista osaamista.
IP kirjattu
Sivu:
[1]
2
Lähetä aihe
Tulosta
‹
Edellinen aihe
|
Seuraava aihe
›
Foorumihyppy »
Koti
» 10 viimeisintä viestiä
» 10 viimeisintä aihetta
Suomen Radiohistoriallinen Seura ry - Keskustelufoorumi
Suomen Radiohistoriallinen Seura ry
Jäsenalue
Yleistä radiohistoriasta
Kotimaiset radiot, televisiot ja äänentoistolaitteet
Ulkomaiset radiot, televisiot ja äänentoistolaitteet
Muut radio- ja elektroniikkalaitteet
Entisöinti ja kunnostus yleisellä tasolla
Omatekoiset laitteet ja rakentelu
Sotilasradiot ja Perinneradiot
Yleinen keskustelualue ««
Niitä Näitä
Haku päällä
« Koti
‹ Alue
SRHS Forum
» Powered by
YaBB 2.6.12
!
YaBB Forum Software
© 2000-2026. Kaikki oikeudet pidätetään.