Valitse kieli:
English
Suomi
Tervetuloa, Vieras. Ole hyvä ja
kirjaudu
tai
Rekisteröidy
Koti
Ohjeita
Haku
Kirjaudu
Rekisteröidy
Liity SRHS:n jäseneksi
SRHS Forum
›
Suomen Radiohistoriallinen Seura ry - Keskustelufoorumi
›
Entisöinti ja kunnostus yleisellä tasolla
› Saba Freiburg 7 ja automaattiviritys
‹
Edellinen aihe
|
Seuraava aihe
›
Sivu: 1
Lähetä aihe
Tulosta
Saba Freiburg 7 ja automaattiviritys (Luettu 3517 kertaa)
Ville-Matti
God Member
Poissa
SRSH<br />
Viestejä: 898
Saba Freiburg 7 ja automaattiviritys
28.12.2015 klo 21:00:37
Tulosta viesti
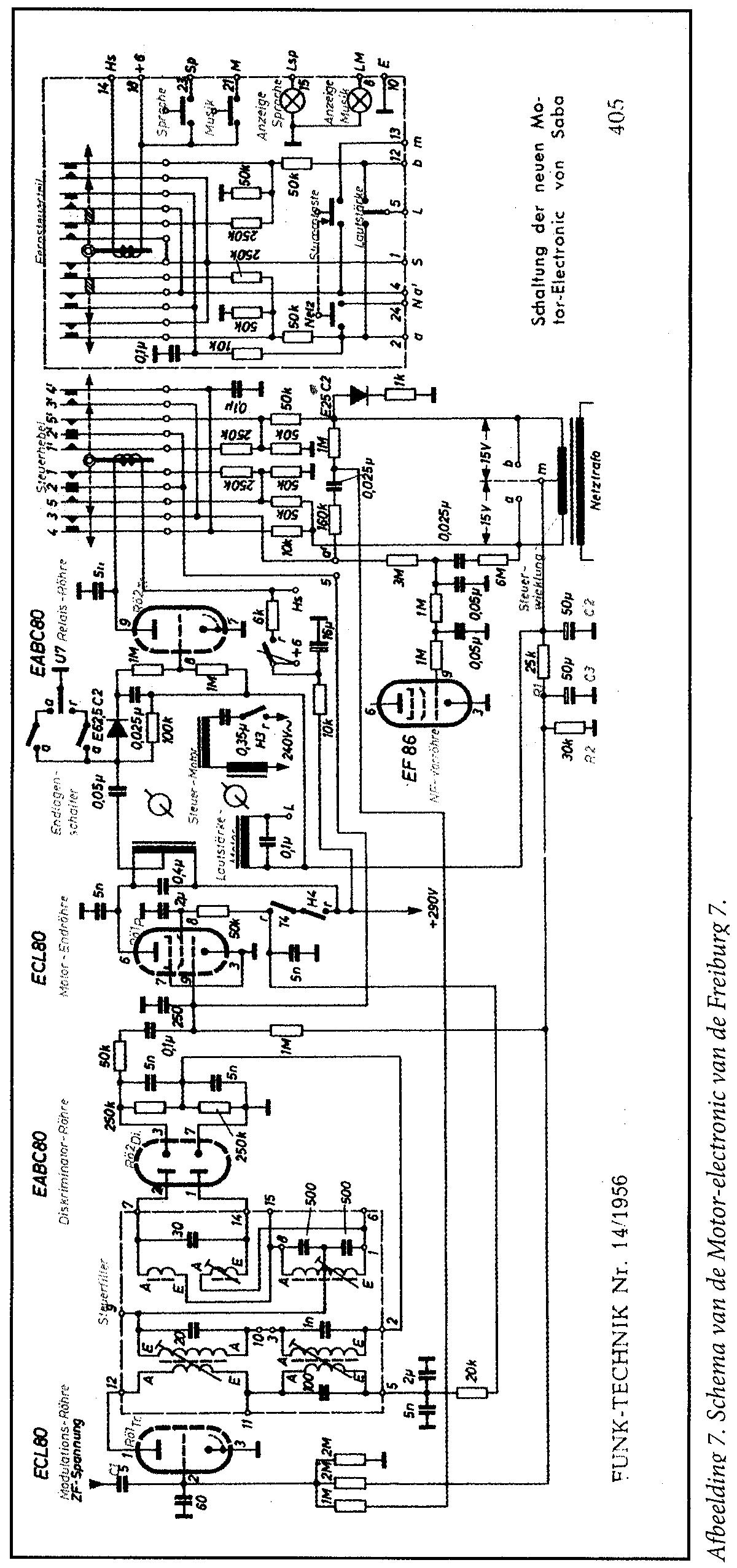
Jahas, alkoi Freiburginkin automaattiviritys oikutella. Automaatti näyttäisi olevan toimintakuntoinen pyrkien pitämään viritetyn kanavan kohdallaan, mutta hakutoiminto ei toimi. Moottori lähtee liikkeelle, mutta haun kytkettynä pitävä sähkömagneetti ei magnetisoidu. Eli hakunappi ei pysy hakuasennossa, vaan vapautuu heti, kun napista päästää irti. Sähkömagneettiin menevien johtojen päihin (skemassa Hs ja +6) koneistosta tulee noin 270 volttia. Mikähän kaikki tuon sähkömagneetin magnetoitumiseen vaikuttaa?
Vaihdoin myös tuon EABC80:n triodin anodilla olevan 5000 pF:n konkan, joka on tuossa sähkömagneetin kytkennässä - ei vaikutusta. Samassa linjassa oleva 6 kohmin vastus on ehjä. Myös 16 uF:n (korvattu 20 uF) elkon yhteydessä oleva 10 kohmin vastus on ehjä.
Mahtaakohan tuo sähkömagneettikäämi olla entinen?
Automaatti.jpg
( 488 KB | 0 latausta )
WWW
IP kirjattu
LGL
God Member
Poissa
SRSH
Viestejä: 575
Re: Saba Freiburg 7 ja automaattiviritys
Vastaus #1 -
29.12.2015 klo 11:07:33
Tulosta viesti
Tämä Saba on monimutkainen laite. Kokeile ensin uudella EABC80 ja putsaa varoen ohjausreleet. Älä käytä hiekkapaperia vaan hieno ohut viila.
LGL
IP kirjattu
Markus Hautaniemi
God Member
Poissa
SRHS 81
Viestejä: 2588
Sijainti: Kokkola
Re: Saba Freiburg 7 ja automaattiviritys
Vastaus #2 -
29.12.2015 klo 12:10:18
Tulosta viesti
Hienoviilan ohella voi relen kärkien puhdistukseen käyttää DeoxIT® tai jotain muuta tuhtia puhdistusainetta.
http://www.uraltone.com/elektroniikan-komponentit/tyokalut-ja-mittarit/kemikaali...
WWW
IP kirjattu
plamminen
God Member
Poissa
SRHS: 610
Viestejä: 1643
Sijainti: Loviisa
Re: Saba Freiburg 7 ja automaattiviritys
Vastaus #3 -
29.12.2015 klo 18:48:48
Tulosta viesti
Hieno viila voi olla sekin liian karkea. Puhelinkeskusten releitä puhdistettiin rele viilalla joka oli sileä litteä 0.1mm paksu metalli liuska jota varovasti hangattiin koskettimien välissä. Vaikka tuntui että mitään ei tapahtunut kyllä se kosketusta paransi. Ainetta mistä ovat tehty en tiedä, jotain jousiteräksen tuntuista.
Pentti Lamminen
IP kirjattu
Sivu: 1
Lähetä aihe
Tulosta
‹
Edellinen aihe
|
Seuraava aihe
›
Foorumihyppy »
Koti
» 10 viimeisintä viestiä
» 10 viimeisintä aihetta
Suomen Radiohistoriallinen Seura ry - Keskustelufoorumi
Suomen Radiohistoriallinen Seura ry
Jäsenalue
Yleistä radiohistoriasta
Kotimaiset radiot, televisiot ja äänentoistolaitteet
Ulkomaiset radiot, televisiot ja äänentoistolaitteet
Muut radio- ja elektroniikkalaitteet
Entisöinti ja kunnostus yleisellä tasolla ««
Omatekoiset laitteet ja rakentelu
Sotilasradiot ja Perinneradiot
Yleinen keskustelualue
Niitä Näitä
Haku päällä
« Koti
‹ Alue
SRHS Forum
» Powered by
YaBB 2.6.12
!
YaBB Forum Software
© 2000-2026. Kaikki oikeudet pidätetään.