Valitse kieli:
English
Suomi
Tervetuloa, Vieras. Ole hyvä ja
kirjaudu
tai
Rekisteröidy
Koti
Ohjeita
Haku
Kirjaudu
Rekisteröidy
Liity SRHS:n jäseneksi
SRHS Forum
›
Suomen Radiohistoriallinen Seura ry - Keskustelufoorumi
›
Kotimaiset radiot, televisiot ja äänentoistolaitteet
› Luxor Ambassadör 3398W ja kapea viritysviuhka
‹
Edellinen aihe
|
Seuraava aihe
›
Sivu:
[1]
2
Lähetä aihe
Tulosta
Luxor Ambassadör 3398W ja kapea viritysviuhka (Luettu 16278 kertaa)
Ville-Matti
God Member
Poissa
SRSH<br />
Viestejä: 898
Luxor Ambassadör 3398W ja kapea viritysviuhka
05.11.2015 klo 12:48:18
Tulosta viesti
Hei,
Otsikon mukainen Ambassadör toimii muuten hyvin, mutta viritysputken viuhka ei aukea voimakkaasti kuluvilla kanavillakaan kuin aavistuksen. Suhdeilmaisimen kanssa lähtisin liikkeelle vaihtamalla ilmaisin elkon, mutta tässä foster-seeley -ilmaisimessa ei sellaista ole. Mistä kannattaa lähteä liikkeelle vikaa selvittämään?
Herkkyydessä ei kuitenkaan ole vikaa, sillä heikommankin kuuluvuuden kanavat kuuluvat Ambassadörillä häiriöttä (tällöin viritysviuhka ei tosin aukea juuri ollenkaan).
Aloitin keskustelua tästä aiheesta jo joskus aikaisemminkin, mutta ajan puutteessa homma jäi ja unohtui, enkä enää löytänyt aikaisempaa viestiketjua.
Avusta kiittäen, Ville
WWW
IP kirjattu
akenyh
God Member
Poissa
SRHS 257
Viestejä: 1155
Sijainti: Halikko (Salo)
Re: Luxor Ambassadör 3398W ja kapea viritysviuhka
Vastaus #1 -
05.11.2015 klo 18:02:32
Tulosta viesti
Ville-Matti kirjoitti
05.11.2015 klo 12:48:18:
Otsikon mukainen Ambassadör toimii muuten hyvin, mutta viritysputken viuhka ei aukea voimakkaasti kuluvilla kanavillakaan kuin aavistuksen. Suhdeilmaisimen kanssa lähtisin liikkeelle vaihtamalla ilmaisin elkon, mutta tässä foster-seeley -ilmaisimessa ei sellaista ole. Mistä kannattaa lähteä liikkeelle vikaa selvittämään?
Herkkyydessä ei kuitenkaan ole vikaa, sillä heikommankin kuuluvuuden kanavat kuuluvat Ambassadörillä häiriöttä (tällöin viritysviuhka ei tosin aukea juuri ollenkaan).
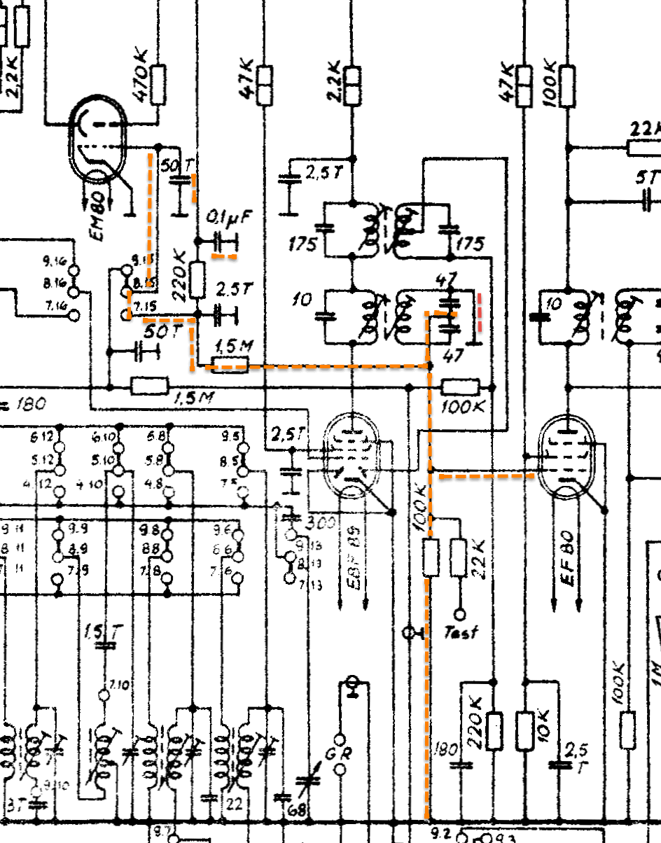
EM 80 negatiivinen ohjausjännite syntyy Ulalla rajoitinputken EF80 ohjaushilalla.
Jos sieltä löytyy negatiivinen jännite -5V... -20V niin pitäisi jotain näkyä myös EM80 viuhkassa. Kannattaa tutkia liitteen kuvaan merkitty ketju.
terv.
Åke
Ambassad_r_3398_W_EM80_ohjaus_Ula_v_ri.gif
( 152 KB | 164 latausta )
IP kirjattu
Jukka Rajala
God Member
Poissa
SRHS
Viestejä: 1466
Sijainti: Helsinki
Re: Luxor Ambassadör 3398W ja kapea viritysviuhka
Vastaus #2 -
06.11.2015 klo 08:17:26
Tulosta viesti
Skemassa on Åken merkkaamassa ketjussa "Test" piste, lienee skemaan/huolto-ohjeeseen merkattu sen funktio johonkin reunaan?
IP kirjattu
VjpA
God Member
Poissa
SRHS
Viestejä: 2679
Sijainti: Vantaa
Re: Luxor Ambassadör 3398W ja kapea viritysviuhka
Vastaus #3 -
06.11.2015 klo 20:37:15
Tulosta viesti
Näköviritysputken heikko toiminta voi myös johtua kytkimen (15) huonoista kontakteista.
Olisko aikaisempi ketju ?
http://www.radiohistoria.fi/cgi-bin/yabb2/YaBB.pl?num=1435058707/13#13
t. // Jukka
IP kirjattu
Ville-Matti
God Member
Poissa
SRSH<br />
Viestejä: 898
Re: Luxor Ambassadör 3398W ja kapea viritysviuhka
Vastaus #4 -
06.11.2015 klo 22:53:11
Tulosta viesti
Iltoja,
Kiitos vastauksista. Tutkin oranssilla katkoviivalla merkityn reitin.
50000 pF paperikondensaattori on uusittu
1,5 Mohmin vastus on noin 1,6 Mohmia
100 kohmin vastus on noin 109 kohmia
Kytkin autoradiolähettimeni Ambassadörin lähelle toimintaan. Vaikka lähetys oli voimakas, EF80 hilalla oli ainoastaan -1,35 volttia. Radio Suomella (hyvin kuuluva asema) hilalla oli -0,8 volttia.
Jaa-a, mistäpä vikaa seuraavaksi jäljittämään. Saattaako heikentynyt EF80 aiheuttaa tällaista oireilua?
WWW
IP kirjattu
Timo Lehtonen
Senior Member
Poissa
SRHS 714
Viestejä: 250
Sijainti: Ähtäri
Re: Luxor Ambassadör 3398W ja kapea viritysviuhka
Vastaus #5 -
07.11.2015 klo 10:08:56
Tulosta viesti
Huomenta!
Jos et siis vielä ole kokeillut uusilla putkilla, kannattaa ilman muuta kokeilla (yksi kerrallaan). Joskus saattaa asemien kuuluvuus olla kohtalaisen hyvä, vaikka putkien vahvistus on heikentynyt.
Timo L.
IP kirjattu
Ville-Matti
God Member
Poissa
SRSH<br />
Viestejä: 898
Re: Luxor Ambassadör 3398W ja kapea viritysviuhka
Vastaus #6 -
08.11.2015 klo 22:11:11
Tulosta viesti
Testailin radiota useammilla EF80 -putkilla sekä lopulta myös EF85 -putkilla. Putkien vaihto ei muuttanut tilannetta juuri lainkaan. Kapea viuhka ei taida johtua tuosta rajoitinputkesta. Mistäpä seuraavaksi vikaa etsimään?
AM-alueilla viritysputki toimii kunnolla; viuhka aukeaa reilusti.
WWW
IP kirjattu
Ville-Matti
God Member
Poissa
SRSH<br />
Viestejä: 898
Re: Luxor Ambassadör 3398W ja kapea viritysviuhka
Vastaus #7 -
10.11.2015 klo 17:16:21
Tulosta viesti
Hieman päivitystä:
Olen kokeillut vaihtaa ECC85, ECH81, EBF89, EF80 sekä EABC80 -putkia. Tällä ei ole vaikutusta viritysputken toimintaan.
Ei taida olla putkivika. Mistä kannattaisi seuraavaksi vikaa paikallistaa? ECH81:n jännitteet?
WWW
IP kirjattu
Timo Haveri
God Member
Poissa
Viestejä: 2962
Sijainti: Parkano
Re: Luxor Ambassadör 3398W ja kapea viritysviuhka
Vastaus #8 -
10.11.2015 klo 17:41:43
Tulosta viesti
Oletko jo koittanut säätää ulan välitaajuusruuveja? Joskus kun välitaajuuden virittää kohdalleen niin viritysputkessa tapahtuu huomattava muutos parempaan päin vaikka ennen sitäkin on ula kuulunut hyvin. Kun vaan tietää mitä ruuveja säätää niin välitaajuuden voi virittää pelkän viritysputkenkin avulla. Ei se tietysti oikeaoppinen tapa ole mutta kyllä sillä monesti ainakin virityksen saa lähemmäksi oikeaa mitä se aiemmin oli.
Timo
WWW
IP kirjattu
VjpA
God Member
Poissa
SRHS
Viestejä: 2679
Sijainti: Vantaa
Re: Luxor Ambassadör 3398W ja kapea viritysviuhka
Vastaus #9 -
10.11.2015 klo 18:20:45
Tulosta viesti
Oletko jo puhdistanut ula-puolen kytkemen kontakteja ja tarkistanut näköviritysputken ympärillä olevat vastukset ja konkat?
Sähkömies sai koneensa kuntoon, katso:
http://www.radiohistoria.fi/cgi-bin/yabb2/YaBB.pl?num=1446999722/4#4
t. // Jukka
IP kirjattu
artosalo
God Member
Poissa
Viestejä: 2663
Sijainti: Perniö
Re: Luxor Ambassadör 3398W ja kapea viritysviuhka
Vastaus #10 -
10.11.2015 klo 20:17:29
Tulosta viesti
Timo Haveri kirjoitti
10.11.2015 klo 17:41:43:
Oletko jo koittanut säätää ulan välitaajuusruuveja? ...
En suosittelisi kovin äkkiä tätä toimenpidettä, paitsi jos on käytettävissä pyyhkäisymittapaikka ja tarvittava tietotaito.
Mikä sen vt-asteen virityksen olisi sotkenut ? Jos siellä on komponenttivika tai jokin kytkin katkoo, niin ei se vt-asteen säädöllä korjaannu.
Mutta helposti radion virityksen saa "korvakuulolla" säätämällä todella pieleen.
Jos olisi kytkentäkaavio niin voisin yrittää myös osaltani pohtia mikä vika voisi olla.
IP kirjattu
jasonisti
God Member
Poissa
Viestejä: 772
Re: Luxor Ambassadör 3398W ja kapea viritysviuhka
Vastaus #11 -
10.11.2015 klo 20:35:34
Tulosta viesti
Just eilen tappelin saman ongelman kanssa, ei tosin ollut Ambassadör vaan Harmon. Mittasin ilmaisimelta negatiivisen jänön (-16v) ja seurasin sitä EM:n hilalle ja siellähän oli vain pari volttia. Nappasin hilalla olevan 50n pikikonkan pois ja avot, alkoi viuhka levetä. Viuhkasta tuli jossainmäärin myös levoton kun konkka oli poissa.
IP kirjattu
artosalo
God Member
Poissa
Viestejä: 2663
Sijainti: Perniö
Re: Luxor Ambassadör 3398W ja kapea viritysviuhka
Vastaus #12 -
10.11.2015 klo 21:32:03
Tulosta viesti
Ville-Matin ongelma ei ole sama, sillä häneltä puuttuu ULA:lla gainia jostakin.
Tästä syystä tuo negatiivinen jännitekin on vain voltin luokkaa.
Laita ehjä 50nF konkka poistamasi tilalle, niin viuhka rauhoittuu kyllä.
IP kirjattu
Timo Haveri
God Member
Poissa
Viestejä: 2962
Sijainti: Parkano
Re: Luxor Ambassadör 3398W ja kapea viritysviuhka
Vastaus #13 -
10.11.2015 klo 22:49:25
Tulosta viesti
artosalo kirjoitti
10.11.2015 klo 20:17:29:
Timo Haveri kirjoitti
10.11.2015 klo 17:41:43:
Oletko jo koittanut säätää ulan välitaajuusruuveja? ...
En suosittelisi kovin äkkiä tätä toimenpidettä, paitsi jos on käytettävissä pyyhkäisymittapaikka ja tarvittava tietotaito.
Mikä sen vt-asteen virityksen olisi sotkenut ? Jos siellä on komponenttivika tai jokin kytkin katkoo, niin ei se vt-asteen säädöllä korjaannu.
Mutta helposti radion virityksen saa "korvakuulolla" säätämällä todella pieleen.
Jos olisi kytkentäkaavio niin voisin yrittää myös osaltani pohtia mikä vika voisi olla.
Teoriassa näin. Käytäntö on kuitenkin osoittanut, että virityksen voi tehdä, ei korvakuulolta, vaan viritysputkea apuna käyttäen. Signaalina olen käyttänyt FM-lähettimen kautta tulevaa "vinkua". Kun viuhkan saa leveimmilleen niin VT-purkki on vireessä, eikö? Ilmaisin on sitten asia erikseen. VT-viritys on putkiradioissa toisinaan hieman sivussa vaikka kukaan ei olisikaan säätöihin koskenut, ilmeisesti komponenttien ikääntyminen aiheuttaa sen? Komponenttiviat pitää luonnollisesti olla korjattuna ennen kuin aletaan tehdä mitään säätöjä. Huonot kytkinkontaktit ovat kyllä usein aiheuttaneet tätäkin puheena ollutta ongelmaa.
Timo
WWW
IP kirjattu
Ville-Matti
God Member
Poissa
SRSH<br />
Viestejä: 898
Re: Luxor Ambassadör 3398W ja kapea viritysviuhka
Vastaus #14 -
11.11.2015 klo 19:50:19
Tulosta viesti
Vjpa: "Oletko jo puhdistanut ula-puolen kytkemen kontakteja ja tarkistanut näköviritysputken ympärillä olevat vastukset ja konkat?"
Näköviritysputki toimii AM-alueilla ongelmitta. Tämän vuoksi olen ajatellut, että vian täytyy olla jossain muualla kuin näköviritysputken kytkennöissä. EF80:n hilalla ei parhaimmallakaan ula-signaalilla ole kuin -1,35 volttia (autoradiolähetin ihan radion vieressä).
WWW
IP kirjattu
Sivu:
[1]
2
Lähetä aihe
Tulosta
‹
Edellinen aihe
|
Seuraava aihe
›
Foorumihyppy »
Koti
» 10 viimeisintä viestiä
» 10 viimeisintä aihetta
Suomen Radiohistoriallinen Seura ry - Keskustelufoorumi
Suomen Radiohistoriallinen Seura ry
Jäsenalue
Yleistä radiohistoriasta
Kotimaiset radiot, televisiot ja äänentoistolaitteet ««
Ulkomaiset radiot, televisiot ja äänentoistolaitteet
Muut radio- ja elektroniikkalaitteet
Entisöinti ja kunnostus yleisellä tasolla
Omatekoiset laitteet ja rakentelu
Sotilasradiot ja Perinneradiot
Yleinen keskustelualue
Niitä Näitä
Haku päällä
« Koti
‹ Alue
SRHS Forum
» Powered by
YaBB 2.6.12
!
YaBB Forum Software
© 2000-2026. Kaikki oikeudet pidätetään.