Valitse kieli:
English
Suomi
Tervetuloa, Vieras. Ole hyvä ja
kirjaudu
tai
Rekisteröidy
Koti
Ohjeita
Haku
Kirjaudu
Rekisteröidy
Liity SRHS:n jäseneksi
SRHS Forum
›
Suomen Radiohistoriallinen Seura ry - Keskustelufoorumi
›
Kotimaiset radiot, televisiot ja äänentoistolaitteet
› Fenno Sampo -V 39
‹
Edellinen aihe
|
Seuraava aihe
›
Sivu: 1
Lähetä aihe
Tulosta
Fenno Sampo -V 39 (Luettu 9053 kertaa)
kkv
God Member
Poissa
SRSH
Viestejä: 1195
Fenno Sampo -V 39
25.08.2013 klo 08:00:51
Tulosta viesti
Luulen löytäneeni Fenno Sampo -V 39 radion. Se vastaa ainakin rakenteeltaan täysin Fenno-Radion myyntikauden 1938-1939 esitteen kuvausta. Putket ovat EK2, EF9, EBL1 ja AZ1. Radiossa ei ole kuitenkaan havaittavissa Fenno-Radio Oy:n kädenjälkeä. Edessä asteikon alla on tosin FNR-merkki ja asteikkoon on merkitty myös suomalaiset asemat. Kotelo on bakeliittia, koneisto on Siera S 50 A, takalevyssä ei ole sanaakaan suomenkielellä.
Minua kiinnostaa kuulla ovatko kaikki Fenno Sampo -V 39 radiot samanlaisia tuontitavaralta tuntuvia, vai olisiko osa niistä varmasti valmistettu Suomessa.
Koneiston runko näyttää siltä, että sille olisi voinut yleisvirtamallin Sampo -TV 39:n lisäksi rakentaa myös vähän kalliimman mallin Fenno Seura -39 (ilmeisesti Siera S 51 A). Onko näistä malleista tarkempaa tietoa?
Kauko Viitanen
Fenno_Sampo_V39_A.jpg
( 96 KB | 0 latausta )
IP kirjattu
kkv
God Member
Poissa
SRSH
Viestejä: 1195
Re: Fenno Sampo -V 39
Vastaus #1 -
25.08.2013 klo 08:03:38
Tulosta viesti
Tässä vielä kuva Fenno-Sampo -V 39:n tyyppikilvestä ja takalevystä.
Kauko Viitanen
Fenno_Sampo_V39_B.jpg
( 109 KB | 0 latausta )
IP kirjattu
MartinT
Senior Member
Poissa
Viestejä: 275
Sijainti: Varkaus
Re: Fenno Sampo -V 39
Vastaus #2 -
25.08.2013 klo 08:36:56
Tulosta viesti
Radiosi on Siera S 50 A. Valmistettu vuosina 1938/ 1939 Hollannissa
IP kirjattu
kkv
God Member
Poissa
SRSH
Viestejä: 1195
Re: Fenno Sampo -V 39
Vastaus #3 -
25.08.2013 klo 14:11:39
Tulosta viesti
Täsmennän hieman kysymyksiäni.
Seuramme luettelointiperiaate perustuu merkkiin ja malliin. Esimerkiksi Radiotukkuliike A.O. Jokisen Maestro 822 on Maestro, vaikka se on Asa Radio Oy:n valmistama ja pieniä koteloeroja lukuunottamatta sama kuin Asa 822. Tästä periaatteesta Lasse Nirhamo on kirjoittanut useamman kerran Radiot-lehdessä. Fenno-Radio Oy:n myymä Fenno Sampo -V39 on tämän mukaan Fenno, vaikka se olisi Sieran valmistama.
Kuvaamassani radiossa on asteikon alla Fenno-Radio Oy:n FRN-merkki, joten tulkitsen sen Fenno -merkkiseksi radioksi. Kysymykseni on, ovatko kaikki tämän radiomallin yksilöt tuotu maahan valmiina, vai onko mahdollisesti osa niistä koottu Fenno-Radio Oy:n tehtaassa. Näin tapahtui mm. sodan aikana, osa tietyistä Fennon malleista tuli aluksi maahan valmiina, myöhemmin niitä valmistettiin myös Suomessa. Siksi toivon, että Fenno Sampo -V39 mallisen radion omistavat katsoisivat ja kertoisivat poikkeaako niiden takalevy kuvaamastani.
Tietääkseni 1930-luvulla Siera-merkillä myytäviä radioita tuotiin Suomeen vain v. 1934. Tämä tapahtui ennen kuin Fenno-Radio Oy siirtyi Philipsin haltuun v. 1935. Vuoden 1935 jälkeen oli selvää, että Philips-yhtymän eri maissa valmistettuja radioita ja niiden osakokonaisuuksia siirrettiin tehtaalta toiselle. Suomessa näitä myytiin 1930-luvulla käsittääkseni vain Philips tai Fenno merkkisinä.
Liitteenä on Fenno-Radio Oy:n myyntikauden 1938-1939 luettelosta Fenno Sampo esitesivu.
Kauko Viitanen
Fenno_Sampo_39_esitesivu.jpg
( 158 KB | 0 latausta )
IP kirjattu
Lasse Nirhamo
God Member
Poissa
SRHS #12
Viestejä: 962
Sijainti: Nurmes
Re: Fenno Sampo -V 39
Vastaus #4 -
25.08.2013 klo 17:01:45
Tulosta viesti
Fennon omistus Philipsille tapahtui nimenomaan Siera S.A:n kautta.
Siksi yhteistyökin tapahtui Sieran merkeissä.
Olettaisinkin, että kokonpano on tapahtunut Suomessa, Fenno-Radion tehtaalla.
Eri yksilöitä tutkimalla asia selvinnee...
Luetteloinnin ja kokoelman kannalta radio on Fenno, lisätietona rinnakkaismalli Siera S50A ja S50U
Ystävällisesti Lasse - Radiohistorian parissa jo vuodesta 1951
IP kirjattu
TommiL
YaBB Newbies
Poissa
Viestejä: 5
Sijainti: Kanta-Häme
Re: Fenno Sampo -V 39
Vastaus #5 -
10.09.2013 klo 12:56:40
Tulosta viesti
Itselläni on ollut samanlainen radio varaston hyllyllä odottamassa kunnostusta. Se on vaimoni isoäidin peruja, ja tuli perinnönjaon yhteydessä. Vaimo arveli, että on hänen isovanhempiensa viimeisen muuton yhteydessä v.'74 jäänyt pakettiin varastoromuksi. Kunnosta ei ole tuon tarkempaa tietoa, enkä ole uskaltanut vielä kytkeä virtoja jotta näkisin tapahtuuko muuta kuin savujen poistuminen.
Tässä pari omaa kuvaa:
Tässä vielä linkki muutamaan muuhun kuvaan. Fennia'n kuvat löytyvät ASA'n kuvien jälkeen.
Picasaweb :: Tommi Loponen :: Electronics
IP kirjattu
apaija
Full Member
Poissa
SRHS
Viestejä: 219
Sijainti: Loimaa
Re: Fenno Sampo -V 39
Vastaus #6 -
30.01.2021 klo 05:44:17
Tulosta viesti
Minulla on tämä radio olympiarenkailla, olihan Helsingin kisat tulossa. Oliko tuo merkki alunperin maalattu, renkaat eriväriset, vai ihan vaan maalaamaton messinkinen kirkas.
Ari
IP kirjattu
pekmatval
God Member
Poissa
Viestejä: 2012
Re: Fenno Sampo -V 39
Vastaus #7 -
30.01.2021 klo 10:01:41
Tulosta viesti
Minullakin odottelee kunnostusta Olympiarenkainen Fenno Seura V40. pari kuvaa ohessa.
pieni_1_004.jpg
( 191 KB | 193 latausta )
pieni_sisus_002.jpg
( 205 KB | 176 latausta )
IP kirjattu
pekmatval
God Member
Poissa
Viestejä: 2012
Re: Fenno Sampo -V 39
Vastaus #8 -
30.01.2021 klo 10:14:03
Tulosta viesti
Kuvia Fennon yksityiskohdista
detskuja_2.png
( 447 KB | 201 latausta )
IP kirjattu
Ismo Hautala
Senior Member
Poissa
SRHS
Viestejä: 381
Sijainti: Veteli
Re: Fenno Sampo -V 39
Vastaus #9 -
30.01.2021 klo 10:35:23
Tulosta viesti
Huomenta
Omassa kokoelmassa on myös muutama olympiarengas malli.
Fennot Kaleva , Seura ja Sampo 40.
P1300250__600_x_450_.jpg
( 59 KB | 167 latausta )
P1300251__600_x_450_.jpg
( 54 KB | 183 latausta )
Ismo Hautala
IP kirjattu
Ismo Hautala
Senior Member
Poissa
SRHS
Viestejä: 381
Sijainti: Veteli
Re: Fenno Sampo -V 39
Vastaus #10 -
30.01.2021 klo 10:35:52
Tulosta viesti
ja Sampo
P1300252__600_x_450_.jpg
( 62 KB | 178 latausta )
Ismo Hautala
IP kirjattu
pekmatval
God Member
Poissa
Viestejä: 2012
Re: Fenno Sampo -V 39
Vastaus #11 -
30.01.2021 klo 11:49:49
Tulosta viesti
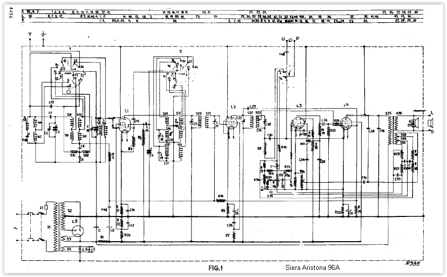
Koitin etsiä kytkistä tähän .. paras, jonka sain/löysin on Sierra Aristona 96
Siera_Aristona_96A_001.jpg
( 255 KB | 197 latausta )
IP kirjattu
Maja
God Member
Poissa
SRHS 478
Viestejä: 3372
Sijainti: Lounais-Suomi
Re: Fenno Sampo -V 39
Vastaus #12 -
30.01.2021 klo 12:37:12
Tulosta viesti
Tuossa aiemmassa esitteessä olevien Sampojen koneistot ovat Siera 50A ja 50U.
Tuossa Ismon kuvassa oleva näppäin malli on todella harvinainen, samaa konetta
on tehty myös kiertovalitsimella, joka on ilmeisesti Suomi-versio? Tästä mallista on
ollut aiemminkin keskustelua täällä foorumilla.
Markku
IP kirjattu
eukkola
Senior Member
Poissa
SRHS
Viestejä: 416
Re: Fenno Sampo -V 39
Vastaus #13 -
30.01.2021 klo 13:52:33
Tulosta viesti
Tämä ei nyt ole vastaus kkv:lle mutta... Omani on FENNO-SAMPO V-40 mukana olympiarenkaat. Näyttäisi siltä että osassa radioita on verkkomuuntaja pietty ja kuten tässäkin pikeä ei ole. Erikoista on se että radiossa on kolmikkosäätökonkka ja ennen ECH 3:sta on kaistanpäästössä kahdet virityspiirit kuten Sierra Aristonan kuva esittää. Kaikissa putkissa on Fennon teipit eli mitään ei ole uusittu. Samoin välitaajuuspurkeissa on trimmerikonkkaviritys. Astekkolasi on onnistuneesti pesty putipuhtaaksi taikka olisiko kyseessä kylmäsäilytys.
IP kirjattu
Maja
God Member
Poissa
SRHS 478
Viestejä: 3372
Sijainti: Lounais-Suomi
Re: Fenno Sampo -V 39
Vastaus #14 -
30.01.2021 klo 14:13:24
Tulosta viesti
Fenno Sampoa valmistettiin samaan aikaan myös koneistoilla, 93A ja 93L, erona on
vain tuo EK2, joka on vaihtunut ECH3:ksi , muuten putkitus on sama. Asteikkolamput
ovat 50A/93A 2x 6,3V/0,3A ja 50U/93L 2 x 10V/0,2A.
Markku
IP kirjattu
Sivu: 1
Lähetä aihe
Tulosta
‹
Edellinen aihe
|
Seuraava aihe
›
Foorumihyppy »
Koti
» 10 viimeisintä viestiä
» 10 viimeisintä aihetta
Suomen Radiohistoriallinen Seura ry - Keskustelufoorumi
Suomen Radiohistoriallinen Seura ry
Jäsenalue
Yleistä radiohistoriasta
Kotimaiset radiot, televisiot ja äänentoistolaitteet ««
Ulkomaiset radiot, televisiot ja äänentoistolaitteet
Muut radio- ja elektroniikkalaitteet
Entisöinti ja kunnostus yleisellä tasolla
Omatekoiset laitteet ja rakentelu
Sotilasradiot ja Perinneradiot
Yleinen keskustelualue
Niitä Näitä
Haku päällä
« Koti
‹ Alue
SRHS Forum
» Powered by
YaBB 2.6.12
!
YaBB Forum Software
© 2000-2026. Kaikki oikeudet pidätetään.