Valitse kieli:
English
Suomi
Tervetuloa, Vieras. Ole hyvä ja
kirjaudu
tai
Rekisteröidy
Koti
Ohjeita
Haku
Kirjaudu
Rekisteröidy
Liity SRHS:n jäseneksi
SRHS Forum
›
Suomen Radiohistoriallinen Seura ry - Keskustelufoorumi
›
Muut radio- ja elektroniikkalaitteet
› DC DC muuttaja 6v -> 45..90v
‹
Edellinen aihe
|
Seuraava aihe
›
Sivu:
[1]
2
Lähetä aihe
Tulosta
DC DC muuttaja 6v -> 45..90v (Luettu 11175 kertaa)
plamminen
God Member
Poissa
SRHS: 610
Viestejä: 1642
Sijainti: Loviisa
DC DC muuttaja 6v -> 45..90v
23.12.2012 klo 11:01:06
Tulosta viesti
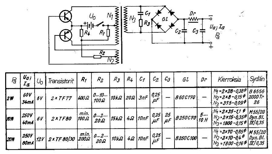
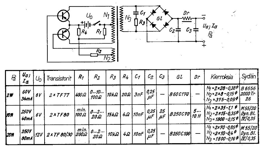
Löysin alla olevat tiedot TM:n kääntämästä philipsin 1966 tuottamasta P.J.W.SJOBBEMA:n kirjasta. Varmaan jo uskaltaa nuo kaaviot julkaista koska alunperinkin on ollut tarkoitus lisätä Philipsin komponettimyyntiä. Jos ylläpito näkee asiassa vaaraa niin täytyy sitten poistaa.
Eli aika usein on ollut puhetta DC DC muutajista joilla D putkimatkardion saisi toimimaan paristoilla. Tässä yksi vaihtoehto parin kuvan avulla.
pentti
Philips_muuttaja_kaavio_a.jpg
( 240 KB | 0 latausta )
Muuntaja_osakuva.jpg
( 80 KB | 0 latausta )
Pentti Lamminen
IP kirjattu
VjpA
God Member
Poissa
SRHS
Viestejä: 2679
Sijainti: Vantaa
Re: DC DC muuttaja 6v -> 45..90v
Vastaus #1 -
15.01.2013 klo 22:20:55
Tulosta viesti
Hei, joku muukin on pahkaillut tämän jutun tiimoilta seuraavaa:
http://www.georg-knoechel.de/radio-sammlung/radio-service-fset.html
Eli on värkännyt "Anodipariston"
t. // JUkka
t. // Jukka
IP kirjattu
Blaekie
God Member
Poissa
SRHS - 623
Viestejä: 1145
Sijainti: Helsinki
Re: DC DC muuttaja 6v -> 45..90v
Vastaus #2 -
16.01.2013 klo 10:25:32
Tulosta viesti
Muuten kiva, mutta tuosta ei oikein selviä tuon muuntajan M3 Ferroxcube kelarungon kokoa, en ainakaan löytänyt tuolla, (ilmeisesti vanhalla core tyypillä 88488 ?) , mitään.
Samoin M1, M2 keloista on viittaus johonkin aiempaan dokumenttiin ?
Meinaan vaan että jos joku haluaisi tuon pohjalta jotain rakentaa, voi olla aika haasteellista saada laite toimimaan,
ilman kokeile ja tuskastu menetelmää.
Ferroxcubea löytyy kyllä vielä muuten, kunhan selviää koko ja tyyppi ->
http://www.ferroxcube.com/appl/info/PSG2003.pdf
IP kirjattu
plamminen
God Member
Poissa
SRHS: 610
Viestejä: 1642
Sijainti: Loviisa
Re: DC DC muuttaja 6v -> 45..90v
Vastaus #3 -
16.01.2013 klo 13:45:57
Tulosta viesti
Koetan katsoa oliko kirjassa tarkemmin jotain tuosta potcoresta. Nuo M1 ja M2 viittaavat kirjassa olevaan transistori pääteasteeseen ja sen vaiheenkääntö ja kovaäänismuuntajaan.
Tässä on vielä yksi wandleri. Tämän ajattelin rakentaa lähiaikoina. Vaikuttaa aika lupaavalta.
Vaatimattoman Saksan taitoni mukaan tekijä toteaa että ei ole mitenkään kriittinen muuntajalle. Rakentamalla tinattuun peltilaatikkoon ei edes aiheuta häiriöitä.
http://www.jogis-roehrenbude.de/forum/forum/forum_entry.php?id=76351
Laitan kuvan vielä varmuuden vuoksi jo linkki ei toimisikaan:
pentti
DC_muunnin.jpg
( 86 KB | 0 latausta )
Pentti Lamminen
IP kirjattu
plamminen
God Member
Poissa
SRHS: 610
Viestejä: 1642
Sijainti: Loviisa
Re: DC DC muuttaja 6v -> 45..90v
Vastaus #4 -
16.01.2013 klo 19:41:52
Tulosta viesti
Philipsin DC muuttajan PotCore
D 25/16 - 10,00 - ferriitti 3B2
Onko kenelläkään vanhaa Philipsin Ferroxcube data kirjaa. Siitä näkisi tuon 3B2 ferriitin AL kertoimen. Veikkaus on että olisi luokkaa 2000.
pentti
Pentti Lamminen
IP kirjattu
RJL
God Member
Poissa
SRHS 612
Viestejä: 2768
Re: DC DC muuttaja 6v -> 45..90v
Vastaus #5 -
17.01.2013 klo 12:13:46
Tulosta viesti
Lainaus:
Philipsin DC muuttajan PotCore
D 25/16 - 10,00 - ferriitti 3B2
Onko kenelläkään vanhaa Philipsin Ferroxcube data kirjaa. Siitä näkisi tuon 3B2 ferriitin AL kertoimen. Veikkaus on että olisi luokkaa 2000.
pentti
Onko tuo ferriitti varmasti 3B2? Minulla on nokan alla Philips/Mullard datakirja "Magnetic materials" vuodelta 1971 ja se ei tunne tuollaista ferriittiä, 3B, 3B3, 3B5 ja 3B7 löytyy mutta tuota ei. Kelarunkojakin on ziljoonaa tyyppiä mutta kaikki ovat tyyppiä 4322 020 XXXXX ja 88488 ei löydy äksien tilalle.
Reijo
«
Viimeksi muokattu: 17.01.2013 klo 12:48:39 Kirjoittaja RJL
»
Reijo Liljedahl - SRHS 612 - OH3AVA - SDXL 8092
IP kirjattu
Blaekie
God Member
Poissa
SRHS - 623
Viestejä: 1145
Sijainti: Helsinki
Re: DC DC muuttaja 6v -> 45..90v
Vastaus #6 -
17.01.2013 klo 12:28:33
Tulosta viesti
RJL kirjoitti
17.01.2013 klo 12:13:46:
[quote author]Philipsin DC muuttajan PotCore
D 25/16 - 10,00 - ferriitti 3B2
Onko kenelläkään vanhaa Philipsin Ferroxcube data kirjaa. Siitä näkisi tuon 3B2 ferriitin AL kertoimen. Veikkaus on että olisi luokkaa 2000.
Onko tuo ferriitti varmasti 3B2? Minulla on nokan alla Philips/Mullard datakirja "Magnetic materials" vuodelta 1971 ja se ei tunne tuollaista ferriittiä, 3B, 3B3, 3B5 ja 3B7 löytyy mutta tuota ei. Kelarunkojakin on ziljoonaa tyyppiä mutta kaikki ovat tyyppiä 4322 020 XXXXX ja 88488 ei löydy äksien tilalle.
Reijo
Itsellä on Philipsin kirja myös vuodelta 1976, ja törmäsin tuohon samaan. ei löydy 3B2 gradea
IP kirjattu
OH5FED
God Member
Poissa
SRHS #627
Viestejä: 739
Sijainti: Hamina
Re: DC DC muuttaja 6v -> 45..90v
Vastaus #7 -
17.01.2013 klo 13:31:49
Tulosta viesti
Ohessa vielä yksi versio Siemensin muuntajarungolla.
Potcoren materiaali on N22 ja sitä valmistaa nykyään Epcos:
http://www.epcos.com/web/generator/Web/Sections/ProductCatalog/Ferrites/Material...
Iskran vertailutaulukossa mainitaan vielä näitä vanhempiakin materiaaleja:
http://www.jdvd.cz/materialy/cross_ref_list.pdf
Ferroxcubella (Philips) on Epcosin (Siemens) N22 materiaalia vastaavan 3H1 materiaalin korvikkeeksi tullut nykyään 3B7.
Voisiko olla niin että tuossa ensimmäisessä plammisen esittämässä Philipsin (Mullard) ohjeessa olisi käytetty 3B7 muuntajarunkoa, josko siihen on sattunut painovirheen seurauksena 2 numeron 7 tilalle...?
«
Viimeksi muokattu: 17.01.2013 klo 18:38:57 Kirjoittaja OH5FED
»
dc_muuttaja.jpg
( 107 KB | 0 latausta )
Samuli | OH5FED
IP kirjattu
plamminen
God Member
Poissa
SRHS: 610
Viestejä: 1642
Sijainti: Loviisa
Re: DC DC muuttaja 6v -> 45..90v
Vastaus #8 -
17.01.2013 klo 14:20:38
Tulosta viesti
Itsekin etsin tuota 3B2 eikä löytynyt. Painovirhe tuntuu todennäköiseltä ja voi todellakin olla 3B7.
pentti
Pentti Lamminen
IP kirjattu
OH5FED
God Member
Poissa
SRHS #627
Viestejä: 739
Sijainti: Hamina
Re: DC DC muuttaja 6v -> 45..90v
Vastaus #9 -
17.01.2013 klo 14:51:18
Tulosta viesti
Tämän taulukon mukaan taas N22 materiaalin lähimmät vastineet Ferroxcubella olisivat 3F3 ja 3H3:
http://www.pe-coils.com/MnZn_Feirrite/MATERIAL%20COMPARES.pdf
Ota näistä taulukoista nyt sitten selvää, mutta optimaalisimman käyttötaajuusalueensa puolesta lähimmät vastaavat ovat Ferroxcubella 3B7 sekä Epcosilla N27 ja N48.
Materiaalien speksit:
N22 -
http://www.epcos.com/web/generator/Web/Sections/ProductCatalog/Ferrites/Material...
N27 -
http://www.epcos.com/web/generator/Web/Sections/ProductCatalog/Ferrites/Material...
N48 -
http://www.epcos.com/web/generator/Web/Sections/ProductCatalog/Ferrites/Material...
3B7 -
http://www.ferroxcube.com/prod/assets/3b7.pdf
Optimaalisen käyttötaajuusalueensa (1kHz - 200kHz) puolesta N22 materiaali olisi tähän tarkoitukseen kaikkein sopivin, mutta valitettavasti siitä ei näköjään valmisteta enää nykyisin kuin vain noita sydämiä induktiivisiin lähestymiskytkimiin.
Moisen käyttäminen muuntajarunkona lienee haasteellisempaa...
Ilmaväliäkään noihin ei saa kuin itse tekemällä, jos kaksi puolikasta naittaa keskenään yhteen ja kelat sitten sinne sisään. Piirilevylle tai laiteen runkoon tuommoisen hässäkän voisi kiinnittää vaikkapa nylon-ruuvilla.
Näitähän on kyllä Elfaltakin saatavissa:
https://www.elfaelektroniikka.fi/elfa3~fi_fi/elfa/init.do?toc=20241&pageSize=10&...
Niille on saatavilla myös itse kelarunkoja joille käämitykset voisi tehdä.
Esimerkki sydänkoolle PS 30.5x10.2:
https://www.elfaelektroniikka.fi/elfa3~fi_fi/elfa/init.do?item=58-653-14&toc=202...
«
Viimeksi muokattu: 17.01.2013 klo 19:41:23 Kirjoittaja OH5FED
»
Samuli | OH5FED
IP kirjattu
OH5FED
God Member
Poissa
SRHS #627
Viestejä: 739
Sijainti: Hamina
Re: DC DC muuttaja 6v -> 45..90v
Vastaus #10 -
17.01.2013 klo 15:40:12
Tulosta viesti
Julkaistaanpa nyt vielä tällainen vuorovaihemuuttaja, kun skanneri tuossa on päällä. Mainitut Siemensin muuntajarungot lienevätten jo nykyään "kiven alla", mutta ehkä niillekin korvikkeita löytyy.
vuorovaihemuuttaja.jpg
( 211 KB | 0 latausta )
Samuli | OH5FED
IP kirjattu
Jari
God Member
Poissa
SRSH
Viestejä: 808
Sijainti: Oulu
Re: DC DC muuttaja 6v -> 45..90v
Vastaus #11 -
17.01.2013 klo 15:43:18
Tulosta viesti
Vuoden 1968 Philips Pocket Bookista löytyy 3B2 listattuna. Tosin ko. materiaalista valmistettuna en löytänyt yhtäkään tuotetta eikä muutakaan tietoa. Se on ollut varmaankin jo tuolloin poistumassa. Siitä päätellen, että ilmarako on tehty paperia käyttäen tuota ferriittiäsydäntä ei ole ollut saatavana ilmaraollisena. Luulenkin, että sille ei löydy Al arvoa ollenkaan vaan jos speksit onnistuu löytämään niin siellä on alkupermeabiliteeti µi.
Jari
IP kirjattu
OH5FED
God Member
Poissa
SRHS #627
Viestejä: 739
Sijainti: Hamina
Re: DC DC muuttaja 6v -> 45..90v
Vastaus #12 -
17.01.2013 klo 16:31:12
Tulosta viesti
Elfalta saa kahden kappaleen seteissä Epcosin N48 runkoja:
https://www.elfaelektroniikka.fi/elfa3~fi_fi/elfa/init.do?toc=20241&pageSize=10&...
Datalehdet N48 rungoille:
http://www.epcos.com/web/generator/Web/Sections/ProductSearch/Hitlist/Ferrites/F...
Samuli | OH5FED
IP kirjattu
OH5FED
God Member
Poissa
SRHS #627
Viestejä: 739
Sijainti: Hamina
Re: DC DC muuttaja 6v -> 45..90v
Vastaus #13 -
17.01.2013 klo 17:00:28
Tulosta viesti
Internetin tarjonta on vähäistä näissä yksinkertaisimmissa tasajännitemuuttajissa, mutta jotain sentään löytyy:
http://oddmix.com/tech/hv_dc_dc_converter.html
http://g4oep.atspace.com/converters/converters.htm
Samuli | OH5FED
IP kirjattu
plamminen
God Member
Poissa
SRHS: 610
Viestejä: 1642
Sijainti: Loviisa
Re: DC DC muuttaja 6v -> 45..90v
Vastaus #14 -
30.01.2013 klo 08:44:13
Tulosta viesti
Löysin 3B2 datalehden. Vanha 1965 vuoden Valvon kirja. Siinä on aika lailla unhoon menneitä tyyppejä.
Postia laittamalla saa tarvittaessa suurempi resuluutioisen kuvan
pentti
«
Viimeksi muokattu: 30.01.2013 klo 20:59:25 Kirjoittaja plamminen
»
Philips_muuttaja_kaavio.png
( 206 KB | 0 latausta )
Pentti Lamminen
IP kirjattu
Sivu:
[1]
2
Lähetä aihe
Tulosta
‹
Edellinen aihe
|
Seuraava aihe
›
Foorumihyppy »
Koti
» 10 viimeisintä viestiä
» 10 viimeisintä aihetta
Suomen Radiohistoriallinen Seura ry - Keskustelufoorumi
Suomen Radiohistoriallinen Seura ry
Jäsenalue
Yleistä radiohistoriasta
Kotimaiset radiot, televisiot ja äänentoistolaitteet
Ulkomaiset radiot, televisiot ja äänentoistolaitteet
Muut radio- ja elektroniikkalaitteet ««
Entisöinti ja kunnostus yleisellä tasolla
Omatekoiset laitteet ja rakentelu
Sotilasradiot ja Perinneradiot
Yleinen keskustelualue
Niitä Näitä
Haku päällä
« Koti
‹ Alue
SRHS Forum
» Powered by
YaBB 2.6.12
!
YaBB Forum Software
© 2000-2026. Kaikki oikeudet pidätetään.