Valitse kieli:
English
Suomi
Tervetuloa, Vieras. Ole hyvä ja
kirjaudu
tai
Rekisteröidy
Koti
Ohjeita
Haku
Kirjaudu
Rekisteröidy
Liity SRHS:n jäseneksi
SRHS Forum
›
Suomen Radiohistoriallinen Seura ry - Keskustelufoorumi
›
Omatekoiset laitteet ja rakentelu
› Suora vastaanotin
‹
Edellinen aihe
|
Seuraava aihe
›
Sivu:
1
...
7
8
[9]
10
11
...
24
Lähetä aihe
Tulosta
Suora vastaanotin (Luettu 194241 kertaa)
OH8UBJ
God Member
Poissa
Viestejä: 826
Re: Suora vastaanotin
Vastaus #120 -
10.01.2019 klo 17:46:32
Tulosta viesti
Tässä suoraa vastaanotinta käsittelevässä ketjussa on linkitetty vanhojen kirjojen pdf-kopioita.
En ole vielä kokeillut, toimivatko linkit:
http://theradioboard.com/rb/viewtopic.php?f=3&t=6054
EDIT: ARRL:n Radioamatöörin käsikirja 1936 latautui kyllä, mutta linkki Hammarlundin julkaisuun ei toiminut.
«
Viimeksi muokattu: 10.01.2019 klo 18:03:08 Kirjoittaja OH8UBJ
»
IP kirjattu
OH8UBJ
God Member
Poissa
Viestejä: 826
Re: Suora vastaanotin
Vastaus #121 -
14.01.2019 klo 11:14:37
Tulosta viesti
Ketjun alkuperäisestä kytkennästä.
Kun tuossa lähetinketjussa oli pii-suotimesta kysymys, niin tässähän on myös ilmaisimen anodilla sellainen?
C6,C7 ja L2.
Ihmettelin aluksi, miksi siinä on konkka maihin, mutta se onkin osa alipäästöä.
Vai menikö minun koulutukseni hukkaan?
IP kirjattu
artosalo
God Member
Poissa
Viestejä: 2663
Sijainti: Perniö
Re: Suora vastaanotin
Vastaus #122 -
14.01.2019 klo 17:43:18
Tulosta viesti
Tuolla alipäästösuodolla on erotettu audio suurtaajuudesta, mutta kokeiluni perusteella kuristinta ei tarvita.
Kytkentään jää siis jäljelle anodivastus ja yksi kondensaattori anodilta maihin.
IP kirjattu
Moderaattori
Global Moderator
Poissa
SRHS
Viestejä: 90
Sijainti: Hämeenlinna
Re: Suora vastaanotin
Vastaus #123 -
18.02.2019 klo 10:49:01
Tulosta viesti
Keskustelun aiheeseen irrelevantit viestit ovat siirretty
tähän ketjuun
.
IP kirjattu
OH3NWD
God Member
Poissa
Viestejä: 632
Re: Suora vastaanotin
Vastaus #124 -
16.01.2019 klo 13:50:00
Tulosta viesti
Erilaisia prototyyppilevyjä ainakin 1-6 putkelle näkyy olevan Ebayssa edullisesti, tämä malli oli 7 euron tietämillä. "Tube protototype pcb" laitoin hakusanaksi. Jos olisi jatkossa vähän helpompi kuin Ikean leikkuulauta
s-l500.jpg
( 57 KB | 392 latausta )
IP kirjattu
artosalo
God Member
Poissa
Viestejä: 2663
Sijainti: Perniö
Re: Suora vastaanotin
Vastaus #125 -
16.01.2019 klo 14:56:26
Tulosta viesti
Jos on valmis, testattu kytkentä, niin silloin noihin on mukava rakentaa, mutta jos pitää kokeilla ja etsiä toimivia komponenttiarvoja, niin mikään ei voita wanhaa kunnon juotosrimaa.
https://www.ebay.com/itm/10-x-10-pin-Point-to-Point-Russian-Military-Wiring-Term...
s-l1600_007.jpg
( 120 KB | 376 latausta )
IP kirjattu
OH3NWD
God Member
Poissa
Viestejä: 632
Re: Suora vastaanotin
Vastaus #126 -
16.01.2019 klo 16:34:29
Tulosta viesti
No niin, pitihän niitäkin sitten tilata, kun ovat vielä ystävämme IJL:kin suosimaa Neuvostoliiton aikaista militaarilaatua.
IP kirjattu
OH8UBJ
God Member
Poissa
Viestejä: 826
Re: Suora vastaanotin
Vastaus #127 -
18.01.2019 klo 08:50:37
Tulosta viesti
Tuossa olisi muutama nätti tuplatriodi 6F8G.
Putki vastaa melkolailla ECC82:ta vaikka onkin melkoinen pullo kooltaan.
Hmm... toisella tuplatriodilla st-aste+ilmaisin ja toisella audioaste. Maattohilakytkennässä on pieni sisäänmenoimpedanssi, toimiikohan sen kanssa mitenkään järkevästi antennipuolen virityspiiri, vai kuormittaako liikaa?
Katodiseuraaja tietysti olisi suuri sinäänmenoimpedanssiltaan, mutta ei sitten jämnitevahvistusta tarjoa.
Liitteenä yksi suttuinen schema 2xECC81 -vastaanottimesta youtube-kuvakaappaus.
«
Viimeksi muokattu: 18.01.2019 klo 09:47:48 Kirjoittaja OH8UBJ
»
Screenshot_20190115-221731.png
( 149 KB | 370 latausta )
IP kirjattu
artosalo
God Member
Poissa
Viestejä: 2663
Sijainti: Perniö
Re: Suora vastaanotin
Vastaus #128 -
18.01.2019 klo 14:47:24
Tulosta viesti
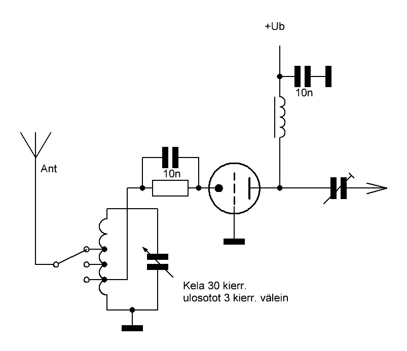
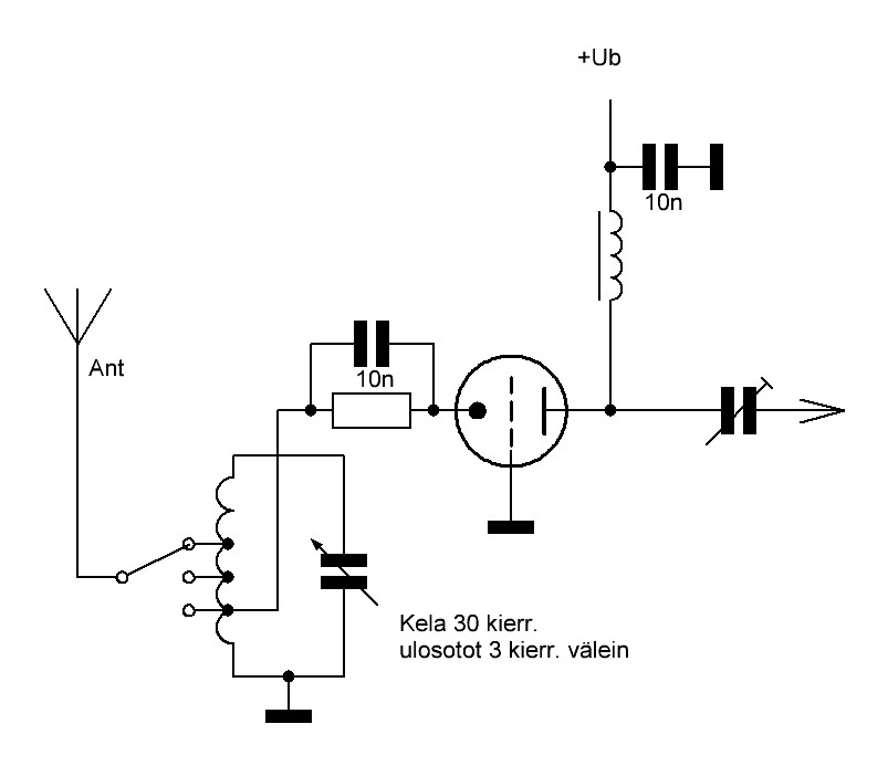
Lainaus:
Maattohilakytkennässä on pieni sisäänmenoimpedanssi, toimiikohan sen kanssa mitenkään järkevästi antennipuolen virityspiiri, vai kuormittaako liikaa?
Impedanssit voi aina sovittaa. Sillä tavoin pieneenkin impedanssiin voi toteuttaa selektiivisen kytkennän.
Kokeile vaikka tällaista.
Triodi_maattohila_viritetty.JPG
( 36 KB | 334 latausta )
IP kirjattu
OH8UBJ
God Member
Poissa
Viestejä: 826
Re: Suora vastaanotin
Vastaus #129 -
18.01.2019 klo 20:22:25
Tulosta viesti
Kiitos.
Aika veikeä ratkaisu, että katodivirta ohjataan kelan väliottoon.
Tämä aiheuttaa positiivista takaisinkytkentää ja lisää Q-arvoa?
Tarkkana saa olla layoutin kanssa, ettei värähtely karkaa kynsistä. Toisaalta maattohilakytkentää itsessään mainostetaan vakaaksi.
Mitenhän tuo piiri reagoi jos tulopuolelle kytkee vaikka 1k potikan rf-tason säädöksi?
No, kuormana kai se näkee antennijohdonkin...
Vai kannattaisiko rf-vahvistuksen säätö toteuttaa anodijännitettä säätämällä?
«
Viimeksi muokattu: 18.01.2019 klo 21:15:10 Kirjoittaja OH8UBJ
»
IP kirjattu
artosalo
God Member
Poissa
Viestejä: 2663
Sijainti: Perniö
Re: Suora vastaanotin
Vastaus #130 -
19.01.2019 klo 09:39:54
Tulosta viesti
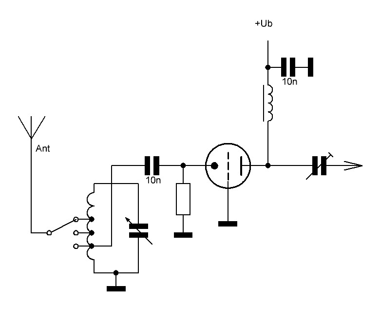
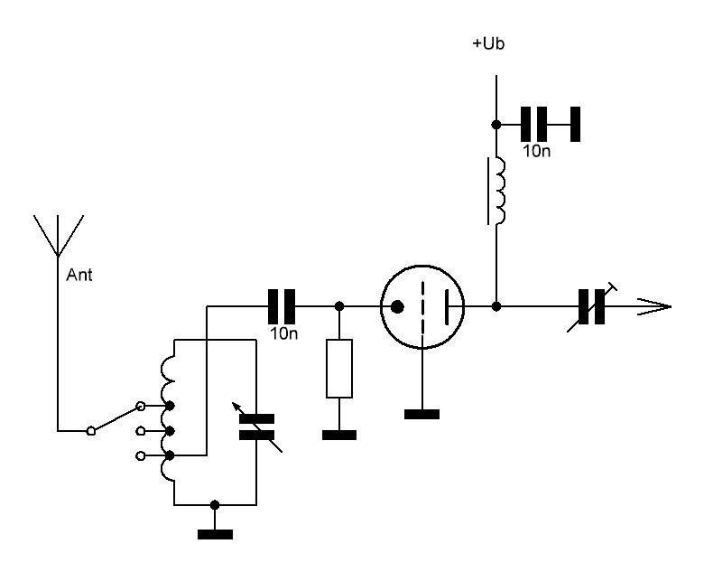
Ei tässä ole kyse takaisinkytkennästä, pelkästään impedanssin sovituksesta.
Virityspiirin kelan ulosotot toimivat kuten minkä hyvänsä muuntajan ulosotot.
Putken tasavirran voi johdattaa suoraankin, ei kelan kautta, kuten tässä kytkennässä.
Tasonsäädön potentiometrin voi sijoittaa antennin ja virityspiirin väliin normaaliin tapaan.
Triodin vahvistusta ei voi säätää anodijännitettä säätämällä, koska pienellä anodijännitteellä myös putken lineaarisuus huononee radikaalisti, jolloin syntyy keskeismodulaatiotuloksia.
Triodi_maattohila_viritetty_2.JPG
( 30 KB | 344 latausta )
IP kirjattu
OH3NWD
God Member
Poissa
Viestejä: 632
Re: Suora vastaanotin
Vastaus #131 -
20.01.2019 klo 15:57:51
Tulosta viesti
Nyt olisi pääteastekin, tästähän tuli samalla ensimmäinen itse rakentamani putkivahvistin, taidan tästä kyllä säröt jättää toistaiseksi mittaamatta
Kyllä siitä kovaäänisvoimakkuudella kuuluu, tosin hyvin hiljaa, pitää laittaa vielä yksi putki ilmaisimen ja pääteputken väliin. Ja pitää isontaa ilmaisimen anodivastusta ja katsoa, mitä se vaikuttaa.
3tube_rx_.jpg
( 316 KB | 348 latausta )
IP kirjattu
putkinotko
God Member
Poissa
SRHS # 751
Viestejä: 1881
Sijainti: Lohja
Re: Suora vastaanotin
Vastaus #132 -
20.01.2019 klo 16:25:58
Tulosta viesti
Asiaan mitenkään liittymättä, tuli viiskymmentä vuotta vanhat ammattikouluajat mieleen noista Unigorin mittareista.
3-luokalla oli ton näköiset Unigor 4 mittarit, kun 2-luokalla oli ollut Avo kasit.
Jussi
IP kirjattu
artosalo
God Member
Poissa
Viestejä: 2663
Sijainti: Perniö
Re: Suora vastaanotin
Vastaus #133 -
20.01.2019 klo 16:58:29
Tulosta viesti
Miten kytkit pääteputken, skema?
IP kirjattu
OH3NWD
God Member
Poissa
Viestejä: 632
Re: Suora vastaanotin
Vastaus #134 -
20.01.2019 klo 17:29:02
Tulosta viesti
Tässä on pääteputken kaavio. Putki on 3V4. Anodivirta 180 voltilla on n.20 mA.
Pahoittelut teknisestä ja taiteellisesta laadusta..
Edit: Anodivirtaa ainakin on liikaa, 10mA olikin oikea tälle putkelle, pitää laittaa lisää etujännitettä.
«
Viimeksi muokattu: 20.01.2019 klo 21:36:32 Kirjoittaja OH3NWD
»
Skema_3v4-2.jpg
( 246 KB | 359 latausta )
IP kirjattu
Sivu:
1
...
7
8
[9]
10
11
...
24
Lähetä aihe
Tulosta
‹
Edellinen aihe
|
Seuraava aihe
›
Foorumihyppy »
Koti
» 10 viimeisintä viestiä
» 10 viimeisintä aihetta
Suomen Radiohistoriallinen Seura ry - Keskustelufoorumi
Suomen Radiohistoriallinen Seura ry
Jäsenalue
Yleistä radiohistoriasta
Kotimaiset radiot, televisiot ja äänentoistolaitteet
Ulkomaiset radiot, televisiot ja äänentoistolaitteet
Muut radio- ja elektroniikkalaitteet
Entisöinti ja kunnostus yleisellä tasolla
Omatekoiset laitteet ja rakentelu ««
Sotilasradiot ja Perinneradiot
Yleinen keskustelualue
Niitä Näitä
Haku päällä
« Koti
‹ Alue
SRHS Forum
» Powered by
YaBB 2.6.12
!
YaBB Forum Software
© 2000-2026. Kaikki oikeudet pidätetään.